Submitted:
02 October 2024
Posted:
04 October 2024
You are already at the latest version
Abstract
Keywords:
1. Introduction
2. Materials and Methods
2.1. Modelling Bending Behavior of PneuNet Actuators
2.2. Modeling of the actuators and gripper
2.3. Control of the Soft Gripper
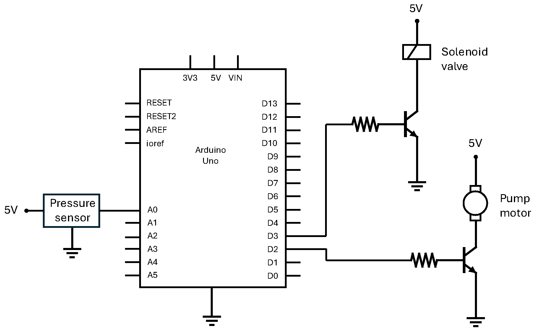
2.3.1. Pneumatic and electronic circuits
2.3.2. Nonlinear PI control
| Algorithm 1 Non-linear PI Controller | |
| 1: | integral = 0 |
| 2: | repeat: |
| 3: | error = reference − pressure |
| 4: | integral = integral + error × dt |
| 5: | uPI = Kp × error + Ki × integral |
| 6: | if uPI ≥ 0 then |
| 7: | upump = uPI |
| 8: | uvalve = closed |
| 9: | else |
| 10: | uvalve = open |
| 11: | upump = 0 |
2.3.3. On-Off controller
| Algorithm 2 On-Off Controller | |
| 1: | upump =0 |
| 2: | uvalve = closed |
| 3: | repeat: |
| 4: | if e > threshold then |
| 5: | upump = PWMON |
| 6: | if upump > 0 and e < 0 then |
| 7: | upump = 0 |
| 8: | if e < −threshold then |
| 9: | uvalve = open |
| 10: | if uvalve = open and e > 0 then |
| 11: | uvalve = closed |
3. Simulation and experimental results
3.1. Introduction to simulation results
3.1. FEM and Experimental Results Comparison
3.3.1 Type 1 Silicone actuators results
3.3.2 Type 1 and 2 actuators results with FDM Filaflex60A
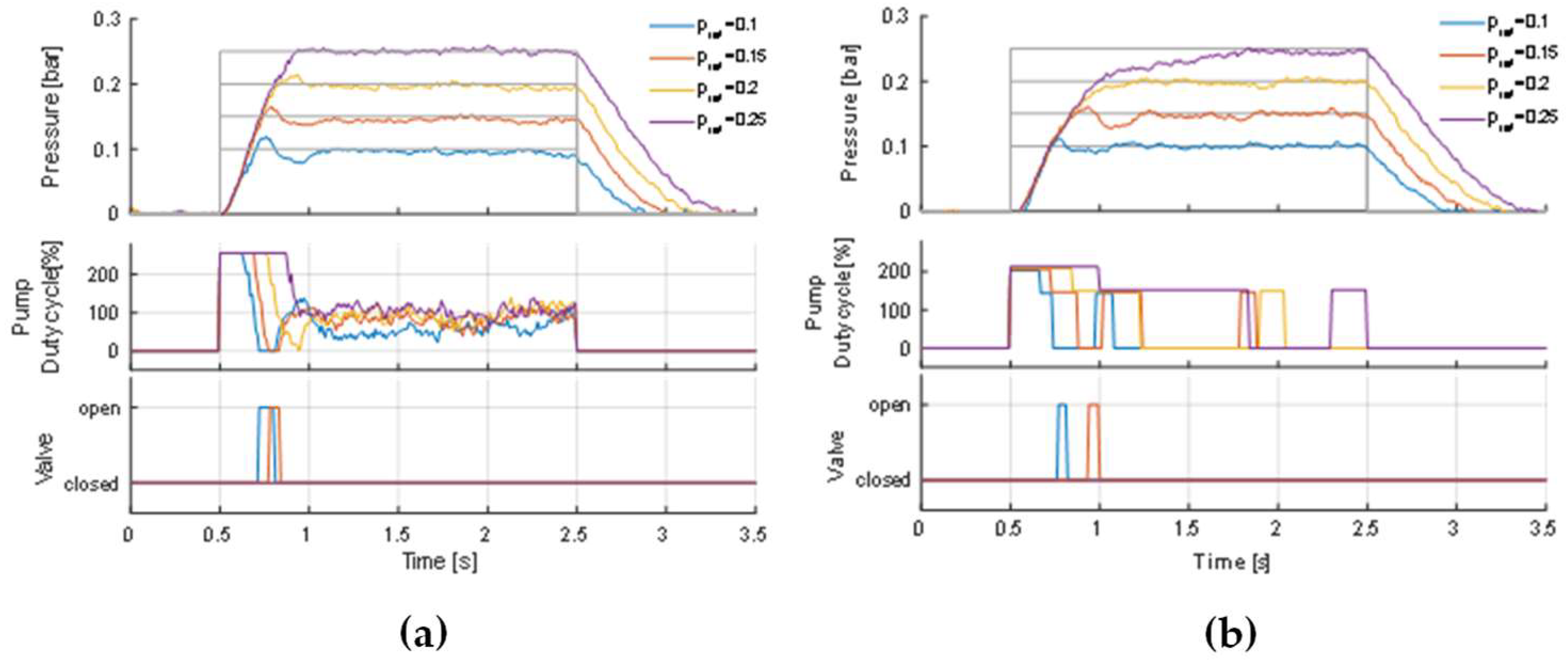
3.2. Control results
Nonlinear PI controller
On-Off controller
4. Conclusions
Author Contributions
Funding
Data Availability Statement
Conflicts of Interest
References
- Robotics, D. Magician Robot - Desktop Grade Robot For Advanced Education Available online: https://www.dobot-robots.com/products/education/magician.html (accessed on 28 September 2024).
- Rus, D.; Tolley, M.T. Design, Fabrication and Control of Soft Robots. Nature 2015, 521, 467–475. [CrossRef]
- Tawk, C.; Alici, G. A Review of 3D-Printable Soft Pneumatic Actuators and Sensors: Research Challenges and Opportunities. Advanced Intelligent Systems 2021, 3. [CrossRef]
- El-Atab, N.; Mishra, R.B.; Al-Modaf, F.; Joharji, L.; Alsharif, A.A.; Alamoudi, H.; Diaz, M.; Qaiser, N.; Hussain, M.M. Soft Actuators for Soft Robotic Applications: A Review. Advanced Intelligent Systems 2020, 2. [CrossRef]
- Pratt, G.A.; Williamson, M.M. Series Elastic Actuators. IEEE International Conference on Intelligent Robots and Systems 1995, 1, 399–406. [CrossRef]
- Ham, R.; Sugar, T.; Vanderborght, B.; Hollander, K.; Lefeber, D. Compliant Actuator Designs. IEEE Robotics & Automation Magazine 2009, 16, 81–94. [CrossRef]
- Mosadegh, B.; Polygerinos, P.; Keplinger, C.; Wennstedt, S.; Shepherd, R.F.; Gupta, U.; Shim, J.; Bertoldi, K.; Walsh, C.J.; Whitesides, G.M. Pneumatic Networks for Soft Robotics That Actuate Rapidly. Advanced Functional Materials 2014, 24, 2163–2170. [CrossRef]
- Ang, B.W.K.; Yeow, C.H. 3D Printed Soft Pneumatic Actuators with Intent Sensing for Hand Rehabilitative Exoskeletons. Proceedings - IEEE International Conference on Robotics and Automation 2019, 2019-May, 841–846. [CrossRef]
- Kim, S.; Laschi, C.; Trimmer, B. Soft Robotics: A Bioinspired Evolution in Robotics. Trends in Biotechnology 2013, 31, 287–294. [CrossRef]
- Shepherd, R.F.; Ilievski, F.; Choi, W.; Morin, S.A.; Stokes, A.A.; Mazzeo, A.D.; Chen, X.; Wang, M.; Whitesides, G.M. Multigait Soft Robot. Proceedings of the National Academy of Sciences of the United States of America 2011, 108, 20400–20403. [CrossRef]
- Ogura, K.; Wakimoto, S.; Suzumori, K.; Nishioka, Y. Micro Pneumatic Curling Actuator - Nematode Actuator -. 2008 IEEE International Conference on Robotics and Biomimetics, ROBIO 2008 2008, 2008-Janua, 462–467. [CrossRef]
- Gu, G.; Wang, D.; Ge, L.; Zhu, X. Analytical Modeling and Design of Generalized Pneu-Net Soft Actuators with Three-Dimensional Deformations. Soft Robotics 2021, 8, 462–477. [CrossRef]
- Wilson, J.F. Mechanics of Bellows: A Critical Survey. International Journal of Mechanical Sciences 1984, 26, 593–605. [CrossRef]
- Sudani, M.; Deng, M.; Wakimoto, S. Modelling and Operator-Based Nonlinear Control for a Miniature Pneumatic Bending Rubber Actuator Considering Bellows. Actuators 2018, 7, 1–13. [CrossRef]
- Rad, C.; Hancu, O.; Lapusan, C. Data-Driven Kinematic Model of PneuNets Bending Actuators for Soft Grasping Tasks. Actuators 2022, 11. [CrossRef]
- Majidi, C.; Shepherd, R.F.; Kramer, R.K.; Whitesides, G.M.; Wood, R.J. Influence of Surface Traction on Soft Robot Undulation. International Journal of Robotics Research 2013, 32, 1577–1584. [CrossRef]
- Alici, G.; Canty, T.; Mutlu, R.; Hu, W.; Sencadas, V. Modeling and Experimental Evaluation of Bending Behavior of Soft Pneumatic Actuators Made of Discrete Actuation Chambers. Soft Robotics 2018, 5, 24–35. [CrossRef]
- Yap, H.K.; Ng, H.Y.; Yeow, C.-H. High-Force Soft Printable Pneumatics for Soft Robotic Applications. Soft Robotics 2016, 3, 144–158. [CrossRef]
- Patel, D.K.; Sakhaei, A.H.; Layani, M.; Zhang, B.; Ge, Q.; Magdassi, S. Highly Stretchable and UV Curable Elastomers for Digital Light Processing Based 3D Printing. Advanced Materials 2017, 29, 1–7. [CrossRef]
- Smooth-On Dragon SkinTM 10 FAST Available online: https://www.smooth-on.com/products/dragon-skin-10-fast/ (accessed on 29 September 2024).
- Oh, H.-A.; Park, D.; Han, K.-S.; Oh, T.S. Elastic Modulus of Locally Stiffness-Variant Polydimethylsiloxane Substrates for Stretchable Electronic Packaging Applications. Journal of the Microelectronics and Packaging Society 2015, 22, 91–98. [CrossRef]
- AG, W.C. ELASTOSIL® M 4601 A/B - Room Temperature Curing Silicone Rubber (RTV-2) Available online: https://www.wacker.com/h/en-us/medias/ELASTOSIL-M-4601-AB-en-2024.06.16.pdf (accessed on 29 September 2024).
- Gu, G.; Wang, D.; Ge, L.; Zhu, X. Analytical Modeling and Design of Generalized Pneu-Net Soft Actuators with Three-Dimensional Deformations. Soft Robotics 2021, 8, 462–477. [CrossRef]
- Recreus Filaflex 60A Available online: https://recreus.com/gb/filaments/1-1-filaflex-60a.html#/1-colour-black/2-diameter-175_mm/3-weight-500_gr (accessed on 29 September 2024).
- Gerboni, G.; Diodato, A.; Ciuti, G.; Cianchetti, M.; Menciassi, A. Feedback Control of Soft Robot Actuators via Commercial Flex Bend Sensors. IEEE/ASME Transactions on Mechatronics 2017, 22, 1881–1888. [CrossRef]
- Wang, T.; Zhang, Y.; Chen, Z.; Zhu, S. Parameter Identification and Model-Based Nonlinear Robust Control of Fluidic Soft Bending Actuators. IEEE/ASME Transactions on Mechatronics 2019, 24, 1346–1355. [CrossRef]
- Chen, C.; Tang, W.; Hu, Y.; Lin, Y.; Zou, J. Fiber-Reinforced Soft Bending Actuator Control Utilizing On/Off Valves. IEEE Robotics and Automation Letters 2020, 5, 6732–6739. [CrossRef]
- Memarian, M.; Gorbet, R.; Kulic, D. Control of Soft Pneumatic Finger-like Actuators for Affective Motion Generation. In Proceedings of the IEEE International Conference on Intelligent Robots and Systems; Institute of Electrical and Electronics Engineers Inc., December 11 2015; Vol. 2015-Decem, pp. 1691–1697.
- Elgeneidy, K.; Lohse, N.; Jackson, M. Bending Angle Prediction and Control of Soft Pneumatic Actuators with Embedded Flex Sensors – A Data-Driven Approach. Mechatronics 2018, 50, 234–247. [CrossRef]
- Ibrahim, S.; Krause, J.C.; Raatz, A. Linear and Nonlinear Low Level Control of a Soft Pneumatic Actuator. In Proceedings of the RoboSoft 2019 - 2019 IEEE International Conference on Soft Robotics; Institute of Electrical and Electronics Engineers Inc., May 24 2019; pp. 434–440.
- Luo, M.; Skorina, E.H.; Tao, W.; Chen, F.; Ozel, S.; Sun, Y.; Onal, C.D. Toward Modular Soft Robotics: Proprioceptive Curvature Sensing and Sliding-Mode Control of Soft Bidirectional Bending Modules. Soft Robotics 2017, 4, 117–125. [CrossRef]
- Skorina, E.H.; Luo, M.; Ozel, S.; Chen, F.; Tao, W.; Onal, C.D. Feedforward Augmented Sliding Mode Motion Control of Antagonistic Soft Pneumatic Actuators. In Proceedings of the Proceedings - IEEE International Conference on Robotics and Automation; Institute of Electrical and Electronics Engineers Inc., June 29 2015; Vol. 2015-June, pp. 2544–2549.
- Skorina, E.H.; Luo, M.; Tao, W.; Chen, F.; Fu, J.; Onal, C.D. Adapting to Flexibility: Model Reference Adaptive Control of Soft Bending Actuators. IEEE Robotics and Automation Letters 2017, 2, 964–970. [CrossRef]
- Ogata, K. Modern Control Engineering; 5th ed.; Pearson, 2009; ISBN 13: 9780136156734.
- Muddada, R. Design, Modeling, and Comparative Analysis on Silicone Rubber Soft Gripper for Food Industry. International Research Journal of Modernization in Engineering Technology and Science www.irjmets.com @International Research Journal of Modernization in Engineering 1417, 2582–5208.
- Mosadegh, B.; Polygerinos, P.; Keplinger, C.; Wennstedt, S.; Shepherd, R.F.; Gupta, U.; Shim, J.; Bertoldi, K.; Walsh, C.J.; Whitesides, G.M. Pneumatic Networks for Soft Robotics That Actuate Rapidly. Advanced Functional Materials 2014, 24, 2163–2170. [CrossRef]
- Canonsburg, T.D. Ansys_13_Element_Reference. 2010, 15317, 724–746.
- Lalegani Dezaki, M.; Bodaghi, M.; Serjouei, A.; Afazov, S.; Zolfagharian, A. Soft Pneumatic Actuators with Controllable Stiffness by Bio-Inspired Lattice Chambers and Fused Deposition Modeling 3D Printing. Advanced Engineering Materials 2023, 25. [CrossRef]
- Honeywell BASIC BOARD MOUNT PRESSURE SENSORS Datasheet 32307741 Issue D 19.





















| DragonSkin Fast10 | Value | Unit | |
|---|---|---|---|
| Component | A | B | |
| Mixing ratio in weight | 50 | 50 | % |
| Density at 23°C | 1.07 | g/cm3 | |
| Cure time | 75 | minutes | |
| Viscosity a 23ºC | 23000 | MPa.s | |
| Hardness | 10 | Shore A | |
| Young Modulus | 0.13 | [21] | |
| Tensile strength | 3.3 | MPa | |
| Elastosil M4601 A/B | Value | Unit | |
|---|---|---|---|
| Component | A | B | |
| Density at 23°C | 1.14 | 1.01 | g/cm3 |
| Cure time | 12 | H | |
| Viscosity at 23°C | 10000 | MPa.s | |
| Mixing ratio in weight | 90 | 10 | % |
| Hardness | 28 | Shore A | |
| Young Modulus | 0.4835 | [23] | |
| Poisson's Ratio | 0.499 | [23] | |
| Tensile strength | 6.5 | MPa | |
| Tear strength | >30 | N/mm | |
| Elongation at tear | 700 | % | |
| Filaflex 60A | Value | Unit |
|---|---|---|
| Density at 23°C | 1.07 | g/cm3 |
| Hardness | 63 | Shore A |
| Young Modulus (100%) | 2.5 | |
| Tensile strength | 26 | MPa |
| Tear strength | 40 | N/mm |
| Hyperelastic model | Parameter | Material | Material | Units |
| Dragon Skin Fast 10 [35] | Elastosil M4601 A/B [36] | |||
| Yeoh (3rd order) | C10 | 0.036 | 0.11 | MPa |
| C20 | 2.50e-4 | 0.02 | MPa | |
| C30 | 2.3e-5 | 0 | MPa | |
| D1, D2, D3 | 0 | 0 | (MPa)-1 | |
|
Filaflex 60A [38] |
||||
| Mooney-Rivlin (2nd order) | C10 | 0.87897 | MPa | |
| C01 | 1.634 | MPa | ||
| d | 0 | (MPa)-1 |
Disclaimer/Publisher's Note: The statements, opinions and data contained in all publications are solely those of the individual author(s) and contributor(s) and not of MDPI and/or the editor(s). MDPI and/or the editor(s) disclaim responsibility for any injury to people or property resulting from any ideas, methods, instructions or products referred to in the content. |
© 2024 by the authors. Licensee MDPI, Basel, Switzerland. This article is an open access article distributed under the terms and conditions of the Creative Commons Attribution (CC BY) license (http://creativecommons.org/licenses/by/4.0/).