Preprint
Article

This version is not peer-reviewed.

Calculation of Trusses System in MATLAB - Multibody

A peer-reviewed article of this preprint also exists.

Submitted:

30 September 2024

Posted:

01 October 2024

You are already at the latest version

Abstract
The present paper focuses on the practical application of software tools for calculating and verifying trusses systems. It covers externally and internally statically indeterminate trusses systems and compares results from two software tools. The MATLAB Simscape – Multibody simulation tool, specially designed for mechanical systems, is utilized to calculate the trusses system. The model is optimized to minimize errors compared to theoretical calculations. By using blocks, it is possible to build a system, including repeating parts quickly.
Keywords: 
;  ;  ;  ;  ;  ;  ;  

1. Introduction

We fully agree with the statement in the editorial [1,2] that Computer-Aided technologies (CAx) encompass the use of computer technology to assist in designing, analyzing, and manufacturing products. Considerable progress has been made in this field, thanks to rapid advancements in science and technology. Advanced CAx tools combine various aspects of Product Lifecycle Management (PLM), including design, Finite Element Method (FEM), production, production planning, and the product itself. In terms of transitioning to the Industry 4.0 concept, the idea of a digital twin is coming to the forefront, and existing CAx systems must adapt to this trend.
In the past period, our team focused on research and development of the Universal Rotary Module (URM). Specifically, we explored the control method of the URM [3], which fully aligns with the concept of Industry 4.0. This module can serve as a fundamental building block for modular robot structures. In addressing various tasks to improve stiffness optimization of the URM construction, we arrived at the need for calculating rod systems. Therefore, we are publishing our findings in this article.
The present paper examines a statically indeterminate trusses system developed through analytical computation and subsequent use of software tools MATLAB and SOLIDWORKS. MATLAB – Simscape Multibody [4,5,6,7] has in its library – Flexible Bodies Library elements named Flexible Beam [6,7] with various cross – sections. These are flexible, slender beams capable of elastic deformation. The deformation involves additions due to extension, bending and torsion. The stiffness and inertia of the body (Flexible Beam) are calculated based on the geometry and material properties. The calculation principle employed complies with the Euler – Bernoulli beam theory [8] (pp. 174-220), [9] (pp. 8 – 66), [10]; hence it is suitable for the trusses system. Numerous programs for calculating such systems exist, many in different programming languages and differing in the purpose for which they were designed. The market offers a diverse range of options. References [11,12] present an example of a statically indeterminate planar trusses system calculated using the finite element method (FEM). This is a standalone program, with the calculation verified in ANSYS [13,14,15]. In the present paper, a model developed in the SOLIDWORKS environment using the Simulation tool is intended to verify the results. The whole design was created using the Weldments tool. The calculation also includes the visualization of the results using the specified input parameters. The analytical calculations are performed in a linear domain subject to the well – known Hooke's law. The term bar refers to a body of the same cross – section fixed at both ends using a rotary link, i.e. joints. An axis of the bar passes through the center of the joints. The point of connection of at least two bars in the center of the joints (forming a rotational link) is called a gusset or node. The gussets are the nodes where the transfer of forces to the rest of the structure occurs. The bar transmits the force in its axis through tension and compression, subject to the aforementioned Bernoulli – Navier hypothesis. In the case of compression, however, this is true only to a certain extent. This hypothesis assumes the preservation of the flatness of the cross – sections before and after deformation. In other words, after deformation, the cross – sections remain perpendicular to the deformed axis of symmetry of the cross – section. The same properties apply to the material of the beam in tension and compression. The normal stress is distributed uniformly; thus, there is no shear inside the bar. Certainly, there are several methods for the identification of yield strength in materials. More information on this can be found, for example, in this article [16]. For a higher level of material utilization, it is advisable to consider composite materials, which can also be beneficial. The production technology of such materials is described [17].
It should also be mentioned that the Bernoulli – Navier hypothesis is only accurate for rather slender bars. Under compressive loading, the so – called buckling [18] (pp.483 – 507) occurs when the bar may lose its stability and buckle out of its axis. The buckling stability of trusses systems is difficult to handle [19,20,21], especially if several parameters are monitored and optimized simultaneously [17].

2. Example of Analytical Design Based on in – Plane Deformation Conditions

The system in Figure 1 is composed of five bars. It is externally and internally statically 1x indeterminate. When one degree of freedom looseness is suitably removed at node A or D, which binds the system to the world frame, the system does not turn into a mechanism. Similarly, after removing any bars 1 to 5, the structure remains unchanged. This means that the given system is externally and internally 1x statically indeterminate. Thus, we partially relax the system and express the unknown reactions in terms of the deformation conditions.
The example mainly involves comparing theoretical results with simulations in MATLAB – Multibody and then conducting verification in SOLIDWORKS. The structure of the trusses system loaded by the force at node B after release from the bonds at node(s) A, D and release of the bar between nodes AB is displayed in Figure 2.
For the energy change of the whole system under the NAB force [18] p. 204, [23] p. 160 in the bar, the following applies:
U N A B = 0
To determine the forces in individual nodes or gussets we use the Method of joint [24] p.70, [25,26]. By successively releasing the nodes, we denote the forces acting in the bars by the index of the nodes where the bar is attached.
Node – A:
Figure 3. Reactions after release from the bonds at node A and release of bar AB, AC.
Figure 3. Reactions after release from the bonds at node A and release of bar AB, AC.
Preprints 119820 g003
In general, the following applies to the equilibrium of forces at a node:
F = 0
By decomposing into the individual axes of the coordinate system, the following applies:
F x = 0 ;   F A x + F A C 2 N A B = 0
F y = 0 ;   F A y + F A C 2 = 0
Node – B:
Figure 4. Reactions after release from the bonds at node B and release of bar AB, BD, BC.
Figure 4. Reactions after release from the bonds at node B and release of bar AB, BD, BC.
Preprints 119820 g004
F x = 0 ;   N A B F B x F B D 2 = 0
F y = 0 ;   F B C F B y + F B D 2 = 0
Node – C:
Figure 5. Reactions after release from the bonds at node C and release of bar AC, BC, CD.
Figure 5. Reactions after release from the bonds at node C and release of bar AC, BC, CD.
Preprints 119820 g005
F x = 0 ; F C D F A C 2 = 0
F y = 0 ; F B C F A C 2 = 0
Node – D:
Figure 6. Reactions after release from the bonds at node D and release of bar BD, CD.
Figure 6. Reactions after release from the bonds at node D and release of bar BD, CD.
Preprints 119820 g006
F x = 0 ;   F D x + F C D + F B D 2 = 0
F y = 0 ;   F D y F B D 2 = 0
Consider the system of given equations (5), (6), (7), (8), where the variables without reactions at nodes A and D are searched for:
N A B 2 F B D 2 = F B x
F B C + 2 F B D 2 = F B y
F C D 2 F A C 2 = 0
F B C 2 F A C 2 = 0
And its transcription into matrix entry for automated computer calculation:
1      0      0 2 2     0 0      0      1      2 2     0 0 2 2      0      0 1 0 2 2 1      0     0 · N A B F A C F B C F B D F C D = F B x F B y 0 0
From system (15). The unknown forces in the bars expressed in terms of the known variables FBx, FBy, NAB, are as follows:
F A C = 2 · F B x N A B + F B y
F B C = F B x N A B + F B y
F B D = 2 · N A B F B x
F C D = F B x N A B + F B y
Based on the deformation condition (1) regarding the energy change in the whole system under the NAB force in the bar, the following applies:
F i · l i E i · S i · F i N A B = 0
The cross – sections Si and the Young's modulus Ei are the same in the present case. The lengths li can be expressed as multiples of the uniform length l. Subsequently, based on the deformation condition (1) regarding the energy change in the whole system under the force NAB in the bar AB, the following applies:
l E · S F i · F i N A B = 0
N A B 2 · 2 · F B x N A B + F B y F B x N A B + F B y + 2 · 2 · N A B F B x F B x N A B + F B y = 0
N A B = 2 · 2 · 2 + 1 · F B x + 2 + 1 · F B y 4 · 2 + 3
In general, the equations for external equilibrium are as follows:
F = 0
M = 0
After decomposing:
F x = 0 ;   F A x + F D x = F B x
F y = 0 ;   F A y + F D y = F B y
M A = 0 ;   F D x · l = F B y · l
Alternatively, its transcription into matrix entry for automated computer calculation is as follows:
1 0     1 0 0 1     0 1 0 0 1 0 · F A x F A y F D x F D y = F B x F B y F B y
From system (29). The unknown forces in the bars expressed in terms of the known variables FBx, FBy, FAy are as follows:
F A x = F B x + F B y
F D x = F B y
F D y = F B y F A y
The force FAy can be calculated from the equilibrium of forces of node A using equation (4) as follows:
F A y = F A C 2
After substituting equation (16) into (33):
F A y = 2 · F B x N A B + F B y 2 ,
and substituting (23) into (34), equation yields:
F A y = F B x 2 · 2 · 2 + 1 · F B x + 2 + 1 · F B y 4 · 2 + 3 + F B y
The deflections at nodes B and C of the trusses system are determined by Castigliano's first theorem [18] (pp. 202 – 204), [23] (36) for node B and (53) for node C. This will be determined by the partial derivative of the external component of the force vector Fe acting in the direction of the deflection sought. It's important to note that the situation is simplified assuming the same cross – sections S, Young's modulus E and multiples of uniform length l.
Node – B:
Figure 7. Structure of the trusses system loaded by the force vector FB at node B and the additional external force vector FeB.
Figure 7. Structure of the trusses system loaded by the force vector FB at node B and the additional external force vector FeB.
Preprints 119820 g007
The deflection vector δB of node B derived from the first Castigliano theorem can be calculated using the following equation:
δ B = l E · S F i · F i F e B x F i · F i F e B y
Each component of the force Fi is expressed as a function of the component of the external force vector FeB as follows:
δ B = l E · S F e B x + N A B · N A B F e B x + 2 · F A C · F A C F e B x + F B C · F B C F e B x + 2 · F B D · F B D F e B x + F C D · F C D F e B x F e B y + N A B · N A B F e B y + 2 · F A C · F A C F e B y + F B C · F B C F e B y + 2 · F B D · F B D F e B y + F C D · F C D F e B y
By substituting the corresponding component of the external force vector FeB, into equation (23) derived from the deformation condition, the equation reads:
N A B = 2 · 2 · 2 + 1 · F B x + F e B x + 2 + 1 · F B y + F e B y 4 · 2 + 3 ,
Substituting NAB into equations (16) to (19) yields the equation as follows:
F A C = 2 · F B x + F e B x 2 · 2 · 2 + 1 · F B x + F e B x + 2 + 1 · F B y + F e B y 4 · 2 + 3 + F B y + F e B y
F B C = F B x + F e B x 2 · 2 · 2 + 1 · F B x + F e B x + 2 + 1 · F B y + F e B y 4 · 2 + 3 + F B y + F e B y
F B D = 2 · 2 · 2 · 2 + 1 · F B x + F e B x + 2 + 1 · F B y + F e B y 4 · 2 + 3 F B x F e B x
F C D = F B x + F e B x 2 · 2 · 2 + 1 · F B x + F e B x + 2 + 1 · F B y + F e B y 4 · 2 + 3 + F B y + F e B y
The individual elements of the matrix in equation (37) after deriving by FeBx are as follows:
N A B · N A B F e B x = 4 · 2 · 2 + 1 · F B x + F e B x + 2 + 1 · F B y + F e B y 4 · 2 + 3 · 2 · 2 + 1 4 · 2 + 3
F A C · F A C F e B x = 2 · F B x + F e B x 2 · 2 · 2 + 1 · F B x + F e B x + 2 + 1 · F B y + F e B y 4 · 2 + 3 + F B y + F e B y · 1 2 · 2 · 2 + 1 4 · 2 + 3
F B C · F B C F e B x = F B x + F e B x 2 · 2 · 2 + 1 · F B x + F e B x + 2 + 1 · F B y + F e B y 4 · 2 + 3 + F B y + F e B y · 1 2 · 2 · 2 + 1 4 · 2 + 3
F B D · F B D F e B x = 2 · 2 · 2 · 2 + 1 · F B x + F e B x + 2 + 1 · F B y + F e B y 4 · 2 + 3 F B x F e B x · 2 · 2 · 2 + 1 4 · 2 + 3 1
F C D · F C D F e B x = F B x + F e B x 2 · 2 · 2 + 1 · F B x + F e B x + 2 + 1 · F B y + F e B y 4 · 2 + 3 + F B y + F e B y · 1 2 · 2 · 2 + 1 4 · 2 + 3
The individual elements of the matrix in equation (37) after deriving by FeBy are as follows:
N A B · N A B F e B y = 4 · 2 · 2 + 1 · F B x + F e B x + 2 + 1 · F B y + F e B y 4 · 2 + 3 · 2 + 1 4 · 2 + 3
F A C · F A C F e B y = 2 · F B x + F e B x 2 · 2 · 2 + 1 · F B x + F e B x + 2 + 1 · F B y + F e B y 4 · 2 + 3 + F B y + F e B y · 1 2 · 2 + 1 4 · 2 + 3
F B C · F B C F e B y = F B x + F e B x 2 · 2 · 2 + 1 · F B x + F e B x + 2 + 1 · F B y + F e B y 4 · 2 + 3 + F B y + F e B y · 1 2 · 2 + 1 4 · 2 + 3
F B D · F B D F e B y = 2 · 2 · 2 · 2 + 1 · F B x + F e B x + 2 + 1 · F B y + F e B y 4 · 2 + 3 F B x F e B x · 2 · 2 + 1 4 · 2 + 3
F C D · F C D F e B y = F B x + F e B x 2 · 2 · 2 + 1 · F B x + F e B x + 2 + 1 · F B y + F e B y 4 · 2 + 3 + F B y + F e B y · 1 2 · 2 + 1 4 · 2 + 3
In equations (37), (43) to (52), under the theorem, zero value is substituted for the vector FeB (FeB = 0) to obtain the resulting deflection δB of node B.
Node – C:
Figure 8. Structure of the trusses system loaded by the external force vector FeC at node C.
Figure 8. Structure of the trusses system loaded by the external force vector FeC at node C.
Preprints 119820 g008
The deflection vector δC of node C derived from the first Castigliano theorem can be calculated using the following equation:
δ C = l E · S F i · F i F e C x F i · F i F e C y
Each component of the force Fi is expressed as a function of the component of the external force vector FeC as follows:
δ C = l E · S F e C x + N A B · N A B F e C x + 2 · F A C · F A C F e C x + F B C · F B C F e C x + 2 · F B D · F B D F e C x + F C D · F C D F e C x F e C y + N A B · N A B F e C y + 2 · F A C · F A C F e C y + F B C · F B C F e C y + 2 · F B D · F B D F e C y + F C D · F C D F e C y
Consider again the system of the given equations (5), (6), (7), (8) with the additional vector of the external force FeC:
N A B 2 F B D 2 = F B x
F B C + 2 F B D 2 = F B y
F C D F e C x 2 F A C 2 = 0
F B C F e C y 2 F A C 2 = 0
And its transcription into matrix entry for automated computer calculation as follows:
1 0 0 2 2 0 0 0 0 0 1 2 2 0 0 0 0 2 2 0 0 1 1 0 0 2 2 1 0 0 0 1 · N A B F A C F B C F B D F C D F e C x F e C y = F B x F B y 0 0
From system (59). The unknown forces in the bars expressed in terms of the known variables FBx, FBy, NAB, FeCx , FeCy are as follows:
F A C = 2 · F B x N A B + F B y + F e C y
F B C = F B x N A B + F B y
F B D = 2 · N A B F B x
F C D = F B x N A B + F B y F e C x + F e C y
Based on the deformation condition (1), where the cross – sections Si = S, Young's modules Ei = E, and the lengths li are expressed as multiples of a uniform length l, the following is true for the energy change in the whole system under the NAB force:
l E · S F i · F i N A B = 0
N A B 2 · 2 · F B x N A B + F B y + F e C y F B x N A B + F B y + 2 · 2 · N A B F B x F B x N A B + F B y F e C x + F e C y = 0
N A B = 2 · 2 · 2 + 1 · F B x + 2 + 1 · F B y F e C x + 2 · 2 + 1 · F e C y 4 · 2 + 3
By substituting NAB from equation (66) into the system of equations (60) to (63), the following is derived:
F A C = 2 · F B x 2 · 2 · 2 + 1 · F B x + 2 + 1 · F B y F e C x 2 · 2 + 2 · F e C y 4 · 2 + 3 + F B y
F B C = F B x 2 · 2 · 2 + 1 · F B x + 2 + 1 · F B y F e C x + 2 · 2 + 1 · F e C y 4 · 2 + 3 + F B y
F B D = 2 · 2 · 2 · 2 + 1 · F B x + 2 + 1 · F B y F e C x + 2 · 2 + 1 · F e C y 4 · 2 + 3 F B x
F C D = F B x 2 · 2 · 2 + 1 · F B x + 2 + 1 · F B y + 4 · 2 + 2 · F e C x 2 · 2 + 1 · F e C y 4 · 2 + 3 + F B y
The individual elements of the matrix in equation (54) after deriving by FeCx are as follows:
N A B · N A B F e C x = 2 · 2 · 2 + 1 · F B x + 2 + 1 · F B y F e C x + 2 · 2 + 1 · F e C y 4 · 2 + 3 2
F A C · F A C F e C x = F B x 2 · 2 · 2 + 1 · F B x + 2 + 1 · F B y F e C x + 2 · 2 + 1 · F e C y 4 · 2 + 3 + F B y + F e C y · 2 4 · 2 + 3
F B C · F B C F e C x = F B x 2 · 2 · 2 + 1 · F B x + 2 + 1 · F B y F e C x + 2 · 2 + 1 · F e C y 4 · 2 + 3 + F B y · 1 4 · 2 + 3
F B D · F B D F e C x = 2 · 2 · 2 + 1 · F B x + 2 + 1 · F B y F e C x + 2 · 2 + 1 · F e C y 4 · 2 + 3 F B x · 2 4 · 2 + 3
F C D · F C D F e C x = F B x 2 · 2 · 2 + 1 · F B x + 2 + 1 · F B y + 4 · 2 + 2 · F e C x 2 · 2 + 1 · F e C y 4 · 2 + 3 + F B y · 4 · 2 + 2 4 · 2 + 3
The individual elements of the matrix in equation (54) after deriving by FeCy read as follows:
N A B · N A B F e C y = 2 · 2 · 2 + 1 · F B x + 2 + 1 · F B y F e C x + 2 · 2 + 1 · F e C y 4 · 2 + 3 · 2 · 2 + 1 4 · 2 + 3
F A C · F A C F e C y = F B x 2 · 2 · 2 + 1 · F B x + 2 + 1 · F B y F e C x 2 · 2 + 2 · F e C y 4 · 2 + 3 + F B y · 2 · 2 · 2 + 2 4 · 2 + 3
F B C · F B C F e C y = F B x 2 · 2 · 2 + 1 · F B x + 2 + 1 · F B y F e C x + 2 · 2 + 1 · F e C y 4 · 2 + 3 + F B y · 2 · 2 + 1 4 · 2 + 3
F B D · F B D F e C y = 2 · 2 · 2 + 1 · F B x + 2 + 1 · F B y F e C x + 2 · 2 + 1 · F e C y 4 · 2 + 3 F B x · 2 · 2 · 2 + 1 4 · 2 + 3
F C D · F C D F e C y = F B x 2 · 2 · 2 + 1 · F B x + 2 + 1 · F B y + 4 · 2 + 2 · F e C x 2 · 2 + 1 · F e C y 4 · 2 + 3 + F B y · 2 · 2 + 1 4 · 2 + 3
In equations (54), (71) to (80), following the theorem, a zero value is substituted into for the vector FeC (FeC = 0) to obtain the resulting deflection δC of the node C.

3. Building a Trusses Structure in MATLAB – Simscape Multibody

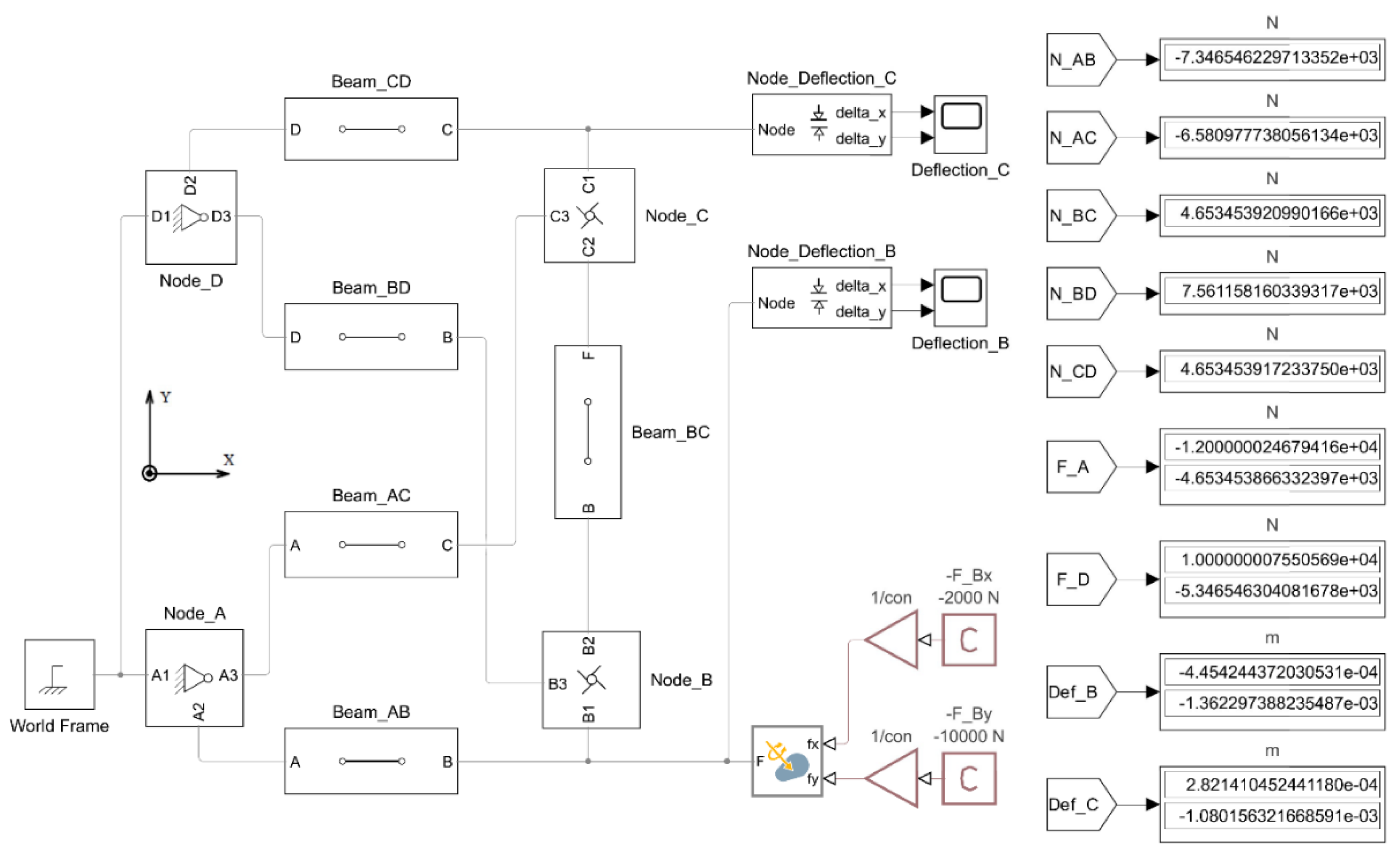
The Simscape Multibody environment [4,5,6,7] enables simulations of mechanical systems in space. It formulates and solves the equations of motion for the entire mechanical system and also provides visualization of the system dynamics. This allows for the examination of various dynamic and static processes on the model. Examining kinematic and dynamic quantities on advanced models can be quite challenging. Dealing with spatial assignments can be tough without an understanding of vector calculus and rotation matrix representations. The probability of error in derivation and computation is considerably high. Utilizing software tools with predefined blocks representing physical solids can assist in resolving such assignments. There are different programs available for calculating trusses systems and various tools for simulating the behavior of structures made from various materials. In such simulation program environments, there are different blocks such as "Flexible Beams". These blocks simulate a slender bar with constant cross – section with small and linear deformations, including extension, bending and torsion. Thus, a flexible body can be represented as a system composed of multiple bodies (multibody) [27]. In the following Figure 9, the model of the trusses system from Figure 1 is loaded with the external force vector FB at node B with the calculation results. The following values have been defined:
FB = [-2, -10]T kN, bar lenghts l = 1 m, lAB = l, lBC = l, lCD = l, lAC = 2∙l m, lBD = 2∙l m, bar diameters are the same with d = 0.01 m. Young’s modulus E is 210 GPa, shear modulus G is 79 GPa and density is 7800 kg/m3. Poisson’s ratio is 0.28. The values of proportional or Rayleigh damping are left "default" with respect to computational practicality bm = 0.01 s-1, bk = 0.01 s. The Rayleigh model [28,29,30] defines the damping matrix C as a linear combination of the mass matrix M and the stiffness matrix K as follows:
C = b m · M + b k · K ,
with bm being a mass coefficient and bk being a stiffness coefficient. These are the scalar coefficients. The simulation time is also "default" in the model settings and equals t = 10 s.
As already mentioned, for the sake of simplicity, so that we do not have to adjust and adapt the values of t, bm, bk to the level of external load in the form of force FB and cross – section Si, the so – called multiplication constant – con, is introduced. Its role is to proportionally shift the simulation to the order of units depending on the value of the external force vector FB and also the uniform cross – section of the bar Si. Practically, we can also start from the normal stress in the most stressed bar if the cross – sections of the Si bars of a given structure would be different. This avoids unnecessary changes in the defined coefficients bm for the mass coefficient M, bk for the stiffness coefficient K in equation (81) in the Rayleigh damping model. For the multiplication constant, the following applies:
c o n = F B 1200 · S i
This simple modification ensured an increase of two to four orders of magnitude in the accuracy of the calculation in accordance with theory, within an unlimited range of external FB force loading. This multiplication constant can be optimized for best accuracy based on equations (5) and (6), provided that the following holds with the smallest possible deviation:
F B x = N A B F B D 2
F B y = F B C + F B D 2 ,
The magnitudes of the components in the force vector FB are known to us, and the other forces are computational outputs.
Figure 9. Structure of the trusses system loaded by the external force vector FB at node B in MATLAB – Simscape Multibody, based on the Figure 1.
Figure 9. Structure of the trusses system loaded by the external force vector FB at node B in MATLAB – Simscape Multibody, based on the Figure 1.
Preprints 119820 g009
Figure 10 shows a visualization of the trusses system model in the Mechanics Explorers window of the MATLAB – Simscape Multibody environment. It is a running visualization in the case of a properly constructed model.
Figure 10. Visualization of the MATLAB – Simscape Multibody model of the trusses system, in the Mechanics Explorers window: (a) Unloaded; (b) Loaded with visible deformation.
Figure 10. Visualization of the MATLAB – Simscape Multibody model of the trusses system, in the Mechanics Explorers window: (a) Unloaded; (b) Loaded with visible deformation.
Preprints 119820 g010
The individual systems forming a particular trusses system should be explained. The World Frame subsystem is formed by combining the World Frame and Solver Configuration library blocks, these blocks being in the "default" configuration.
Figure 11. The World Frame subsystem is formed by combining the World Frame and Solver Configuration library blocks.
Figure 11. The World Frame subsystem is formed by combining the World Frame and Solver Configuration library blocks.
Preprints 119820 g011
Subsystems of nodes labelled Node_A and Node_D are formed as follows:
Figure 12. Detailed view of nodes A, D: (a) Node_A; (b) Node_D.
Figure 12. Detailed view of nodes A, D: (a) Node_A; (b) Node_D.
Preprints 119820 g012
The blocks "Point" – Graphic sphere and "Point Cloud" – Frame visualisation are used only for visualisations. Physically they are not involved in the given model. The FA force vector value is measured directly from the "Revolute Joint" – Total force sensing block. The bars are connected using "Revolute Joint" joints in the "default" setting. The block "Interpreted MATLAB Function" – u(1:2) defines a two – dimensional force vector in the FA, FB plane, whose z – component is of zero value. The block "Gain" – con provides the multiplication by the multiplication constant – con. An explanation of constant – con has been provided in equations (82) to (84).
Subsystems of nodes labelled Node_B and Node_C are formed as follows:
Figure 13. Detailed view of nodes B, C: (a) Node_B; (b) Node_C.
Figure 13. Detailed view of nodes B, C: (a) Node_B; (b) Node_C.
Preprints 119820 g013
Similarly, the bars are connected using "Revolute Joint" joints in the "default" setting. The member subsystems labelled Beam_AB, Beam_AC, Beam_BC, Beam_BD, Beam_CD are identical in structure and are formed as follows:
Figure 14. An example of the bar subsystem labelled Beam_AB.
Figure 14. An example of the bar subsystem labelled Beam_AB.
Preprints 119820 g014
The "Rigid Transform" blocks ensure that the bar is rotated into the desired plane around the y – axis of the world frame. The NAB force vector value is measured directly from the "Weld Joint" block – Total force sensing. The block "Interpreted MATLAB Function" – u(3) selects the z – component of the force vector in the NAB bar. The block physically representing the bar is a "Flexible Cylindrical Beam" block type. It defines the individual parameters such as bar length lAB, bar diameter d, Young's modulus E, shear modulus G, density and proportional Rayleigh damping values bm, bk.
Subsystems labelled Node_Deflection_B, Node_Deflection_C are designed to measure the deflection of nodes B, C and are formed as follows:
Figure 15. Detailed view of the node deflection measurement subsystems labelled Node_deflection _B and Node_deflection_C: (a) Node_B node deflection; (b) Node_C node deflection.
Figure 15. Detailed view of the node deflection measurement subsystems labelled Node_deflection _B and Node_deflection_C: (a) Node_B node deflection; (b) Node_C node deflection.
Preprints 119820 g015
The "Transform Sensor" – Translation [x, y, z] blocks provide deflection measurement relative to the world frame. The remaining blocks select only those components of the vector that define the deflection in the x, y plane relative to the original position.
Figure 16 illustrates the control measurement of the reaction forces to optimize the multiplication constant – con based on equations (83), (84).
Figure 16. Subsystem of control measurement of reaction forces for optimizing the multiplication constant – con based on equations (83), (84).
Figure 16. Subsystem of control measurement of reaction forces for optimizing the multiplication constant – con based on equations (83), (84).
Preprints 119820 g016

4. Building a Trusses Structure in the SOLIDWORKS – Weldments Tool

To verify the calculation of the given trusses system, the SOLIDWORKS environment was used and a similar model was developed using the "Weldments" tool, which allows the welded structure to be designed as a single multibody part. This tool yielded the most accurate results when simulated on bars under bending, torsion, tension – compression and continuous loads against the theory.
Load FB = [-2, -10]T kN, bar lengths l = 1 m, lAB = l, lBC = l, lCD = l, lAC = 2∙l m, lBD = 2∙l m, bar diameters are the same with d = 0.01m full profile. The material used is "Plain Carbon Steel" with Young's modulus E is 210 GPa, shear modulus G of 79 GPa and density of 7800 kg/m3. Poisson's ratio is 0.28.
A detailed procedure for developing such a model is not provided in this section as it is available in [31,32,33,34]. It should be noted that the node where the diagonal bars intersect is not a fixed joint. This is also evident when loaded with the visible deformation in Figure 17b. A comparison of the individual results from MATLAB – Multibody, SOLIDWORKS – Weldments tool and the theoretical calculations are summarized in Table 1, Chapter 5. Results.
Figure 17. The figure displays a similar trusses structure developed with the Weldments tool in SOLIDWORKS: (a) Unloaded with indicated reactions at nodes A, D; (b) Loaded with visible deformation of the bars.
Figure 17. The figure displays a similar trusses structure developed with the Weldments tool in SOLIDWORKS: (a) Unloaded with indicated reactions at nodes A, D; (b) Loaded with visible deformation of the bars.
Preprints 119820 g017

5. Results

A comparison of the individual results from MATLAB – Multibody, SOLIDWORKS – Weldments tool and the theoretical calculation is presented in Table 1 overview.
Firstly, the respective values are substituted into the individual equations and the results are quantified:

5.1. Deriving from the Theory

By substituting the respective values into the individual equations for NAB, FAC, FBC, FBD, FCD, the following results can be derived:
N A B = 2 · 2 · 2 + 1 · 2000 + 2 + 1 · 10000 4 · 2 + 3 = 7.346546206455528 · 10 + 03
From the equilibrium in the nodes, the reaction forces Fi in the bars are derived:
F A C = 2 · 2000 F A B 10000 = 6.580977466707121 · 10 + 03
F B C = 2000 F A B 10000 = 4.653453793544472 · 10 + 03
F B D = 2 · F A B + 2000 = 7.561158157023830 · 10 + 03
F C D = 2000 F A B + 10000 = 4.653453793544472 · 10 + 03
Consequently, the Ni forces in the bars are as follows:
N A C = F A C = 6.580977466707121 · 10 + 03
N B C = F B C = 4.653453793544472 · 10 + 03
N B D = F B D = 7.561158157023830 · 10 + 03
N C D = F C D = 4.653453793544472 · 10 + 03

5.2. The MATAB and SOLIDWORKS Results

For ease of overview, the individual results are arranged in a table.
It can be noticed that the accuracy in MATLAB – Multibody is guaranteed to six decimal places, while in SOLIDWORKS – Weldments tool, it is guaranteed to two decimal places. It is important to note that SOLIDWORKS also offers many other deliverables and extensions that would have to be completed in MATLAB. Additionally, the calculation in MATLAB has been optimized using – con to ensure the calculation is not tedious and delivers interesting results. If the simulation had not been proportionally shifted to lower values using the – con constant, the computation would have been tedious, and the accuracy would have been approximately four decimal places. Alternatively, it would be necessary to increase the values of damping bk and adjust the simulation time accordingly.
In MATLAB, for a more complex structure, individual blocks representing a repeating part can be created, and the entire structure can be further developed for static or dynamic assessment. See Figure 18.

5. Discussion

The Simscape Multibody toolbox from MATLAB is primarily designed to simulate mechanical systems in space, detecting their kinematic and dynamic quantities. The market offers numerous applications and programs for solving trusses systems. When individual tests were conducted on the flexible beam models available in the library, very good results were obtained, with less error than SOLIDWORKS. Deformation includes additions due to extension, bending and torsion. The stiffness and inertia properties of the body are calculated based on its geometry and material properties. Developing the model involves correctly assembling a few blocks to calculate the forces and deflections of the mechanical system. Regarding deflections, Multibody is an interesting choice compared to the classical mathematical solution of the equations. While testing the trusses system, the possibility of achieving better results in the simplest possible way caught our attention. The proportional damping type achieved the best results with the Rayleigh damping model. For more accuracy in the calculation than two to four decimal places, the damping needs to be adjusted to the load rate, bar length, cross – section, and simulation time. In order to simplify the whole issue, we have relied on the basic idea that all processes in the body are reversible and linear, following principles such as Hooke's law. From a practical standpoint, the model should preferably be founded on the default settings of the components and the model. We intended to avoid adjusting and adapting the values of the simulation time t, the coefficients of proportionality bm, bk to the level of the external load in the form of the force FB and the cross – section Si. Instead, we considered proportionally shifting the simulation based on the external force vector FB and the uniform cross – section Si, which introduced a multiplication constant – con. We adjusted its value to the equilibrium of forces at node B, where the load is known. It would also be beneficial to consider further enhancements, such as "deep learning," to identify a better optimum for different systems. Additionally, it is theoretically feasible to begin with the normal stress in the most heavily stressed bar if the cross – sections of the Si bars in a particular structure were different. In practical terms, the current level of accuracy in the calculation may not be significant for the designer. However, it indicates the possibility of conducting a more thorough model assessment. It is not always efficient to derive the equations or to have other suitable software available. Therefore, it is beneficial to be aware of this possibility. There are only few published works using Simscape Multibody for trusses systems.
The calculations were also verified in SOLIDWORKS using the Simulation tool. The whole structure was developed using the Weldments tool. Developing the model was not time – consuming, and it's possible to analyze various parameters and outputs, such as forces at different points and the second moments of area. The agreement against the theoretical calculations was accurate to two decimal places, which is sufficient in many cases.

5. Conclusions

Our contribution focuses on improving the computational accuracy of CAD products, such as Solidworks. While it is generally sufficient in terms of precision, there are cases where higher accuracy needed.
We have achieved this using the software tool Simscape - Multibody in the MATLAB program for calculating the rod system, which intended for mechanical systems. As validation for our research, we used the previously mentioned SOLIDWORKS program, specifically the Simulation tool. The entire construction was create using the Weldments tool. The agreement with theoretical calculations was accurate to two decimal places, which is practically sufficient in many cases. Our method of calculation using the Simscape - Multibody software in MATLAB provides results that are two orders of magnitude more precise. Another benefit is the possibility of using MATLAB software instead of specialized software for mechanical element calculations, such as Ansys and similar.

Author Contributions

Draft concept, theoretical analysis, Š.O.; model design and data processing in MATLAB, Š.O.; overview, supervision, approval J.S., project administration, methodology, J.S., J.SE., R.J., M.S., M.D. All authors have read and agreed to the published version of the manuscript.

Funding

This paper was prepared with the support of the grant project: KEGA 043TUKE – 4/2024 Creation of prospective educational tools for the field of additive manufacturing with the implementation of progressive elements of virtual reality.

Conflicts of Interest

The authors declare no conflict of interest. The funders had no role in the design of the study; in the collection, analyses, or interpretation of data; in the writing of the manuscript, or in the decision to publish the results.

Nomenclature

  • Abbreviations
FEM Finite Element Method
CAD Computer Aided Design
CAx Computer Aided X
URM Universal Rotary Module
PLM Product Lifecycle Managament
2.
Parametres, variables
A, B, C, D Node, Gusset
U Potential strain energy of the trusses system
F, N Normal force in a bar
F Force vector
M Moment
l Bar length
d Bar diameter
S cross – section
E The Young's modulus of a bar
G Shear modulus
Density Density
μ Poisson’s ratio
δB, δC Deflection vector at node B or C in the plane
FeB, FeC Additional external force vector at node B or C
C Damping matrix of the Rayleigh damping model
K Stiffness matrix of the Rayleigh damping model
M Mass matrix of the Rayleigh damping model
bm Mass coefficient proportional to the mass matrix M of the Rayleigh damping model
bk Stiffness coefficient proportional to the stiffness matrix K of the Rayleigh damping model
t Simulation time
con Multiplication constant
x, y, z Coordinate system axes, or position vector elements
u(i) i – the element of the vector u of the input variable for the function in SIMULINK
3.
Software
MATLAB® (MathWorks, 1 Apple Hill Drive, Natick, MA 01760 USA, Founded in 1984)
SOLIDWORKS (Dassault Systèmes, 10 rue Marcel Dassault, CS 40501, 78946 Vélizy –Villacoublay Cedex – France).

References

  1. Pollák, M.; Kočiško, M. Editorial for Special Issue “Advances in Computer-Aided Technology”. Machines 2023, 11, 227. [Google Scholar] [CrossRef]
  2. Pollák, M.; Kočiško, M. Editorial for Special Issue “Advances in Computer-Aided Technology II”. Machines 2024, 12, 616. [Google Scholar] [CrossRef]
  3. Ondočko, Š.; Svetlík, J.; Šašala, M.; Bobovský, Z.; Stejskal, T.; Dobránsky, J.; Demeč, P.; Hrivniak, L. Inverse Kinematics Data Adaptation to Non-Standard Modular Robotic Arm Consisting of Unique Rotational Modules. Appl. Sci. 2021, 11, 1203. [Google Scholar] [CrossRef]
  4. Mathworks, C.; Simscape, T. Multibody (tm) getting started guide, 2024.
  5. Mathworks, MATLAB for Artificial Intelligence. Available online: https://www.mathworks.com/help/pdf_doc/sm/sm_gs.pdf (accessed on 14 august 2024).
  6. Mathworks, C.; Simscape, T. Multibody (tm) User's Guide, 2024.
  7. Mathworks, MATLAB for Artificial Intelligence. Available online: https://www.mathworks.com/help/pdf_doc/sm/sm_ug.pdf (accessed on 14 august 2024).
  8. Bauchau, O.A.; Craig, J.I. (2009). Euler – Bernoulli beam theory. In Structural analysis (pp. 173 – 221). Dordrecht: Springer Netherlands.
  9. Öchsner, A.; Öchsner, A. (2021). Euler – Bernoulli beam theory. Classical Beam Theories of Structural Mechanics, 7–66.
  10. Parks, D.M. (2004). Euler – Bernoulli Beams Bending, Buckling, and Vibration. Mechanics and Materials.
  11. Šarišský, P. Zpracování algoritmu pro řešení deformace prutových soustav v reálném čase [Development of an algorithm for real – time deformation analysis of trusses systems].
  12. Bakošová, A.; Krmela, J.; Handrik, M. Computing of truss structure using MATLAB. Manufacturing Technology 2020, 20, 279–285. [Google Scholar] [CrossRef]
  13. Valíček, J.; Harničárová, M.; Kopal, I.; Palková, Z.; Kušnerová, M.; Panda, A.; Šepelák, V. Identification of Upper and Lower Level Yield Strength in Materials. Materials 2017, 10, 982. [Google Scholar] [CrossRef] [PubMed]
  14. Panda, A.; Dyadyura, K.; Valíček, J.; Harničárová, M.; Zajac, J.; Modrák, V.; Pandová, I.; Vrábel, P.; Nováková-Marcinčínová, E.; Pavelek, Z. Manufacturing Technology of Composite Materials—Principles of Modification of Polymer Composite Materials Technology Based on Polytetrafluoroethylene. Materials 2017, 10, 377. [Google Scholar] [CrossRef] [PubMed]
  15. ANSYS. Available online: https://www.ansys.com/ (accessed on 14 august 2024).
  16. Madenci, E.; Guven, I. (2006). Fundamentals of ANSYS. The Finite Element Method and Applications in Engineering Using ANSYS®, 15 – 35.
  17. Thompson, M.K.; Thompson, J.M. (2017). ANSYS mechanical APDL for finite element analysis, Butterworth – Heinemann.
  18. Trebuňa, F.; Šimčák, F. (2004). Odolnosť prvkov mechanických sústav [Resistance of mechanical system components]. Technical University of Košice.
  19. Jones, R.M. Buckling of bars, plates, and shells, Bull Ridge Corporation, 2006.
  20. Cai, Q.; Feng, R.; Zhang, Z. Topology optimization of truss structure considering nodal stability and local buckling stability. In Structures; Elsevier, 2022; Vol. 40, pp. 64–73. [Google Scholar]
  21. Gambhir, M.L. (2013). Stability analysis and design of structures, Springer Science & Business Media.
  22. Manguri, A.; Saeed, N.; Szczepanski, M.; Jankowski, R. Buckling and shape control of prestressable trusses using optimum number of actuators. Scientific Reports 2023, 13, 3838. [Google Scholar] [CrossRef] [PubMed]
  23. Janíček, P.; Ondráček, E.; Vrbka, J. (1992). Mechanika těles. Pružnost a pevnost I [Mechanics of bodies. Elasticity and rigidity I.]. Vysoké učení technické.
  24. Karnovsky, I.A.; Lebed, O. (2021). Advanced methods of structural analysis, Springer Nature.
  25. Hughes, A.J.; Merrill, C. Method of joints: Theory and practice of designing, building, and testing trusses. Technology and Engineering Teacher 2020, 80, 28. [Google Scholar]
  26. Florian, Z.; Pellant, K.; Suchánek, M. (2004). Technická mechanika I – Statika [Technical Mechanics I – Statics], Vysoké učení technické v Brně.
  27. Miller, S.; Soares, T.; Weddingen, Y.V.; Wendlandt, J. (2017). Modeling flexible bodies with simscape multibody software. An Overview of Two Methods for Capturing the Effects of Small Elastic Deformations. MathWorks.
  28. Králik, J. (2009). Modelovanie konštrukcií v metóde konečných prvkov [Finite element modelling of structures]. Systém ANSYS.
  29. Adhikari, S.; Phani, A.S. (2007, January). Rayleigh’s classical damping revisited. In International Conference on Civil Engineering in the New Millennium: Opportunities and Challenges.
  30. Rahman, M.H.; Gupta, C. Computation of Rayleigh damping coefficient of a rectangular submerged floating tunnel (SFT). SN Applied Sciences 2020, 2, 1–10. [Google Scholar]
  31. Planchard, D. (2014). Solidworks 2014 reference guide, Sdc Publications.
  32. Kurowski, P. (2015). Engineering analysis with SolidWorks simulation 2015. SDC publications.
  33. Solidworks. Available online: https://www.solidworks.com/ (accessed on 14 august 2024).
  34. Mechanical Engineer. Available online: https://shantgananian.github.io/ (accessed on 14 august 2024).
Figure 1. Structure of the trusses system loaded by the force at node B.
Figure 1. Structure of the trusses system loaded by the force at node B.
Preprints 119820 g001
Figure 2. Structure of the trusses system loaded by the force at node B after release from the bonds at node A, D and release of the bar between nodes AB.
Figure 2. Structure of the trusses system loaded by the force at node B after release from the bonds at node A, D and release of the bar between nodes AB.
Preprints 119820 g002
Figure 19. Visualization of the model from Figure 18 of the loaded trusses system from MATLAB – Simscape Multibody, in the Mechanics Explorers window, with the visible deformation.
Figure 19. Visualization of the model from Figure 18 of the loaded trusses system from MATLAB – Simscape Multibody, in the Mechanics Explorers window, with the visible deformation.
Preprints 119820 g018
Table 1. A comparison of theoretical results of forces NAB, NAC, NBC, NBD, NCD acting in bars, nodes A, B FAx, FAy, FBx, FBy (not reactions) and deflections δBx, δBy, δCx, δCy with the MATLAB – Multibody, SOLIDWORKS – Weldments tool results.
Table 1. A comparison of theoretical results of forces NAB, NAC, NBC, NBD, NCD acting in bars, nodes A, B FAx, FAy, FBx, FBy (not reactions) and deflections δBx, δBy, δCx, δCy with the MATLAB – Multibody, SOLIDWORKS – Weldments tool results.
Parameter [unit] Theoretical calculation MATLAB SOLIDWORKS
NAB [N] -7.34654620·103 -7.34654622·103 -7.34590527·103
NAC [N] -6.58097746·103 -6.58097773·103 -6.58031299·103
NBC [N] 4.65345379·103 4.65345392·103 4.65308789·103
NBD [N] 7.56115815·103 7.56115816·103 7.55990186·103
NCD [N] 4.65345379·103 4.65345391·103 4.65298145·103
FAx [N] -1.20000000·104 -1.20000002·104 -1.19988418·104
FAy [N] -4.65345379·103 -4.65345386·103 -4.65380371·103
FDx [N] 1.00000000·104 1.00000000·104 9.99884180·103
FDy [N] -5.34654620·103 -5.34654630·103 -5.34619678·103
FBx1 [N] -2.00000000·103 -2.00000002·103
FBy1 [N] -1.00000000·104 -1.00000001·104
δBx [m] -4.45424435·10-4 -4.45424437·10-4 -4.45385580·10-4
δBy [m] -1.36229734·10-3 -1.36229738·10-3 -1.36211328·10-3
δCx [m] 2.82141018·10-4 2.82141045·10-4 2.82112334·10-4
δCy [m] -1.08015632·10-3 -1.08015632·10-3 -1.07999449·10-3
1 Verification of the calculation of the magnitude of the external loading force FB based on the equilibrium of node B, equations (83), (84). It serves only for the optimization of the multiplication – con.
Disclaimer/Publisher’s Note: The statements, opinions and data contained in all publications are solely those of the individual author(s) and contributor(s) and not of MDPI and/or the editor(s). MDPI and/or the editor(s) disclaim responsibility for any injury to people or property resulting from any ideas, methods, instructions or products referred to in the content.
Copyright: This open access article is published under a Creative Commons CC BY 4.0 license, which permit the free download, distribution, and reuse, provided that the author and preprint are cited in any reuse.
Prerpints.org logo

Preprints.org is a free preprint server supported by MDPI in Basel, Switzerland.

Subscribe

Disclaimer

Terms of Use

Privacy Policy

Privacy Settings

© 2026 MDPI (Basel, Switzerland) unless otherwise stated