Submitted:
07 September 2024
Posted:
09 September 2024
You are already at the latest version
Abstract
Keywords:
1. Introduction
2. Materials and Methods
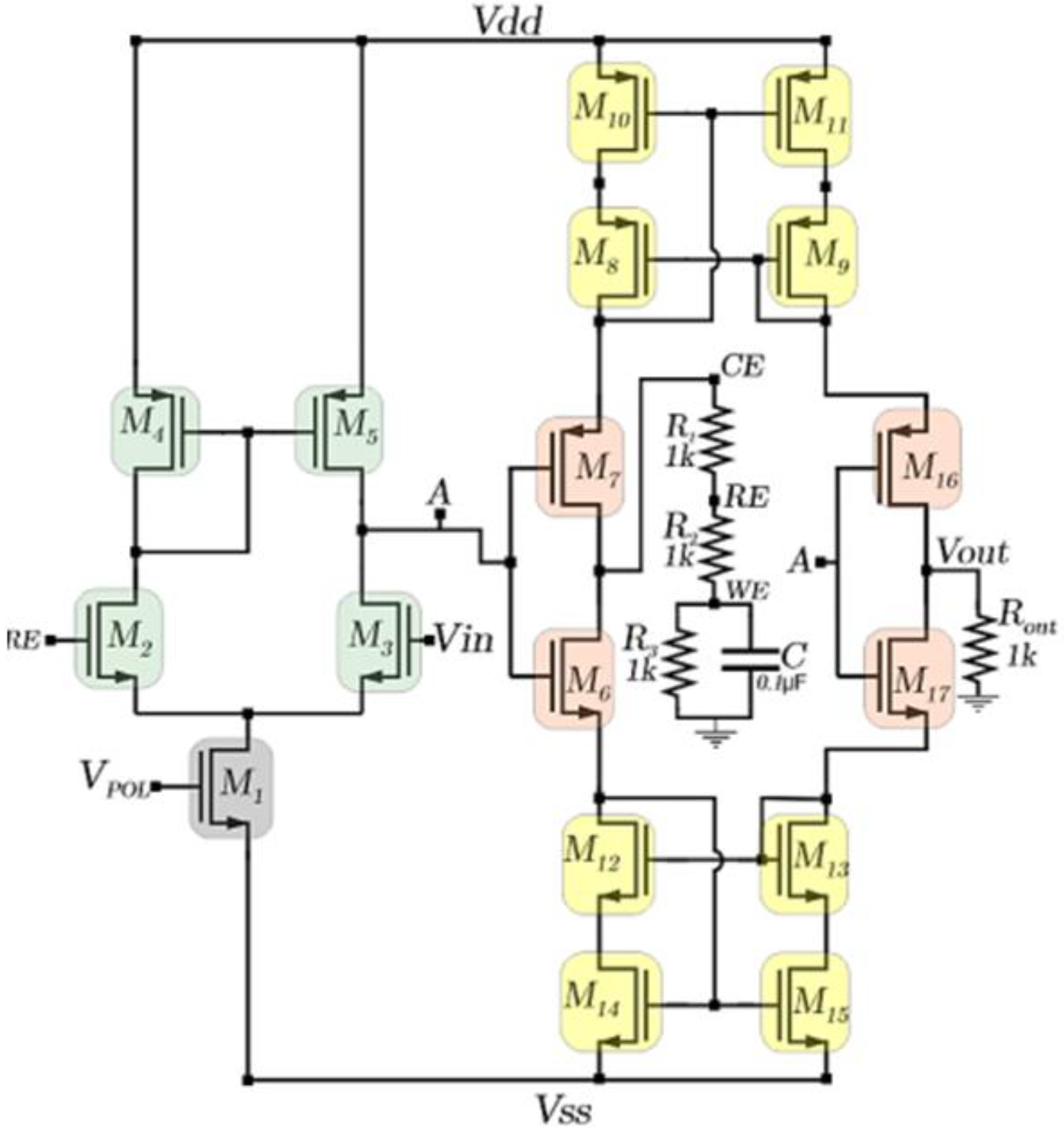
2.1. Current Mirror Improved Potentiostat (CMIPot)
2.2. Reagentes and Chemicals
2.3. Potassium Ferricyanide Measurements
2.4. Environmental Test and CMIPot and PGSTAT302N
3. Results and Discussion
4. Conclusion
Author Contributions
Funding
Acknowledgments
References
- Xiao, Z.; Tan, X.; Chen, X.; Chen, S.; Zhang, Z.; Zhang, H.; Wang, J.; Huang, Y.; Zhang, P.; Zheng, L.; Min, H. An Implantable RFID Sensor Tag Toward Continuous Glucose Monitoring. IEEE J. Biomed. Health Inform. 2015, 19, 1281–1288. [Google Scholar] [CrossRef] [PubMed]
- Souza, D.D.; Machado, S.A.S.; Giarola, J.F.; Oliveira, O.N.; Mattoso, L.H.C.; Fonseca, F.J.; Azevedo, S.S. Low-Cost Potentiostats for Electrochemical Applications: Recent Advances. Sensors 2021, 21, 5068. [Google Scholar] [CrossRef]
- Wang, M.; Yang, Y.; Min, J.; Song, Y.; Tu, J.; Mukasa, D.; Ye, C.; Xu, C.; Heflin, N.; McCune, J.S.; Hsiai, T.K.; Li, Z.; Gao, W. A Wearable Electrochemical Biosensor for the Monitoring of Metabolites and Nutrients. Nat. Biomed. Eng. 2022, 6, 1225–1235. [Google Scholar] [CrossRef]
- Ahmadi, M.M.; Jullien, G.A.; Iniewski, K. (Eds.) Circuits for Amperometric Electrochemical Sensors. In VLSI Circuit Design for Biomedical Applications; Artech House: Norwood, MA, 2008; pp. 189–217. [Google Scholar]
- Kim, J.; Kuo, H. A 1.2V Low-Power CMOS Chopper-Stabilized Analog Front-End IC for Glucose Monitoring. IEEE Sensors J. 2016, 16, 3064–3072. [Google Scholar] [CrossRef]
- Khandaker, A.; Mamun, A.; Islam, S.K.; Hensley, D.K.; McFarlane, N. A Glucose Biosensor Using CMOS Potentiostat and Vertically Aligned Carbon Nanofibers. IEEE Trans. Biomed. Circuits Syst. 2016, 10, 817–825. [Google Scholar] [CrossRef]
- Kimura, M.; Fukushima, H.; Sagawa, Y.; Setsu, K.; Hara, H.; Inoue, S. An Integrated Potentiostat With an Electrochemical Cell Using Thin-Film Transistors. IEEE Trans. Electron Devices 2009, 56, 1864–1872. [Google Scholar] [CrossRef]
- Zuo, L.; Islam, S.K.; Mahub, I.; Quaiyum, F. A Low-Power 1-V Potentiostat for Glucose Sensors. IEEE Trans. Circuits Syst. II: Express Briefs 2015, 62, 128–132. [Google Scholar] [CrossRef]
- Ahmadi, M.M.; Jullien, G.A. Current-Mirror-Based Potentiostats for Three-Electrode Amperometric Electrochemical Sensors. IEEE Trans. Circuits Syst. I: Regular Papers 2009, 56, 1493–1502. [Google Scholar] [CrossRef]
- Ding, Y.; Zhang, Y.; Wang, Y.; Su, L. Advances in Sensors for Wound Healing Applications. ACS Appl. Mater. Interfaces 2019, 11, 21820–21831. [Google Scholar]
- Hwang, J.; Seo, J. Electrochemical Sensor for Real-Time Monitoring of Heavy Metals in Water. Sensors 2022, 22, 3711. [Google Scholar] [CrossRef]
- Kim, S.; Lee, H.; Park, S. A Highly Integrated CMOS Potentiostat with Low-Noise Readout Circuitry for Electrochemical Biosensors. IEEE Trans. Biomed. Circuits Syst. 2023, 17, 73–84. [Google Scholar]
- Luo, T.; Wang, H.; Song, H.; Christen, J.B. CMOS Potentiostat for Chemical Sensing Applications. Sensors IEEE 2013. [Google Scholar]
- Liu, X.; Cheng, R.; Tehrani, F.; Bavarian, B. A Review: Electrochemical Biosensors for Cardiac Biomarker Detection. Sensors 2020, 20, 1602. [Google Scholar] [CrossRef]
- Pundir, C.S.; Deswal, R. Biosensors: Recent Advances and Future Challenges. Anal. Bioanal. Chem. 2021, 413, 2311–2331. [Google Scholar]
- Luo, L.; Xu, Y.; Cai, C.; Liu, Q.; Jiang, J. Recent Advances in CMOS Potentiostats for Electrochemical Sensing Applications. Sensors 2022, 22, 1764. [Google Scholar] [CrossRef]
- Qian, Y.; Zhao, X.; Wang, H. Development of a High-Precision CMOS Potentiostat for Environmental Monitoring. IEEE Sensors J. 2021, 21, 24896–24903. [Google Scholar]
- Arduini, F.; Cinti, S.; Scognamiglio, V.; Moscone, D.; Palleschi, G. How Cutting-Edge Technologies Impact the Design of Electrochemical (Bio)sensors for Environmental Analysis. A Review. Anal. Chim. Acta 2018, 989, 1–19. [Google Scholar] [CrossRef]
- Xu, S.; Liu, Y.; Wang, T.; Li, J.; Jin, W. Miniaturized and Integrated Electrochemical Sensors and Systems for Biochemical Detection. Anal. Chem. 2020, 92, 2021–2031. [Google Scholar] [CrossRef]
- Wang, H.; Li, Y.; Wei, J.; Xu, X.; Xu, H. Recent Advances in Portable Electrochemical Sensors for Biomarker Detection. TrAC, Trends Anal. Chem. 2021, 143, 116377. [Google Scholar] [CrossRef]
- Wang, H.; Liang, W. Electrochemical Sensors for Heavy Metal Detection in Water: Recent Progress and Challenges. Chem. Eng. J. 2022, 428, 131207. [Google Scholar] [CrossRef]
- Liu, Y.; Liu, D.; Wei, T.; Chen, X.; Song, H. Portable Electrochemical Sensor for Rapid Detection of Heavy Metals in Environmental Water. J. Electroanal. Chem. 2020, 860, 113875. [Google Scholar]
- Das, P.; Jena, B.K.; Panda, P.K. Recent Advances in Electrochemical Detection of Heavy Metals. In Emerging Trends in Chemical Sciences; Ghosh, S., Ed.; Springer: Singapore, 2021; pp. 147–168. [Google Scholar]
- Kappel, A.; Kellner, K. The Next Generation of Implantable Glucose Sensors: Real-Time Continuous Glucose Monitoring. Chem. Soc. Rev. 2018, 47, 4488–4505. [Google Scholar]
- Yin, M.; Ye, M.; Zhao, Y. Implantable Electrochemical Sensors for Monitoring of Oxygen, Glucose, and Lactate in Tissue Interstitial Fluid. Front. Chem. 2021, 9, 706517. [Google Scholar]
- Zhang, M.; Wang, L.; Li, F.; Tang, D. CMOS Technology for Environmental Monitoring: Recent Progress and Future Prospects. Environ. Sci. Technol. 2023, 57, 1020–1030. [Google Scholar]
- Zhuang, X.; Jiang, W.; Liu, Y.; Wu, Y. Recent Advances in Electrochemical Sensors for the Detection of Heavy Metals in Water. Environ. Sci. Technol. 2021, 55, 3452–3464. [Google Scholar]
- Cioffi, N.; Torsi, L.; Donno, D. Emerging Electrochemical Sensors for Environmental and Clinical Applications. Chem. Rev. 2020, 120, 7080–7118. [Google Scholar]
- Kalluri, J.; Badarinarayan, V.S. Recent Advances in Implantable Glucose Sensors: Materials, Design, and Applications. Biosens. Bioelectron. 2022, 195, 113652. [Google Scholar] [CrossRef]
- Poole, J.L.; Marbach, J. Advances in Implantable Sensors for Blood Glucose Monitoring: A Review. Trends Biotechnol. 2021, 39, 991–1003. [Google Scholar] [CrossRef]
- Khan, M.S.; Hossain, M.L.; Raju, S. Electrochemical Biosensors for Food Safety and Quality Assessment: A Review. J. Agric. Food Chem. 2023, 71, 3937–3950. [Google Scholar]
- Meloni, G.N. Building a Microcontroller-Based Potentiostat: An Inexpensive and Versatile Platform for Teaching Electrochemistry and Instrumentation. J. Chem. Educ. 2016, 93, 1320–1322. [Google Scholar] [CrossRef]
- Li, Y.C.; Melenbrink, E.L.; Cordonier, G.J.; Boggs, C.; Khan, A.; Isaac, M.K.; Nkhonjera, L.K.; Bahati, D.; Billinge, S.J.; Haile, S.M.; Kreuter, R.A.; Crable, R.M.; Mallouk, T.E. An Easily Fabricated Low-Cost Potentiostat Coupled with User-Friendly Software for Introducing Students to Electrochemical Reactions and Electroanalytical Techniques. J. Chem. Educ. 2018, 95, 1658–1661. [Google Scholar] [CrossRef]
- Cordova-Huaman, A.V.; Jauja-Ccana, V.R.; La Rosa-Toro, A. Low-Cost Smartphone-Controlled Potentiostat Based on Arduino for Teaching Electrochemistry Fundamentals and Applications. Heliyon 2021, 7, e06259, URL: https://www.sciencedirect.com/science/article/pii/S2405844021003649. [Google Scholar] [CrossRef] [PubMed]
- Das, A.; Bose, S.; Mandal, N.; Pramanick, B.; RoyChaudhuri, C. HOME-Stat: A Handheld Potentiostat with Open-Access Mobile Interface and Extended Measurement Ranges. Proc. Indian Nat. Sci. Acad. 2021, 87, 84–93. [Google Scholar] [CrossRef]
- Dryden, M.D.M.; Wheeler, A.R. DStat: A Versatile, Open-Source Potentiostat for Electroanalysis and Integration. PLoS ONE 2015, 10, e0140349, URL: https://journals.plos.org/plosone/article?id=10.1371/journal.pone.0140349. [Google Scholar] [CrossRef]
- Jenkins, D.M.; Lee, B.E.; Jun, S.; Reyes-De-Corcuera, J.; McLamore, E.S. ABEstat: A Fully Open-Source and Versatile Wireless Potentiostat Project Including Electrochemical Impedance Spectroscopy. J. Electrochem. Soc. 2019, 166, B3056, URL: https://iopscience.iop.org/article/10.1149/2.0061909jes. [Google Scholar] [CrossRef]
- Anshori, I.; Mufiddin, G.F.; Ramadhan, I.F.; Ariasena, E.; Harimurti, S.; Yunkins, H.; Kurniawan, C. Design of Smartphone-Controlled Low-Cost Potentiostat for Cyclic Voltammetry Analysis Based on ESP32 Microcontroller. Sens. Bio-Sens. Res. 2022, 36, 100490, URL: https://www.sciencedirect.com/science/article/pii/S2214180422000198. [Google Scholar] [CrossRef]
- Irving, P.; Cecil, R.; Yates, M.Z. MYSTAT: A Compact Potentiostat/Galvanostat for General Electrochemistry Measurements. HardwareX 2021, 9, e00163, URL: https://www.sciencedirect.com/science/article/pii/S2468067220300729. [Google Scholar] [CrossRef]
- Brown, E.W.; Glasscott, M.W.; Conley, K.; Barr, J.; Ray, J.D.; Moores, L.C.; Netchaev, A. ACESstat: A DIY Guide to Unlocking the Potential of Integrated Circuit Potentiostats for Open-Source Electrochemical Analysis. Anal. Chem. 2022, 94, 4906–4912. [Google Scholar] [CrossRef]
- Lopin, P.; Lopin, K.V. PSoC-Stat: A Single Chip Open Source Potentiostat Based on a Programmable System on a Chip. PLoS ONE 2018, 13, e0201353, URL: https://journals.plos.org/plosone/article?id=10.1371/journal.pone.0201353. [Google Scholar] [CrossRef]
- Stratmann, L.; Heery, B.; Coffey, B. EmStat Pico: Embedded Electrochemistry with a Miniaturized, Software-Enabled Potentiostat System on Module.
- Hu, J.; Chen, J.; Guo, X.; Zhang, X. Design and Optimization of a CMOS Potentiostat for Electrochemical Sensing Applications. Sensors Actuators B: Chem. 2022, 359, 131579. [Google Scholar] [CrossRef]
- Qiu, X.; Wang, S. Development of Highly Integrated CMOS Electrochemical Sensors for Point-of-Care Diagnostics. Biosens. Bioelectron. 2021, 188, 113338. [Google Scholar] [CrossRef]









Disclaimer/Publisher’s Note: The statements, opinions and data contained in all publications are solely those of the individual author(s) and contributor(s) and not of MDPI and/or the editor(s). MDPI and/or the editor(s) disclaim responsibility for any injury to people or property resulting from any ideas, methods, instructions or products referred to in the content. |
© 2024 by the authors. Licensee MDPI, Basel, Switzerland. This article is an open access article distributed under the terms and conditions of the Creative Commons Attribution (CC BY) license (http://creativecommons.org/licenses/by/4.0/).