Submitted:
27 August 2024
Posted:
28 August 2024
You are already at the latest version
Abstract
Keywords:
1. Introduction
2. Materials and Methods
2.1. Materials
2.2. Sample Preparation
2.2.1. Metallographic Sample Preparation
- ALH1, ALH2, ALH3
- BLH1, BLH2, BLH3
2.2.2. Sample Preparation for the Hardness Measurements
- ALH1, ALH2, ALH3
- BLH1, BLH2, BLH3
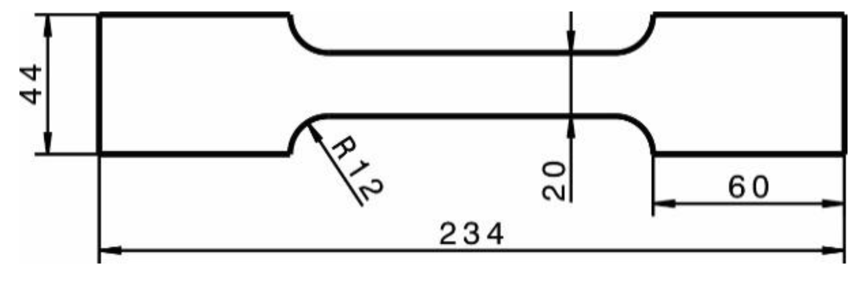
2.2.3. Sample Preparation for the Tensile Testing
- ALT1, ALT2, ALT3
- ATT1, ATT2, ATT3
- BLT1, BLT2, BLT3
- BTT1, BTT2, BTT3
2.2.4. Sample Preparation for the Charpy Impact Toughness Tests
- ALC1, ALC2, ALC3
- ATC1, ATC2, ATC3
- BLC1, BLC2, BLC3
- BTC1, BTC2, BTC3
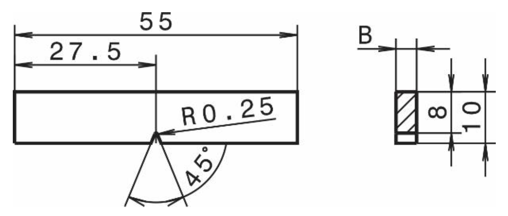
2.2.5. Sample Preparation for the Testing of Fracture Mechanics
- ALF1, ALF2, ALF3
- ATF1, ATF2, ATF3
- BLF1, BLF2, BLF3
- BTF1, BTF2, BTF3
2.3. Performing of Analyses and Testing
2.3.1. Microstructural Analysis
Analysis of the Fracture Surfaces
- Tensile testing: ALT3, ATT2, BLT2 and BTT1;
- Charpy testing with labels: ALC1, ATC1, BLC1 and BTC1;
- Fracture mechanics with labels: ALF1, ALF2, ATF1 and ATF2, at the sites where the crack was initiated from the notch, and at fractures that were about 1 mm away from the notch.
2.3.2. Hardness Measurements HV5
2.4. Determination of the Mechanical Properties
2.4.1. Tensile Testing
2.4.2. Instrumented Charpy Test
2.4.3. Fracture Mechanics
3. Results and Discussion
3.1. Microstructure
3.2. Hardness Measurements
3.3. Tensile Testing
| Nominal thickness [mm] |
Thickness [mm] |
Rm [MPa] |
Rp0.2 [MPa] |
A80 [%] |
|
|---|---|---|---|---|---|
| 4.0 | Min. Max. |
3.94.1 | 220 260 |
90 130 |
18 |
| Meas. | 3.96 | 240 | 105 | 20.3 | |
| 3.5 | Min. Max. |
3.4 3.6 |
220 260 |
90 130 |
18 |
| Meas. | 3.47 | 240 | 105 | 20.2 |
| Specimen thickness [mm] | Direction | Specimen |
E [GPa] |
Rm [MPa] |
Rp0.2 [MPa] |
Ag [%] |
|---|---|---|---|---|---|---|
| 4.0 | L | ALT1 | 70.42 | 250.2 | 118.6 | 16.26 |
| ALT2 | 71.99 | 250.5 | 117.9 | 17.02 | ||
| ALT3 | 71.22 | 249.6 | 117.8 | 19.02 | ||
| Average | 71.54 | 250.1 | 118.1 | 17.43 | ||
| STD | 0.33 | 0.34 | 0.33 | 1.16 | ||
| T | ATT1 | 70.01 | 243.6 | 116.9 | 14.73 | |
| ATT2 | 70.99 | 243.5 | 116.7 | 15.89 | ||
| ATT3 | 70.01 | 243.2 | 115.3 | 15.97 | ||
| Average | 70.34 | 243.4 | 116.3 | 15.53 | ||
| STD | 0.46 | 0.17 | 0.72 | 0.56 | ||
| 3.5 | L | BLT1 | 71.91 | 251.2 | 118.1 | 16.06 |
| BLT2 | 69.66 | 252.9 | 118.6 | 18.02 | ||
| BLT3 | 70.15 | 254.7 | 118.5 | 17.64 | ||
| Average | 70.57 | 252.9 | 118.4 | 17.59 | ||
| STD | 0.97 | 1.43 | 0.19 | 0.85 | ||
| T | BTT1 | 70.02 | 244.2 | 116,9 | 16.27 | |
| BTT2 | 68.36 | 245.8 | 115.7 | 15.03 | ||
| BTT3 | 68.85 | 245.0 | 115.6 | 15.25 | ||
| Average | 69.07 | 245.0 | 116.1 | 17.51 | ||
| STD | 0.70 | 0.66 | 0.59 | 0.68 |
3.4. Charpy Testing Results
3.5. Results of the Fracture Mechanics
3.6. EDX Analysis of Sample Fracture Surfaces for Fracture Mechanics
4. Summary and Conclusions
- On average, the measured hardness on the thinner sheet was 5% higher than the measured hardness on the thicker sheet.
- In the tensile testing, the longitudinal elongation of the thicker sheet was 11.5% greater than the transverse, and the longitudinal elongation of the thinner sheet was 0.7% greater than the transverse.
- None of the examined fractures were tough, rather, they were extremely brittle fractures.
- In the Charpy tests the average work needed to break a thicker plate in the longitudinal direction was more than 20% greater than the work needed to break it in the transverse direction. In the case of the thinner sheet metal, the work required to break the specimen in the longitudinal direction was more than 40% greater than the work required to break the specimen in the transverse direction.
- In the Charpy tests the intermetallic particles in the longitudinal samples were mostly intact, their distribution appeared random, and the upper part of the fracture showed tough areas along the edges of the pits, which indicates a better toughness than the tests in the transverse direction. More crushed intermetallic particles were observed at the fractures of the transverse samples, and their distribution appeared to be more oriented in the direction of rolling.
- The critical size of the JIC integral, as well as the fracture toughness of the longitudinally rolled SENB specimen, was about 50% greater than that of the transverse specimen. This was also confirmed by the higher resistance curve J - Δa.
- The state of the intermetallic particles on the mechanical SENB fractured surfaces was different from the intermetallic particles in the Charpy hammer fractures. On the longitudinal samples the particles of the second phase were crushed, while the particles of the second phase on the samples in the transverse direction were mostly whole. The texture on the thinner sheet was stretched and oriented with more compressed intermetallic particles, which were smaller than on the thicker sheet.
- Particle resistance to crack growth in the longitudinal SENB specimen contributed to the energy that inhibited the crack.
- The performed EDX analysis showed an increased content of Mn and Fe at all the analysed points of the sample fracture surfaces, indicative for the intermetallic phase particles Al6(Mn,Fe). The analysed microstructure was a single-phase α-alumina with present phases of Al6(Mn, Fe) and Mg2Si.
Author Contributions
Funding
Data Availability Statement
Conflicts of Interest
References
- Salej Lah, A.; Vončina, M.; Paulin, I.; Medved, J.; Fajfar, P.; Volšak, D. THE INFLUENCE OF CHEMICAL COMPOSITION AND HEAT TREATMENT ON THE MECHANICAL PROPERTIES AND WORKABILITY OF THE ALUMINIUM ALLOY EN AW 5454. Mater. Tehnol. 2021, 55. [Google Scholar] [CrossRef]
- Volpone, L.M.; Mueller, S. Joints in light alloys today: the boundaries of possibility. Weld. Int. 2008, 22, 597–609. [Google Scholar] [CrossRef]
- Sheng, K.; Lu, L.; Xiang, Y.; Ma, M.; Wu, Z. Crack behavior in Mg/Al alloy thin sheet during hot compound extrusion. J. Magnes. Alloy. 2019, 7, 717–724. [Google Scholar] [CrossRef]
- Mikhaylovskaya, A. V; Portnoy, V.K.; Mochugovskiy, A.G.; Zadorozhnyy, M.Y.; Tabachkova, N.Y.; Golovin, I.S. Effect of homogenisation treatment on precipitation, recrystallisation and properties of Al – 3% Mg – TM alloys (TM=Mn, Cr, Zr). Mater. Des. 2016, 109, 197–208. [Google Scholar] [CrossRef]
- Engler, O.; Kuhnke, K.; Hasenclever, J. Development of intermetallic particles during solidification and homogenization of two AA 5xxx series Al-Mg alloys with different Mg contents. J. Alloys Compd. 2017, 728, 669–681. [Google Scholar] [CrossRef]
- Hirsch, J. Aluminium Alloys for Automotive Application. Mater. Sci. Forum - MATER SCI FORUM 1997, 242, 33–50. [Google Scholar] [CrossRef]
- Engler, O.; Liu, Z.; Kuhnke, K. Impact of homogenization on particles in the Al–Mg–Mn alloy AA 5454 – Experiment and simulation. J. Alloys Compd. 2013, 560, 111–122. [Google Scholar] [CrossRef]
- Hirsch, J.; Al-Samman, T. Superior light metals by texture engineering: Optimized aluminum and magnesium alloys for automotive applications. Acta Mater. 2013, 61, 818–843. [Google Scholar] [CrossRef]
- García Gutiérrez, I.; Elduque, D.; Pina, C.; Tobajas, R.; Javierre, C. Influence of the Composition on the Environmental Impact of a Casting Magnesium Alloy. Sustainability 2020, 12. [Google Scholar] [CrossRef]
- Casalino, G.; Maso, U.; Angelastro, A.; Campanelli, S.L. Hybrid Laser Welding: A Review. DAAAM Int. Sci. B. 2010, 413–430. [Google Scholar] [CrossRef]
- Paul, C.; Nicolae, J. INDUSTRIAL APPLICATIONS FOR MSG - LASERHYBRID WELDING PROCESS. Rev. Tehnol. Neconv. 2011, 15. [Google Scholar]
- Staufer, H. LaserHybrid welding for industrial applications. In Proceedings of the Proceedings of SPIE - The International Society for Optical Engineering; 2007; Let. 6346 PART.
- ISO/TR 18491:2015 (E) Welding and allied processes — Guidelines for measurement of welding energies; 2015.
- Schweißen –Empfehlungen zum Schweißen metallischer Werkstoffe –Teil 1: Allgemeine Anleitungen für das Lichtbogenschweißen; Deutsche Fassung EN 1011-1; 2009.
- Leo, P.; Renna, G.; Casalino, G.; Olabi, A.G. Effect of power distribution on the weld quality during hybrid laser welding of an Al–Mg alloy. Opt. Laser Technol. 2015, 73, 118–126. [Google Scholar] [CrossRef]
- Kostrivas, A.; Lippold, J.C. Fusion boundary microstructure evolution in aluminium alloys. Weld. World 2006, 50, 24–34. [Google Scholar] [CrossRef]
- Leo, P.; D’Ostuni, S.; Casalino, G. Hybrid welding of AA5754 annealed alloy: Role of post weld heat treatment on microstructure and mechanical properties. Mater. Des. 2016, 90, 777–786. [Google Scholar] [CrossRef]
- Aleo, V. Effect of Welding on the Width of the Heat -Affected Zone of Aluminum Alloys, ProQuest Dissertations Publishing, 2004.
- Çevik, B.; Gülenç, B. The effect of welding speed on mechanical and microstructural properties of 5754 Al (AlMg3) alloy joined by laser welding. Mater. Res. Express 2018, 5, 86520. [Google Scholar] [CrossRef]
- Courbière, M. Welding Aluminum Alloys. V Metallurgy and Mechanics of Welding: Processes and Industrial Applications; Elsevier Scopus, 2010; str. 433–471 ISBN 9781848210387.
- Aalderink, B.J.; Pathiraj, B.; Aarts, R.G.K.M. Seam Gap Bridging of Laser Based Processes for the Welding of Aluminium Sheets for Industrial Applications. Int. J. Adv. Manuf. Technol. 2010, 48 SE-1, 143–154. [Google Scholar] [CrossRef]
- Katayama, S. Fundamentals and Details of Laser Welding 2020.
- Ma, Y.R.; Cai, C.; Liu, Z.J.; Xie, J.; Yang, C. Plasma Monitoring During Laser-MIG Hybrid Welding Process Based on LabVIEW. CHINESE J. LASERS-ZHONGGUO JIGUANG 2022, 49. [Google Scholar] [CrossRef]
- Zhu, X.; Blake, P. The formation mechanism of Al6(Fe, Mn) phase in die-cast Al-Mg alloys. CrystEngComm 2018, 20. [Google Scholar] [CrossRef]
- Li, Y.J.; Arnberg, L. A eutectoid phase transformation for the primary intermetallic particle from Alm(Fe,Mn) to Al3(Fe,Mn) in AA5182 alloy. Acta Mater. 2004, 52, 2945–2952. [Google Scholar] [CrossRef]
- Balant, M.; Rudolf, R. Microstructure Characterization of Al-Alloy AW 5454 Intended for Ecological Laser Hybrid Welding. Metall. Mater. Data 2024, 2, 59–64. [Google Scholar] [CrossRef]
- EN 515:2017 Aluminium and aluminium alloys - Wrought products - Temper designations; 2017.
- EN ISO 148-1 Metallic materials – Charpy pendulum impact test – Part 1: Test method 2016.
- ASTM E1820: Standard Test Method for Measurement of Fracture Toughness. Astm 2015, 1–54.
- Broitman, E. Indentation Hardness Measurements at Macro-, Micro-, and Nanoscale: A Critical Overview. Tribol. Lett. 2016, 65, 23. [Google Scholar] [CrossRef]
- Mohammed, A.-J.; Maher, I.; Nakai, M.; Gepreel, M.A.H. Effects of cold rolling and heat treatment on the microstructure and hardness of pure aluminium. Mater. Today Proc. 2023. [Google Scholar] [CrossRef]
- Conserva, M.; Donzelli, G.; Trippodo, R. Aluminium and Its Applications; Edimet, 1992; ISBN 9788886259019.
- Davis, J.R. Alloying: understanding the basics; ASM international, 2001; ISBN 1615030638.
- Uscinowicz, R. The Effect of Rolling Direction on the Creep Process of Al–Cu Bimetallic Sheet. Mater. Des. 2013, 49, 693–700. [Google Scholar] [CrossRef]
- Medjahed, A.; Moula, H.; Zegaoui, A.; Derradji, M.; Henniche, A.; Wu, R.; Hou, L.; Zhang, J.; Zhang, M. Influence of the Rolling Direction on the Microstructure, Mechanical, Anisotropy and Gamma Rays Shielding Properties of an Al-Cu-Li-Mg-X Alloy. Mater. Sci. Eng. A. Struct. Mater. 2018, 732, 129–137. [Google Scholar] [CrossRef]
- İriç, S.; Ayhan, A.O. Dependence of Fracture Toughness on Rolling Direction in Aluminium 7075 Alloys. Acta Phys. Pol. A 2017, 132, 892–895. [Google Scholar] [CrossRef]
- Sakin, R. Investigation of bending fatigue-life of aluminum sheets based on rolling direction. Alexandria Eng. J. 2018, 57, 35–47. [Google Scholar] [CrossRef]
- Wang, H. Effect of Rolling Direction to Texture Evolution in an Aluminium Single Crystal (011)[100]: A Crystal Plasticity FEM Investigation. Mater. Res. express 2019, 6. [Google Scholar] [CrossRef]
- Lv, F.; Yang, F.; Duan, Q.Q.; Luo, T.J.; Yang, Y.S.; Li, S.X.; Zhang, Z.F. Tensile and Low-Cycle Fatigue Properties of Mg–2.8% Al–1.1% Zn–0.4% Mn Alloy along the Transverse and Rolling Directions. Scr. Mater. 2009, 61, 887–890. [Google Scholar] [CrossRef]
- Topic, I.; Höppel, H.W.; Göken, M. Influence of Rolling Direction on Strength and Ductility of Aluminium and Aluminium Alloys Produced by Accumulative Roll Bonding. J. Mater. Sci. 2008, 43, 7320–7325. [Google Scholar] [CrossRef]
- Kazemi-Navaee, A.; Jamaati, R.; Aval, H.J. Asymmetric Cold Rolling of AA7075 Alloy: The Evolution of Microstructure, Crystallographic Texture, and Mechanical Properties. Mater. Sci. Eng. A. Struct. Mater. 2021, 824. [Google Scholar] [CrossRef]
- Alves, L.M. Fracture Mechanics. Prop. Patterns Behav. 2016, 0–332. [Google Scholar]
- Anderson, T.L.; Anderson, T.L. Fracture mechanics: fundamentals and applications; CRC press, 2005; ISBN 0429125674.
- Jones, R.; Singh Raman, R.K.; McMillan, A.J. Crack growth: Does microstructure play a role? Eng. Fract. Mech. 2018, 187, 190–210. [Google Scholar] [CrossRef]
- Skallerud, B.; Iveland, T.; Härkegård, G. Fatigue life assessment of aluminum alloys with casting defects. Eng. Fract. Mech. 1993, 44, 857–874. [Google Scholar] [CrossRef]
- Zhu, X.-K.; Joyce, J.A. Review of fracture toughness (G, K, J, CTOD, CTOA) testing and standardization. Eng. Fract. Mech. 2012, 85, 1–46. [Google Scholar] [CrossRef]
- abu bakar, I. The Effect of Rolling Direction to the Tensile Properties of AA5083 Specimen. V; 2015; str. pp 779-787 ISBN 978-981-287-289-0.
- Nazemi, N. Identification of the Mechanical Properties in the Heat-Affected Zone of Aluminum Welded Structures, ProQuest Dissertations Publishing, 2015.














| Thickness [mm] |
Element | Si | Fe | Cu | Mn | Mg | Cr | Zn | Ti | Al |
|---|---|---|---|---|---|---|---|---|---|---|
| Minimum | - | - | - | 0.5 | 2.6 | 0.05 | - | - | Rest | |
| Maximum | 0.25 | 0.4 | 0.1 | 1.0 | 3.0 | 0.2 | 0.2 | 0.05 | ||
| 3.5 | 0.16 | 0.31 | 0.06 | 0.79 | 2.86 | 0.07 | 0.03 | 0.02 | 95,70 | |
| 4.0 | 0.18 | 0.32 | 0.05 | 0.76 | 2.85 | 0.05 | 0.04 | 0.02 | 95,73 |
| Test | Thickness [mm] |
Direction | Specimen | Thickness [mm] |
Direction | Specimen |
|---|---|---|---|---|---|---|
| Hardness testing | 4.0 | L | ALH1, ALH2, ALH3 | 3.5 | L | BLH1, BLH2, BLH3 |
| Tensile testing |
4.0 | L | ALT1, ALT2, ALT3 | 3.5 | L | BLT1, BLT2, BLT3 |
| 4.0 | T | ATT1, ATT2, ATT2 | 3.5 | T | BTT1, BTT2, BTT3 | |
| Charpy | 4.0 | L | ALC1, ALC2, ALC3 | 3.5 | L | BLC1, BLC2, BLC3 |
| 4.0 | T | ATC1, ATC2, ATC3 | 3.5 | T | BTC1, BTC2, BTC3 | |
| Fracture mechanics |
4.0 | L | ALF1, ALF2, ALF3 | 3.5 | L | BLF1, BLF2, BLF3 |
| 4.0 | T | ATF1, ATF2, ATF3 | 3.5 | T | BTF1, BTF2, BTF3 |
| Polishing agent | Load [N] |
Rotational speed [rpm] |
Direction of rotation |
Time [min:s] |
|---|---|---|---|---|
| P600 sandpaper |
20 | 300/30 | Same direction |
5:00 |
| 9 μm diamond suspension + lubricant |
20 | 150/30 | Opposite direction |
5:00 |
| 3 μm diamond suspension + lubricant |
20 | 150/30 | Same direction |
4:00 |
| 1 μm diamond suspension + lubricant |
20 | 150/30 | Same direction |
2:30 |
| 0.06 μm colloidal silica + lubricant |
20 | 150/30 | Opposite direction |
2:00 |
| Specimen thickness [mm] | Specimen | No. of measurements |
Average sample hardness | Std. Deviation |
|---|---|---|---|---|
| 4.0 | ALH1 | 14 | 81.4 | 5.9 |
| ALH2 | 13 | 84.0 | 5.1 | |
| ALH3 | 10 | 85.2 | 3.3 | |
| Average ALH | 37 | 83.3 | 5.2 | |
| 3.5 | BLH1 | 12 | 87.6 | 5.6 |
| BLH2 | 16 | 85.9 | 5.9 | |
| BLH3 | 16 | 88.4 | 5.9 | |
| Average BLH | 44 | 87.2 | 5.9 |
| Specimen thickness [mm] | Direction | Sample | Impact energy E [J] |
Ei [J] |
Ep [J] |
KVpov [J/cm2] |
|---|---|---|---|---|---|---|
| 4.0 | L | ALC1 | 11.10 | 5.07 | 6.03 | 36.22 |
| ALC2 | 11.66 | 5.29 | 6.37 | |||
| T | ATC1 | 9.37 | 3.88 | 5.49 | 30.16 | |
| ATC2 | 9.51 | 3.24 | 6.27 | |||
| 3.5 | L | BLC1 | 10.66 | 3.87 | 6.79 | 38.73 |
| BLC2 | 10.54 | 4.46 | 6.08 | |||
| T | BTC1 | 7.68 | 3.06 | 4.62 | 27.64 | |
| BTC2 | 7.38 | 2.24 | 5.14 |
| Spectrum | Mg | Al | Mn | Fe | Total |
|---|---|---|---|---|---|
| Spectrum 1 | 1.37 | 81.29 | 6.86 | 10.48 | 100 |
| Spectrum 2 | 0.98 | 79.90 | 9.94 | 9.18 | 100 |
| Spectrum 3 | 1.45 | 79.82 | 7.16 | 11.57 | 100 |
| Spectrum 4 | 0.29 | 76.31 | 10.47 | 12.93 | 100 |
| Spectrum 5 | 0.36 | 77.91 | 9.18 | 12.55 | 100 |
| Spectrum 6 | 0.43 | 79.07 | 8.06 | 12.44 | 100 |
| Mean | 0.81 | 79.06 | 8.61 | 11.52 | 100 |
| Std. Dev. | 0.52 | 1.74 | 1.49 | 1.44 | |
| Max. | 1.45 | 81.29 | 10.47 | 12.93 | |
| Min. | 0.29 | 76.31 | 6.86 | 9.18 |
| Spectrum | Mg | Al | Mn | Fe | Total |
|---|---|---|---|---|---|
| Spectrum 1 | 0.61 | 77.90 | 8.70 | 12.79 | 100 |
| Spectrum 2 | 0.49 | 73.62 | 9.32 | 16.57 | 100 |
| Spectrum 3 | 0.30 | 79.15 | 7.93 | 12.62 | 100 |
| Spectrum 4 | 0.33 | 68.63 | 13.92 | 17.12 | 100 |
| Spectrum 5 | 0.66 | 74.52 | 9.54 | 15.28 | 100 |
| Spectrum 6 | 1.45 | 53.54 | 18.10 | 26.91 | 100 |
| Mean | 0.64 | 71.23 | 11.25 | 16.88 | 100 |
| Std. Dev. | 0.42 | 9.41 | 3.95 | 5.26 | |
| Max. | 1.45 | 79.15 | 18.10 | 26.91 | |
| Min. | 0.64 | 71.23 | 11.25 | 16.88 |
Disclaimer/Publisher’s Note: The statements, opinions and data contained in all publications are solely those of the individual author(s) and contributor(s) and not of MDPI and/or the editor(s). MDPI and/or the editor(s) disclaim responsibility for any injury to people or property resulting from any ideas, methods, instructions or products referred to in the content. |
© 2024 by the authors. Licensee MDPI, Basel, Switzerland. This article is an open access article distributed under the terms and conditions of the Creative Commons Attribution (CC BY) license (http://creativecommons.org/licenses/by/4.0/).
