Submitted:
09 July 2024
Posted:
10 July 2024
Read the latest preprint version here
Abstract
Keywords:
1. Introduction
2. Theoretical Study
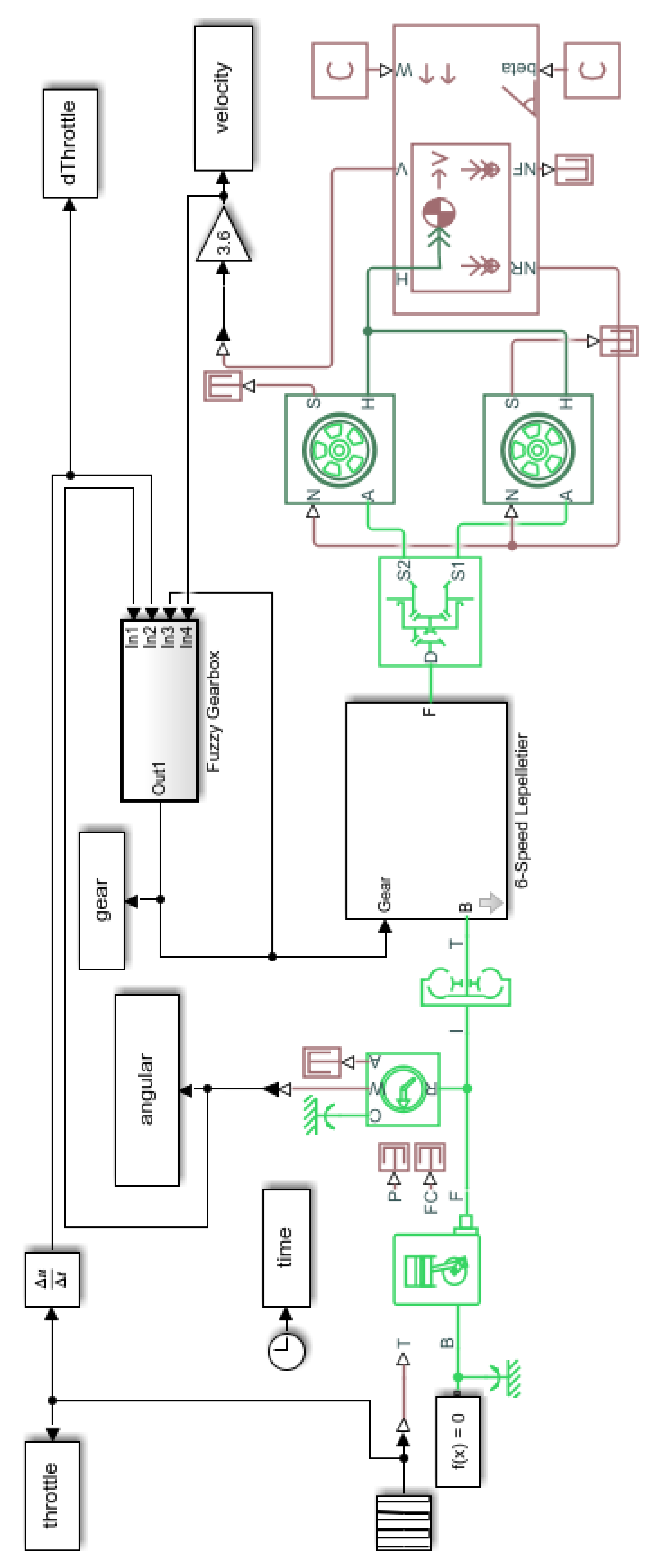
2.1. Control Strategy
- Speed selector position (Parking, Reverse, Neutral or Drive)
- Position buttons to use the gearbox sequentially
- Engine speed
- Throttle position
- Turbine velocity for the torque converter
- Oil pressure for brakes
- Door state (open or closed)
2.2. Fuzzy Inference Systems
- Fuzzyfication
- Knowledge set
- Decision-making process
- Defuzzyfication
- Opt for selecting 5 to 7 membership functions for each parameter.
- The commonly utilized shapes include trapezoids and triangles.
- The degree of overlap between the membership functions should range from 25% to 75%.
3. Development of Control Strategies
3.1. Selection of Driver Sensitive Inputs
3.2. Case 1: FIS with Longitudinal Velocity as Input
If v is low, then the current gear = 2
If v is moderate, then the current gear = 3
If v is slightly high, then the current gear = 4
If v is high, then the current gear = 5
If v is significantly high, then the current gear = 6
3.3. Case 2: FIS with Engine Angular Velocity as Input
If ω is moderate, then Δgear = 0 (Maintain)
If ω is high, then Δgear = 1 (Increase)
3.4. Case 3: FIS with Multiple Input Parameters
- Longitudinal Velocity
- Engine Velocity
- Rate of Throttle Opening
If v is moderate, then Δgear = 0 (Maintain)
If v is high, then Δgear = 1 (Increase)
If ΔtT.O. is moderate, then Δgear = 0 (Maintain)
If ΔtT.O. is low, then Δgear = 1 (Increase)
4. Simulations and Results
4.1. Case 1
4.2. Case 2
4.3. Case 3
- Performance Test: The throttle opening starts at 0 and gradually increases to 1 over a period of 2 seconds, after which it remains constant.
- Fuzzy Response Test: The throttle opening starts at 0, gradually increases to 1 over a period of 2 seconds, remains constant for a while, then suddenly drops to 0, and finally, rises to 1 again within a specified time frame.
4.4. Discussion
5. Conclusions
Funding
Acknowledgments
Conflicts of Interest
References
- Genta, G.; Morello, L. The Automotive Chassis; Vol. 1, Springer, 2009.
- Bosch. Manual de Tecnologia Automotiva, Edgar Blücher, São Paulo, 25th ed. 2005.
- Altrok, C.V. Fuzzy Logic in Automotive Engineering. Circuit Cellar INK: the Computer Applications Journal, 1997.
- Meng, F.; Tao, G.; Zhang, T.; Hu, Y.; Geng, P. Optimal shifting control strategy in inertia phase of an automatic transmission for automotive applications. Mechanical Systems and Signal Processing: Elsevier 2015, 60-61, 742–752. [Google Scholar] [CrossRef]
- Li, C.; Meng, F.; Xi, J.; Zhai, Y. Starting shift control of heavy-duty automatic transmissions based on the optimal trajectory of turbine speed. Mechanical Systems and Signal Processing: Elsevier 2019, 126, 490–504. [Google Scholar] [CrossRef]
- Wang, S.; Liu, Y.; Wang, Z.; Dong, P.; Cheng, Y.; Xu, X.; Tenberge, P. Adaptive fuzzy iterative control strategy for the wet-clutch filling of automatic transmission. Mechanical Systems and Signal Processing: Elsevier 2019, 130, 164–182. [Google Scholar] [CrossRef]
- You, Y.; Sun, D.; Qin, D. Shift strategy of a new continuously variable transmission based wheel loader. Mechanism and Machine Theory: Elsevier 2018, 130, 313–329. [Google Scholar] [CrossRef]
- Ranogajec, V.; Deur, J.; Ivanović, V.; Tseng, H.E. Multi-objective parameter optimization of control profiles for automatic transmission double-transition shifts. Control Engineering Practice: Elsevier 2019, 93, 104–183. [Google Scholar] [CrossRef]
- Dong, P.; Liu, Y.; Tenbergec, P.; Xu, X. Design and analysis of a novel multi-speed automatic transmission with four degrees-of-freedom. Mechanism and Machine Theory: Elsevier 2017, 108, 83–96. [Google Scholar] [CrossRef]
- Fofana, A.; Haas, O.; Ersanilli, V.; Burnham, K.; Mahtani, J.; Woolley, C.; Vithanage, K. Multi-Objective Genetic Algorithm for an automatic transmission gear shift map. IFAC - Papers OnLine 2016, 49-3, 123–128. [Google Scholar] [CrossRef]
- Eckert, J.J.; da Silva, S.F.; Santiciolli, F.M.; de Carvalho, Á.C.; Dedini, F.G. Multi-speed gearbox design and shifting control optimization to minimize fuel consumption, exhaust emissions and drivetrain mechanical losses. Mechanism and Machine Theory 2022, 169, 104644. [Google Scholar] [CrossRef]
- Qin, G.; Ge, A.; Lee, J.J. Knowledge-based gear-position decision. IEEE transactions on intelligent transportation systems 2004, 5, 121–125. [Google Scholar] [CrossRef]
- Graf, F.; Probst, G.; Weil, H.G. Vehicle System Dynamics: International Journal of Vehicle Mechanics and Mobility. United. States Patent: Siemens, 2007. [Google Scholar]
- Bastian, A. Fuzzy Logic in Automatic Transmission Control. Vehicle System Dynamics: International Journal of Vehicle Mechanics and Mobility 1995, 24, 389–400. [Google Scholar] [CrossRef]
- Yamaguchi, H.; Narita, Y.; Takahashi, H.; Katou, Y. Automatic Transmission Shift Schedule Control Using Fuzzy Logic. SAE Technical Paper Series 1993, 24. [Google Scholar] [CrossRef]
- Zhang, L.; Zhang, X.; Han, Z.; Chen, J.; Liu, J. A novel multi-parameter coordinated shift control strategy for an automated manual transmission based on fuzzy inference. Proceedings of the Institution of Mechanical Engineers, Part D: Journal of Automobile Engineering 2017, 231, 684–699. [Google Scholar] [CrossRef]
- Mehta, S.; Soundararajan, K.; Eranna, U.; SH, B. Fuzzy Logic Based Controller For Automated Gear Control in Vehicles. IPASJ International Journal of Computer Science (IIJCS) 2014, 2. [Google Scholar]
- Takahashi, H.; Yasuoka, M.; Matsumura, T. Intelligent Controlled Automatic Transmission. IFAC 12th Triennial World Congress 1993. [Google Scholar] [CrossRef]
- El-Ashwah, M.M.M.; Abbas, W.; Farid, T.M.; Atia, M.R.A. Modeling and Simulation of Gear-Shift Controller for Automated Manual Gearbox Based on Neuro Fuzzy Control Logic. Middle East Journal of Applied Sciences 2014, 4, 1000–1006. [Google Scholar]
- Ahmad, H.; Basiran, S.N.A. Fuzzy Logic Based Vehicle Speed Control Performance Considering Different Membership Types. ARPN Journal of Engineering and Applied Sciences 2015, 10. [Google Scholar]
- Simões, M.G.; Shaw, I.S. Controle e Modelagem Fuzzy, 2nd ed.; Blücher, 2007.
- Jang, J.S.R.; Sun, C.T.; Mizutani, E. Neuro-Fuzzy and Soft Computing; Prentice-Hall, 1997.
- Kosko, B. Fuzzy Engineering; Springer, 1997.
- Hu, Y.; Meng, X.; Zhang, Q.; Park, G.K. A real-time collision avoidance system for autonomous surface vessel using fuzzy logic. IEEE Access 2020, 8, 108835–108846. [Google Scholar] [CrossRef]
- Leake, D.; Maguitman, A.; Reichherzer, T. Experience-based support for human-centered knowledge modeling. Knowledge-based systems 2014, 68, 77–87. [Google Scholar] [CrossRef]
- Gao, K.; Yang, Y.; Zhang, T.; Li, A.; Qu, X. An extrapolation-enhanced approach for modeling travel decision making: Integrating ensemble machine learning with knowledge-based decision-making theory. Knowledge-Based Systems, 2021; 106882. [Google Scholar]
- Chapman, C.B.; Pinfold, M. Design engineering—a need to rethink the solution using knowledge based engineering. Knowledge-based systems 1999, 12, 257–267. [Google Scholar] [CrossRef]
- Reinaldo, I.L.; Lopes, E.D.R.; Rodrigues, G.S.; da Costa Neto, R.T. Simulação da dinâmica longitudinal de veículos leves automáticos com diferentes acoplamentos hidrodinâmicos. Revista Militar de Ciência e Tecnologia 2020, 37. [Google Scholar]
- da Costa Neto, R.T.; Lopes, E.D.R.; Reinaldo, I.L. Modelagem e Simulação da Dinâmica Longitudinal de um Veículo Leve com Transmissão Automática. SAE Technical Paper Series 2018, 1. [Google Scholar]
- Automobile-Catalog. : the complete catalog of cars since 1945, 2020.
- Naunheimer, H.; Bertsche, B.; Ryborz, J.; Novak, W. Automotive Transmissions: Fundamentals, Selection, Design and Application, 2nd ed.; Springer, 2011.
- Fischer, R.; Küçükay, F.; Jürgens, G.; Najork, R.; Pollak, B. The Automotive Transmission Book; Springer, 2015.

















| Gear | Throttle Opening |
|---|---|
| 1 | 0.3 |
| 2 | 0.3 |
| 3 | 0.6 |
| 4 | 0.7 |
| 5 | 0.8 |
| 6 | 0.9 |
| Gear | Throttle Opening |
|---|---|
| 1 | 0.4 |
| 2 | 0.4 |
| 3 | 0.6 |
| 4 | 0.75 |
| 5 | 1 |
| 6 | 1 |
Disclaimer/Publisher’s Note: The statements, opinions and data contained in all publications are solely those of the individual author(s) and contributor(s) and not of MDPI and/or the editor(s). MDPI and/or the editor(s) disclaim responsibility for any injury to people or property resulting from any ideas, methods, instructions or products referred to in the content. |
© 2024 by the authors. Licensee MDPI, Basel, Switzerland. This article is an open access article distributed under the terms and conditions of the Creative Commons Attribution (CC BY) license (http://creativecommons.org/licenses/by/4.0/).