Submitted:
29 May 2024
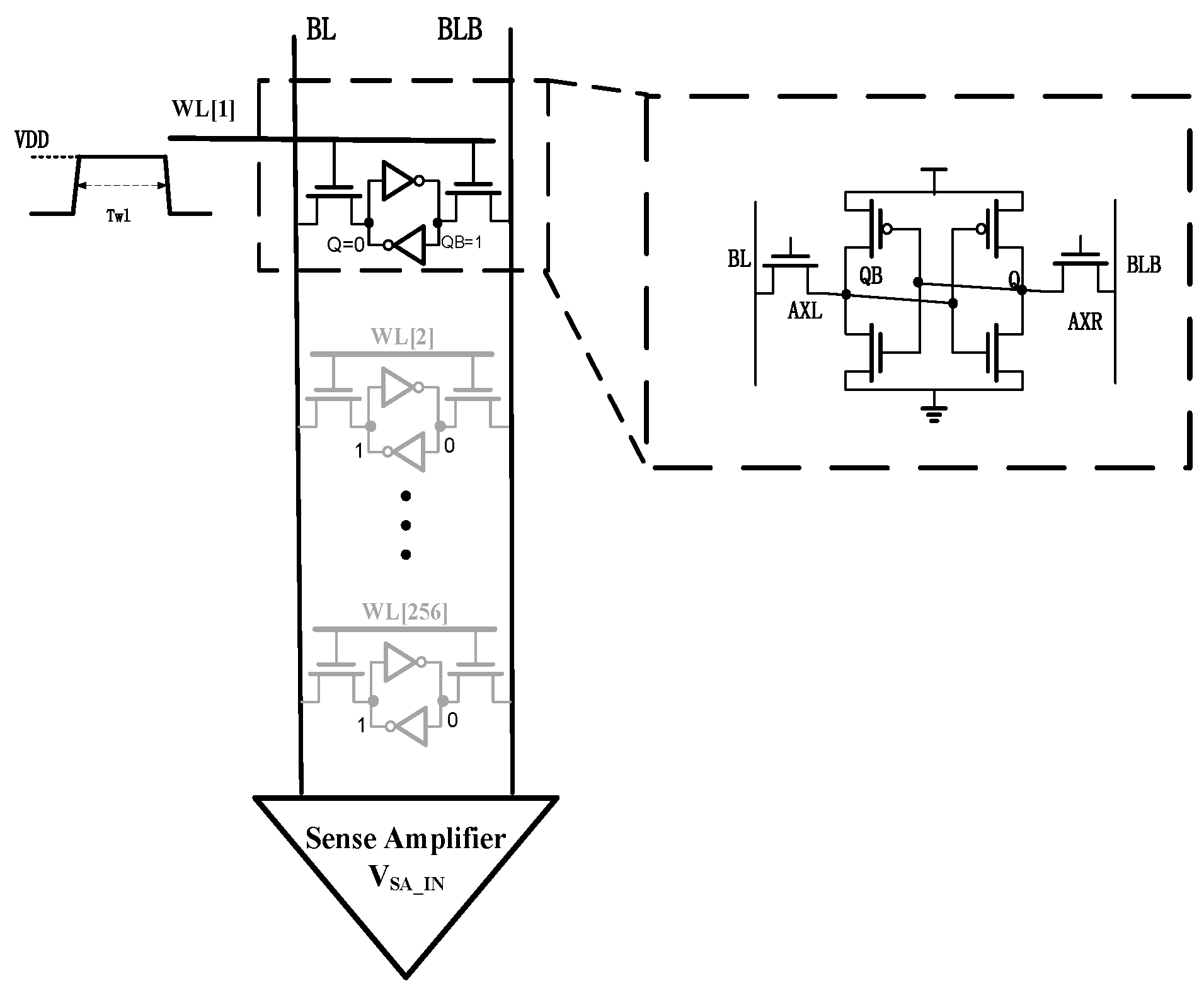
Posted:
30 May 2024
You are already at the latest version
Abstract
Keywords:
1. Introduction
2. Preliminaries
2.1. Problem Formulation
2.2. Importance Sampling
2.3. Meta Modeling
3. Proposed Method
| Algorithm 1: SAIM Model Based Yield Analysis | |
| Input: The sample set from the Output: The SRAM failure rate
| |
4. Implement Details
4.1. High Dimensional Failure Boundary Search
4.2. Blockwise Model Solver
| Algorithm 2: Blockwise Model Solver | |
![]() | |
5. Experiment Result
5.1. SRAM Path
5.2. Model Comparison
5.3. Yield Estimation
6. Conclusions
Author Contributions
Funding
Conflicts of Interest
References
- Dong, Wei, Peng Li, and Garng M. Huang. “SRAM dynamic stability: Theory, variability and analysis.” 2008 IEEE/ACM International Conference on Computer-Aided Design. IEEE, 2008.
- Pang, Liang, Mengyun Yao, and Yifan Chai. “An efficient SRAM yield analysis using scaled-sigma adaptive importance sampling.” 2020 Design, Automation & Test in Europe Conference & Exhibition (DATE). IEEE, 2020.
- Wu, Wei, et al. “A fast and provably bounded failure analysis of memory circuits in high dimensions.” 2014 19th Asia and South Pacific Design Automation Conference (ASP-DAC). IEEE, 2014.
- Dolecek, Lara, et al. “Breaking the simulation barrier: SRAM evaluation through norm minimization.” Proceedings of the 2008 IEEE/ACM International Conference on Computer-Aided Design. IEEE Press, 2008.
- Wang, Mengshuo, et al. “Efficient yield optimization for analog and sram circuits via gaussian process regression and adaptive yield estimation.” IEEE Transactions on Computer-Aided Design of Integrated Circuits and Systems 37.10 (2018): 1929-1942. [CrossRef]
- Yao, Jian, Zuochang Ye, and Yan Wang. “An efficient SRAM yield analysis and optimization method with adaptive online surrogate modeling.” IEEE Transactions on Very Large Scale Integration (VLSI) Systems 23.7 (2014): 1245-1253. [CrossRef]
- Li, Xin. “Finding deterministic solution from underdetermined equation: large-scale performance variability modeling of analog/RF circuits.” IEEE Transactions on Computer-Aided Design of Integrated Circuits and Systems 29.11 (2010): 1661-1668. [CrossRef]
- Shi, Xiao, et al. “Meta-model based high-dimensional yield analysis using low-rank tensor approximation.” Proceedings of the 56th Annual Design Automation Conference 2019. 2019.
- T. B. B. Li and P. Bickel, “Curse-of-dimensionality revisited: Collapse of importance sampling in very high-dimensional systems,” Technical Report No.696,Department of Statistics, UC-Berkeley, 2005.
- Wright, Grady Barrett. Radial basis function interpolation: numerical and analytical developments. University of Colorado at Boulder, 2003.
- Rithe, Rahul, et al. ”Non-linear operating point statistical analysis for local variations in logic timing at low voltage.” 2010 Design, Automation & Test in Europe Conference & Exhibition (DATE 2010). IEEE, 2010.
- Aggarwal, Charu C., Alexander Hinneburg, and Daniel A. Keim. “On the surprising behavior of distance metrics in high dimensional space.” International conference on database theory. Springer, Berlin, Heidelberg, 2001. [CrossRef]
- McGaughey, Georgia, W. Patrick Walters, and Brian Goldman. ”Understanding covariate shift in model performance.” F1000 Research 5 (2016).
- Liu, Han, Mark Palatucci, and Jian Zhang. “Blockwise coordinate descent procedures for the multi-task lasso, with applications to neural semantic basis discovery.” Proceedings of the 26th annual international conference on machine learning. 2009.
- Stone, M. “Cross-validation: A review.” Statistics: A Journal of Theoretical and Applied Statistics 9.1 (1978): 127-139. [CrossRef]
- Wang, Endong, et al. “Intel math kernel library.” High-Performance Computing on the Intel® Xeon Phi™. Springer, Cham, 2014. 167-188.
- Wright, Stephen J. “Coordinate descent algorithms.” Mathematical Programming 151.1 (2015): 3-34. [CrossRef]








Disclaimer/Publisher’s Note: The statements, opinions and data contained in all publications are solely those of the individual author(s) and contributor(s) and not of MDPI and/or the editor(s). MDPI and/or the editor(s) disclaim responsibility for any injury to people or property resulting from any ideas, methods, instructions or products referred to in the content. |
© 2024 by the authors. Licensee MDPI, Basel, Switzerland. This article is an open access article distributed under the terms and conditions of the Creative Commons Attribution (CC BY) license (http://creativecommons.org/licenses/by/4.0/).
