Submitted:
08 March 2024
Posted:
08 March 2024
You are already at the latest version
Abstract
Keywords:
1. Introduction
2. Materials and Methods
2.1. Effect of the Laser Scanning Path
3. Results and Discussion
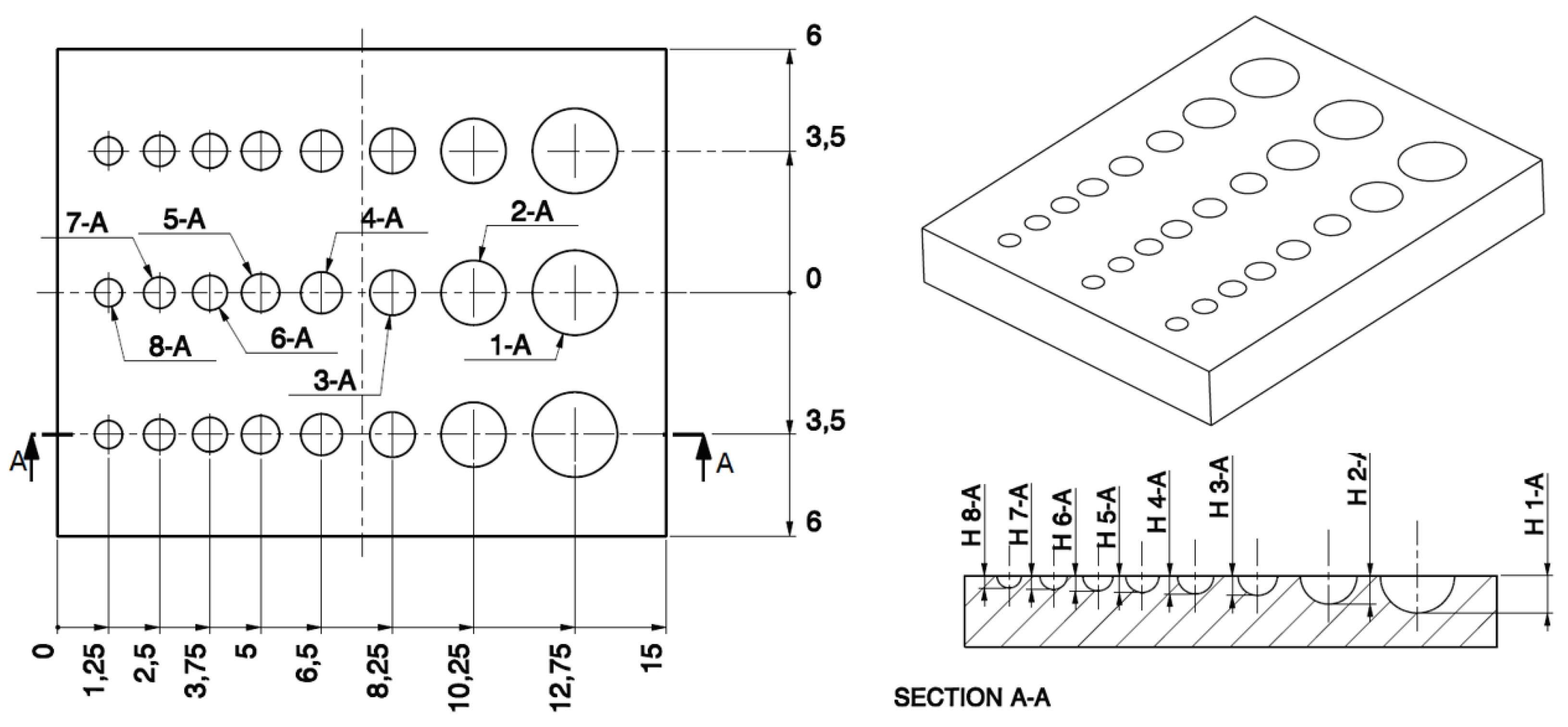
3.1. Preliminary Test: Measurements of Full-Open Micro-Pores (FOP)
3.2. Esteeme of the Compensation Parameter
3.3. Constant Compensation Strategy
- C=+85 μm, is equal to the nominal laser spot diameter;
- C=+96 μm, is the value obtained with the calibration tests;
- C=+120 μm, value identified as the average error on diameter obtained in the preliminary tests when the compensation of +85μm was applied.
3.4. Variable Compensation Strategy
- Plot of all measurements of features on samples (i.e., FOP pore diameters), with and without compensations;
- Identification by polynomial regression of a mathematical relationship between actual and nominal values of the meso- and micro-feature size;
- Solving the equation obtained in the previous step, thus the value of the compensation parameter can be derived as a function of the feature size C = f(D) (i.e., pore diameter).
4. Conclusions
Author Contributions
Funding
Conflicts of Interest
References
- Kafle, Abishek, et al. “3D/4D Printing of polymers: Fused deposition modelling (FDM), selective laser sintering (SLS), and stereolithography (SLA).” Polymers 13.18 (2021): 3101.
- Bártolo, P. J., ed. Stereolithography: materials, processes and applications. Springer Science & Business Media, 2011.
- Zhang, F., et al. “The recent development of vat photopolymerization: A review.” Additive Manufacturing 48 (2021): 102423.
- Maines, Erin M., et al. “Sustainable advances in SLA/DLP 3D printing materials and processes.” Green Chemistry 23.18 (2021): 6863-6897.
- Muldoon K.et al.”High Precision 3D Printing for Micro to Nano Scale Biomedical and Electronic Devices.” Micromachines 13.4 (2022): 642.
- Basile V. et al. “Analysis and Modeling of Defects in Unsupported Overhanging Features in Micro-Stereolithography.” Proc. of ASME 2016 IDETC-CIE. Vol. 4. Charlotte, NC, USA. August 21–24, 2016. V004T08A020. 21 August.
- Schmidleithner, Christina, and Deepak M. Kalaskar. “Stereolithography.” IntechOpen, 2018. 1-22.
- Huang, Jigang, Qin Qin, and Jie Wang. “A review of stereolithography: Processes and systems.” Processes 8.9 (2020): 1138.
- Sabbah A. et al. Impact of layer thickness and storage time on the properties of 3d-printed dental dies. Materials 14.3(2021): 509.
- Cotabarren, Ivana, et al. “An assessment of the dimensional accuracy and geometry-resolution limit of desktop stereolithography using response surface methodology.” Rapid Prototyping Journal 25.7 (2019): 1169-1186.
- Arnold, Christin, et al. “Surface quality of 3D-printed models as a function of various printing parameters.” Materials 12.12 (2019): 1970.
- Basile, V., et al. “Micro-texturing of molds via Stereolithography for the fabrication of medical components” Procedia CIRP 110(2022):93-98.
- Shanmugasundaram S. et al. “Mechanical anisotropy and surface roughness in additively manufactured parts fabricated by stereolithography (SLA) using statistical analysis.” Materials 13.11 (2020): 2496.
- Hada, Tamaki, et al. “Effect of printing direction on the accuracy of 3D-printed dentures using stereolithography technology.” Materials 13.15 (2020): 3405.
- Unkovskiy, A. et al. Objects build orientation, positioning, and curing influence dimensional accuracy and flexural properties of stereolithographically printed resin. Dental Materials 2018, 34, e324–e333. [CrossRef] [PubMed]
- Rubayo, David Diaz, et al. “Influences of build angle on the accuracy, printing time, and material consumption of additively manufactured surgical templates.” The Journal of Prosthetic Dentistry 126.5 (2021): 658-663.
- Wen, Cheng, et al. “Improvement of the Geometric Accuracy for Microstructures by Projection Stereolithography Additive Manufacturing.” Crystals 12.6 (2022): 819.
- Basile, V., et al. “Software compensation to improve the Stereolithography fabrication of porous features and porous surface texturing at micro-scale”. 5th Int. Conference on Industry 4.0 and Smart Manufacturing ISM 2023, Lisbon 22-24 November 2023. 24 November.
- Surace R. et al. Micro injection molding of thin cavities using stereolithography for mold fabrication. Polymers 13.11(2021): 1848.
- Formlabs Materials. Available online: https://formlabs.com/materials/standard/ (accessed on 10 June 2023).















| Dimension | FOP Features | |||||
|---|---|---|---|---|---|---|
| (μm) | 1-A | 2-A | 3-A | 4-A | 5-A | 6-A |
| D | 1000 | 900 | 800 | 700 | 600 | 500 |
| H | 500 | 450 | 400 | 350 | 300 | 250 |
| Parameter | Units | Values | Symbol |
|---|---|---|---|
| Layer Thickness | μm | 25 | LT |
| Support attachment point size | mm | 0.7 | SP |
| Support positions | - | Uniformly distributed | |
| Support points density. Index (0.5-1.5) | - | 1 (average 1.75 supports/10mm2) | SD |
| Base thickness | mm | 2 | BT |
| Min distance of the part from base | mm | 5 | |
| Part Orientations | - | horizontal & parallel to the build platform) |
![]() |
| Thin Wall | Nominal Thickness |
Thickness Along X-Axis |
Thickness Along Y-Axis |
Total Thickness | Compensation Parameter “C” | |||
|---|---|---|---|---|---|---|---|---|
| Mean | Error | Mean | Error | Mean | STD | |||
| # | [µm] | [µm] | [µm] | [µm] | [µm] | [µm] | [µm] | [µm] |
| 1 | 50 | 176 | 126 | 128 | 78 | 152 | 29 | 102 |
| 2 | 100 | 220 | 120 | 176 | 76 | 198 | 27 | 98 |
| 3 | 150 | 272 | 122 | 226 | 76 | 249 | 29 | 99 |
| 4 | 200 | 299 | 99 | 265 | 65 | 282 | 21 | 82 |
| 5 | 250 | 350 | 100 | 323 | 73 | 337 | 20 | 87 |
| 6 | 170 | 274 | 104 | 243 | 73 | 258 | 21 | 88 |
| Thin Wall | Nominal Thickness |
Thickness Along X-Axis |
Thickness Along Y-Axis |
Total Thickness | C = Actual DLS | |||
|---|---|---|---|---|---|---|---|---|
| Mean | Error | Mean | Error | Mean | STD | |||
| # | [µm] | [µm] | [µm] | [µm] | [µm] | [µm] | [µm] | [µm] |
| 1 | 50 | 147 | 97 | 154 | 104 | 150 | 8 | 100 |
| 2 | 100 | 178 | 78 | 181 | 81 | 180 | 6 | 80 |
| 3 | 150 | 241 | 91 | 252 | 102 | 246 | 15 | 96 |
| 4 | 170 | 266 | 96 | 279 | 109 | 272 | 9 | 102 |
| 5 | 200 | 302 | 102 | 307 | 107 | 304 | 13 | 104 |
| 6 | 250 | 343 | 93 | 348 | 98 | 345 | 9 | 95 |
| Dimension / Parameter | FOP Features | |||||||
|---|---|---|---|---|---|---|---|---|
| (μm) | 1-A | 2-A | 3-A | 4-A | 5-A | 6-A | 7-A | 8-A |
| Nominal Diameter DN | 2000 | 1500 | 1000 | 900 | 800 | 700 | 600 | 500 |
| Diameter compensation C | 96 | 96 | 110 | 122 | 136 | 152 | 168 | 186 |
| Compensated Diameter D=DN + C | 2096 | 1596 | 1110 | 1022 | 936 | 852 | 768 | 686 |
| Compensated Pore depth H = D/2 | 1048 | 798 | 555 | 511 | 468 | 426 | 384 | 343 |
| DN | No Compensation |
Constant Compensation | Variable Compensation | |||||||||
|---|---|---|---|---|---|---|---|---|---|---|---|---|
| C = 85 μm | C = 96 μm | C = 120 μm | All Samples | BEST Sample | ||||||||
| [μm] | [μm] | [%] | [μm] | [%] | [μm] | [%] | [μm] | [%] | [μm] | [%] | [μm] | [%] |
| 500 | -233 | -46.6 | -124 | -24.8 | -94 | -18.8 | -80 | -16.0 | 41 | 8.2 | 21 | 4.2 |
| 600 | -184 | -30.7 | -107 | -17.8 | -73 | -12.2 | -64 | -10.7 | 45 | 7.5 | 13 | 2.2 |
| 700 | -157 | -22.4 | -79 | -11.3 | -42 | -6.1 | -34 | -4.9 | 36 | 5.1 | 31 | 4.4 |
| 800 | -144 | -18.0 | -64 | -8.0 | -40 | -5.0 | -20 | -2.5 | 29 | 3.6 | 34 | 4.3 |
| 900 | -135 | -15.0 | -50 | -5.6 | -14 | -1.6 | -15 | -1.7 | 27 | 3.0 | 7 | 0.8 |
| 1000 | -120 | -12.0 | -26 | -2.6 | -6 | -0.6 | -1 | -0.1 | 12 | 1.2 | 2 | 0.2 |
| 1500 | -89 | -5.9 | -4 | -0.3 | 28 | 1.9 | 33 | 2.2 | 4 | 0.3 | 1 | 0.1 |
| 2000 | -70 | -3.5 | 15 | 0.8 | 37 | 1.8 | 62 | 3.1 | 22 | 1.1 | 36 | 1.8 |
Disclaimer/Publisher’s Note: The statements, opinions and data contained in all publications are solely those of the individual author(s) and contributor(s) and not of MDPI and/or the editor(s). MDPI and/or the editor(s) disclaim responsibility for any injury to people or property resulting from any ideas, methods, instructions or products referred to in the content. |
© 2024 by the authors. Licensee MDPI, Basel, Switzerland. This article is an open access article distributed under the terms and conditions of the Creative Commons Attribution (CC BY) license (http://creativecommons.org/licenses/by/4.0/).
