1. Introduction
Object detection is a computer vision and image processing technique, widely used in many applications, such as face detection, video surveillance, image annotation, activity recognition, autonomous driving, quality inspection, etc. Among several object detection algorithms, the most popular and the fastest algorithm is a Single-Shot Multibox Detector (SSD) algorithm [
1]. SSD is used for detecting objects from a predefined set of detection classes in images and videos, by a single Deep Neural Network. The main idea of the proposed object detector is to discretize the output space of so called bounding boxes into a set of default ones, using different scales and aspect ratios. During the inference, SSD network outputs the probability that each detection class is being detected within each of default bounding boxes, but also outputs the coordinate adjustments with respect to coordinates of default boxes to better "match" detected objects. By combining predictions from feature maps of different resolutions, proposed object detector leads to accurate detection of both large and small objects from a detection class set. As shown in [
1], SSD architecture is significantly faster than multi-stage object detectors, like Faster R-CNN [
2], while having significantly better accuracy compared to other single shot object detectors, like Yolo [
3]. Even though SSD post-processing algorithm is not the most complex segment of overall object detection network, it is very computationally demanding and can be a bottleneck with respect to processing latency and power consumption, especially in the edge applications with limited resources. Motivated by that, in this paper we propose Puppis , an architecture of SSD hardware accelerator, which will reduce the duration of a software implemented SSD post-processing by 97%, on average, as we will show in the section presenting experimental results.
Despite the evolution of original object detectors [
4,
5,
6] deep networks for detecting objects based on SSD are still one of the most widely used, while the scientific community proposed a lot of original SSD algorithm improvements, during years that followed. Authors in [
7] propose slightly slower, but more accurate object detector based on enhanced SSD with a feature fusion module, while authors in [
8] additionally optimize their SSD based network for small object detection. In [
9] the classification accuracy of SSD architecture is improved by the introduction of Inception block which replaces extra layers in the original SSD approach, as well as an improved non-maximum suppression method. Attentive Single-Shot Multibox detector is proposed in [
10], where irrelevant information within feature maps are suppressed in favour of the useful feature map regions. There are also multiple real-time system proposals based on the Single-shot Multibox Detector algorithm, where either modified convolutional layers are used as in [
11], complete backbone CNN is simplified as in [
12], or a multistage bidirectional feature fusion network based on Single-shot Multibox Detector is used for object detection as in [
13].
While there are numerous proposals for algorithmic improvements of the original SSD algorithm available, there are not many proposals for the hardware acceleration of a Single-shot Multibox Detector algorithm in the available literature. Authors in [
14] and [
15] present the acceleration of the convolution blocks within the SSD network. In this paper, we propose a system for hardware acceleration of a complete Single-shot Multibox Detector algorithm and show how it can be integrated with a slightly modified backbone classifier (Mobilenet V1) to obtain fast and accurate object detector architecture, when implemented in FPGA. When using hardware accelerators for the implementation of backbone CNN in low-end, low frame-rate applications, SSD post-processing implemented in software is acceptable since the introduced latency is significantly shorter than the latency of the backbone CNN processing. Hence, it can be either neglected or even hidden by a pipelining to increase the throughput, even though the latency remains the same. Our work was motivated by the fact that SSD post-processing becomes critical for high-end applications where high frame rates are required. Results from the experimental section will show how our proposal results in SSD post-processing speedup up to 40.28 times and complete CNN network processing speedup up to 52.39 times, compared with pure software implementation, when MobilenetV1 SSD network is used for the object detection. The rest of the paper is structured as follows: after introductory section, in section 2 we will elaborate general structure of SSD network and the purpose of accelerating the SSD post-processing algorithm. In section 3, we will show which algorithms from SSD post-processing are accelerated and how, while the accelerator architecture is presented in section 4. Experimental results are shown in section 5, while the conclusion is given in the last section.
2. Overview of Proposed System for Hardware Accelerator of Complete SSD Network
2.1. General structure of SSD network
Figure 1 shows a general structure of the SSD network. The first part of SSD network is called a backbone network. Some standard Convolutional Neural Network (CNN) is used as backbone network, like VGG, MobileNet, ResNet, Inception, EfficientNet, etc. The purpose of the backbone network is to automatically extract the features from the input image so that the rest of the system can successfully determine bounding boxes.
The second part of the SSD network is the Single-shot Multibox Detector, SSD Head, for short. The purpose of the SSD Head is to calculate the bounding boxes for every class from the results computed by the backbone part of the network. The SSD Head consists of additional convolution layers and four other functions: softmax calculation, bounding-box calculation, Non-Maximum Suppression (NMS) function, and top-K sorting.
The additional convolutional layers in SSD Head always come in pairs. One layer calculates confidence values - Confidence SSD Convolution Layer (CSCL), and the other calculates the bounding-box modifiers - Bounding-Box SSD Convolution Layer (BSCL). The SSD Head also has a third layer which calculates anchor boxes. The anchor boxes are trainable parameters of the network, but for every SSD network, after training, they are constant.
2.2. System for HW acceleration of complete SSD arhitecture
Figure 2 illustrates how the Puppis , an SSD Head hardware accelerator we are proposing in this paper, is integrated into the overall flow of CNN calculation. To enable complete SSD network acceleration in hardware, Puppis HW accelerator must be coupled with some of previously proposed CNN HW accelerators. CNN accelerator will be used to accelerate the backbone CNN network, as well as additional convolutional layers located in the SSD head. In this paper a modified version of CoNNa CNN HW accelerator, proposed in [
16], has been used for this purpose. In contrast, Puppis HW accelerator will be used to accelerate remaining calculating functions from the SSD Head: softmax, bounding-box, non-maximum suppression and top-K sort. By working together, CoNNa and Puppis enable hardware acceleration of complete SSD network.
The Puppis uses two generic handshake interfaces, enabling easy and generic way of connecting to selected HW CNN accelerator. Please notice that if the CNN accelerator does not already have this handshake interface it must be adapted to support it. However, due to the simplicity of the used handshake interface, this poses no significant problem.
Figure 3 shows the proposed interfaces between the two accelerators. These two interfaces will be called SSD-CNN handshake.
Both interfaces contain only two signals. In
Figure 3 the first one consists of
cnn_done and
ssd_ack signals. When
cnn_done is asserted, that means that the CNN accelerator is finished with processing backbone CNN, using current input image. The Puppis asserts
cnn_ack to acknowledge that, and starts executing its part of the complete SSD algorithm using the feature maps provided by the backbone CNN, computed using the last input image.
The second interface includes ssd_done and cnn_ack signals. Here ssd_done indicates that Puppis is finished with the processing, and cnn_ack is asserted when CNN accelerator acknowledged that, and it can start with processing of the next input feature map.
As can be seen from the previous explanation, these two interfaces enable synchronisation and reliable transfer of data between the selected CNN accelerator and Puppis SSD Head accelerator. Feature maps computed by the CNN accelerator are transferred to the Puppis using a shared memory buffer. This is illustrated in
Figure 4. The buffer
cnn-buf-1 is used as the input buffer. The input image that needs to be processed by the SSD network is stored in this buffer. The results after processing the first layer are stored in the buffer
cnn-buf-2. That buffer is then input for the next layer, and so on.
The results of processing final layers from CSCL and BSCL layers are stored in couple of last cnn-buf buffers, depending on the number of these final layers. For example, if there are k final layers then cnn-buf-N-k up to cnn-buf-N buffers would be used to store their output values. These buffers are actually the input buffers for the Puppis HW accelerator. During its operation, Puppis uses additional memory buffers: ssd-buf-1 up to ssd-buf-M. These buffers are used to store intermediate results, computed as the Puppis HW accelerator operates on input data. The final results are stored in the output buffer ssd-buf-M. From this buffer, the software can read the final results of SSD network processing, containing the detected objects bounding boxes information.
Please notice that described setup enables the implementation of a coarse-grained pipelining technique during the processing of a complete SSD network by the proposed system. While the Puppis HW accelerator processes CNN-generated information for the input image i, CNN HW accelerator can already start processing input image i+1. This setup can significantly increase the processing throughput of the complete system, although the processing latency will remain unchanged. In applications where achieving high frame-rate is of interest, this could prove highly beneficial.
In order to be able to process selected SSD network, both the CNN and Puppis HW accelerators require that the SSD network is represented in an accelerator-specific binary format, as shown in
Figure 5. During the development of Puppis , such a tool for translating the high-level model of SSD network (developed for example using Keras, PyTorch, or some other framework) into this accelerator-specific binary model was also developed.
In the process of SSD model translation, the translator tool also determines the optimal fixed-point number format that will be used to store various SSD-model related data during the SSD network processing. Then it translates the model parameters to this number format and stores them in buffers, which are located in the main memory of the SSD system. For anchor boxes, it prepares special buffers for the Puppies, so that it can just load those values from the memory system, without any calculation. In short, this tool prepares the model to be successfully processed by the CoNNa , and Puppis accelerators.
3. Accelerated SSD Head Computation Algorithms
The part of Single-shot Multibox Detector algorithm which is implemented by the Puppis HW accelerator contains four main computational steps:
- (1)
Softmax calculation
- (2)
Bounding-Box calculation
- (3)
NMS calculation
- (4)
TopK sorting
The first three steps are more computationally complex, and they will described in more datails in the following chapters. The last part of the calculation, TopK sorting, determines the best K bounding boxes within the results calculated in the non-maximum suppression block. This is done using a simple bubble-sort algorithm.
3.1. The Softmax calculation
The Softmax calculation is the first step executed by the Puppis accelerator. The inputs for Softmax calculation are confidence values of SSD convolution layers, and Exponential Confidence Look-up Tables (ECLUT). The outputs are score predictions for all boxes. The confidence values are outputs from the backbone network and CSCL. In our setup of the complete SSD network hardware accelerator, the modified CoNNa CNN accelerator will provide these as its output. The ECLUT is an array of samples of exponential functions in the floating point format. This array is calculated by the translator and stored in main memory.
In this step, for all results of the confidence layers, for all the anchor boxes, and for all the classes the following normalized values are calculated:
where
k is index of the current class, the
S are inputs from the confidence layers,
N in the number of the classes, and
is the normalized confidence score.
In implementation of hardware accelerators, two number formats are mostly used: fixed-point and floating point. The fixed point format is used for hardware simplicity and energy efficiency. The floating point format is used in an application needing a wide dynamic range. In this architecture, we used a hybrid approach which will be described in more details. Softmax calculation uses an exponential function over a wide range of values. On one hand, the hardware is simpler when using a fixed point format for real values. On the other hand, this calculation requires a wide range of values. So if only a fixed format is used, it will require a large number of bits to cover the required dynamic number range. Using only the floating point hardware is not feasible, because the floating point calculation uses too many hardware resources. So, a mix of floating point and fixed point numbers is used in the calculation. We decided to use floating point representation for comparison operations only. In that way, we keep hardware utilization close to fixed-point representation, and still cover the required range of values, as if floating-point number representation was used.
Inside the Puppis HW accelerator, there are hardware blocks that determine the format used for representing fixed point numbers. The pseudocode of the algorithm for the equation calculation 1, with some hardware-related details, is shown below.
|
Listing 1. Softmax pseudocode |
 |
The parameter SCN is the current number of SSD convolution layer pairs that the network uses. It is a run-time time parameter that can be configured by the user. The confs is an input array which contains confidence values. That array is located in the main memory of the system. The variable box_cnt counts all boxes for which score prediction values are calculated.
The algorithm iterates through output feature maps, generated by each CSCL that is shown in
Figure 1. For every output point of any CSCL, and for all boxes corresponding to that layer, the list of confidence values is read from memory for each class (
conf_box = conf[i][j][k]). For all confidence values, the corresponding floating point value from ECLUT is read, and the maximum value is determined. The comparison between
exp_vals[cls] > exp_val_max is a floating point comparison. According to the result of the comparison, the fixed-point representation used later in the calculation is determined. The ECLUT contains samples of exponential functions for every class used in the network. There are 4096 samples in the ECLUT for every class. The translator determines which samples should be stored in the table. All fixed point numbers in this block are 16 bits wide. The computed format is stored in the
exp_sum_reduce variable. This number determines how much the values are shifted during the calculation, so this number represents the number of bits after the fixed point. The floating point numbers are represented with 32 bits using the IEEE 754 standard.
The function
getFormatFromFloat determines the format according to the value of
exp_val_max variable. The next loop in the code determines the sum of all exponential function values, computing the value of the denominator from equation
1. That is needed to determine soft-max score box predictions. If, during sum calculation, there is an overflow, then the fixed point is moved one point to the left
exp_sum_reduce += 1, and the sum is divided by 2, to be correctly interpreted by a new fixed point format.
Finally, for all classes, the new normalized score predictions, , are calculated. For every class, the confidence value is divided by a computed denominator value, and the result is stored in a score prediction array. This array is also located in the main memory of the system.
3.2. The Bounding-box calculation
The Bounding-box calculation is the next step in the accelerator calculation flow. For every output point in the convolution layer that calculates the bounding-box modifiers, and for every anchor box, the accelerator calculates one resulting bounding box. The chance that this bounding box is the result of a prediction is stored, for every class, in the soft-max calculation step.
The bounding box calculation procedure is expressed with these formulas:
where
and
are the coordinates of a predicted bounding box center. The
and
are two of four predicted input values from the convolutional layers. The
and
are so-called variance values. Those are trainable parameters of the SSD network, and they are recorded in the binary description of the network with the help of the translator. The values
and
are the width and height of the current anchor box, and the values
specify the center of the current anchor box. The values
and
are output values of the convolution layer used to calculate the width and height of the bounding box. The values
and
are variance values determined during the training. Finally, the values
, and
specify the upper left corner of the predicted bounding box, and
,
specify the lower right corner, thus specifying the exact location and size of computed bounding box.
The Puppis uses 16-bit fixed-point number representation for all calculations
2 -
9. The translator determines the exact position of the decimal point, which is then set with barrel-shifters. The exponential functions from equations
4 and
5 are again calculated using the look-up table approach. But this time the number dynamic range is small enough, so that a predetermined number format can be used.
3.3. The NMS calculation
The third step is the NMS calculation. This algorithm removes overlapping boxes around the same object. The output of the bounding-box calculation can put several boxes around the same object with high confidence. The purpose of this step is to remove the boxes around the same object which overlap enough (algorithm parameter). The aim is to have only one bounding box around one object. In short, ideally, before this step, there can be several bounding boxes around the same object, and after it, there will be only one.
The pseudo-code for this algorithm is listed below. The input for this algorithm are confidence values after soft-max calculation, calculated in step one, and the bounding boxes locations calculated in the second step. These inputs are represented as in_confs variable for the confidences, and in_bboxes for the bounding boxes. The confs is a 2d array, because it holds the normalized confidence values for all the classes and for all the bounding boxes.
|
Listing 2. NMS pseudocode |
 |
The algorithm iterates over all classes. The current class is represented by the variable cnt_class. The variable box_ind represents the indices of all confidence values which are greater than the input parameter threshold TVAL. The variable confs are all confidence values which are greater than TVAL and the variable bboxes are the corresponding bounding boxes. If there are no confidence values greater than TVAL then the algorithm iterates to the next class. The variable areas represent areas of all bboxes. The variable sort_ind is a sorted version of box_ind where indices are sorted corresponding to their confidence value. The value gt_ind represents the index of the bounding box with the greatest confidence value for the current class. The bounding box, its class, and confidence values are stored into the final result of the algorithm. For all other bounding boxes, the overlap area with the current best bounding box is calculated. For the next while-iteration, only indices with overlaps less than a threshold value TOVER are chosen. This while loop is terminated when there are no more indices in the sort_ind list. The output of the algorithm is all possible bounding boxes for all classes, with a confidence value greater than the parameter TOVER, and with overlap less than TOVER from the better confidence boxes.
Function
calc_overlap calculates overlap between two boxes. This function receives two rectangles as input. The first rectangle is defined by two points:
and
for the first rectangle, and
and
for the second. The function calculates overlap according to these formulas:
where the points
and
define an overlapping rectangle. The overlapping area is
, and
is a non-overlapping area. The values
and
are the areas of the two bounding boxes, for which the calculation is done. The value
is always the area of the bounding box with the greatest confidence value for the current class. The
O is the result of the function and it represents a ratio between
and
.
4. Puppis HW Accelerator Architecture
Figure 6 shows an overview of the Puppis HW accelerator architecture. Interfaces of the accelerator, as well as main building blocks at the top level are presented.
The Puppis uses three interfaces to connect to surrounding modules: the configuration and status AXI-lite interface, the data transfer AXI-full interface, and the SSD-CNN handshake, explained earlier in Chapter 2.2. The AXI-lite interface is used for the Puppis configuration, and for inspecting the status of the accelerator. The AXI-Full interface is used for the data transfers in and out of the accelerator. The received and transferred data are routed through the Arbiter module. Finally, the SSD-CNN handshake interface is introduced to Puppis to enable the calculation of the whole SSD CNN without processor intervention. It was shown in
Figure 3.
Puppis contains several modules at the top level. There is the Regs module, which contains the configuration registers of the accelerator. Also, the Puppis has status registers, which can be accessed through AXI-lite interface. The configuration affects how main controller module,
Control in the
Figure 6, works.
The
Control module coordinates the operation of all other modules, to compute the SSD Head output. Sequentially, depending on the configuration and the state of calculation, this module controls the routing and timing of data transfers through the calculation modules of the accelerator, as well as, their internal pipeline stages. This module has connections to all other modules, but for clarity, those connections are not illustrated in
Figure 6. This module will be described in more details in the following chapter.
The main data-routing unit inside Puppis is the Arbiter module. It implements an interconnect architecture which enables all required routing of data from source to destination. In other words, it enables the data transfers inside Puppis accelerator. It is controlled by the main Control module.
The main calculation modules of the Puppis are
Softmax, Boxes, and NMS. The
Softmax module is used for calculating the softmax function, given by equation
1, and listing 1. The Boxes module calculates bounding boxes, equations
2 -
9. The NMS module calculates the NMS function of the SSD calculation, listing 2. All of these modules will be described in more details in the following chapters.
The other, helper calculation modules of Puppis are: Divider, Muls, and Sort. The Divider module implements division operation of two fixed-point numbers, which is used in the Softmax, and NMS computational steps of the SSD algorithm. It uses pipelined architecture, in order to reach the operating frequency of other modules. The Muls module is used for calculating multiplication of two fixed-point numbers, represented with the same number of bits. This module is pipelined, and has four lanes, so that four multiplications can be done at once. The Sort module sorts values, and it is used during the NMS calculation, as well as for selecting final top K results.
The Puppis uses two internal caching memories: Memory 0 and 1. They are used for storing configuration parameters and intermediate results during the SSD calculation. The memories are configurable and have several purposes during the SSD calculation process, which will be described in more details, in the following chapters.
The Arbiter module enables communication between the calculation modules and the memories. Additionally, some communication lines connect the calculation modules directly: Divider to NMS, NMS to Muls, and finally Muls to Boxes. These lines stream intermediate results, without buffering, between modules.
An AXI-Full interface enables the communication to the external main memory. The AXI-Full Control module implements the AXI-Full protocol. This module receives two AXI-Stream data streams, a read stream, and a write stream, and combines them into a single AXI-Full interface.
The Serial Comp module connects to the Arbiter and the AXI-Full Control module’s read interface. The module reads the confidence predictions from the main memory and passes only those predictions that are greater than the predefined threshold to the Arbiter module. Furthermore, the Serial Comp module can transfer other data types without discrimination.
4.1. The Control module
The
Control module sends control signals to all the other modules in the architecture. It implements Finite State Machine (FSM) which sequentially processes the input through several steps of the SSD Head computation algorithm explained earlier. The simplified FSM is shown in
Figure 7.
In the READY state, the Puppis is ready to receive the next input. In this state, it can be configured using the AXI-Lite interface to be prepared for processing the next input. In the next state, SOFTMAX, the Control module sends control signals to read the input confidence values from memory, calculate the softmax algorithm with those inputs, and write the output normalized values into the main memory. In the BOXES state, Puppis reads the bounding box modifiers from the main memory, and also anchor boxes, and then calculates the bounding boxes. The resulting bounding boxes are stored into the internal Memory modules. In the NMS state, the Control unit sends control signals, so that the normalized confidence values are read from the main memory, and the bounding boxes are read from the internal Memory. Then the NMS algorithm is processed on those inputs. The resulting output is stored in the internal Memory. In the SORT state, the inputs from the NMS step are read from the internal Memory, they are sorted, and the best K results are stored into the main memory, as the final result of the input processing. Then the Puppis accelerator switches to the READY state, where it is prepared to take the next input.
4.2. The Softmax module
Figure 8 shows the top-level block diagram of the
Softmax module. The block diagram presents a model of the
Softmax module close to the Register Transfer Level (RTL) level, but some details are abstracted. In this way, model is easier to explain. For example, the model does not show the control signals from the
Control module. We will call this kind of model abstracted RTL model. The
Softmax module contains three pipeline stages.
In the first stage, the module receives the confidence value inputs,
cnf_in, from the main memory, the
from the equation
1. The module sends this value to the ECLUT -
eclut_out, and receives exponents of floating points -
eclut_in. The internal memory stores ECLUT samples. The calculated values, which represent
from the equation
1 in floating point number format, are also stored in the internal memory. The internal memory receives them through the port
float_mem_out. The module compares the exponents of those numbers and stores the current maximum exponent in the register
exp_max_reg. The component
flexp_cmp is the exponent comparator. After the processing is finished at the first stage, in the
exp_max_reg register is the maximum exponent of all confidence values. That is also the input for the next pipeline stage.
In the second stage, the module receives the floating point values
from the internal memory, and converts them to the fixed-point format. Converted numbers are sent to the intermediate memory, and are used in the third stage. These values are
from the equation
1, but in the fixed-point number format. The
exp_max_reg register stores the current value and determines the exact fixed-point number format. These converted numbers are then sent to the memories Memory 0 or Memory 1, shown in
Figure 6.
In the third stage, the values are read from the intermediate memories through the
fix_mem_in input port. These are
from the equation
1. They are then shifted by the parameter number, determined by the translator. The shifted value is sent to the divider, and then, the result of the division is stored in the register -
score_out. This value, that actually represents the
from equation
1 is sent to the internal memory, because it will be used in the following steps of SSD calculation.
4.3. The Bounding-box module
Figure 9 shows the abstracted RTL model for the
Bounding-box module. The module uses several registers to store intermediate calculation results for equations
2 -
9.
At the top of the
Figure 9, the multiplexer is shown. The
Control module uses this component to select which arguments to send to the
Muls module.
The coord stores input values from the BSCL: , , , and . The anchor stores values from the anchor boxes: , , , and . The variance values come from the input variance_in, and those are values: , , , and . First, the values , , , and are sent to multiplexer, so that the inter receives input from multipliers and stores the intermediate results: , and . The terms which are input for exponential function are stored in the register exp: , and . The values from exp are sent to look-up tables, and from lut_in the values , and are received. The received values are stored in the register lut. Then the values from the inter register are sent to the multipliers, along with variance values : and . The results from multipliers are summed-up with the anchor boxes center: , and , and the final result are stored into the register center. Those are the values , and . The values from the lut are then send to multipliers, along with width and height of the anchor boxes: and . The results are and from the formulas and they are stored in the register WH. The final calculations are done with internal adders, and subtractors, which calculate the formulas for , , , and . Those results are stored into register rect, and then they are forwarded to the internal memories.
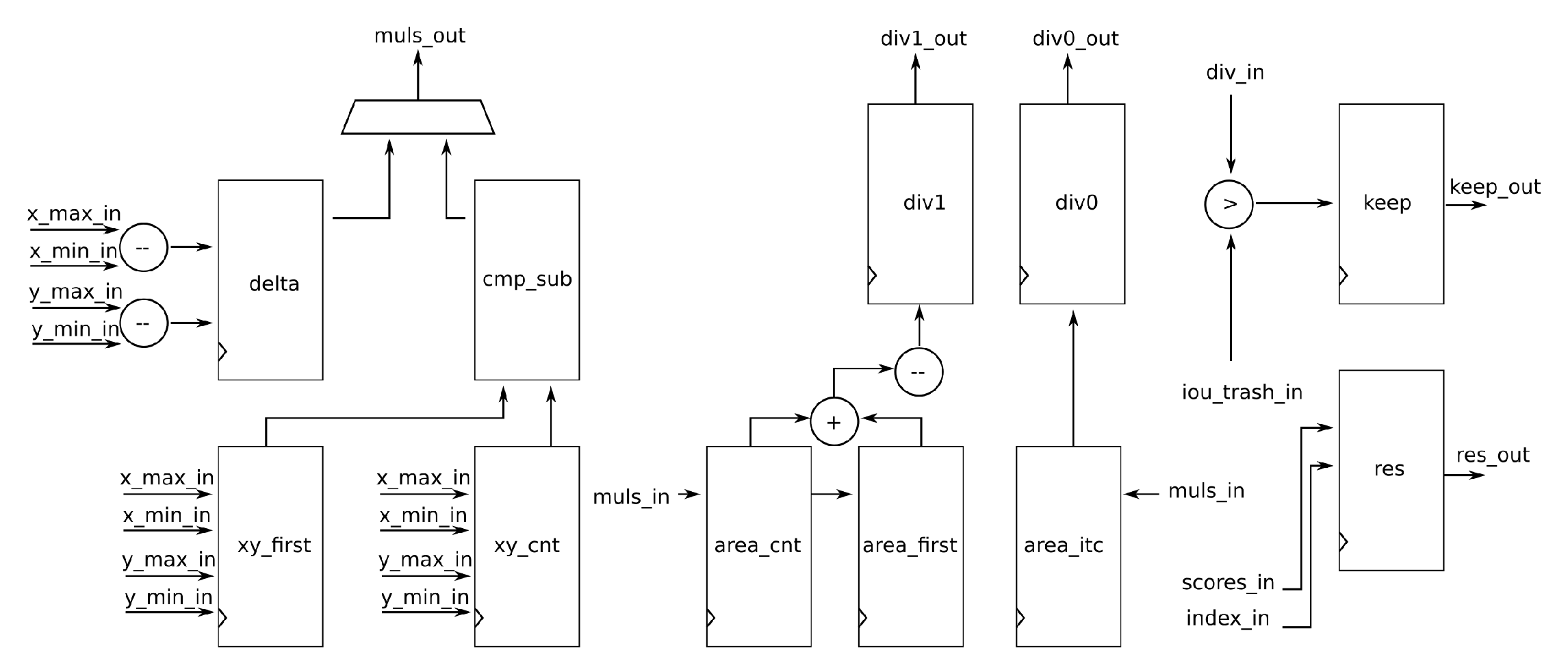
4.4. The NMS module
The
Control module guides the NMS module through algorithm 2. The core of that algorithm are equations
10 -
16.
Figure 10 shows abstract RTL schematic of the NMS module. The following is a description of how the module calculates these equations.
The areas are calculated using the
Muls module. First, the area of all the boxes is calculated using datapath through the register
delta. The register contains the length of the sizes of the boxes. Those values are then sent to the
Muls modules, using the output
muls_out. The area is then stored in the register
area_cnt. In case the first bounding box is processed, then the area is, after delay, also stored in the register
area_first. That first bounding box is referenced in the algorithm 2 with index
gt_ind. Then, for all other bounding boxes, the equations
10 -
13, and the right side of
14 are calculated using combinatorial network
cmp_sub. That network has 4 comparators and two subtractors which are needed to evaluate the left side of the equation
14. The final multiplication in equation
14 is done using the
Muls module. The values
are stored in the register
area_itc. The equation
15 is calculated using the values stored in the registers
area_cnt and
area_first. The output is stored in the register
div1 which represents the values
in equations
15 and
16. The register
div0 takes the value
from the register
area_its. The division in equation
16 is done using the
Divider module. The values from the register
div0 and
div1 are sent to the
Divider module. The output of the
Divider module is sent back using the input
div_in. If that value is greater than the threshold value
TOVER in the algorithm (
iou_trash_in in
Figure 10), the output flag
keep_out is asserted, otherwise it stays zero. The confidence score corresponding to the current box is stored in the register
res. Those values are delayed for several clock cycles, so they are written to this register at the same time as corresponding keep values are written to the register
keep. The output values which have the “keep output” set to one will be stored in the internal memory and will be sorted in the last part of the SSD calculation.
4.5. The Sort module
The final stage of the computation involves TopK sorting, which identifies the top K bounding boxes among the results obtained from the non-maximum suppression block. This process is accomplished using a straightforward bubble-sort algorithm. This step is non-computationally critical, thereby leading to the adoption of a simple sequential architecture for the module.