Submitted:
26 May 2023
Posted:
29 May 2023
You are already at the latest version
Abstract
Keywords:
1. Introduction
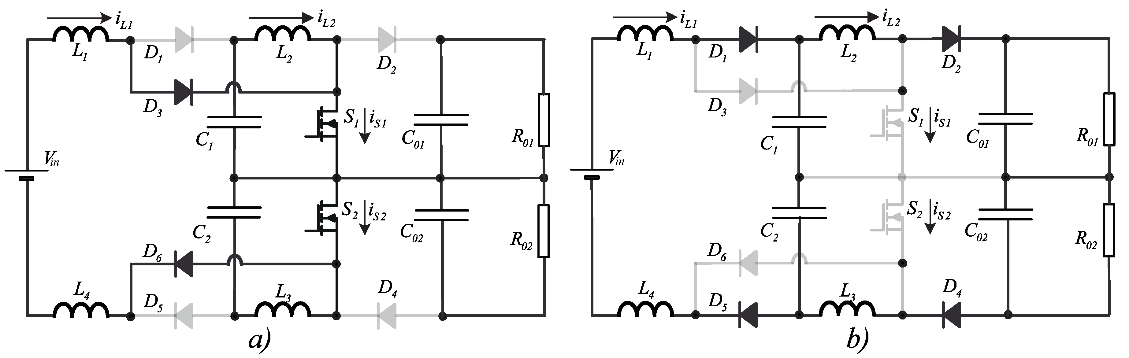
2. Converter Topology
2.1. Operation in Continuous Conduction Mode (CCM)
2.1.1. First Stage: (, )
2.1.2. Second Stage: (, )
2.1.3. Current Ripple in Inductors and
2.1.4. Converter Component Design
2.2. Operation in Critical Conduction Mode
2.3. Operation in Discontinuous Conduction Mode
2.3.1. Three Stage: (, )
2.3.2. Fourth Stage: (, )

3. Dynamic Modeling and Converter Control
3.1. First Stage: ()
3.2. Second Stage:
4. Voltage Equilibrium on the Output capacitors
5. Experimental Results
5.1. Converter Operating Open Loop
5.2. Converter Operating in Closed Loop
6. Discussion
7. Conclusions
Author Contributions
Funding
Data Availability Statement
Acknowledgments
Conflicts of Interest
References
- Danielis, R.; Scorrano, M.; Massi Pavan, A.; Blasuttigh, N. ’Simulating the Diffusion of Residential Rooftop Photovoltaic, Battery Storage Systems and Electric Cars in Italy. An Exploratory Study Combining a Discrete Choice and Agent-Based Modelling Approach. Enegies, 2023, 16, 557. [Google Scholar] [CrossRef]
- Sumathy, P.; Navamani, J.D.; Lavanya, A.; Sathik, J.; Zahira, R.; Essa, F.A. : ’PV Powered High Voltage Pulse Converter with Switching Cells for Food Processing Application’. Energies 2023, 16, 1010. [Google Scholar] [CrossRef]
- Karbowniczak, A.; Latała, H.; Ne˛cka, K.; Kurpaska, S.; Ksia˛z˙ ek, L. : ’Modelling of Energy Storage System from Photoelectric Conversion in a Phase Change Battery’. Energies 2022, 15, 1132. [Google Scholar] [CrossRef]
- Khodair, D.; Motahhir, S.; Mostafa, H.H.; Shaker, A.; Munim, H.A.E.; Abouelatta, M.; Saeed, A. : ’Modeling and Simulation of Modified MPPT Techniques under Varying Operating Climatic Conditions’. Energies 2023, 16, 549. [Google Scholar] [CrossRef]
- Pellitteri, F.; Di Dio, V.; Puccio, C.; Miceli, R. : ’A Model of DC-DC Converter with Switched-Capacitor Structure for Electric Vehicle Applications’. Energies 2022, 15, 1224. [Google Scholar] [CrossRef]
- Yalla, N., Agarwal, P., Venkata, J. S. P. A., Bussa, V. K.: ’Reduced switching state multilevel improved power factor converter for level-3 electric vehicle applications’, IET Power Electronics, 2020, 13, (4), pp. 693–702.
- Russo, A.; Cavallo, A. : ’Stability and Control for Buck–Boost Converter for Aeronautic Power Management’. Energies 2023, 16, 988. [Google Scholar] [CrossRef]
- Li, H.; Gu, Y.; Zhang, X.; Liu, Z.; Zhang, L.; Zeng, Y. : ’A Fault-Tolerant Strategy for Three-Level Flying-Capacitor DC/DC Converter in Spacecraft Power System’. Energies 2023, 16, 556. [Google Scholar] [CrossRef]
- Zhou, G., Tian, Q. Leng, M., Fan, X., Bi, Q.: ’Energy management and control strategy for DC microgrid based on DMPPT technique’, IET Power Electronics, 2020, 13, (4), pp. 658–668.
- Kumar, R.; Wu, C.-C.; Liu, C.-Y.; Hsiao, Y.-L.; Chieng, W.-H.; Chang, E.-Y. : ’Discontinuous Current Mode Modeling and Zero Current Switching of Flyback Converter’. Energies 2021, 14, 5996. [Google Scholar] [CrossRef]
- Farakhor, A., Abapour, M., Sabahi, M.: ’Study on the derivation of the continuous input current high-voltage gain DC/DC converters’, IET Power Electronics, 2018, 11, (10), pp. 1–9.
- Sedaghati, F., Pourfajar, S.: ’Analysis and implementation of a boost DC– DC converter with high voltage gain and continuous input current’. IET Power Electronics, 2020, 13, 798–807. [CrossRef]
- Samuel, V. J., Keerthi, G., Mahalingam, P.: ’Coupled inductor-based DC–DC converter with high voltage conversion ratio and smooth input current’. IET Power Electronics, 2020, 13, 733–743. [CrossRef]
- Middlebrook, R. D.: ’Transformerless DC-to-DC converters with large conversion ratios’, Power Electronics. IEEE Transactions on 1988, 3, 484–488.
- F. L. de Sá, D. Ruiz-Caballero and S. A. Mussa, "A new DC-DC double Boost Quadratic converter," 2013 15th European Conference on Power Electronics and Applications (EPE), Lille, France, 2013, pp. 1-10. -10. [CrossRef]
- Maksimovic, D., Cuk, S.: ’General properties and synthesis of PWM DC-to-DC converters’. Power Electronics Specialists Conference, 1989. PESC ’89 Record., 20th Annual IEEE, 1989, pp. 515–525 vol.2.
- Maksimovic, D., Cuk, S.: ’Switching converters with wide DC conversion range’. Power Electronics, IEEE Transactions on, 1991, 6, 151–157. [CrossRef]
- Wu, T. F., Yu, T. H.: ’Unified approach to developing single-stage power converters’. Aerospace and Electronic Systems, IEEE Transactions on, 1998, 34, 211–223. [CrossRef]
- Barreto, L.H.S.C., Coelho, E.A.A., Farias, V.J., de Freitas, L.C., Vieira, J.B., Jr.: ’An optimal lossless commutation quadratic PWM Boost converter’. Applied Power Electronics Conference and Exposition. APEC 2002. Seventeenth Annual IEEE, 2002, pp. 624–629 vol.2.
- Barreto, L. H. S. C., Coelho, E. A. A., Farias, V. J., de Oliveira, J. C., de Freitas, L. C., Vieira, J. B.: ’A quasi-resonant quadratic boost converter using a single resonant network. Industrial Electronics, IEEE Transactions on 2005, 58, 552–557.
- Li, W., He, X.: ’Review of Nonisolated High-Step-Up DC/DC Converters in Photovoltaic Grid-Connected Applications. Industrial Electronics, IEEE Transactions on, 2011, 52, 1239–1250.
- Novaes, Y. R., Barbi, I., Rufer, A.: ’A New Three-Level Quadratic (T-LQ) DC/DC Converter Suitable for Fuel Cell Applications’. Power Conversion Conference - Nagoya, 2007. PCC ’07, 2007, pp. 1–10.
- Fiori, M., Barbosa, L. R.: ’Three-Level Boost Quadratic G Converter. Power Electronics, IEEE Transactions on, 2017, 22, 131–138.
- Kishore, P. M., Bhimasingu, R.: ’Dual-input and triple-output boost hybrid converter suitable for grid-connected renewable energy sources. IET Power Electronics, 2020, 13, 808–820. [CrossRef]
- Erickson, R. W.: ’Fundamentals of Power electronics’, Lectures on Power Electronics (USA: Chapman & Hall, 1997, 1st ed.).
- Silva, G. V., Coelho, R. F., Lazzarin, T. B.: ’Modeling the Switched Capacitor Cell Boost Converter Using a Reduced Order Equivalent Converter. Power Electronics, IEEE Transactions on, 2017, 22, 288–297.
- Sun, J., Bass, R. M.: ’Modeling and practical design issues for average current control’. Applied Power Electronics Conference and Exposition, 1999. APEC ’99. Fourteenth Annual, 1999, pp. 980–986 vol.2.
- Guepfrih, M. F., Waltrich, G., Lazzarin, T. B.: ’Quadratic-boost-double-flyback converter’. IET Power Electronics, 2019, 12, 1–12.
- Silva Junior, E. T.: ’Boost Converter Analysis and Design of the compensators’. Masters dissertation, University Federal of Santa Catarina UFSC, INEP, 1994.
- Brockveld, S. L., Waltrich, G.: ’Boost–flyback converter with interleaved input current and output voltage series connection’. IET Power Electronics, 2018, 11, 1–9.
- Martins, A. S., Kassick, E. V., Barbi, I.: ’Control strategy for the double-boost converter in continuous conduction mode applied to power factor correction’. Power Electronics Specialists Conference, 1996. PESC ’96 Record., 27th Annual IEEE, 1996, pp. 1066–1072 vol.2.
- Padilha, F. J. C., Bellar, M. D.: ’Modeling and control of the half bridge voltage doubler boost converter’. Industrial Electronics, 2003. ISIE ’03. 2003 IEEE International Symposium on, 2003, pp. 741–745 vol.2.
- Zhou, J., Cheng, S., Hu, Z. and Liu, J.: ’Balancing control of neutral-point voltage for three-level T-type inverter based on hybrid variable virtual space vector’. IET Power Electronics, 2020, 13, 744–750. [CrossRef]
- `BeMicro Max10, FPGA Evaluation Kit’, Altera, Analog Devices, 2014.
- Lahari, MV. P., Vedula, S. V., Rao, V. U.: ’Real time models for FPGA based control of power electronic converters: A graphical programming approach’. IEEE IAS Joint Industrial and Commercial Power Systems/ Petroleum and Chemical Industry Conference (ICPSPCIC), 2015, pp. 60–65.















| Component | Calculation to obtain parameters |
|---|---|
| Inductor | |
| Inductor | |
| Intermediate Capacitor | |
| Output Capacitor | |
| Load Resistance R |
| Component | Description | Equating efforts |
|---|---|---|
| Switch | Average Current | |
| RMS current | ||
| Maximum Current | ||
| Maximum voltage | ||
| Diode | Average Current | |
| RMS current | ||
| Maximum Current | ||
| Maximum voltage | ||
| Diode | Average Current | |
| RMS current | ||
| Maximum Current | ||
| Maximum voltage | ||
| Diode | Average Current | |
| RMS current | ||
| Maximum Current | ||
| Maximum voltage | ||
| Inductor | Average Current | |
| RMS current | ||
| Maximum Current | ||
| Maximum voltage | ||
| Inductor | Average Current | |
| RMS current | ||
| Maximum Current | ||
| Maximum voltage | ||
| Capacitor | Average Current | |
| RMS current | ||
| Capacitor | Average Current | |
| RMS current |
| Description | Parameters |
|---|---|
| Output Voltage | |
| Input Voltage | |
| Intermediate Capacitor | |
| Output Capacitor | |
| Load Resistance | |
| Switching Frequency | |
| Duty Cycle | |
| Input Inductance | |
| Intermediate Inductance | |
| Switch Models (Mosfets)- | |
| Diodes Models (Ultrafast) - |
Disclaimer/Publisher’s Note: The statements, opinions and data contained in all publications are solely those of the individual author(s) and contributor(s) and not of MDPI and/or the editor(s). MDPI and/or the editor(s) disclaim responsibility for any injury to people or property resulting from any ideas, methods, instructions or products referred to in the content. |
© 2023 by the authors. Licensee MDPI, Basel, Switzerland. This article is an open access article distributed under the terms and conditions of the Creative Commons Attribution (CC BY) license (http://creativecommons.org/licenses/by/4.0/).