Preprint
Article

This version is not peer-reviewed.

Ni/MgO-Al2O3 Hydrotalcite-Derived Catalysts for Sustainable Iso-Butanol Generation from Methanol/Ethanol Blends

Submitted:

06 February 2026

Posted:

09 February 2026

You are already at the latest version

Abstract
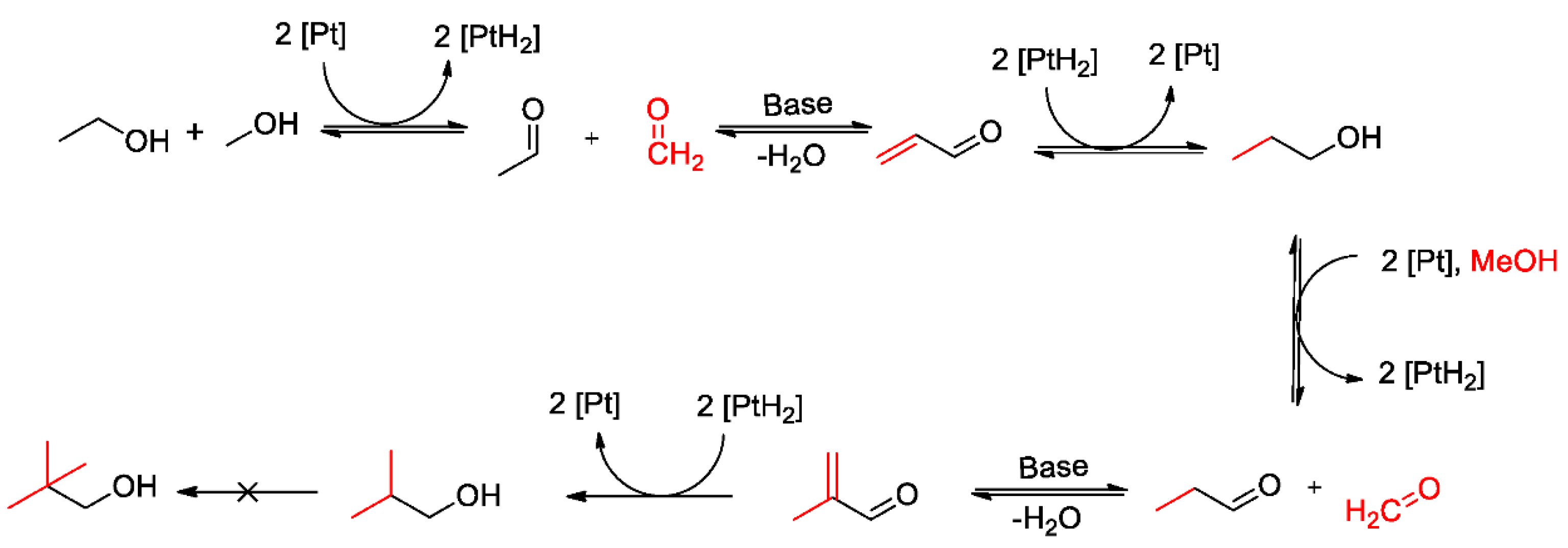
The catalytically supported upgrading of green ethanol and green methanol mixtures can produce higher alcohols, such as iso-butanol, in a sustainable manner. Iso-butanol can be used as a feedstock to defossilize the chemical and transportation sectors. MgO-Al₂O₃ hydrotalcite-based catalysts are a promising option for this purpose. In this study, samples were synthesized using co-precipitation and urea methods with different Mg/Al molar ratios, with Ni acting as the active catalytic component. ICP-OES analysis revealed that Ni impregnation onto the hydrotalcite structure had been successful. However, in the case of the urea method, the pH value for the precipitation of Mg(OH)₂ was too low, resulting in insufficient Mg being incorporated into the hydrotalcite structure. XRD analysis revealed the presence of NiO, MgO and the spinels Al₂NiO₄ and Al₂MgO₄ in both synthesis variants, as well as elemental Ni in one sample from the urea synthesis. CO₂-TPD and NH₃-TPD experiments showed the dominance of strong basic and strong acidic catalyst centers in both synthesis pathways. The catalysts synthesized using the urea method exhibited the greatest activity, producing iso-butanol concentrations of up to 170 mmol l-1 at 185 °C, with a maximum space-time yield of 8.2 mmol g-1 h-1.
Keywords: 
;  ;  ;  ;  
Copyright: This open access article is published under a Creative Commons CC BY 4.0 license, which permit the free download, distribution, and reuse, provided that the author and preprint are cited in any reuse.
Prerpints.org logo

Preprints.org is a free preprint server supported by MDPI in Basel, Switzerland.

Subscribe

Disclaimer

Terms of Use

Privacy Policy

Privacy Settings

© 2026 MDPI (Basel, Switzerland) unless otherwise stated