Submitted:
18 March 2025
Posted:
18 March 2025
You are already at the latest version
Abstract
Keywords:
1. Introduction
2. Materials and Methods
2.1. Introduction of Flame Combustion Image
2.2. Methods
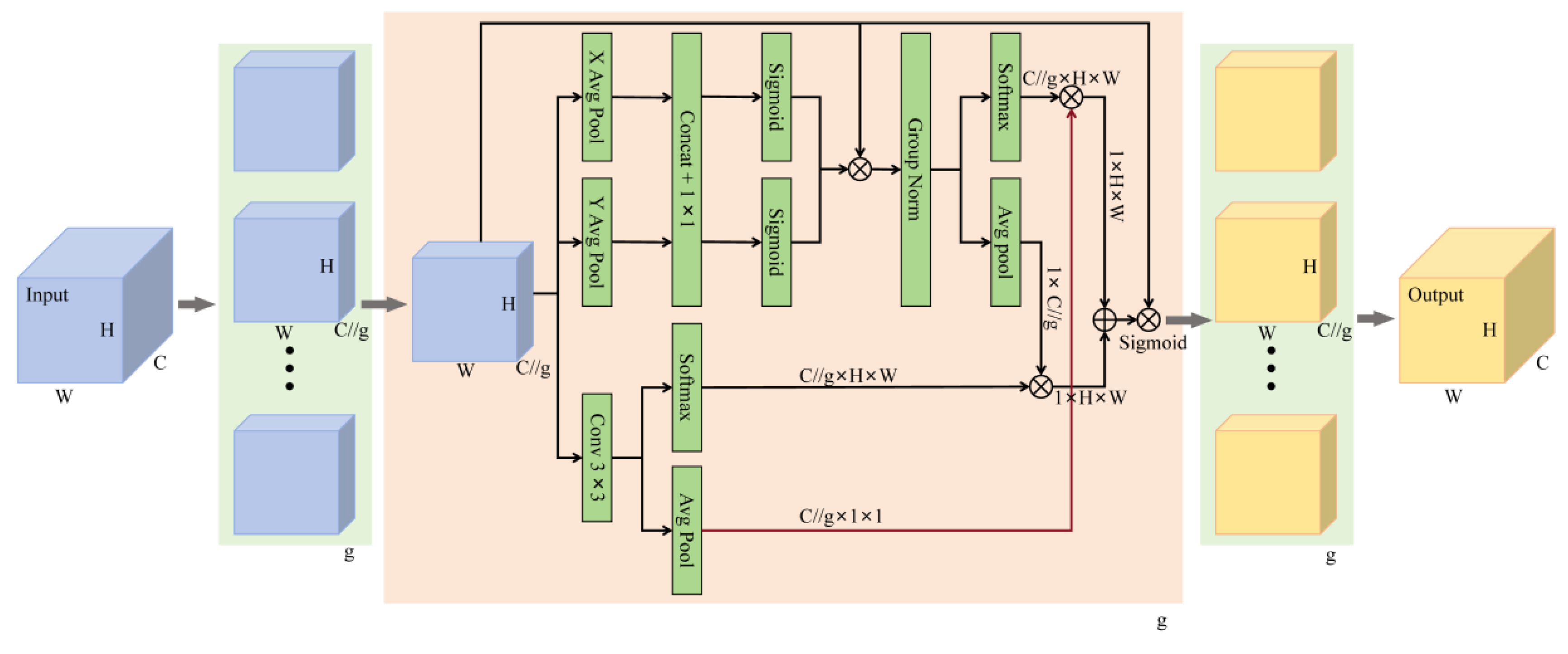
2.2.1. The Multi-Scale Attention Residual Network
2.2.2. The Deformable Multi-Head Attention Transformer
2.2.3. The Context Feature Fusion Module
2.2.3. The Classifier
3. Experiments and Results
3.1. Introduction of Flame Combustion Image
3.2. Evaluation Metrics
3.3. Flame Burning Images Dataset
3.4. Model Experimental Results
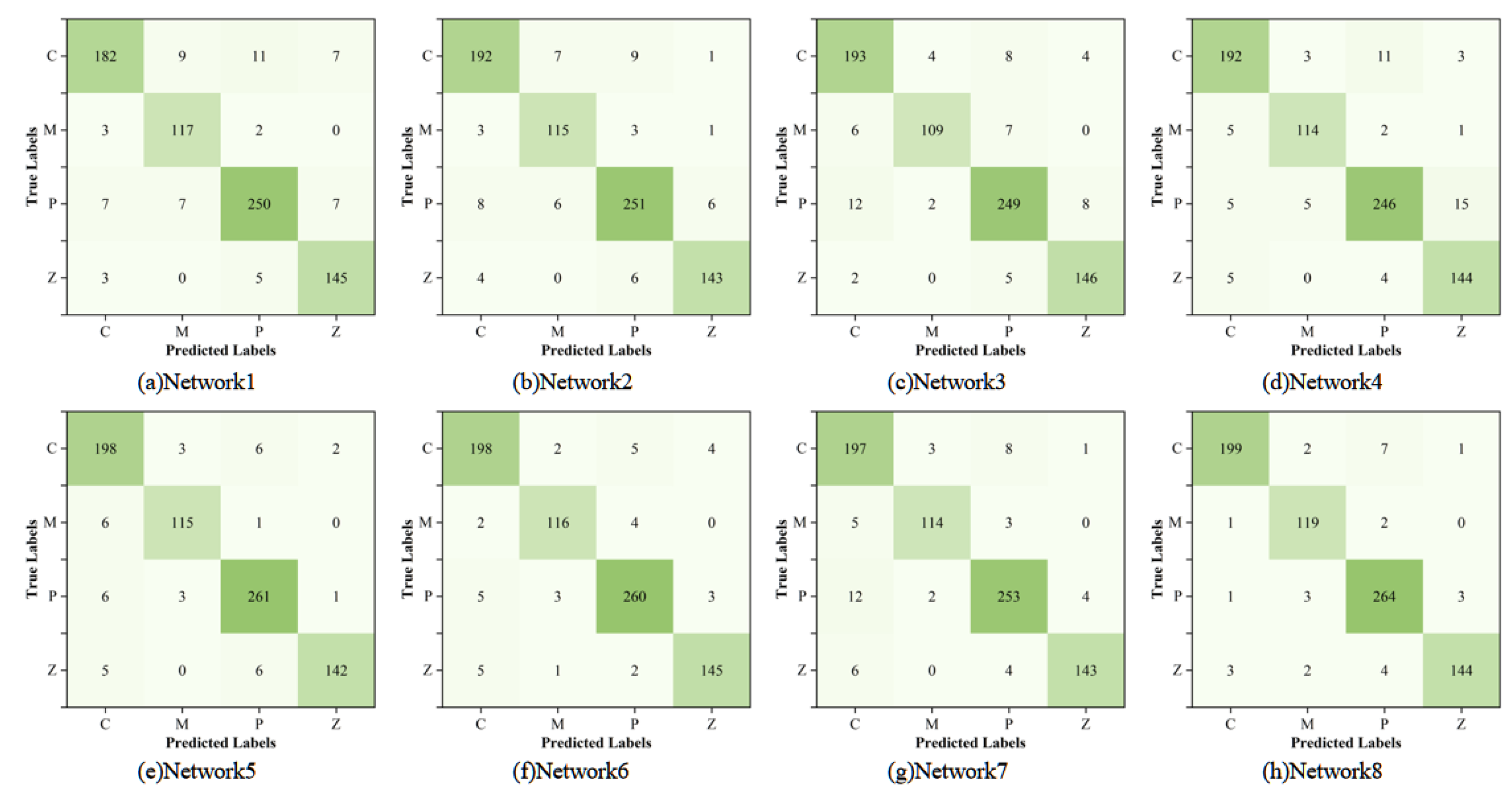
3.4. Results of Ablation Experiments
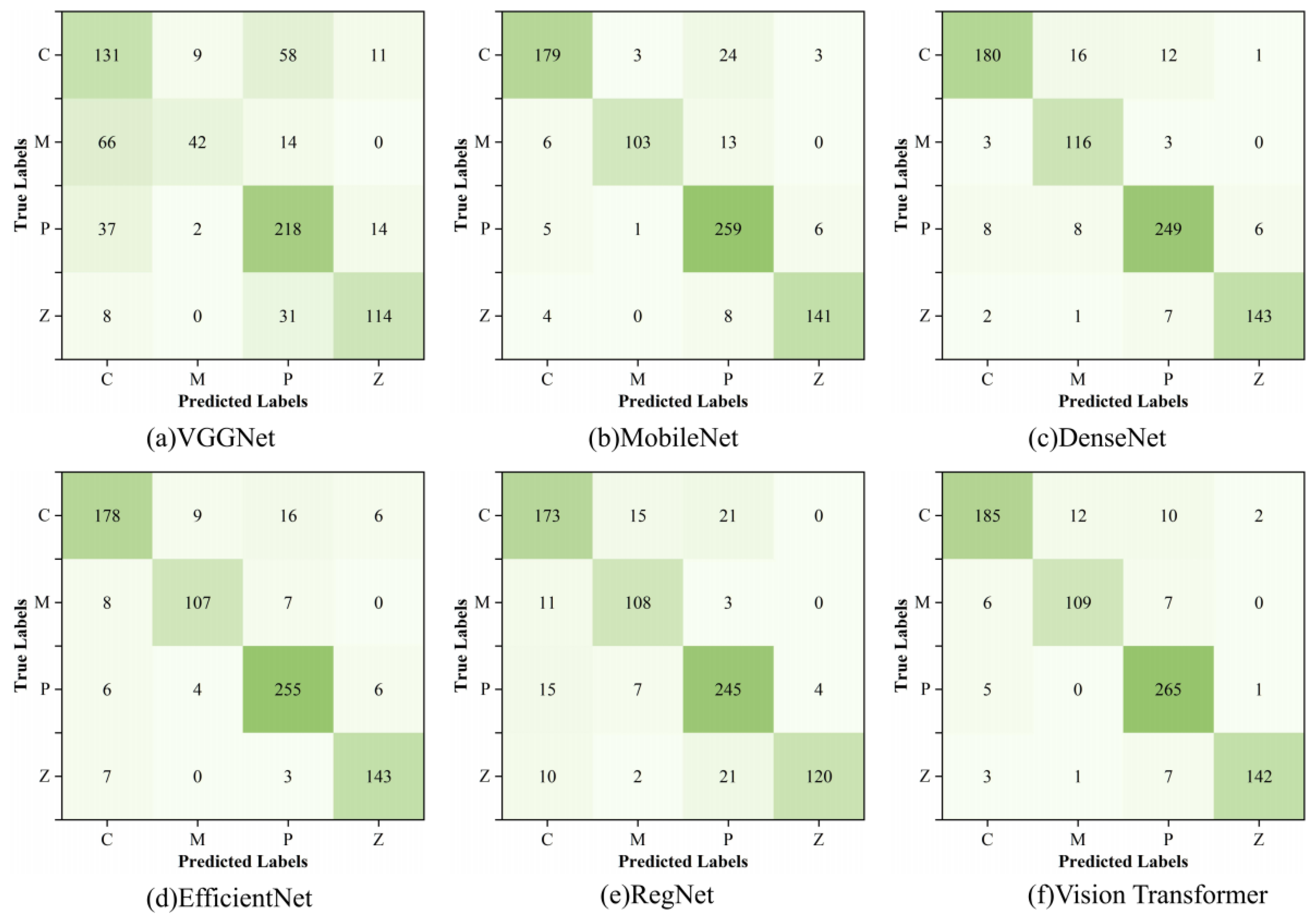
3.3. Results of Comparative Experiment
4. Conclusions
References
- Li, M.; Li, S.; Chen, S.; Meng, Q.; Wang, Y.; Yang, W.; Shi, L.; Ding, F.; Zhu, J.; Ma, R.; et al. Measures for Controlling Gaseous Emissions during Composting: A Review. International Journal of Environmental Research and Public Health 2023, 20, 3587. [CrossRef]
- Chen, D.M.C.; Bodirsky, B.L.; Krueger, T.; Mishra, A.; Popp, A. The world's growing municipal solid waste: trends and impacts. Environ. Res. Lett. 2020, 15, 12. [CrossRef]
- Funari, V.; Dalconi, M.C.; Farnaud, S.; Nawab, J.; Gupta, N.; Yadav, K.K.; Kremser, K.; Toller, S. Modern management options for solid waste and by-products: sustainable treatment and environmental benefits. Front. Environ. Sci. 2024, 12, 3. [CrossRef]
- Khan, M.S.; Mubeen, I.; Yu, C.M.; Zhu, G.J.; Khalid, A.; Yan, M. Waste to energy incineration technology: Recent development under climate change scenarios. Waste Manage. Res. 2022, 40, 1708-1729. [CrossRef]
- Kasinski, S.; Debowski, M. Municipal Solid Waste as a Renewable Energy Source: Advances in Thermochemical Conversion Technologies and Environmental Impacts. Energies 2024, 17, 33. [CrossRef]
- Li, K.; Deng, J.; Zhu, Y.; Zhang, W.Y.; Zhang, T.; Tian, C.; Ma, J.W.; Shao, Y.Y.; Yang, Y.F.; Shao, Y.Q. Utilization of municipal solid waste incineration fly ash with different pretreatments with gold tailings and coal fly ash for environmentally friendly geopolymers. Waste Manage. 2025, 194, 342-352. [CrossRef]
- Tang, J.; Tian, H.; Xia, H. Interval Type-Ⅱ FNN-based Furnace Temperature Control for MSWI Process. Journal of Beijing University of Technology 2025, 51, 1-16.
- Yan, X.; Song, G.W.; Liu, J.Y.; Liu, X.; Wang, H.L.; Hao, Z.P. A comprehensive emission inventory of air pollutants from municipal solid waste incineration in China's megacity, Beijing based on the field measurements. Sci. Total Environ. 2024, 948, 9. [CrossRef]
- Munir, M.T.; Li, B.; Naqvi, M. Revolutionizing municipal solid waste management (MSWM) with machine learning as a clean resource: Opportunities, challenges and solutions. Fuel 2023, 348, 128548. [CrossRef]
- Gao, C.Q.; Bian, R.X.; Li, P.; Yin, C.Y.; Teng, X.; Zhang, J.R.; Gao, S.D.; Niu, Y.T.; Sun, Y.J.; Wang, Y.A.; et al. Analysis of carbon reduction potential from typical municipal solid waste incineration plants under MSW classification. J. Environ. Manage. 2025, 373, 9. [CrossRef]
- Wang, T.Z.; Tang, J.; Aljerf, L.; Qiao, J.F.; Alajlani, M. Emission reduction optimization of multiple flue gas pollutants in Municipal solid waste incineration power plant. Fuel 2025, 381, 21. [CrossRef]
- Zhou, C.; Cao, Y.; Yang, S. Video Based Combustion State Identification for Municipal Solid Waste Incineration⁎⁎The work is supported by the National Key Research and Development Plan (2018YFC0214102) of P. R. China. IFAC-PapersOnLine 2020, 53, 13448-13453. [CrossRef]
- Tang, J.; Wang, T.Z.; Xia, H.; Cui, C.L. An Overview of Artificial Intelligence Application for Optimal Control of Municipal Solid Waste Incineration Process. Sustainability 2024, 16, 41. [CrossRef]
- Duan, H.; Tang, J.; Qiao, J. Recognition of Combustion Condition in MSWI Process Based on Multi-scale Color Moment Features and Random Forest. 2019; pp. 2542-2547. [CrossRef]
- Guo, H.; Tang, J.; Zhang, H.; Wang, D. A method for generating images of abnormal combustion state in MSWI process based on DCGAN. 2021; pp. 1-6. [CrossRef]
- Ding, H.; Tang, J.; Qiao, J. Control Methods of Municipal Solid Wastes Incineration Process: A Survey. 2021; pp. 662-667. [CrossRef]
- Zhang, H.; Meng, X.; Tang, J.; Wang, Z.; Duan, H.; Qiao, J. Recognition of Combustion Conditions in MSWI Process Using Convolutional Neural Network. 2021; pp. 6364-6369. [CrossRef]
- Guo, H.; Tang, J.; Heng, X.; Qiao, J. Construction of Combustion Line Quantification Data Set for Municipal Solid Waste Incineration Process. 2022; pp. 1-6. [CrossRef]
- Tian, H.; Tang, J.; Pan, X.; Xia, H.; Wang, T.; Wang, Z. Combustion State Identification of Municipal Solid Waste Incineration Process Based on VGG19 Depth Feature Migration. 2023; pp. 337-342. [CrossRef]
- Pan, X.; Tang, J.; Xia, H. Flame Combustion State Identification Based on CNN in Municipal Solid Waste Incineration Process. 2023; pp. 1-4. [CrossRef]
- Pan, X.; Tang, J.; Xia, H.; Tian, H.; Wang, T.; Xu, W. Construction of flame image classification criteria and reference database for municipal solid waste incineration process. 2023; pp. 343-348. [CrossRef]
- Pan, X.T.; Tang, J.; Xia, H.; Yu, W.; Qiao, J.F. Combustion state identification of MSWI processes using ViT-IDFC. Eng. Appl. Artif. Intell. 2023, 126, 16. [CrossRef]
- Yang, W.; Tang, J.; Xia, H.; Pang, X.; Cui, C.; Wang, T. Combustion Status Recognition of MSWI process Based on Flame Image by Using YOLOv5. 2024; pp. 2363-2368. [CrossRef]
- Guo, H.T.; Tang, J.; Ding, H.X.; Qiao, J.F. Combustion States Recognition Method of MSWI Process Based on Mixed Data Enhancement. ACTA AUTOMATICA SINICA 2024, 50, 560-575. [CrossRef]
- Hu, Y.; Tang, J.; Pan, X.; Yang, W.; Cui, C.; Wu, Z. Multi-physical feature extraction and selection method for global representation information of flame images in the MSWI process. 2024; pp. 2374-2379. [CrossRef]
- He, K.; Zhang, X.; Ren, S.; Sun, J. Deep Residual Learning for Image Recognition. In Proceedings of the 2016 IEEE Conference on Computer Vision and Pattern Recognition (CVPR), 27-30 June 2016, 2016; pp. 770-778.
- Ouyang, D.; He, S.; Zhang, G.; Luo, M.; Guo, H.; Zhan, J.; Huang, Z. Efficient Multi-Scale Attention Module with Cross-Spatial Learning. 2023; pp. 1-5.
- Wang, K.; Liew, J.H.; Zou, Y.; Zhou, D.; Feng, J. PANet: Few-Shot Image Semantic Segmentation With Prototype Alignment. In Proceedings of the 2019 IEEE/CVF International Conference on Computer Vision (ICCV), 27 Oct.-2 Nov. 2019, 2019; pp. 9196-9205.
- Dai, J.; Qi, H.; Xiong, Y.; Li, Y.; Zhang, G.; Hu, H.; Wei, Y. Deformable Convolutional Networks. In Proceedings of the 2017 IEEE International Conference on Computer Vision (ICCV), 22-29 Oct. 2017, 2017; pp. 764-773.
- Simonyan, K.; Zisserman, A. Very deep convolutional networks for large-scale image recognition. arXiv preprint arXiv:1409.1556 2014. [CrossRef]
- Howard, A.G.; Zhu, M.; Chen, B.; Kalenichenko, D.; Wang, W.; Weyand, T.; Andreetto, M.; Adam, H. MobileNets: Efficient Convolutional Neural Networks for Mobile Vision Applications. ArXiv 2017, abs/1704.04861. [CrossRef]
- Huang, G.; Liu, Z.; Weinberger, K.Q. Densely Connected Convolutional Networks. 2017 IEEE Conference on Computer Vision and Pattern Recognition (CVPR) 2016, 2261-2269.
- Tan, M.; Le, Q. Efficientnet: Rethinking model scaling for convolutional neural networks. In Proceedings of the International conference on machine learning, 2019; pp. 6105-6114.
- Radosavovic, I.; Kosaraju, R.P.; Girshick, R.B.; He, K.; Dollár, P. Designing Network Design Spaces. 2020 IEEE/CVF Conference on Computer Vision and Pattern Recognition (CVPR) 2020, 10425-10433.
- Dosovitskiy, A.; Beyer, L.; Kolesnikov, A.; Weissenborn, D.; Zhai, X.; Unterthiner, T.; Dehghani, M.; Minderer, M.; Heigold, G.; Gelly, S.; et al. An Image is Worth 16x16 Words: Transformers for Image Recognition at Scale. ArXiv 2020, abs/2010.11929. [CrossRef]









| Grate | Amount | Normal | Partial | Channeling | Smoldering | Size |
|---|---|---|---|---|---|---|
| Left | 3289 | 655 | 1176 | 1044 | 414 | 720×576 |
| Right | 2685 | 564 | 1002 | 534 | 585 | 720×576 |
| Name | Details | EMA | DMAT | CFFM | Acc | Pre | Rec | F1 |
|---|---|---|---|---|---|---|---|---|
| Network1 | Resnet50 | 0.9192 | 0.9145 | 0.9250 | 0.9197 | |||
| Network2 | Resnet50+EMA | √ | 0.9285 | 0.9265 | 0.9305 | 0.9285 | ||
| Network3 | Resnet50+DMAT | √ | 0.9232 | 0.9259 | 0.9270 | 0.9264 | ||
| Network4 | Resnet50+CFFM | √ | 0.9219 | 0.9202 | 0.9255 | 0.9228 | ||
| Network5 | Resnet50+EMA+DMAT | √ | √ | 0.9483 | 0.9508 | 0.9453 | 0.9480 | |
| Network6 | Resnet50+EMA+CFFM | √ | √ | 0.9523 | 0.9518 | 0.9513 | 0.9515 | |
| Network7 | Resnet50+DMAT+CFFM | √ | √ | 0.9364 | 0.9409 | 0.9363 | 0.9386 | |
| Network8 | M³RTNet | √ | √ | √ | 0.9616 | 0.9615 | 0.9607 | 0.9611 |
| Name | Acc | Pre | Rec | F1 |
|---|---|---|---|---|
| VGGNet [30] | 0.9192 | 0.9145 | 0.9250 | 0.9197 |
| MobileNet [31] | 0.9285 | 0.9265 | 0.9305 | 0.9285 |
| DenseNet [32] | 0.9232 | 0.9259 | 0.9270 | 0.9264 |
| EfficientNet [33] | 0.9219 | 0.9202 | 0.9255 | 0.9228 |
| RegNet [34] | 0.9483 | 0.9508 | 0.9453 | 0.9480 |
| ViT [35] | 0.9523 | 0.9518 | 0.9513 | 0.9515 |
| M³RTNet | 0.9364 | 0.9409 | 0.9363 | 0.9386 |
Disclaimer/Publisher’s Note: The statements, opinions and data contained in all publications are solely those of the individual author(s) and contributor(s) and not of MDPI and/or the editor(s). MDPI and/or the editor(s) disclaim responsibility for any injury to people or property resulting from any ideas, methods, instructions or products referred to in the content. |
© 2025 by the authors. Licensee MDPI, Basel, Switzerland. This article is an open access article distributed under the terms and conditions of the Creative Commons Attribution (CC BY) license (http://creativecommons.org/licenses/by/4.0/).