Submitted:
03 October 2024
Posted:
04 October 2024
You are already at the latest version
Abstract
Keywords:
Introduction
1. Model Design and Methods
1.1. SSPWMW-VRR Structure and Components
1.2. Optimization of Winding Turns Using Particle Swarm Optimization
- The inner product between the sine and cosine windings must be zero to ensure orthogonality.
- The sum of the winding turns over a complete cycle must be zero for both windings to preserve symmetry.
- The number of positive and negative turns must be balanced to maintain the symmetry of the induced signal.
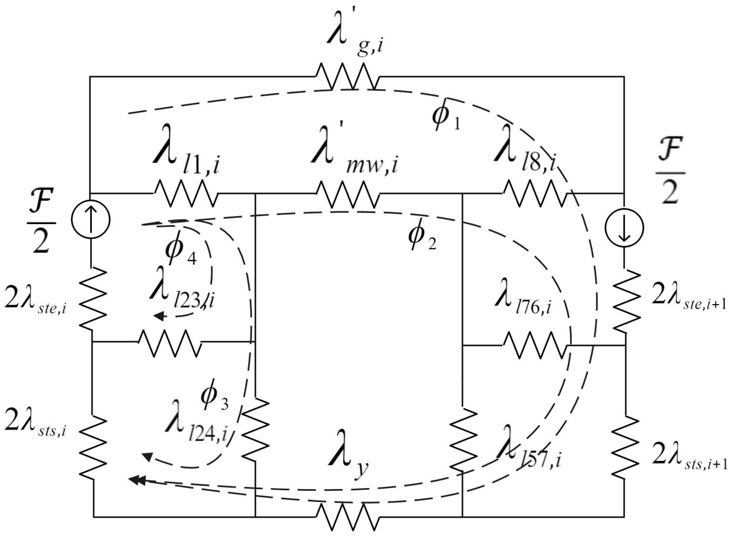
1.3. Analysis of Slot Leakage Flux Using Magnetic Equivalent Circuit
- Accurate Simulation: It provides a precise simulation of the magnetic behavior, capturing complex interactions between the stator, rotor, and magnetic slot wedge.
- Key Input for Machine Learning: The insights gained from MEC analysis, including flux densities and inductance variations, serve as critical features for machine learning models that will be used in later stages to optimize the stator slot design.
- Complementary to PSO: The optimized winding configuration obtained from PSO is further refined through MEC, which identifies how the magnetic circuit behaves with these optimized windings. This sequential approach ensures that both winding and magnetic circuit optimizations are aligned.
1.4. Stator Slot Shape Optimization Using Machine Learning
1.4.1. Simulation System Framework
- Inner Layer (Simulation Layer): This layer is powered by CST Studio Suite and Opera FEA software, where detailed electromagnetic simulations of the VRR are performed. These simulations provide foundational data regarding key parameters such as magnetic flux density distribution, field lines, and other electromagnetic characteristics, which serve as critical inputs for the machine learning models. The data collected at this stage is crucial for the training and validation of machine learning algorithms.
- Middle Layer (Data Processing and Feature Extraction): In this layer, data generated from FEA and MEC simulations are processed and decoded using Python scripts. This step is responsible for extracting relevant electromagnetic features, such as flux density values and slot leakage flux behavior, which are then transformed into a format suitable for machine learning models. The processed data is essential for creating the input features and target variables for the predictive models.
- Outer Layer (Machine Learning and Optimization): This layer is where machine learning models, specifically XGBoost and MLP, are trained on the data extracted from the previous layers. The models are used to predict the impact of various stator slot shapes on resolver accuracy, allowing for rapid evaluation and optimization of slot parameters. Machine learning provides insights into the optimal slot configurations, enhancing resolver performance without requiring extensive trial-and-error physical tests.
1.4.2. Machine Learning Models: XGBoost and Multi-Layer Perceptron (MLP)
- Data Preparation: Electromagnetic data from FEA and MEC simulations are compiled into a comprehensive dataset. This dataset includes key features such as stator slot width, jaw width, and slot wedge thickness, as well as target variables like magnetic flux densities, torque ripple values, and induced voltage errors. The dataset is then divided into training and testing sets to facilitate model training and evaluation.
- XGBoost Model Training: XGBoost is employed to model the non-linear relationships between stator slot parameters and resolver performance. The model is trained using the dataset, with hyperparameters such as learning rate and tree depth optimized via Grid Search. XGBoost is particularly useful for quickly assessing the impact of individual slot parameters on performance, providing feature importance rankings that guide further optimizations.
- Multi-Layer Perceptron Model Training: For more complex parameter interactions, a Multi-Layer Perceptron (MLP) is employed. The MLP is trained using backpropagation and the Adam optimizer, with multiple hidden layers to capture intricate relationships between slot shape and resolver accuracy. Neural networks are particularly effective in cases where the data exhibits high-dimensional, non-linear dependencies, making them a powerful tool for refining stator slot designs.
- Model Validation and Comparison: After training, both models are evaluated on the test dataset. Metrics such as Mean Absolute Error (MAE) and Root Mean Square Error (RMSE) are used to compare their performance. While XGBoost offers faster training times and immediate insights into parameter importance, MLP provides deeper insights into more complex patterns, yielding higher accuracy in certain cases. The results from both models are then validated against the FEA simulations to ensure their reliability.
1.5. Integrated Optimization Framework
- XGBoost excels in handling non-linear relationships between stator slot parameters and resolver performance. Its feature importance analysis identifies which slot parameters most significantly affect the resolver’s accuracy, making it particularly effective for rapid, iterative design adjustments.
- Multi-Layer Perceptron (MLP) are used to capture more complex, deep interactions between the slot parameters. By training the MLP model on the same dataset, it uncovers intricate patterns that may not be apparent in simpler models, providing a more nuanced optimization of the resolver design.
2. Experimental Design and Results Analysis
2.1. PSO Results and Winding Turn Optimization
- 1-Pole, 10-Slot Configuration: The PSO results for the 1-pole, 10-slot configuration identified five values where the inner product equals zero and the sum of positive and negative turns is perfectly balanced (i.e., the sum is zero). This suggests that achieving orthogonality and symmetry is more straightforward in odd-pole configurations like the 1-pole setup.
- 2-Pole, 10-Slot Configuration: For the 2-pole, 10-slot configuration, two values resulted in zero inner product and balanced positive and negative winding turns. However, there was also one case where the inner product was zero, but the positive and negative turns were not balanced, indicating an imbalance in the winding distribution. This suggests that while even-pole configurations can achieve orthogonality, they are more prone to winding turn imbalances.
- 3-Pole, 10-Slot Configuration: In the 3-pole, 10-slot configuration, similar to the 1-pole case, five values were found where both the inner product was zero and the positive and negative turns were balanced. The results reinforce the observation that odd-pole configurations have a higher likelihood of achieving both orthogonality and symmetry.
- 4-Pole, 10-Slot Configuration: For the 4-pole, 10-slot configuration, two values resulted in both zero inner product and balanced winding turns, while one case exhibited zero inner product but an imbalance between the positive and negative turns. This pattern is consistent with the 2-pole configuration, where even-pole configurations tend to face more challenges in achieving winding symmetry.
2.2. MEC Analysis and Slot Leakage Flux Optimization
| Parameter | Definition | Value | Unit |
|---|---|---|---|
| L | Core stack length | 7.0 | mm |
| Stator outer diameter | 37.0 | mm | |
| Stator inner diameter | 10 | mm | |
| Air-gap length factor | 1.5 | mm | |
| Air-gap shape factor | 0.65 | mm | |
| Number of Pole Pairs | 4 | ||
| Number of Slots | 10 | ||
| Iron relative permeability | 5000 | ||
| Permalloy relative permeability | 20000 | ||
| Excitation winding parameter | 15 | ||
| Signal winding sine distribution parameter | 58.7 | ||
| Ex Winding length | 2.0 | mm | |
| Signal Winding length | 3.0 | mm | |
| Magnetic slot wedge thickness | 0.05 | mm | |
| Magnetic slot wedge width | 1.4 | mm | |
| Magnetic slot wedge distance from slot opening | 0 | mm |
2.3. Electromagnetic Field Simulation and Dataset Construction
2.3.1. Simulation Process and Parameter Selection
- Input Parameter Variations: We systematically varied key stator slot dimensions to generate multiple resolver designs. The parameters were adjusted based on the ranges and step sizes outlined in Table 2.
- FEA Simulation: Each design configuration was evaluated using FEA simulations, providing detailed analyses of electromagnetic behavior, including magnetic flux distribution and performance metrics such as torque ripple and induced voltage.
- Data Collection: The simulation results were compiled into a dataset containing both the input parameters (stator slot dimensions) and the output performance metrics (e.g., magnetic flux densities, torque ripple, induced voltage waveforms, and position errors).
2.3.2. Dataset Construction and Analysis
- Error Distribution: The error distribution, shown in Figure 11, provides insight into the spread and frequency of different error magnitudes. By identifying prevalent error ranges, this analysis helps highlight areas that require further optimization.
- Parameter Correlations: The correlation heatmap (Figure 11) highlights relationships between key stator slot parameters and resolver errors. Understanding these correlations enables efficient prediction of how changes in one parameter affect others, influencing overall resolver accuracy.
-
Parameter Relationships: The scatter plot matrix (Figure 12) illustrates pairwise relationships between the stator slot parameters. This analysis helps identify patterns and interactions that may significantly influence resolver performance.These insights formed the basis for the machine learning model development, revealing key parameters that influence resolver performance. By leveraging this dataset, the optimization of stator slot designs is guided by both empirical data and machine learning predictions to enhance resolver accuracy.
2.4. Machine Learning-Based Stator Slot Shape Optimization
2.4.1. XGBoost Model for Error Prediction
- Stator Slot Dimensions: Slot width (), jaw width (), and slot wedge thickness ().
- Winding Spacings: Spacing between signal and excitation windings (), spacing between excitation winding and stator inner diameter (), and spacing between slot wedge and stator inner diameter ().
2.4.2. Multi-Layer Perceptron for Complex Parameter Optimization
- Input Layer: Six neurons corresponding to the six slot design parameters (, , , , , and ).
- Hidden Layers: The number of neurons and layers was optimized using GridSearchCV.
- Output Layer: A single neuron representing the position error.
2.4.3. Model Performance Comparison and FEA Validation
- XGBoost Model: Demonstrated faster training and prediction times, efficiently handling the dataset and providing clear feature contribution insights. It is especially effective for capturing simple relationships between parameters and outputs.
- MLP Model: Exhibited superior performance in modeling more complex nonlinear interactions among parameters. However, it required longer training times and greater computational resources.
- Reduction in position errors.
- Enhanced signal orthogonality.
- Lower harmonic distortion in induced voltages.
2.4.4. Experimental Results and Discussion
3. Conclusions
Author Contributions
Funding
Institutional Review Board Statement
Informed Consent Statement
Data Availability Statement
Conflicts of Interest
Abbreviations
| VRRs | Variable Reluctance Resolvers |
| EVs | Electric Vehicles |
| PMSMs | Permanent Magnet Synchronous Motors |
| FEA | Finite Element Analysis |
| AI | Artificial Intelligence |
| ML | Machine Learning |
| NSGA-II | Non-dominated Sorting Genetic Algorithm II |
| XGBoost | Extreme Gradient Boosting |
| SSPWMW | Segmented Sinusoidal Parameter Winding with Magnetic Wedge |
| PSO | Particle Swarm Optimization |
| MEC | Magnetic Equivalent Circuit |
| PCB | Printed Circuit Board |
| NN | Neural Networks |
| MLP | Multi-Layer Perceptron |
| DNN | Deep Neural Network |
| MAE | Mean Absolute Error |
| RMSE | Root Mean Square Error |
| MSE | Mean Squared Error |
| SGD | Stochastic Gradient Descent |
References
- Ge, X.; Zhu, Z.Q.; Ren, R.; Chen, J.T. A Novel Variable Reluctance Resolver for HEV/EV Applications. IEEE Transactions on Industry Applications 2016, 52, 2872–2880. [Google Scholar] [CrossRef]
- Kim, K.C.; Hwang, S.J.; Sung, K.Y.; Kim, Y. A study on the fault diagnosis analysis of variable reluctance resolver for electric vehicle. SENSORS, 2010 IEEE, 2010, pp. 290–295. [CrossRef]
- Kim, K.C. Analysis on the Charateristics of Variable Reluctance Resolver Considering Uneven Magnetic Fields. IEEE Transactions on Magnetics 2013, 49, 3858–3861. [Google Scholar] [CrossRef]
- Kim, J.; Lee, C. Angular position error detection of variable reluctance resolver using simulation-based approach. International Journal of Automotive Technology 2013, 14, 651–658. [Google Scholar] [CrossRef]
- Tootoonchian, F. Design and Optimization of a Multi-Turn Variable Reluctance Resolver. IEEE Sensors Journal 2019, 19, 7275–7282. [Google Scholar] [CrossRef]
- Neidig, N.; Wanke, A.; Werner, Q.; Doppelbauer, M. Influence of a variable reluctance resolver on an E-motor-system. 2016 18th European Conference on Power Electronics and Applications (EPE’16 ECCE Europe), 2016, pp. 1–10. [CrossRef]
- Xiao, L.; Li, Z.; Bi, C. Optimization of a Reluctance Resolver. 2018 Asia-Pacific Magnetic Recording Conference (APMRC), 2018, pp. 1–2. [CrossRef]
- Nasiri-Gheidari, Z.; Alipour-Sarabi, R.; Tootoonchian, F.; Zare, F. Performance Evaluation of Disk Type Variable Reluctance Resolvers. IEEE Sensors Journal 2017, 17, 4037–4045. [Google Scholar] [CrossRef]
- Tootoonchian, F. Proposal of new windings for 5-X variable reluctance resolvers. IET Science, Measurement & Technology 2018. [Google Scholar] [CrossRef]
- Tolstykh, O.A.; Balkovoi, A.P.; Tiapkin, M.G.; Markov, A.S. Research and development of the 4X-variable reluctance resolver. 2016 IEEE NW Russia Young Researchers in Electrical and Electronic Engineering Conference (EIConRusNW), 2016, pp. 704–709. [CrossRef]
- Sun, L.; Lu, Y. Rotor-position Sensing System based on one type of Variable-reluctance Resolver. IECON 2006 - 32nd Annual Conference on IEEE Industrial Electronics, 2006, pp. 1162–1165. [CrossRef]
- Mao, F.; Du, L.; Gu, J.; Jin, L.; Xu, Z. Study on Structure Parameters Optimization of Reluctance Resolver. 2018 21st International Conference on Electrical Machines and Systems (ICEMS), 2018, pp. 2829–2833. [CrossRef]
- Shang, J.; Liu, C.; Zou, J. The analysis for new axial variable reluctance resolver with air-gap complementary structure. 2009 International Conference on Electrical Machines and Systems, 2009, pp. 1–6. [CrossRef]
- Hanselman, D.; Thibodeau, R.; Smith, D. Variable-reluctance resolver design guidelines. 15th Annual Conference of IEEE Industrial Electronics Society, 1989, pp. 203–208 vol.1. [CrossRef]
- Sun, L. Analysis and Improvement on the Structure of Variable Reluctance Resolvers. IEEE Transactions on Magnetics 2008, 44, 2002–2008. [Google Scholar] [CrossRef]
- Ge, X.; Zhu, Z.Q.; Ren, R.; Chen, J.T. Analysis of Windings in Variable Reluctance Resolver. IEEE Transactions on Magnetics 2015, 51, 1–10. [Google Scholar] [CrossRef]
- Hanselman, D. Resolver signal requirements for high accuracy resolver-to-digital conversion. IEEE Transactions on Industrial Electronics 1990, 37, 556–561. [Google Scholar] [CrossRef]
- Hanselman, D. Signal processing techniques for improved resolver-to-digital conversion accuracy. [Proceedings] IECON ’90: 16th Annual Conference of IEEE Industrial Electronics Society, 1990, pp. 6–10 vol.1. [CrossRef]
- Li, W.T.; Huang, S.R. Variable-reluctance resolver rotor design based on FEA and Matlab co-simulation. 2015 IEEE International Conference on Applied Superconductivity and Electromagnetic Devices (ASEMD), 2015, pp. 238–239. [CrossRef]
- Qian, Z.; Qi, L.; Li, G.; Deng, W.; Sun, Z.; Chen, Q. Analysis of Vibration and Noise in Electric Drive System Under Resolver and Motor Rotor Coupling Eccentricity. IEEE Transactions on Transportation Electrification 2024, 10, 1827–1836. [Google Scholar] [CrossRef]
- Saneie, H.; Nasiri-Gheidari, Z.; Tootoonchian, F. Accuracy Improvement in Variable Reluctance Resolvers. IEEE Transactions on Energy Conversion 2019, 34, 1563–1571. [Google Scholar] [CrossRef]
- Li, Z.; Xiao, L.; Bi, C. Frequency Domain Finite-Element Analysis of Variable Reluctance Resolver. 2018 Asia-Pacific Magnetic Recording Conference (APMRC), 2018, pp. 1–2. [CrossRef]
- Tootoonchian, F. Proposal of new windings for 5-X variable reluctance resolvers. IET Science, Measurement & Technology 2018, 12, 651–656. [Google Scholar] [CrossRef]
- Qu, R.; Lipo, T. Analysis and modeling of airgap & zigzag leakage fluxes in a surface-mounted-PM machine. Conference Record of the 2002 IEEE Industry Applications Conference. 37th IAS Annual Meeting (Cat. No.02CH37344), 2002, Vol. 4, pp. 2507–2513. [CrossRef]
- Saed, N.; Asgari, S.; Mirsalim, M. Zigzag leakage flux modeling in permanent magnet machines with cylindrical magnets. 2018 9th Annual Power Electronics, Drives Systems and Technologies Conference (PEDSTC), 2018, pp. 95–98. [CrossRef]
- JAWAD FAIZ, I.T.; SHARIFI-GHAZVINI, E. A Precise Electromagnetic Modeling and Performance Analysis of a Three-Phase Squirrel-Cage Induction Motor under Mixed Eccentricity Condition. Electromagnetics 2004, 24, 471–489. [Google Scholar] [CrossRef]
- Ge, X.; Zhu, Z.Q. A Novel Design of Rotor Contour for Variable Reluctance Resolver by Injecting Auxiliary Air-Gap Permeance Harmonics. IEEE Transactions on Energy Conversion 2016, 31, 345–353. [Google Scholar] [CrossRef]
- Ismail, M.M.; Xu, W.; Wang, X.; Junejo, A.K.; Liu, Y.; Dong, M. Analysis and Optimization of Torque Ripple Reduction Strategy of Surface-Mounted Permanent-Magnet Motors in Flux-Weakening Region Based on Genetic Algorithm. IEEE Transactions on Industry Applications 2021, 57, 4091–4106. [Google Scholar] [CrossRef]
- Akbari, M.; Rezaei-Zare, A.; Cheema, M.A.M.; Kalicki, T. Air Gap Inductance Calculation for Transformer Transient Model. IEEE Transactions on Power Delivery 2021, 36, 492–494. [Google Scholar] [CrossRef]
- Maramba Gamage, D.; Ranasinghe, M.; Dinavahi, V. Application of Artificial Intelligence Techniques on Computational Electromagnetics for Power System Apparatus: An Overview. IEEE Open Access Journal of Power and Energy 2024, 11, 130–140. [Google Scholar] [CrossRef]
- Raia, M.R.; Ruba, M.; Nemes, R.O.; Martis, C. Artificial Neural Network and Data Dimensionality Reduction Based on Machine Learning Methods for PMSM Model Order Reduction. IEEE Access 2021, 9, 102345–102354. [Google Scholar] [CrossRef]
- Hsieh, M.F.; Lin, L.H.; Huynh, T.A.; Dorrell, D. Development of Machine Learning-Based Design Platform for Permanent Magnet Synchronous Motor Toward Simulation Free. IEEE Transactions on Magnetics 2023, 59, 1–5. [Google Scholar] [CrossRef]
- Liu, F.; Wang, X.; Wei, H. Electromagnetic Performance Analysis, Prediction, and Multiobjective Optimization for U-Type IPMSM. IEEE Trans. Ind. Electron. 2024, 71, 10322–10334. [Google Scholar] [CrossRef]
- Jastrzębski, M.; Kabziński, J. Approximation of Permanent Magnet Motor Flux Distribution by Partially Informed Neural Networks. Energies 2021, 14. [Google Scholar] [CrossRef]
- Buettner, M.A.; Monzen, N.; Hackl, C.M. Artificial Neural Network Based Optimal Feedforward Torque Control of Interior Permanent Magnet Synchronous Machines: A Feasibility Study and Comparison with the State-of-the-Art. Energies 2022, 15. [Google Scholar] [CrossRef]
- Bae, S.B.; Choi, D.S.; Min, S.G. Artificial Hunting Optimization: A Novel Method for Design Optimization of Permanent Magnet Machines. IEEE Transactions on Transportation Electrification 2024, 10, 3305–3319. [Google Scholar] [CrossRef]
- Pan, Z.; Fang, S. Combined Random Forest and NSGA-II for Optimal Design of Permanent Magnet Arc Motor. IEEE J. Emerg. Sel. Top. Power Electron. 2022, 10, 1800–1812. [Google Scholar] [CrossRef]
- Wang, X.; Wang, Y.; Wu, T. The Review of Electromagnetic Field Modeling Methods for Permanent-Magnet Linear Motors. Energies 2022, 15. [Google Scholar] [CrossRef]
- Jim Hassan, T.; Jangula, J.; Ramchandra, A.R.; Sugunaraj, N.; Chandar, B.S.; Rajagopalan, P.; Rahman, F.; Ranganathan, P.; Adams, R. UAS-Guided Analysis of Electric and Magnetic Field Distribution in High-Voltage Transmission Lines (Tx) and Multi-Stage Hybrid Machine Learning Models for Battery Drain Estimation. IEEE Access 2024, 12, 4911–4939. [Google Scholar] [CrossRef]
- Alharkan, H. Torque Ripple Minimization of Variable Reluctance Motor Using Reinforcement Dual NNs Learning Architecture. Energies 2023, 16. [Google Scholar] [CrossRef]
- Li, C.; Wang, G.; Zhang, G.; Zhao, N.; Gao, Y.; Xu, D. Torque Ripples Minimization of Sensorless SynRM Drives for Low-Speed Operation Using Bi-HFSI Scheme. IEEE Transactions on Industrial Electronics 2021, 68, 5559–5570. [Google Scholar] [CrossRef]
- Kamali, T.; Stashuk, D.W. Transparent Electrophysiological Muscle Classification From EMG Signals Using Fuzzy-Based Multiple Instance Learning. IEEE Transactions on Neural Systems and Rehabilitation Engineering 2020, 28, 842–849. [Google Scholar] [CrossRef]
- Benninger, M.; Liebschner, M.; Kreischer, C. Fault Detection of Induction Motors with Combined Modeling- and Machine-Learning-Based Framework. Energies 2023, 16. [Google Scholar] [CrossRef]
- Murphey, Y.L.; Masrur, M.; Chen, Z.; Zhang, B. Model-based fault diagnosis in electric drives using machine learning. IEEE/ASME Transactions on Mechatronics 2006, 11, 290–303. [Google Scholar] [CrossRef]






















| Parameter | Range (mm) | Step Size (mm) |
|---|---|---|
| Slot width () | 1.0–5.0 | 0.5 |
| Jaw width () | 1.5–3.5 | 0.5 |
| Spacing between signal and excitation windings () | 0.5-1.5 | 0.5 |
| Spacing between excitation winding and stator ID () | 0.0-0.5 | 0.1 |
| Spacing between slot wedge and stator ID () | 0.0-1.2 | 0.4 |
| Slot wedge width () | 0.5–2.0 | 0.2 |
Disclaimer/Publisher’s Note: The statements, opinions and data contained in all publications are solely those of the individual author(s) and contributor(s) and not of MDPI and/or the editor(s). MDPI and/or the editor(s) disclaim responsibility for any injury to people or property resulting from any ideas, methods, instructions or products referred to in the content. |
© 2024 by the authors. Licensee MDPI, Basel, Switzerland. This article is an open access article distributed under the terms and conditions of the Creative Commons Attribution (CC BY) license (http://creativecommons.org/licenses/by/4.0/).