Submitted:
03 October 2024
Posted:
04 October 2024
You are already at the latest version
Abstract
Keywords:
1. Introduction
2. Experimental Procedure and Methodology
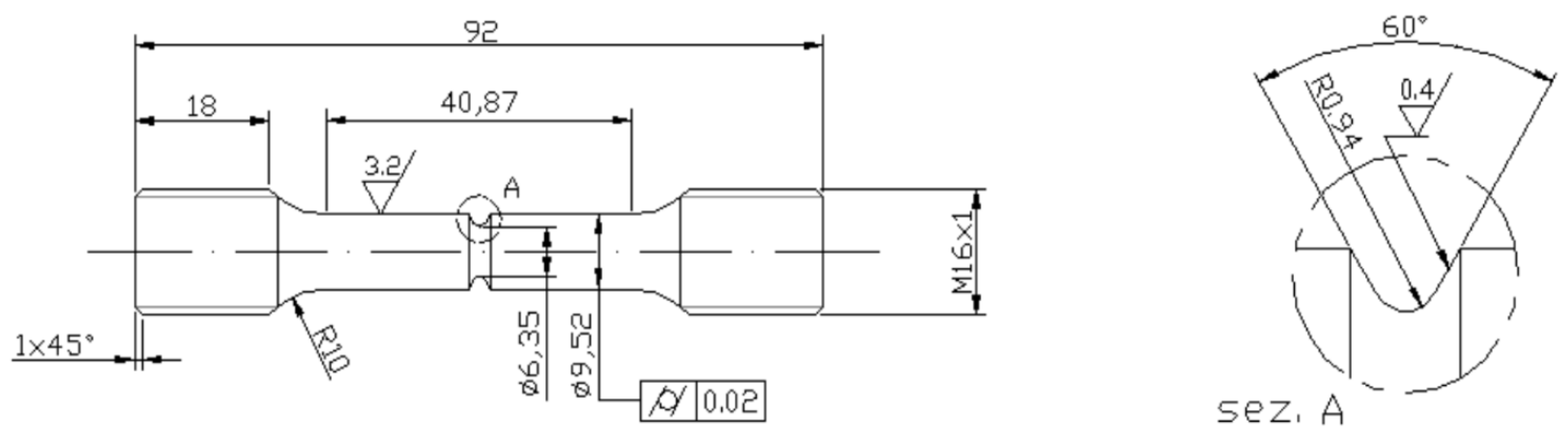
2.1. Material and Specimen
2.2. Crystal Plasticity
2.3. Lifetime Assessment
2.3.1. Critical Stress Determination
2.3.2. Modified Fatigue Damage Law
2.3.3. Artificial Neural Networks (ANNs)
2.3.4. Finite Element Model of the Nothced Specimen
3. Results and Discussion
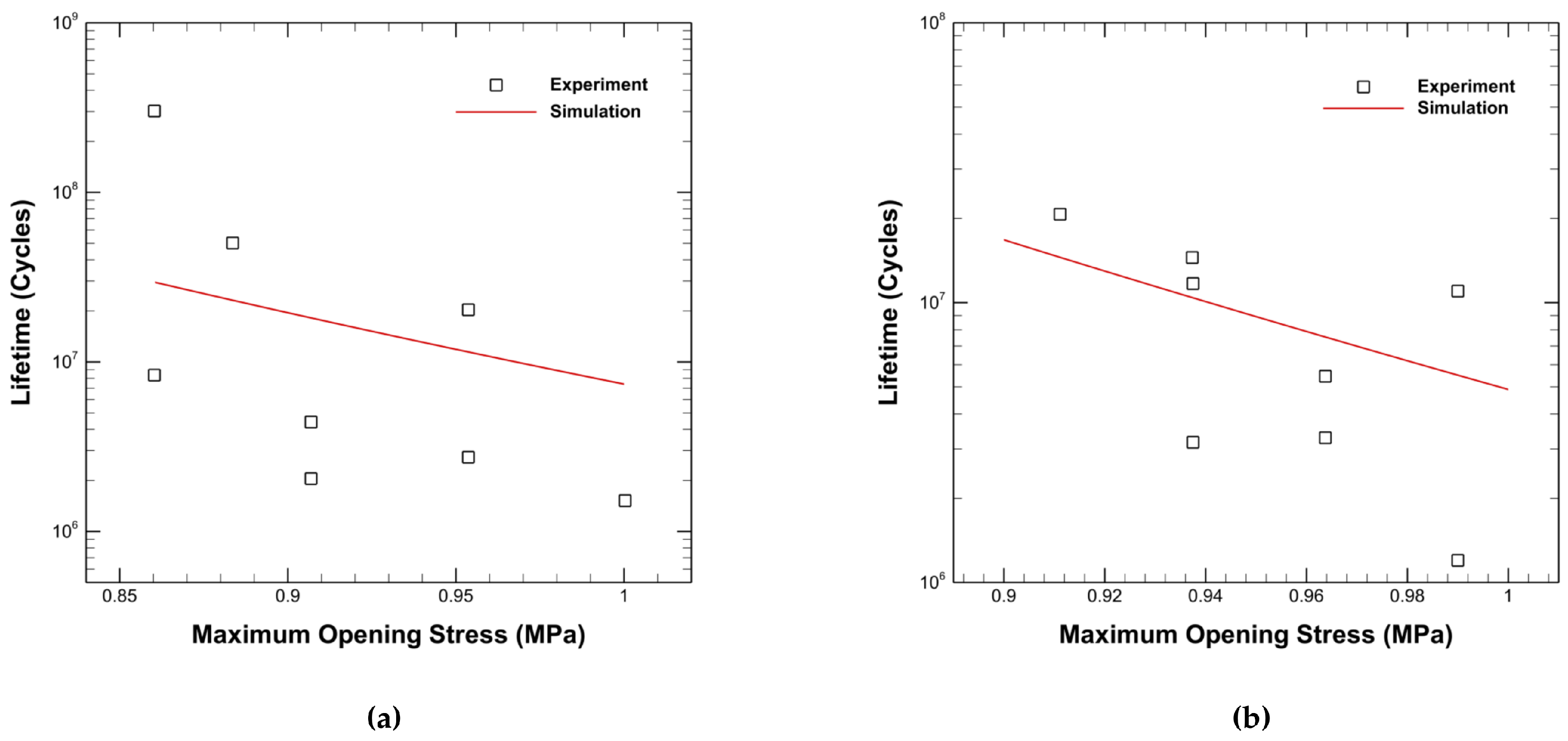
3.1. Lifetime Prediction of the Notched Specimen at C
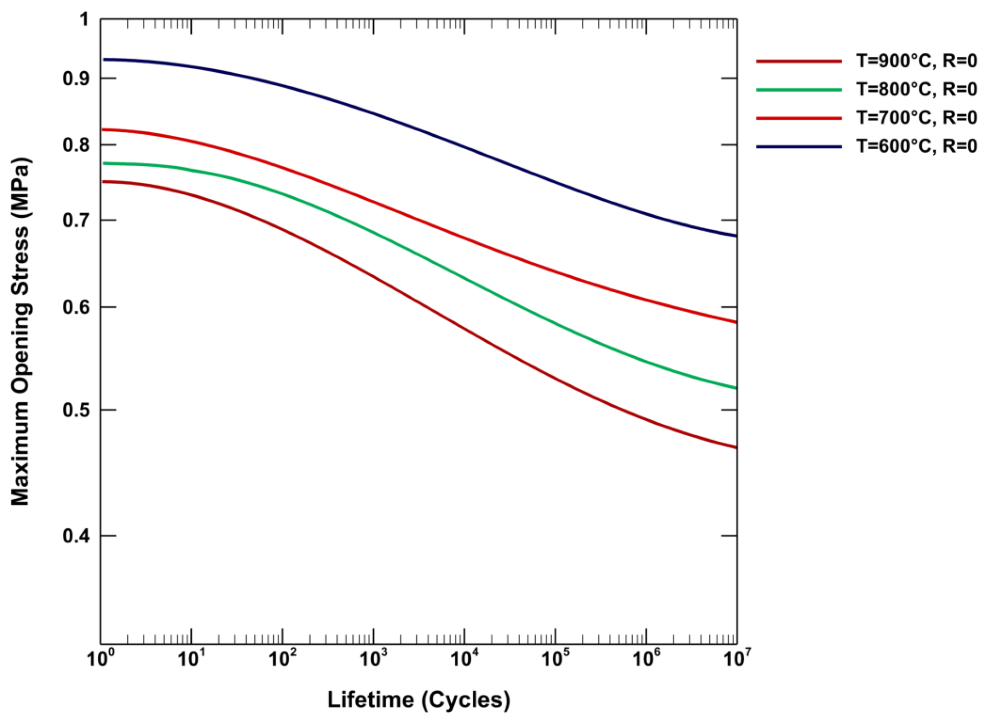
3.2. Fatigue Curve Predictions with Artificial Neural Networks
3.2.1. Training Dataset and ANN Configuration
4. Conclusions
Author Contributions
Funding
Data Availability Statement
Acknowledgments
Conflicts of Interest
References
- Shi, Z.; Shi, X.Z.; Wang, X.; Liu, S.; Li, J. Low cycle fatigue properties and microstructure evolution at 760°C of a single crystal superalloy. Prog. Nat. Sci. Mater. Int. 2015, 25, 78–83. [Google Scholar] [CrossRef]
- Wang, R.; Wang, B.R.; Zhang, B.; Hu, D.; Jiang, K.; Hao, X.; Mao, J.; Jing, F. In-phase thermomechanical fatigue lifetime prediction of nickel-based single crystal superalloys from smooth specimens to notched specimens based on coupling damage on critical plane. Int. J. Fatigue 2019, 126, 327–334. [Google Scholar] [CrossRef]
- Riccius, J.; Zametaev, E. HCF and LCF Analysis of a Generic Full Admission Turbine Blade. Aerospace 2023, 10, 154. [Google Scholar] [CrossRef]
- Hou, J.; Hou, B.J.J.; Wicks, B.J.; Antoniou, R.A. An investigation of fatigue failures of turbine blades in a gas turbine engine by mechanical analysis. Eng. Fail. Anal. 2002, 9, 201–211. [Google Scholar] [CrossRef]
- Kalluri, S.; Mcgaw, M.A. S. Kalluri and M. A. Mcgaw, "Effect of Tensile Mean Stress on Fatigue Behavior of Single-Crystal and Directionally Solidified Superalloys. NASA Tech. Memo. 1990, 103644. [Google Scholar]
- Arakere, N.K.; Swanson, G. Effect of crystal orientation on fatigue failure of single crystal nickel base turbine blade superalloys. J. Eng. Gas Turbines Power 2002, 124, 161–176. [Google Scholar] [CrossRef]
- Hong, H.U.; Hong, J.G.H.U.; Kang, J.G.; Choi, B.G.; Kim, I.S.; Yoo, Y.S.; Jo, C.Y. A comparative study on thermomechanical and low cycle fatigue failures of a single crystal nickel-based superalloy. Int. J. Fatigue 2011, 33, 1592–1599. [Google Scholar] [CrossRef]
- Okazaki, M.; Sakaguchi, M. M. Okazaki and M. Sakaguchi, "Thermo-mechanical fatigue failure of a single crystal Ni-based superalloy. Int. J. Fatigue 2008, 30, 318–323. [Google Scholar] [CrossRef]
- Yu, Y.; Yu, S.P.Y.; Zhu, S.P.; Liu, Q.; Liu, Y. A new energy-critical plane damage parameter for multiaxial fatigue life prediction of turbine blades. Materials 2017, 10, 513. [Google Scholar] [CrossRef]
- Aslan, O. Numerical modeling of fatigue crack growth in single crystal nickel-based superalloys. Ph.D. dissertation, Ecole Nationale Supérieure des Mines de Paris, 2010.
- Brown, M.W.; Miller, K.J. A theory for fatigue failure under multiaxial stress-strain conditions. Proc. Inst. Mech. Eng. 1973, 745. [Google Scholar] [CrossRef]
- Bourbita, F.; Rémy, L. A combined critical distance and energy density model to predict high temperature fatigue life in notched single crystal superalloy members. Int. J. Fatigue 2016, 84, 17–27. [Google Scholar] [CrossRef]
- Levkovitch, V.; Levkovitch, R.V.; Sievert, R.; Svendsen, B. Simulation of deformation and lifetime behavior of a fcc single crystal superalloy at high temperature under low-cycle fatigue loading. Int. J. Fatigue 2006, 28, 1791–1802. [Google Scholar] [CrossRef]
- Samavatian, V.; Samavatian, M.V.; Fotuhi-Firuzabad, M.; Samavatian, M.; Dehghanian, P.; Blaabjerg, F. Correlation-driven machine learning for accelerated reliability assessment of solder joints in electronics. Scientific Reports, 10, no. 1, Nature Publishing Group, 2020. [CrossRef]
- George, A.; George, J.A.; Zipprich, J.; Breitenbach, M.; Klingler, M.; Nowottnick, M. Reliability investigation of large area solder joints in power electronics modules and its simulative representation. Microelectron. Reliab. 2018, 88–90, 762–767. [Google Scholar] [CrossRef]
- Predictive methods for combined cycle fatigue in gas turbine blades. Final Project Report AST5-CT-2006-030889, European Commission—6th RTD Framework Program. 2012.
- Cailletaud, G. Une approche micromécanique phénoménologique du comportement inélastique des métaux," Ph.D. dissertation, Paris 6-Jussieu, 1987.
- Meric, L.; Meric, P.L.; Poubanne, P.; Cailletaud, G. Single Crystal Modeling for Structural Calculations: Part 1-Model Presentation. Eng. Mater. Technol. 1991, 113, 162. [Google Scholar] [CrossRef]
- Chaboche, J.L.; Lemaitre, J. Mechanics of Solid Materials, 1990.
- Donahue, R.J.; Donahue, H.M.R.J.; Clark, H.M.; Atanmo, P.; Kumble, R.; McEvily, A.J. Crack Opening Displacement and The Rate of Fatigue Crack Growth. Int. J. Fract. Mech. 1972, 8. [Google Scholar] [CrossRef]
- Hoshidet, T.; Socies, D.F. Mechanics of mixed mode small fatigue crack growth. Eng. Fract. Mech. 1987, 26, 841–850. [Google Scholar] [CrossRef]
- Lankford, J.; Lankford, D.L.J.; Davidson, D.L.; Chan, K.S. The Influence of Crack Tip Plasticity in the Growth of Small Fatigue Cracks. Metall. Trans. 1984, 15, 1579–1588. [Google Scholar] [CrossRef]
- Qian, J.; Fatemit, A. Mixed mode fatigue crack growth: A literature survey. Eng. Fract. Mech. 1996, 55, 969–990. [Google Scholar] [CrossRef]
- Forest, S. Nickel base single crystals across length scales. in Crystal plasticity and damage at cracks and notches in nickel-base single-crystal superalloys 2022, 457-473.
- Sengupta, A.; Sengupta, S.K.A.; Putatunda, S.K.; Bartosiewicz, L.; Hangas, J.; Nailos, P.; Peputapeck, M.; Alberts, E.E. Tensile Behavior of a New Single-Crystal Nickel-Based Superalloy (CMSX-4) at Room and Elevated Temperatures. J. Mater. Eng. Perform. 1994, 3, 73–81. [Google Scholar] [CrossRef]
- Dye, D.; Dye, J.D.; Coakley, J.; Vorontsov, V.A.; Stone, H.J.; Rogge, R.B. Elastic moduli and load partitioning in a single-crystal nickel superalloy. Scr. Mater. 2009, 61, 109–112. [Google Scholar] [CrossRef]
- López, O.A.M.; López, A.O.A.M.; López, A.M.; Crossa, J. Fundamentals of Artificial Neural Networks and Deep Learning. Multivariate Statistical Machine Learning Methods for Genomic Prediction 2022, 425, 379. [Google Scholar] [CrossRef]
- Bartošák. Using machine learning to predict lifetime under isothermal low-cycle fatigue and thermo-mechanical fatigue loading. Int. J. Fatigue 2022, 165, 107067. [Google Scholar] [CrossRef]












| Ni | Cr | Co | Mo | W | Al | Ti | Ta | Re | Hf |
|---|---|---|---|---|---|---|---|---|---|
| 61.8 | 6.5 | 9 | 0.6 | 6 | 5.6 | 1 | 6.5 | 3 | 0.1 |
| Slip System Family | System s | Slip Normal | Slip Direction |
|---|---|---|---|
| Octahedral | 1 | (111) | [01] |
| 2 | [01] | ||
| 3 | [10] | ||
| 4 | (11) | [01] | |
| 5 | [011] | ||
| 6 | [110] | ||
| 7 | (11) | [01] | |
| 8 | [110] | ||
| 9 | [101] | ||
| 10 | (11) | [10] | |
| 11 | [101] | ||
| 12 | [011] | ||
| Cubic | 1 | (001) | [10] |
| 2 | [110] | ||
| 3 | (100) | [011] | |
| 4 | [01] | ||
| 5 | (010) | [01] | |
| 6 | [101] |
| K () | n | Q | b | C11 (GPa) | C12 (GPa) | C44 (GPa) |
|---|---|---|---|---|---|---|
| 2200 | 7.5 | 100 | 250 | 296 | 204 | 125 |
| (MPa) | ) | ) | a | ||||
|---|---|---|---|---|---|---|---|
| 1200 | 1100 | 1800 | 0 | 0.65 | 7.8 |
| a | |||||||
|---|---|---|---|---|---|---|---|
| 600 | 840 | 1010 | 480 | 0.01 | 14.5 | ||
| 900 | 675 | 800 | 375 | 0.12 | 12.2 |
Disclaimer/Publisher’s Note: The statements, opinions and data contained in all publications are solely those of the individual author(s) and contributor(s) and not of MDPI and/or the editor(s). MDPI and/or the editor(s) disclaim responsibility for any injury to people or property resulting from any ideas, methods, instructions or products referred to in the content. |
© 2024 by the authors. Licensee MDPI, Basel, Switzerland. This article is an open access article distributed under the terms and conditions of the Creative Commons Attribution (CC BY) license (http://creativecommons.org/licenses/by/4.0/).