Submitted:
01 June 2024
Posted:
05 June 2024
You are already at the latest version
Abstract
Keywords:
1. Introduction
- Decentralization: Traditional centralized transaction systems need validation from an authority, which results in costs and performance limitations due to server overload. On the other hand, blockchain technology removes the necessity for a third-party authority for validation by using consensus algorithms to uphold data consistency across the network.
- Persistency: Transactions can be quickly validated, and miners do not accept invalid transactions. Once included in the blockchain, it is challenging to delete or reverse transactions. Blocks containing invalid transactions can be quickly detected.
- Anonymity: Users can interact with the blockchain using generated addresses that do not reveal their identity. However, due to intrinsic limitations, blockchain cannot guarantee perfect privacy.
- Auditability: Bitcoin blockchain stores user balance data using the Unspent Transaction Output (UTXO) model. Every transaction must refer to several previously unspent transactions, ensuring easy verification and tracking when the transaction status changes from unspent to spent.

2. Methodology
2.1. Data Collection Method
2.2. System Development Method
- 1.
- Requirement Planning
- Problem Needs Analysis, the initial stage of the research where the aims, objectives, and goals of the application are analyzed, which will then be discussed with the supervising lecturer.
- Problem Definition, where the problems to be solved are established. The issues are identified after completing the Problem Needs Analysis.
- 2.
- Workshop Design
- System Design, which involves creating a verification and validation system that consists of two main elements: a web application as the client and a smart contract that contains business logic.
- Interface Design, in this stage, the system's interface is designed. The design of the system's interface uses Figma as a design tool
- 3.
- Implementation
2.3. Testing on Research Object
- Compressing digital certificate files.
- Modifying values or data in digital certificate files.
- Adding images to digital certificate files.
- Rotating or flipping the contents of digital certificate files.
3. Result and Discussion
3.1. Requirement Planning
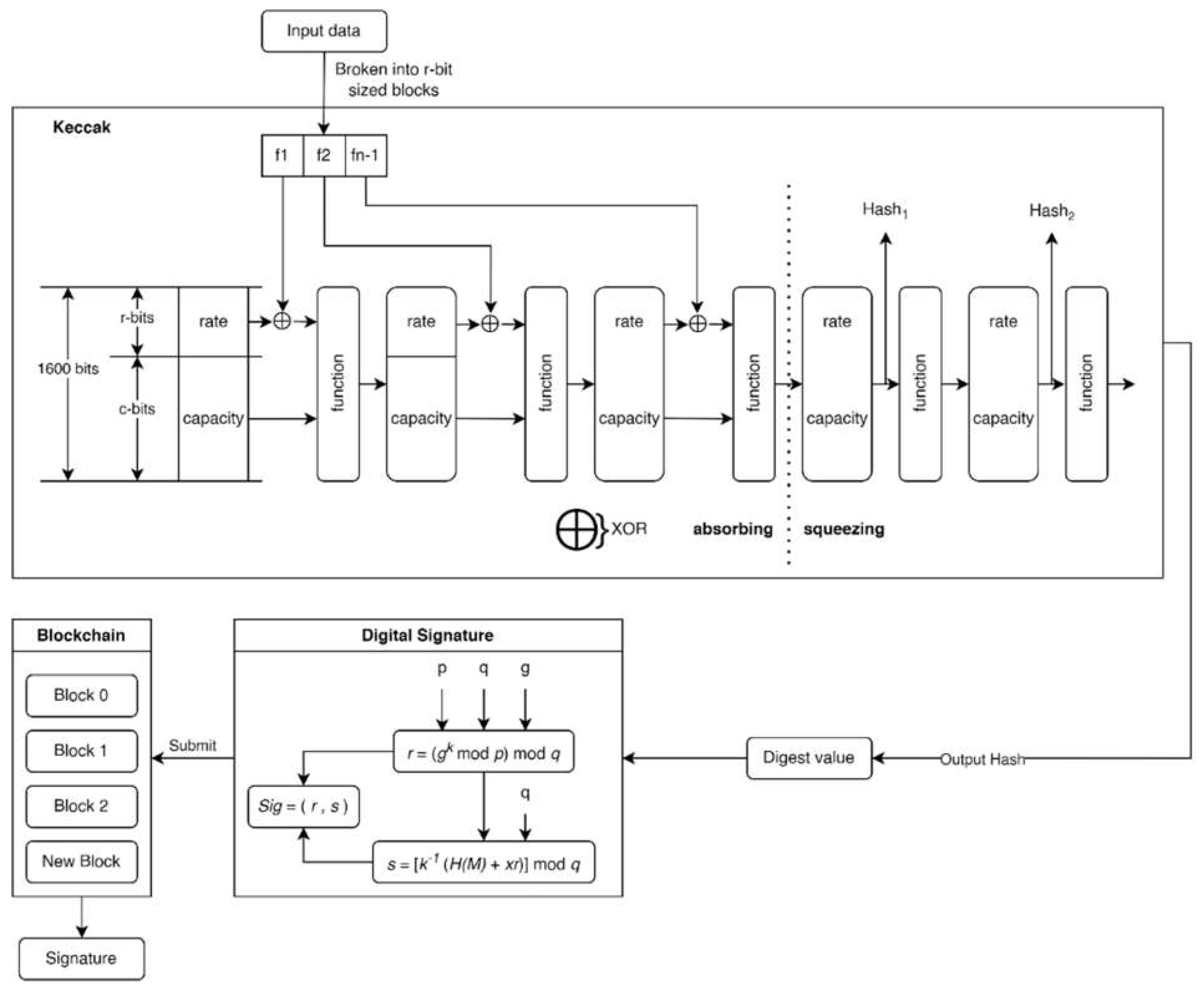
- Problem Needs Analysis: From existing research, it is clear that most applications require security and integrity of data managed by digital certificates. Due to the benefits of digital signature technology in proving integrity and the use of blockchain in proving integrity as exposed in existing research. Blockchain stores and records data in a decentralized manner, using immutable ledgers and powerful hash functions. Computational trust is established through checking and balancing across every node in the network, eliminating the need for a third party. This study aims to develop solutions that strengthen the security and integrity of digital certificates, focusing on the application of digital signatures within a blockchain network and the use of the Keccak256 hash algorithm.
- Problem Definition: By identifying the issues at hand that could be solved by implementing the system under development, this phase focuses on stating the problem at hand. Since the central idea of this study is to design a verification and validation system for digital certificates using the Ethereum blockchain platform and the Keccak256 hash algorithm, defining the problem would be creating a system that will safeguard digital certificates' security and integrity in an ever-changing technological world.
3.2. Workshop Design
3.2.1. System Design Stage
3.2.2. Keccak Function and Digital Signature Blockchain
- 1.
- Sponge Contruction
- 2.
- Keccak-f Permutation
- 3.
- SHA-3 (Keccak) Standard
- 4.
- Digital Signature Blockchain
3.2.3. SHA Comparison
3.2.4. Interface Design Stage
- Strategy Plane: The initial stage where goals, vision, and strategy for the digital certificate verification and validation system are created.
- Scope Plane: Defines the project scope by identifying key features, critical functions, and constraints.
- Structure Plane: The stage where the information structure and user interaction design are created.
- Skeleton Plane: Involves creating wireframes or simple prototypes to determine the placement of UI elements and the general layout of pages.
- Surface Plane: Develops a more detailed visual design with the choice of colors, fonts, graphics, and other design elements.
3.3. Implementation
3.3.1. Implementation Smart Contract
- 1.
- Handle Sign Document
- It starts by initializing a Web3 object using the Metamask extension installed on the browser, done by calling the Web3(window.ethereum) constructor.
- The function then requests user permission to connect to Metamask and access the linked Ethereum account through the eth_requestAccounts method. Once granted, the Ethereum account address is stored in the account variable.
- Next, it inputs and downloads the content of the file to be signed. After downloading, it calculates the file's hash using the keccak256() function, storing the result in the documentHash variable.
- The digital signature process uses the previously approved Ethereum account, involving the account's private key or calling the appropriate function from Ethereum smart contracts. The signature result is stored in the signature variable.
- Finally, the application data is updated with blockchain-related information, adding the blockchain document hash and the blockchain signature to the existing data structure.

- 2.
- Handle Verify Document
- It initializes a Web3 object using the installed Metamask extension in the browser, following the same approach as signBlockchain().
- It calculates the document's hash using the calculateFileHash(dokumen) function and stores the result in the documentHash variable.
- The function then attempts to find the document based on the hash in the blockchain by calling getDokumenByBlockchainHash(documentHash), with the result stored in the data variable.
- If the document search is successful, it verifies the signature by extracting the signature from the blockchain and validating it with verifySignature() using document hash, signature, and Web3 object as parameters.
- After signature verification, document verification follows. The signer's address from the verification is compared to the address recorded on the blockchain; if they match, the document is considered verified. The showResult and isVerified variables are set based on the verification outcome.
- If there are errors during verification or document search, error messages are logged to the console, and showResult and isVerified variables are set to indicate unsuccessful verification.

3.3.2. Application Outcomes
- 1.
- Sign Document Page
- 2.
- Verify Document Page

- 3.
- History Page

3.3.3. Testing
3.4. Testing on Research Objects
| Parameter | Initial File | Manipulated File | Signature Value of Initial File | Signature Value of Manipulated File | Result | Conclusion |
| Compressing a digital certificate file | ![]() |
![]() |
0xb428495f1fc649dd8235bfc12f9e092362a378c0cc96c4d51802a97d89ad0e1d279508ed6f0298eb46c1944f293613ee2ca1d7f87c6f60e95a1b5597406049131c | 0x54e7db1438c841ab4eb23ef0cb006041bb44769375f725252b8370424e88529257c43744583f79f62c9a74fa7a31d7d93e59ed1b59a5adc903b6dc83afc258701c | Detected | Successfully detected changes in the manipulated file |
| Modifying the values or data in a digital certificate file (by converting it to Word format and then saving it as a PDF) | ![]() |
![]() |
0xb428495f1fc649dd8235bfc12f9e092362a378c0cc96c4d51802a97d89ad0e1d279508ed6f0298eb46c1944f293613ee2ca1d7f87c6f60e95a1b5597406049131c | 0x3ee3dd5bac857158abf59885a332b5d98150d9b2e89324b047e7f0616dd7a6f82812dea954373ef63cf53d23ee2da157c0265d33e3e6807812d0205d2dd77b121c | Detected | Successfully detected changes in the manipulated file |
| Adding an image to a digital certificate file | ![]() |
![]() |
0xb428495f1fc649dd8235bfc12f9e092362a378c0cc96c4d51802a97d89ad0e1d279508ed6f0298eb46c1944f293613ee2ca1d7f87c6f60e95a1b5597406049131c | 0x3c887f583330a2ae86435771d430d8f26fc2eb481c5bd2cbe77fedbad81d31b477589ea9fd5426d544cca567031dd09ccdb263e8d1d46f2851da539e2a25e5da1b | Detected | Successfully detected changes in the manipulated file |
| Rotating or flipping the contents of a digital certificate file | ![]() |
![]() |
0xb428495f1fc649dd8235bfc12f9e092362a378c0cc96c4d51802a97d89ad0e1d279508ed6f0298eb46c1944f293613ee2ca1d7f87c6f60e95a1b5597406049131c | 0x72a58ba5e263e455e1783edb0eef4586bc8c41e21146aaee29a1e6b6c2118be62f291232eac4f5478c42fb7a5616c4e4cdab5eced052366e20aa5924f48629e11b | Detected | Successfully detected changes in the manipulated file |
4. Conclusions
Author Contributions
Data Availability Statement
Acknowledgments
Conflicts of Interest
References
- Alshaikhli, I. F., Alahmad, M. A., & Munthir, K. (2012). Comparison and analysis study of SHA-3 finalists. Proceedings - 2012 International Conference on Advanced Computer Science Applications and Technologies, ACSAT 2012, 366–371. [CrossRef]
- Bertoni, G., Daemen, J., Peeters, M., & Assche, G. Van. (2011). Cryptographic sponge functions.
- Danil Muis, M., Sukarno, P., & Wardana, A. A. (n.d.). Analisis dan Implementasi Sistem Pendeteksi Ijazah dan Transkrip Palsu dengan Menggunakan IPFS dan Smart Contract Blockchain.
- Fang, W., Chen, W., Zhang, W., Pei, J., Gao, W., & Wang, G. (2020). Digital signature scheme for information non-repudiation in blockchain: a state of the art review. Eurasip Journal on Wireless Communications and Networking, 2020(1), 1–15. [CrossRef]
- Foti, J. (2015). FIPS PUB 202 FEDERAL INFORMATION PROCESSING STANDARDS PUBLICATION SHA-3 Standard: Permutation-Based Hash and Extendable-Output Functions CATEGORY: COMPUTER SECURITY SUBCATEGORY: CRYPTOGRAPHY. [CrossRef]
- Frikha, T., Chaabane, F., Aouinti, N., Cheikhrouhou, O., Ben Amor, N., & Kerrouche, A. (2021). Implementation of Blockchain Consensus Algorithm on Embedded Architecture. Security and Communication Networks, 2021. [CrossRef]
- Garrett, J. J. (2011). The Elements of User Experience: User-Centered Design for the Web and Beyond, Second Edition Notice of Rights Notice of Liability. www.newriders.com.
- Gayathiri, A., Jayachitra, J., & Matilda, S. (2020). Certificate validation using blockchain. 2020 7th International Conference on Smart Structures and Systems, ICSSS 2020. [CrossRef]
- keccak-256 Online Computing - StrErr.com. (n.d.). Retrieved April 14, 2024, from https://www.strerr.com/en/keccak_256.html.
- Kelsey, J., & Schneier, B. (2005). Second preimages on n-bit hash functions for much less than 2n work. Lecture Notes in Computer Science, 3494, 474–490. [CrossRef]
- Kuznetsov, A., Oleshko, I., Tymchenko, V., Lisitsky, K., Rodinko, M., Kolhatin, A., & Karazin, V. N. (2021). Computer Network and Information Security. Computer Network and Information Security, 2, 1–15. [CrossRef]
- Laurence, T. (2023). Blockchain For Dummies, 3rd Edition Published. https://books.google.com/books/about/Blockchain_For_Dummies.html?id=vbevEAAAQBAJ.
- Lorien, A., & Wellem, T. (2021). Implementasi Sistem Otentikasi Dokumen Berbasis Quick Response (QR) Code dan Digital Signature. Jurnal RESTI (Rekayasa Sistem Dan Teknologi Informasi), 5(4), 663–671. [CrossRef]
- Nadzifarin, A., & Asmunin, A. (2022). Penerapan Elliptic Curve Digital Signature Algorithm pada Tanda Tangan Digital dengan Studi Kasus Dokumen Surat – Menyurat. Journal of Informatics and Computer Science (JINACS), 4(01), 1–9. [CrossRef]
- Santoso, M. H., Girsang, N. D., Siagian, H., Wahyudi, A., & Sitorus, B. A. (2019). Perbandingan Algoritma Kriptografi Hash MD5 dan SHA-1. In Prosiding Seminar Nasional Teknologi Informatika (Vol. 2).
- Saputra, I., & Nasution, S. D. (2019). Analisa Algoritma SHA-256 Untuk Mendeteksi Orisinalitas Citra Digital. Prosiding Seminar Nasional Riset Information Science (SENARIS), 1(0), 164–178. [CrossRef]
- Sasi, S., Subbu, S. B. V., Manoharan, P., & Abualigah, L. (2023). Design and implementation of secured file delivery protocol using enhanced elliptic curve cryptography for class I and class II transactions. Journal of Autonomous Intelligence, 6(3). [CrossRef]
- Shidqi, R. M. (n.d.). Implementasi Keamanan Sistem E-Voting Pada Jaringan Berbasis Blockchain Dan Kriptografi. [CrossRef]
- Somsuk, K., & Thakong, M. (2020). Authentication system for e-certificate by using RSA’s digital signature. TELKOMNIKA (Telecommunication Computing Electronics and Control), 18(6), 2948–2955. [CrossRef]
- Sowmiya, B., Poovammal, E., Ramana, K., Singh, S., & Yoon, B. (2021). Linear Elliptical Curve Digital Signature (LECDS) with Blockchain Approach for Enhanced Security on Cloud Server. IEEE Access, 9, 138245–138253. [CrossRef]
- Stallings, W. (2013). Digital Signature Algorithms. Cryptologia, 37(4), 311–327. [CrossRef]
- Susilo, B., Hanyokro Kusuma, G., Hayatul Fikri, M., Saputri, R., Aulia Putri, R., Rohimah, S., Luthfi Hamzah, M., & Sultan Syarif Kasim Riau, N. (2023). Rancang Bangun Sistem Informasi Keuangan Pada Kantor Lurah Kotabaru Reteh Dengan Metode Rapid Application Develovment (RAD). Jurnal Testing Dan Implementasi Sistem Informasi, 1(1), 17–28. https://www.journal.al-matani.com/index.php/jtisi/article/view/323.
- Yuniati, T., & Sidiq, M. F. (2020). Literature Review: Legalisasi Dokumen Elektronik Menggunakan Tanda Tangan Digital sebagai Alternatif Pengesahan Dokumen di Masa Pandemi. Jurnal RESTI (Rekayasa Sistem Dan Teknologi Informasi), 4(6), 1058-1069–1058 – 1069. [CrossRef]
- Zheng, Z., Xie, S., Dai, H., Chen, X., & Wang, H. (2017). An Overview of Blockchain Technology: Architecture, Consensus, and Future Trends. Proceedings - 2017 IEEE 6th International Congress on Big Data, BigData Congress 2017, 557–564. [CrossRef]
- Zou, X., & Zeng, P. (2023). A New Digital Signature Primitive and Its Application in Blockchain. IEEE Access, 11, 54607–54615. [CrossRef]












| X = 0 | X = 1 | X = 2 | X = 3 | X = 4 | |
| Y = 0 | 0 | 1 | 62 | 28 | 27 |
| Y = 1 | 36 | 44 | 6 | 55 | 20 |
| Y = 2 | 3 | 10 | 43 | 25 | 39 |
| Y = 3 | 41 | 45 | 15 | 21 | 8 |
| Y = 4 | 18 | 2 | 61 | 56 | 14 |
| Y = 0 | 0 | 1 | 62 | 28 | 27 |
| Algoritma | Output Length (bit) | Internal state size (bit) | Block size (bit) | Maximum message length (bit) |
|---|---|---|---|---|
| SHA-1 | 160 | 160(5 × 32) | 512 | 264 − 1 |
| SHA256 | 256 | 256(8 × 32) | 512 | 264 − 1 |
| SHA3-256 (Keccak) | 256 | 1600(5 × 5 × 64) | 1088 | Unlimited |
| Algoritma | Average time to generate signature (seconds) | Average time to validate signature (seconds) |
|---|---|---|
| DS + SHA-1 | 2.04 | 1.40 |
| DS + SHA256 | 2.36 | 1.49 |
| DS + SHA3-256 (Keccak) | 3.23 | 2.11 |
| DS + SHA1 + Blockchain | 2.40 | 0.19 |
| DS + SHA256 + Blockchain | 2.31 | 0.20 |
| DS + SHA3-256 (Keccak) + Blockchain | 2.25 | 0.22 |
| Test Case | Testing Procedure | Expected Output | Result | Conclusion |
|---|---|---|---|---|
| Register Page | Open the register page and register | Displays the register page and registers successfully | Successful | Valid |
| Login Page | Open the login page and log in | Displays the login page and logs in successfully | Successful | Valid |
| Sign Document Page | Open the sign document page and sign a document | Displays the sign document page and successfully signs the document | Successful | Valid |
| Verify Document Page | Open the verify document page and verify a document | Displays the verify document page and successfully verifies the document | Successful | Valid |
| History Page | Open the history page and display digital signature history | Displays the history page and successfully displays digital signature history | Successful | Valid |
Disclaimer/Publisher’s Note: The statements, opinions and data contained in all publications are solely those of the individual author(s) and contributor(s) and not of MDPI and/or the editor(s). MDPI and/or the editor(s) disclaim responsibility for any injury to people or property resulting from any ideas, methods, instructions or products referred to in the content. |
© 2024 by the authors. Licensee MDPI, Basel, Switzerland. This article is an open access article distributed under the terms and conditions of the Creative Commons Attribution (CC BY) license (http://creativecommons.org/licenses/by/4.0/).

