Submitted:
18 April 2024
Posted:
19 April 2024
You are already at the latest version
Abstract
Keywords:
1. Introduction
| Trade name of the type of winter tire tested | Mass of tires wearing out while driving [g/ 1000 km] |
Trade name of the type of winter tire tested | Mass of tires wearing out while driving [g/ 1000 km] |
|---|---|---|---|
| BF Goodrich G-Force Winter 2 | 100 | Barum Polaris 5 | 143 |
| Michelin Alpin 6 | 105 | Continental Winter Contact TS860 | 145 |
| Vredestein Wintrac | 109 | GT Radial Winter Pro 2 | 149 |
| General Tire Altimax Winter 3 | 124 | Laufenn i Fit+ LW31 | 159 |
| Nokian WR Snowproof | 127 | Yokohama Bluearth*Winter V906 | 163 |
| Dunlop Winter Response-2 | 132 | Falken Eurowinter HS01 | 164 |
| Goodyear Ultra Grip 9+ | 134 | Maxxis Premitra Snow WP6 | 167 |
| Kumho Wintercraft WP51 | 137 | Bridgestone Blizzak LM005 | 171 |
2. Materials and Methods
2.1. Materials
2.2. Preparation of Samples for Testing
2.3. Determining the Concentrations of Tire Wear Particles
2.4. Methods
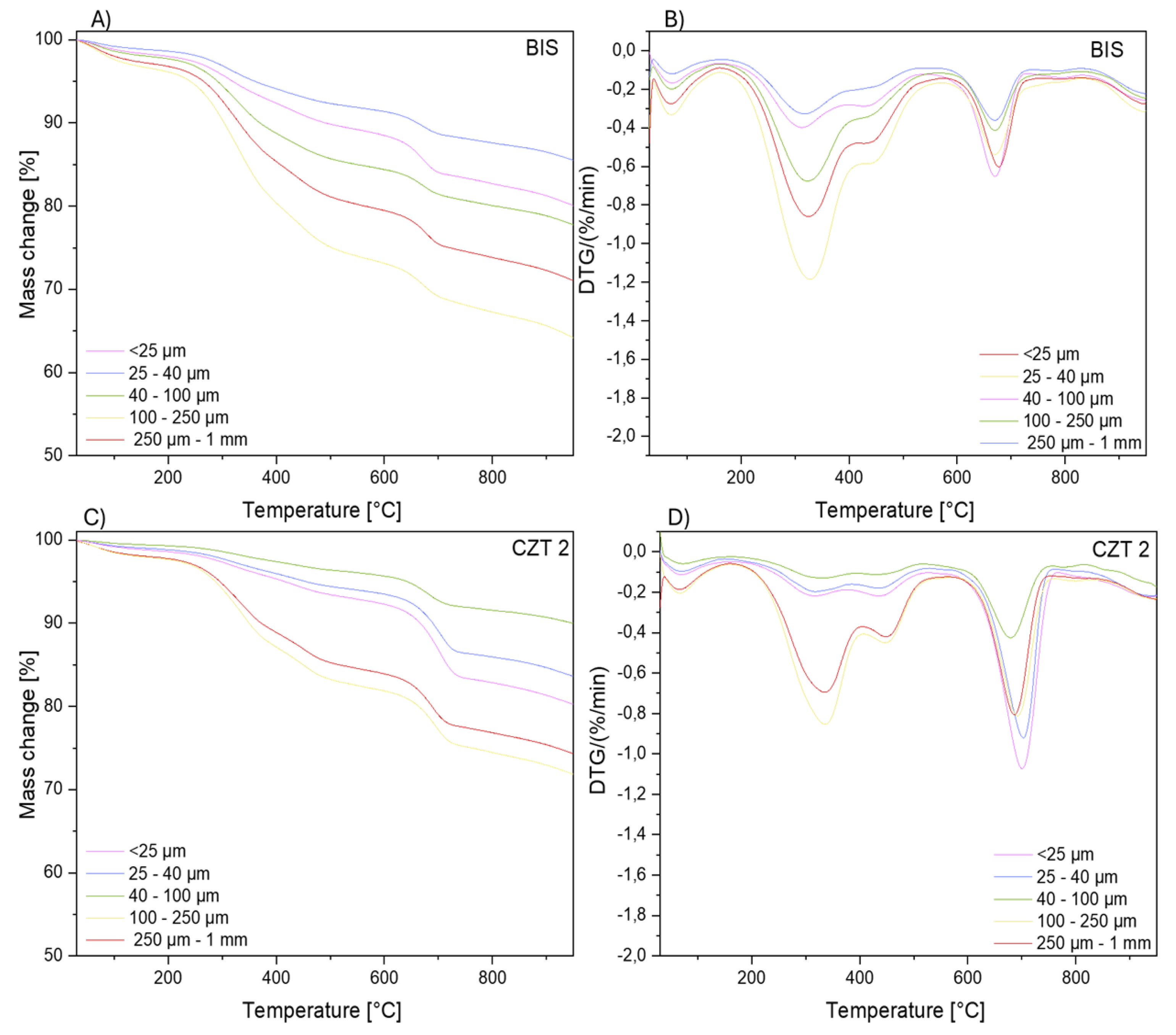
3. Results
3.1. Microscopic Analysis
3.1.1. Optical Microscopic Analysis
3.1.2. SEM/EDS Analysis
3.2. Determination of Particle Distribution
| CZT2 | Tmax1 [°C] | Tmax2 [°C] | Tmax3 [°C] | Tmax4 [°C] | |
|---|---|---|---|---|---|
| < 25 μm | 67.9 | 316.3 | 435.0 | 700.3 | |
| 25 -40 μm | 69.8 | 319.1 | 438.2 | 703.2 | |
| 40 - 100 μm | 72.6 | 326.3 | 442.3 | 680.0 | |
| 100 - 250 μm | 66.5 | 336.0 | 448.0 | 691.3 | |
| 250 μm - 1 mm | 66.2 | 335.9 | 449.4 | 686.4 | |
| BIS | Tmax1 [°C] | Tmax2 [°C] | Tmax3 [°C] | Tmax4 [°C] | |
| < 25 μm | 71.9 | 310.6 | 428.6 | 670.6 | |
| 25 -40 μm | 70.5 | 317.0 | 433.0 | 668.4 | |
| 40 - 100 μm | 71.5 | 323.0 | 437.0 | 669.5 | |
| 100 - 250 μm | 70.6 | 327.3 | 431.7 | 669.7 | |
| 250 μm - 1 mm | 69.3 | 324.4 | 433.7 | 678.0 | |
3.4. Spectroscopic Analysis
3.4.1. NMR Spectroscopy
3.4.2. FT-IR Spectroscopy
3.4.3. XRD Analysis
5. Conclusions
Author Contributions
Funding
Data Availability Statement
Conflicts of Interest
References
- Baensch-Baltruschat, B.; Kocher, B.; Stock, F.; Reifferscheid, G. Tyre and Road Wear Particles (TRWP) - A Review of Generation, Properties, Emissions, Human Health Risk, Ecotoxicity, and Fate in the Environment. Science of the Total Environment 2020, 733, 137823. [Google Scholar] [CrossRef] [PubMed]
- Milani, M.; Pucillo, F.P.; Ballerini, M.; Camatini, M.; Gualtieri, M.; Di Martino, S.F. First Evidence of Tyre Debris Characterization at the Nanoscale by Focused Ion Beam. Materials Characterization 2004, 52, 283–288. [Google Scholar] [CrossRef]
- Sarkissian, G. The Analysis of Tire Rubber Traces Collected After Braking Incidents Using Pyrolysis-Gas Chromatography/Mass Spectrometry. Journal of Forensic Sciences 2007, 52, 1050–1056. [Google Scholar] [CrossRef] [PubMed]
- De Oliveira, T.; Muresan, B.; Ricordel, S.; Lumière, L.; Truong, X.-T.; Poirier, L.; Gaspéri, J. Realistic Assessment of Tire and Road Wear Particle Emissions and Their Influencing Factors on Different Types of Roads. Journal of Hazardous Materials 2024, 465, 133301. [Google Scholar] [CrossRef] [PubMed]
- Stalnaker, D.O.; Turner, J.L.; Parekh, D.; Whittle, B.; Norton, R. Indoor Simulation of Tire Wear: Some Case Studies. Tire Science & Technology 1996, 24, 94–118. [Google Scholar] [CrossRef]
- Wik, A.; Dave, G. Occurrence and Effects of Tire Wear Particles in the Environment – A Critical Review and an Initial Risk Assessment. Environmental Pollution (1987) 2009, 157, 1–11. [Google Scholar] [CrossRef]
- Panko, J.M.; Chu, J.; Kreider, M.L.; Unice, K.M. Measurement of Airborne Concentrations of Tire and Road Wear Particles in Urban and Rural Areas of France, Japan, and the United States. Atmospheric Environment 2013, 72, 192–199. [Google Scholar] [CrossRef]
- Wagner, S.; Hüffer, T.; Klöckner, P.; Wehrhahn, M.; Hofmann, T.; Reemtsma, T. Tire Wear Particles in the Aquatic Environment - A Review on Generation, Analysis, Occurrence, Fate and Effects. Water Research 2018, 139, 83–100. [Google Scholar] [CrossRef]
- Hays, M.D.; Cho, S.-H.; Baldauf, R.; Schauer, J.J.; Shafer, M.M. Particle Size Distributions of Metal and Non-Metal Elements in an Urban near-Highway Environment. Atmospheric Environment 2011, 45, 925–934. [Google Scholar] [CrossRef]
- Wi, E.; Park, E.; Shin, H.; Hong, J.; Jeong, S.; Kwon, J.-T.; Lee, H.-J.; Lee, J.; Kim, Y. Overall Distribution of Tire-Wear Particles, Nano-carbon Black, and Heavy Metals in Size-Fractionated Road Dust Collected from Steel Industrial Complexes. Science of the Total Environment 2023, 884, 163878. [Google Scholar] [CrossRef]
- Harrison, R.M.; Jones, A.M.; Gietl, J.K.; Yin, J.; Green, D.C. Estimation of the Contributions of Brake Dust, Tire Wear, and Resuspension to Nonexhaust Traffic Particles Derived from Atmospheric Measurements. Environmental Science & Technology 2012, 46, 6523–6529. [Google Scholar] [CrossRef] [PubMed]
- Councell, T.B.; Duckenfield, K.U.; Landa, E.R.; Callender, E. Tire-Wear Particles as a Source of Zinc to the Environment. Environmental Science & Technology 2004, 38, 4206–4214. [Google Scholar] [CrossRef] [PubMed]
- Adachi, K.; Tainosho, Y. Characterization of Heavy Metal Particles Embedded in Tire Dust. Environment International 2004, 30, 1009–1017. [Google Scholar] [CrossRef] [PubMed]
- ADAC, Tyre wear particles in the environment, Created: 12/2021, Updated: 03/2022 https://assets.adac.de/image/upload/v1639663105/ADAC-eV/KOR/Text/PDF/Tyre_wear_particles_in_the_environment_zkmd3a.
- Dumont, E.R.; Gao, X.; Zheng, J.; Macairan, J.; Hernandez, L.M.; Baesu, A.; Bayen, S.; Robinson, S.A.; Ghoshal, S.; Tufenkji, N. Unraveling the Toxicity of Tire Wear Contamination in Three Freshwater Species: From Chemical Mixture to Nanoparticles. Journal of Hazardous Materials 2023, 453, 131402. [Google Scholar] [CrossRef] [PubMed]
- Knight, L.J.; Parker-Jurd, F.N.F.; Al-Sid-Cheikh, M.; Thompson, R.C. Tyre Wear Particles: An Abundant yet Widely Unreported Microplastic? Environmental Science and Pollution Research International 2020, 27, 18345–18354. [Google Scholar] [CrossRef]
- Järlskog, I.; Jaramillo-Vogel, D.; Rausch, J.; Gustafsson, M.; Strömvall, A.-M.H.; Andersson-Sköld, Y. Concentrations of Tire Wear Microplastics and Other Traffic-Derived Non-Exhaust Particles in the Road Environment. Environment International 2022, 170, 107618. [Google Scholar] [CrossRef]
- Bouredji, A.; Pourchez, J.; Forest, V. Biological Effects of Tire and Road Wear Particles (TRWP) Assessed by in Vitro and in Vivo Studies – A Systematic Review. Science of the Total Environment 2023, 894, 164989. [Google Scholar] [CrossRef]
- Liu, Y.; Chen, H.; Gao, J.; Liu, Y.; Dave, K.; Chen, J.; Federici, M.; Perricone, G. Comparative Analysis of Non-Exhaust Airborne Particles from Electric and Internal Combustion Engine Vehicles. Journal of Hazardous Materials 2021, 420, 126626. [Google Scholar] [CrossRef] [PubMed]
- Obereigner, G.; Shorten, R.; Meier, F.; Jones, S.; Wikström, N.; Del Re, L. Active Limitation of Tire Wear and Emissions for Electrified Vehicles. SAE Technical Paper Series 2021. [Google Scholar] [CrossRef]
- Rødland, E.S.; Lind, O.C.; Reid, M.J.; Heier, L.S.; Okoffo, E.D.; Rauert, C.; Thomas, K.V.; Meland, S. Occurrence of Tire and Road Wear Particles in Urban and Peri-Urban Snowbanks, and Their Potential Environmental Implications. Science of the Total Environment 2022, 824, 153785. [Google Scholar] [CrossRef]
- Vijayan, A.; Österlund, H.; Magnusson, K.; Maršálek, J.; Viklander, M. Microplastics (MPs) in Urban Roadside Snowbanks: Quantities, Size Fractions and Dynamics of Release. Science of the Total Environment 2022, 851, 158306. [Google Scholar] [CrossRef] [PubMed]
- Dumont, E.R.; Gao, X.; Zheng, J.; Macairan, J.; Hernandez, L.M.; Baesu, A.; Bayen, S.; Robinson, S.A.; Ghoshal, S.; Tufenkji, N. Unraveling the Toxicity of Tire Wear Contamination in Three Freshwater Species: From Chemical Mixture to Nanoparticles. Journal of Hazardous Materials 2023, 453, 131402. [Google Scholar] [CrossRef] [PubMed]
- Calarnou, L.; Traı̈Kia, M.; Leremboure, M.; Malosse, L.; Dronet, S.; Delort, A.-M.; Besse-Hoggan, P.; Eyheraguibel, B. Assessing Biodegradation of Roadway Particles via Complementary Mass Spectrometry and NMR Analyses. Science of the Total Environment 2023, 900, 165698. [Google Scholar] [CrossRef] [PubMed]
- Thomas, J.; Moosavian, S.K.; Cutright, T.J.; Pugh, C.; Soucek, M.D. Method Development for Separation and Analysis of Tire and Road Wear Particles from Roadside Soil Samples. Environmental Science & Technology 2022, 56, 11910–11921. [Google Scholar] [CrossRef]
- Rødland, E.S.; Lind, O.C.; Reid, M.J.; Heier, L.S.; Skogsberg, E.; Snilsberg, B.; Gryteselv, D.; Meland, S. Characterization of Tire and Road Wear Microplastic Particle Contamination in a Road Tunnel: From Surface to Release. Journal of Hazardous Materials (Print) 2022, 435, 129032. [Google Scholar] [CrossRef]
- Kim, G.; Lee, S.-H. Characteristics of Tire Wear Particles Generated by a Tire Simulator under Various Driving Conditions. Environmental Science & Technology 2018, 52, 12153–12161. [Google Scholar] [CrossRef]
- Park, I.-Y.; Kim, H.; Lee, S.-H. Characteristics of Tire Wear Particles Generated in a Laboratory Simulation of Tire/Road Contact Conditions. Journal of Aerosol Science 2018, 124, 30–40. [Google Scholar] [CrossRef]
- Tonegawa, Y.; Sasaki, S. Development of Tire-Wear Particle Emission Measurements for Passenger Vehicles. Emission Control Science and Technology 2021, 7, 56–62. [Google Scholar] [CrossRef]
- Klöckner, P.; Seiwert, B.; Eisentraut, P.; Braun, U.; Reemtsma, T.; Wagner, S. Characterization of Tire and Road Wear Particles from Road Runoff Indicates Highly Dynamic Particle Properties. Water Research 2020, 185, 116262. [Google Scholar] [CrossRef]
- Mennekes, D.; Nowack, B. Tire Wear Particle Emissions: Measurement Data Where Are You? Science of the Total Environment 2022, 830, 154655. [Google Scholar] [CrossRef]
- Marwood, C.A.; McAtee, B.L.; Kreider, M.L.; Ogle, R.S.; Finley, B.L.; Sweet, L.; Panko, J.M. Acute Aquatic Toxicity of Tire and Road Wear Particles to Alga, Daphnid, and Fish. Ecotoxicology 2011, 20. [Google Scholar] [CrossRef] [PubMed]
- Yang, K.; Jing, S.; Liu, Y.; Yan, M.; Yi, X.; Liu, L. Acute Toxicity of Tire Wear Particles, Leachates and Toxicity Identification Evaluation of Leachates to the Marine Copepod, Tigriopus Japonicus. Chemosphere 2022, 297, 134099. [Google Scholar] [CrossRef] [PubMed]
- Halle, L.L.; Palmqvist, A.; Kampmann, K.; Jensen, A.A.; Hansen, T.; Khan, F.R. Tire Wear Particle and Leachate Exposures from a Pristine and Road-Worn Tire to Hyalella Azteca: Comparison of Chemical Content and Biological Effects. Aquatic Toxicology 2021, 232, 105769. [Google Scholar] [CrossRef] [PubMed]
- Panko, J.M.; Kreider, M.L.; McAtee, B.L.; Marwood, C.A. Chronic Toxicity of Tire and Road Wear Particles to Water- and Sediment-Dwelling Organisms. Ecotoxicology 2012, 22, 13–21. [Google Scholar] [CrossRef] [PubMed]
- Cunningham, B.; Harper, B.; Brander, S.M.; Harper, S.L. Toxicity of Micro and Nano Tire Particles and Leachate for Model Freshwater Organisms. Journal of Hazardous Materials 2022, 429, 128319. [Google Scholar] [CrossRef] [PubMed]
- Day, K.E.; Holtze, K.E.; Metcalfe-Smith, J.L.; Bishop, C.; Dutka, B.J. Toxicity of Leachate from Automobile Tires to Aquatic Biota. Chemosphere 1993, 27, 665–675. [Google Scholar] [CrossRef]
- Khan, F.R.; Halle, L.L.; Palmqvist, A. Acute and Long-Term Toxicity of Micronized Car Tire Wear Particles to Hyalella Azteca. Aquatic Toxicology 2019, 213, 105216. [Google Scholar] [CrossRef] [PubMed]
- Gualtieri, M.; Andrioletti, M.; Vismara, C.; Milani, M.; Camatini, M. Toxicity of Tire Debris Leachates. Environment International 2005, 31, 723–730. [Google Scholar] [CrossRef]
- Wik, A.; Dave, G. Occurrence and Effects of Tire Wear Particles in the Environment – A Critical Review and an Initial Risk Assessment. Environmental Pollution (1987) 2009, 157, 1–11. [Google Scholar] [CrossRef]
- Mian, H.R.; Chippi-Shreshta, G.; McCarty, K.; Hewage, K.; Sadiq, R. An Estimation of Tire and Road Wear Particles Emissions in Surface Water Based on a Conceptual Framework. Science of the Total Environment 2022, 848, 157760. [Google Scholar] [CrossRef]
- Filella, M.; Reimann, C.; Biver, M.; Rodushkin, I.; Rodushkina, K. Tellurium in the Environment: Current Knowledge and Identification of Gaps. Environmental Chemistry (Collingwood, Vic. Print) 2019, 16, 215. [Google Scholar] [CrossRef]
- Yin, B.; Wang, J.; Jia, H.; He, J.; Zhang, X.; Xu, Z. Enhanced Mechanical Properties and Thermal Conductivity of Styrene–Butadiene Rubber Reinforced with Polyvinylpyrrolidone-Modified Graphene Oxide. Journal of Materials Science 2016, 51, 5724–5737. [Google Scholar] [CrossRef]
- Yan, C.; Chen, B.; Li, X.; He, J.; Zhao, X.; Zhu, Y.; Yang, R. Silicon Hybrid EPDM Composite with High Thermal Protection Performance. Polymers 2024, 16, 695. [Google Scholar] [CrossRef] [PubMed]
- Mis-Fernández, R.; Azamar-Barrios, J.A.; Ríos-Soberanis, C.R. Characterization of the Powder Obtained from Wasted Tires Reduced by Pyrolysis and Thermal Shock Process. Journal of Applied Research and Technology 2008, 6. [Google Scholar] [CrossRef]
- Characterization of EPDM Rubber by TGA and Hi-Res‘ TGA Available online: https://www.tainstruments.com/pdf/literature/TS-79.pdf.
- Cataldo, F. On the Characterisation of Carbon Black from Tire Pyrolysis. Fullerenes, Nanotubes, and Carbon Nanostructures/Fullerenes, Nanotubes and Carbon Nanostructures 2019, 28, 368–376. [Google Scholar] [CrossRef]
- Kyari, M.Z.; Cunliffe, A.A.; Williams, P.T. Characterization of Oils, Gases, and Char in Relation to the Pyrolysis of Different Brands of Scrap Automotive Tires. Energy & Fuels 2005, 19, 1165–1173. [Google Scholar] [CrossRef]
- Guleria, S.P.; Dutta, R. K. ; Unconfined Compressive Strength of Fly Ash–Lime–Gypsum Composite Mixed with Treated Tire Chips, Journal of Materials in Civil Engineering 2011, 23, 1255-1263. 23,. [CrossRef]
- Amir, A.; Saad, N. H.; Ramli, A. S.; Abd Rashid, A.; Yusoff, N.; Abdullah, N. R.; Kasolang, S.; Jaffar, A. Thermal and rheological behavior of recycled rubber/natural rubber blends in recycle tire process, Jurnal Teknologi, 2015, 76, 89-94. [CrossRef]














| No. | Place of sample collection | Abbreviation | Sample type |
|---|---|---|---|
| 1 | Szymanowskiego street | SZY | Roadside sand |
| 2 | Umultowska street | UMU | Roadside sand |
| 3 | Biskupińska street | BIS | Roadside sand |
| 4 | Parking on the Morasko campus | CZT1 | Snow deposit |
| 5 | Parking on the Morasko campus | CZT2 | Snow deposit |
| 6 | Parking lot at the Stefan Batory estate | BAT | Standing water |
| 7 | DK11 steet | DK11 | Snow deposit |
| Sample | Solvent | Concentration [mg/ml] |
|---|---|---|
| SZY | DCM[a] | 0,903 |
| iPrOH[b] | 1,024 | |
| UMU | DCM | 2,451 |
| iPrOH | 1,460 | |
| BAT | DCM | 0,334 |
| iPrOH | 0,523 | |
| CZT1 | DCM | 0,495 |
| iPrOH | 1,645 | |
| BIS | DCM | 1,334 |
| iPrOH | 2,095 | |
| DK11 | DCM | 0,667 |
| iPrOH | 3,110 | |
| CZT2 | DCM | 2,656 |
| iPrOH | 2,617 |
| Sample Name | Element symbol | Atomic concentration [%] | |||||||||||||||
|---|---|---|---|---|---|---|---|---|---|---|---|---|---|---|---|---|
| BAT sediment | O | 57.05 | Ca | 12.49 | C | 21.09 | N | 9.37 | ||||||||
| BAT sediment | O | 59.77 | Si | 10.00 | Al | 10.04 | Na | 8.51 | C | 11.35 | ||||||
| SZY sediment | O | 57.17 | Si | 14.06 | C | 17.41 | Al | 5.47 | Na | 5.69 | Te | 0.16 | ||||
| SZY sediment | O | 57.36 | C | 29.75 | Ca | 8.21 | Na | 1.85 | Cl | 1.04 | Si | 1.19 | Al | 0.51 | ||
| BIS sediment | O | 65.97 | Si | 12.39 | Fe | 5.12 | Al | 9.88 | Mg | 4.20 | K | 1.77 | ||||
| CZT2 sediment | O | 65.84 | Si | 12.69 | Al | 8.84 | C | 12.63 | ||||||||
| UMU sediment | O | 60.98 | Si | 9.67 | Al | 8.95 | Fe | 3.13 | C | 13.86 | Na | 1.39 | Te | 0.24 | Cl | 0.52 |
| DCM extracts* | C | 100 | ||||||||||||||
| Sample | Fraction | Homogenity | Surface area [m2/kg] | Dx (10) [μm] |
Dx (50) [μm] |
Dx (90) [μm] |
|---|---|---|---|---|---|---|
| SZY | < 25 μm | 0.901 | 1329 | 1.93 | 7.73 | 24.0 |
| 25 – 40 μm | 0.765 | 553.2 | 4.01 | 42.3 | 109 | |
| 40 – 100 μm | 0.925 | 511.7 | 4.15 | 58.2 | 165 | |
| CZT2 | < 25 μm | 0.871 | 1409 | 1.91 | 6.93 | 20.4 |
| 25 – 40 μm | 1.569 | 909.4 | 2.60 | 15.54 | 83.5 | |
| 40 – 100 μm | 3.007 | 144.1 | 62.4 | 229 | 2230 | |
| UMU | < 25 μm | 0.733 | 1031 | 2.54 | 10.8 | 27.9 |
| 25 – 40 μm | 0.567 | 321.6 | 10.6 | 48.4 | 105 | |
| 40 – 100 μm | 0.957 | 489.8 | 3.77 | 59 | 168 | |
| BIS | < 25 μm | 0.676 | 998 | 2.68 | 10.9 | 26.4 |
| 25 – 40 μm | 0.702 | 367.8 | 8.4 | 46.3 | 113 | |
| 40 – 100 μm | 0.554 | 182.6 | 22.6 | 120 | 251 |
| SZY | Tmax1 [°C] | Tmax2 [°C] | Tmax3 [°C] | Tmax4 [°C] | Tmax5 [°C] |
|---|---|---|---|---|---|
| < 25 μm | 64.7 | 302.7 | 437.9 | 652.3 | 939.1 |
| 25 -40 μm | 65.3 | 308.6 | 438.4 | 642.2 | 893.1 |
| 40 - 100 μm | 65.9 | 312.8 | 435.3 | 636.9 | 883.8 |
| 100 - 250 μm | 63.6 | 335.7 | 438.4 | 624.3 | 866.4 |
| 250 μm - 1 mm | 62.5 | 319.9 | 440.2 | 630.1 | 908.7 |
| UMU | Tmax1 [°C] | Tmax2 [°C] | Tmax3 [°C] | Tmax4 [°C] | Tmax5 [°C] |
| < 25 μm | 64.7 | 299.8 | 437.7 | 657.5 | 871.6 |
| 25 -40 μm | 67.9 | 308.5 | 432.3 | 646.5 | 925.3 |
| 40 - 100 μm | 74.8 | 311.2 | 430.8 | 633.8 | - |
| 100 - 250 μm | 70.1 | 316.9 | 431.9 | 641.9 | 858.2 |
| 250 μm - 1 mm | 65.2 | 322.7 | 442.2 | 639.1 |
Disclaimer/Publisher’s Note: The statements, opinions and data contained in all publications are solely those of the individual author(s) and contributor(s) and not of MDPI and/or the editor(s). MDPI and/or the editor(s) disclaim responsibility for any injury to people or property resulting from any ideas, methods, instructions or products referred to in the content. |
© 2024 by the authors. Licensee MDPI, Basel, Switzerland. This article is an open access article distributed under the terms and conditions of the Creative Commons Attribution (CC BY) license (http://creativecommons.org/licenses/by/4.0/).