Submitted:
20 March 2024
Posted:
20 March 2024
Read the latest preprint version here
Abstract
Keywords:
1. Introduction
2. Generality of the Wind Turbine Conditions Monitoring
3. State of Art in the Monitoring of the Wind Turbine
4. Case Study
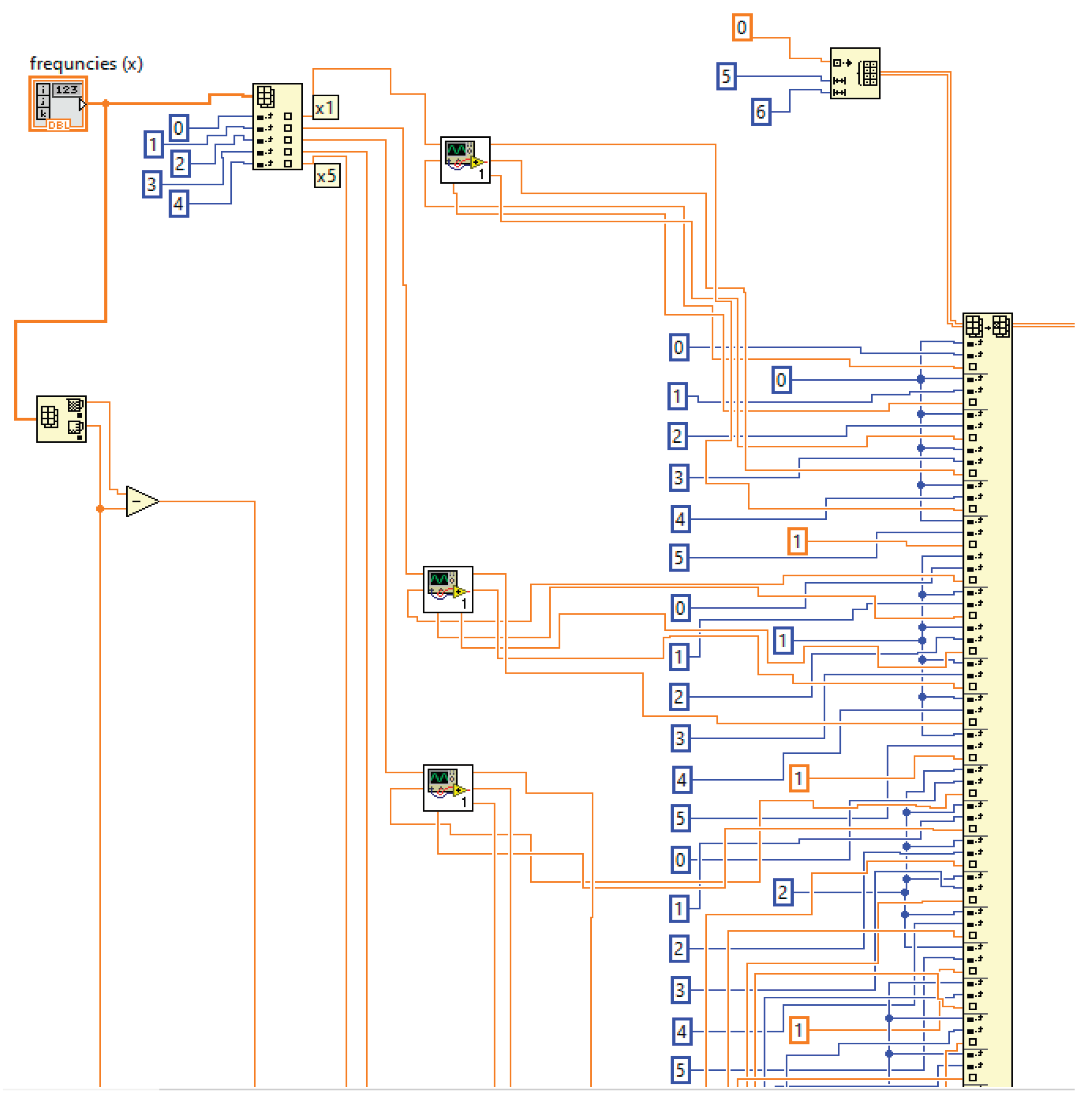
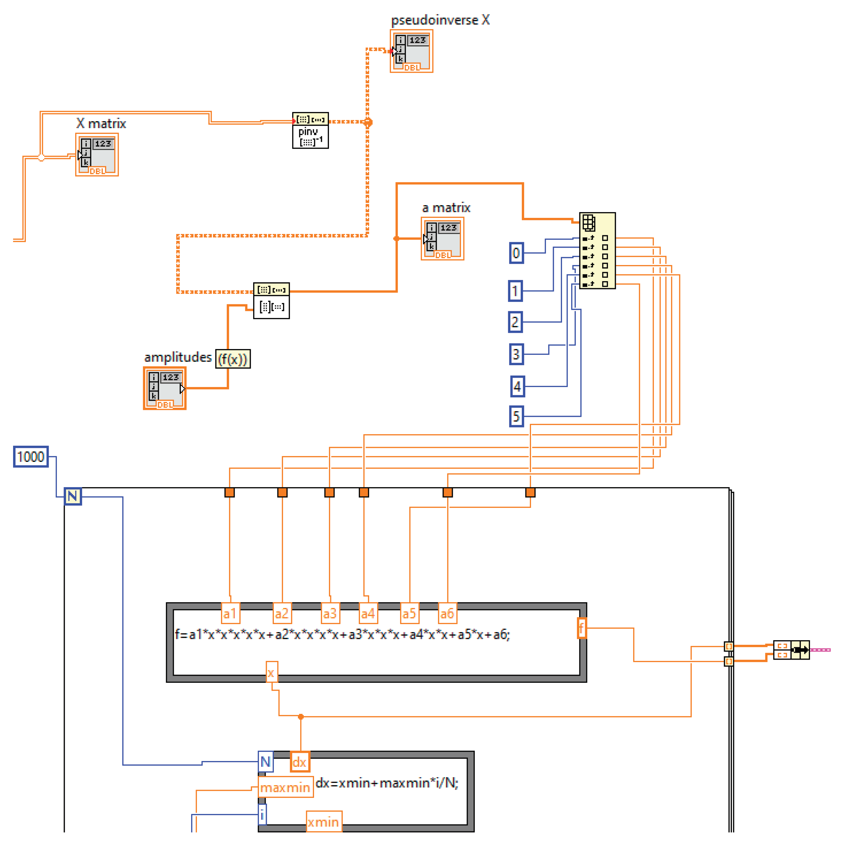
5. Research Method and Some Results Concerning the Evolution in the Monitoring Process by Using the Fourier Spectrum of the Vibrations
6. The Base Density Support Vector Machine and Objective Functions
- -
- xi>0;
- -
- xi must be meaningful points, xi group 1;
- -
- xi BDSVM,
7. Conclusions and Future Work
Author Contributions
Funding
Institutional Review Board Statement
Informed Consent Statement
Data Availability Statement
Acknowledgments
Conflicts of Interest
References
- Nie, Y.; Li, F.; Wang, L.; Li, J.; Sun, M.; Wang, M.; Li, J. A mathematical model of vibration signal for multistage wind turbine gearboxes with transmission path effect analysis. Mechanism and Machine Theory 2022, 167, 104428. [Google Scholar] [CrossRef]
- Spinato, F.; Tavner, P.J.; Bussel, G.J.W.; Koutoulakos, E. Reliability of wind turbine subassemblies. IET Renew. Power Gener. 2009, 3, 387–401. [Google Scholar] [CrossRef]
- Dao, C.; Kazemtabrizi, B.; Crabtree, C. Wind turbine reliability data review and impacts on levelised cost of energy. Wind Energy 2019, 22, 1848–1871. [Google Scholar] [CrossRef]
- Teng, W.; Ding, X.; Zhang, X.; Liu, Y.; Ma, Z. Multi-fault detection and failure analysis of wind turbine gearbox using complex wavelet transform. Renew. Energy 2016, 93, 591–598. [Google Scholar] [CrossRef]
- Vamsi, I.; Sabareesh, G.R.; Penumakala, P.K. Comparison of condition monitoring techniques in assessing fault severity for a wind turbine gearbox under nonstationary loading. Mech. Syst. Signal Process. 2019, 124, 1–20. [Google Scholar] [CrossRef]
- Teng, W.; Ding, X.; Tang, S.; Xu, J.; Shi, B.; Liu, Y. Vibration Analysis for Fault Detection of Wind Turbine Drivetrains—A Comprehensive Investigation. Sensors 2021, 21, 1686. [Google Scholar] [CrossRef] [PubMed]
- Liu, L.; Liang, X.; Zuo, M.J. Vibration signal modeling of a planetary gear set with transmission path effect analysis. Measurement 2016, 85, 20–31. [Google Scholar] [CrossRef]
- Liang, X.; Zuo, M.J.; Liu, L. A windowing and mapping strategy for gear tooth fault detection of a planetary gearbox. Mechanical Systems and Signal Processing 2016, 80, 445–459. [Google Scholar] [CrossRef]
- Feng, Z.; Ma, H.; Zuo, M.J. Vibration signal models for fault diagnosis of planet bearings. Journal of Sound and Vibration 2016, 370, 372–393. [Google Scholar] [CrossRef]
- Wang, T.; Han, Q.; Chu, F.; Feng, Z. Vibration based condition monitoring and fault diagnosis of wind turbine planetary gearbox: A review. Mechanical Systems and Signal Processing 2019, 126, 662–685. [Google Scholar] [CrossRef]
- Salameh, J.P.; Cauet, S.; Etien, E.; Sakout, A.; Rambault, L. Gearbox condition monitoring in wind turbines: A review. Mechanical Systems and Signal Processing 2018, 111, 251–264. [Google Scholar] [CrossRef]
- Zhang, M.; Wang, K.; Wei, D.; Zuo, M.J. Amplitudes of characteristic frequencies for fault diagnosis of planetary gearbox. Journal of Sound and Vibration 2018, 432, 119–132. [Google Scholar] [CrossRef]
- Global Energy Research Council, Global Wind Report, 2009. [Online] http://www.gwec.net/fileadmin/documents/Publications/Global_Wind_2007_report/GWEC_Global_Wind_2009_Report_Lowres_15th.520Apr./pdf.
- Verbruggen, T.W. Condition Monitoring: Theory and Practice. In Proceedings of the Wind Turbine Condition Monitoring Workshop, Broomfield, CO, 8–9 October2009. [Google Scholar]
- Sheng, S.; Veers, P. Wind Turbine Drivetrain Condition Monitoring – An Overview. In Proceedings of the Mechanical Failures Prevention Group: Applied Systems Health Management Conference, Virginia Beach, Virginia, 10–12 May 2011. [Google Scholar]
- Germanischer Lloyd, Guideline for the Certification of Condition Monitoring Systems for Wind Turbines, 2007, Hamburg, Germany.
- Gellermann, T.; Walter, G. Requirements for Condition Monitoring Systems for Wind Turbines, 2003, AZT Report no.03.01.068.
- Wind Stats Newsletter, 2003–2009, vol.16, no.1 to vol.22, no.4, Haymarket Business, Media, London, UK.
- Veers, P. Databases for Use in Wind Plant Reliability Improvement, 2009. In Proceedings of the Wind Turbine Condition Monitoring Workshop, Broomfield, CO, 8–9 October 2009. [Google Scholar]
- T. W. Verbruggen, Wind Turbine Operation and Maintenance Based on Condition Monitoring, 2003, Energy Research Center of the Netherlands, Petten, The Netherlands. [Online] www.ecn.nl/publicaties/PdfFetch.aspx?nr=ECN-C-- 03-047.
- Y.Dodge, The Concise Encyclopedia of Statistics, Springer 2008.
- Z. Nazari, D. Z. Nazari, D. Kang, and H. Endo, Density Based Support Vector Machines, The 29th International Technical Conference on Circuits/Systems, Computers and Communications (ITC-CSCC), pp.1-3, 2014.
- El Moutaouakil, K.; El Ouissari, A.; Olaru, A.; Palade, V.; Ciorei, M. OPT-RNN-DBSVM: OPTimal Recurrent Neural Network and Density-Based Support Vector Machine. Mathematics 2023, 11, 3555. [Google Scholar] [CrossRef]
- Variance-covariance matrix- GeeksforGeeks.html.
















| Sensor label | Description |
|---|---|
| B1-MB-RS | Main bearing accelerometer- rotor side |
| B2-MB-GS | Main bearing accelerometer- generator side |
| B3-LSS | Gearbox accelerometer- low-speed shaft |
| B4-IS | Gearbox accelerometer- intermediary shaft |
| B5-HSS | Gearbox accelerometer- high-speed shaft |
| B6-G-DE | Generator accelerometer drive end-side |
| B7-G-NDE | Generator accelerometer non-drive end-side |
Disclaimer/Publisher’s Note: The statements, opinions and data contained in all publications are solely those of the individual author(s) and contributor(s) and not of MDPI and/or the editor(s). MDPI and/or the editor(s) disclaim responsibility for any injury to people or property resulting from any ideas, methods, instructions or products referred to in the content. |
© 2024 by the authors. Licensee MDPI, Basel, Switzerland. This article is an open access article distributed under the terms and conditions of the Creative Commons Attribution (CC BY) license (http://creativecommons.org/licenses/by/4.0/).