Submitted:
08 June 2023
Posted:
23 June 2023
You are already at the latest version
Abstract
Keywords:
1. Introduction
2. Experimental Apparatus and Data Reduction
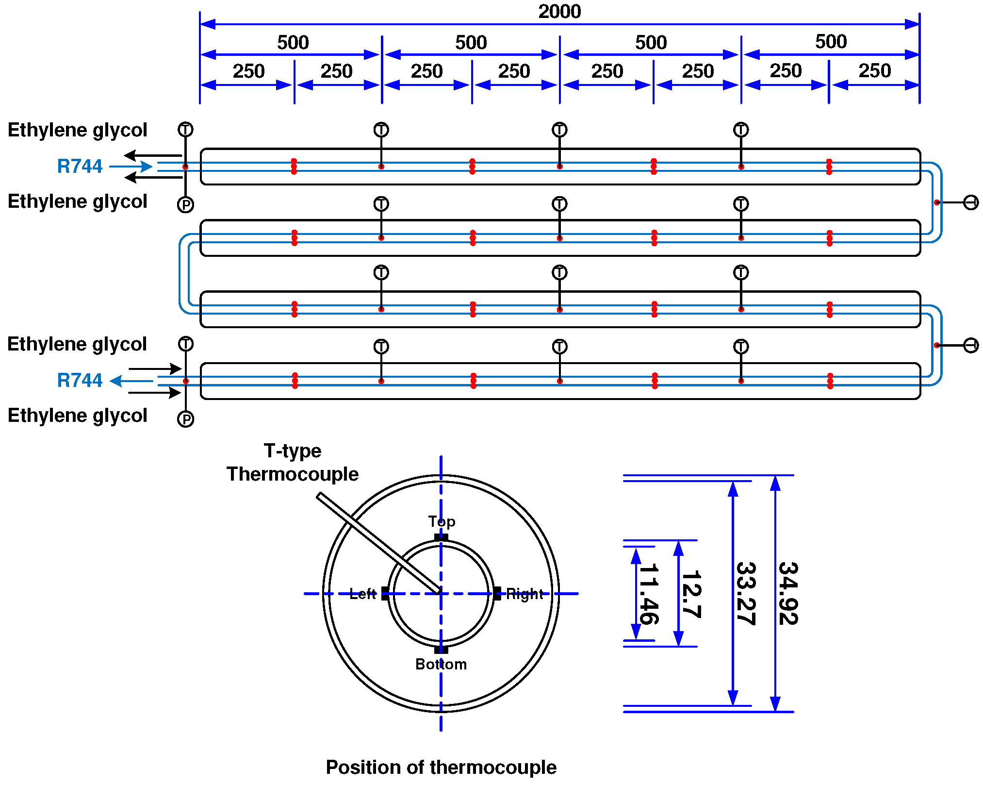
2.1. Experimental Apparatus and Procedure


| Items | Evaporator | |
|---|---|---|
| Inner tube | Material | Copper |
| Inside diameter [mm] | 11.46 | |
| Outside diameter [mm] | 12.7 | |
| Outer tube | Material | Copper |
| Inside diameter [mm] | 33.27 | |
| Outside diameter [mm] | 34.92 | |
| Evaporator length [mm] | 8000 | |
| Variable | Value |
|---|---|
| Refrigerant | R744 |
| Test section | Horizontal smooth tube |
| Inner diameter of tube [mm] | 11.46 |
| Tube length [mm] | 8000 |
| Mass flux [kg/(m2·s) ] | 76.3, 124.5, 175.1 |
| Saturation temperature [°C] | −49.8, −45.1, −40.3, −34.9, −30.2 |
| Heat flux [kW/m2] | 11.8, 17.1, 21.3 |
| Quality | 0~1 |
| Measuring Equipment. | Detail |
|---|---|
| R404A Mass flow rate | Oval Ultra mass MKII Flow meter, model: CT9401-CN10, Range: 0–24 kgmin-1 |
| R744 Mass flow rate | Oval Ultra mass MKII Flow meter, model: CT9401-CN06, Range: 0–12 kgmin-1 |
| Ethylene glycol flow rate | Corea Flow, model: TBN-II-AD(Turbine flowmeter), Range: 0.6~6 m3hr |
| Temperature | ONDI, model: TT-TE(T-type), Range: -270–400 oC |
| Pressure transmitter | WIKA, model: S-10, Range: 0–160 bar abs, 0–5 V |
| Power meter | YOKOGAWA Digital power meter, model: WT230, Range: 15–600 V, 0.5–20 A, 0.5–100 kHz |
- (1)
- After checking the measuring device in advance, vacuum the inside of the system using a vacuum pump.
- (2)
- A small amount of refrigerant is injected and a purge process is performed three times to remove impurities such as residual air while creating a vacuum using a vacuum pump.
- (3)
- Before operating the system, adjust the inlet temperature of the secondary fluid of the R744 evaporator and the R404A condenser using the low-temperature refrigeration system and temperature controller, and then charge each system with refrigerant as a liquid.
- (4)
- After turning on the power of the R744 compressor and operating the compressor, adjust the opening of the expansion valve and the injection amount of refrigerant to maintain the superheat at the outlet of the evaporator, the degree of subcooling of the condenser, and the temperature of the condenser.
- (5)
- In addition, the measurement equipment is operated and the data of temperature, pressure and mass flow of the measuring part are sent to the computer using GPIB communication.
- (6)
- When the system reaches a steady state, measure the refrigerant temperature, pressure, mass flow rate, and compressor compression work three times at 5-minute intervals under steady state.
- (7)
- Repeat the previous process (4)–(7) while changing the experimental conditions.
2.2. Uncertainties
| Parameter | Unit | Uncertainty |
|---|---|---|
| Inner diameter | [mm] | ±0.05 |
| Length, width, and thickness | [m] | ±0.005 |
| Mass flow rate of coolant | [kg/h] | ±7.53 |
| Mass flux of refrigerant | [kg/(m2·s)] | ±1.5 |
| Temperature | [°C ] | ±0.2 |
| Pressure | [kPa] | ±5.27 |
| P (Pressure drop) | [kPa] | ±0.01 |
| Heat flux | [kW/m2] | ±0.15045 |
| Heat transfer coefficient | [kW/(m2·°C)] | ±0.597 |
3. Experimental Results
3.1. Flow Pattern Map of R744
3.1.1. Influence of Mass Flux

3.1.2. Influence of Saturation Temperature

3.1.3. Influence of Heat Flux

3.2. Evaporative Heat Transfer of R744
3.2.1. Influence of Mass Flux

| G [kg/(m2·s)] | [m/s] | [N · s/m2] | [kg/m3] | [m] | Re [/] |
|---|---|---|---|---|---|
| 76.3 | 0.06834 | 0.0001938 | 1117 | 0.01146 | 4512 |
| 124.5 | 0.1115 | 0.0001938 | 1117 | 0.01146 | 7362 |
| 175.1 | 0.1568 | 0.0001938 | 1117 | 0.01146 | 10354 |
3.2.2. Influence of Saturation Temperature

| [°C] | k [kW/(m·K)] | [/] | Pr [/] |
|---|---|---|---|
| −49.8 | 0.1718 | 64.41 | 2.631 |
| −45.1 | 0.1653 | 52.3 | 2.536 |
| −40.3 | 0.1589 | 42.74 | 2.453 |
| −34.9 | 0.1526 | 35.12 | 2.384 |
| −30.2 | 0.1463 | 29 | 2.327 |
3.2.3. Influence of Heat Flux

| [°C] | [/] | [N/m] |
|---|---|---|
| −49.8 | 64.41 | 0.01432 |
| −45.1 | 52.3 | 0.01324 |
| −40.3 | 42.74 | 0.01217 |
| −34.9 | 35.12 | 0.01111 |
| −30.2 | 29 | 0.01008 |
3.2.4. Comparison between Experimental Data and Existing Correlation Formulas
| Researcher | Correlation | |
|---|---|---|
| Chen [41] | (1) | |
| Gungor-Winterton [42] | (2) | |
| Kandlikar [43] |
|
(3) (4) |
| Kenning-Cooper [44] | (5) | |
| Yoon et al. [45] | (6) | |
| Correlation | Chen [41] | Gungor-Winterton [42] | Kandlikar [43] | Kenning-Cooper [44] | Yoon et al. [45] | |
|---|---|---|---|---|---|---|
| Deviation | ||||||
| Average deviation (%) | −0.53 | −25.10 | −10.51 | −13.40 | −24.86 | |
| Absolute mean deviation (%) | 10.37 | 26.35 | 10.51 | 21.87 | 25.02 | |


3.3. Evaporation Pressure Drop of R744
3.3.1. Influence of Mass Flux

3.3.2. Influence of Saturation Temperature

| [°C] | [kg/(m·s)] | [kg/(m·s)] | [/] |
|---|---|---|---|
| −49.8 | 0.0002294 | 0.00001131 | 20.28 |
| −45.1 | 0.0002107 | 0.00001158 | 18.19 |
| −40.3 | 0.0001938 | 0.00001187 | 16.33 |
| −34.9 | 0.0001784 | 0.00001216 | 14.67 |
| −30.2 | 0.0001642 | 0.00001246 | 13.18 |
| [°C] | [kg/m3] | [kg/m3] | [/] |
|---|---|---|---|
| −49.8 | 1155 | 17.93 | 64.41 |
| −45.1 | 1136 | 21.72 | 52.3 |
| −40.3 | 1117 | 26.12 | 42.74 |
| −34.9 | 1097 | 31.22 | 35.12 |
| −30.2 | 1076 | 37.1 | 29 |
3.3.3. Influence of Heat Flux

3.3.4. Comparison between Experimental Data and Existing Correlation Formulas
| Researcher | Correlation | |
|---|---|---|
| Chisholm [51] | (7) | |
| Grönnerud [52] | (8) | |
| Friedel [53] | (9) | |
| Lockhart-Martinelli [54] |
|
(10) (11) |
| Muller-Steinhagen-Heck [55] | (12) | |
| Jung et al. [56] | (13) |

| Authors | Chisholm [51] | Grönnerud [52] | Friedel [53] | Lockhart and Martinelli [54] | Muller-Steinhagen and Heck [55] | Jung et al. [56] | |
|---|---|---|---|---|---|---|---|
| Deviation | |||||||
| Average deviation (%) | −29.45 | 25.57 | −8.65 | 8.10 | 21.58 | −10.36 | |
| Absolute mean deviation (%) | 32.76 | 26.23 | 8.50 | 8.31 | 21.88 | 27.83 | |

4. Conclusions
- When designing the R744 evaporator, as the mass flux increased, the evaporation heat transfer coefficient increased, as did the evaporation pressure drop.
- The lower the saturation temperature, the higher were the heat transfer coefficient and pressure drop. However, as the saturation temperature decreased, the rate increase of the pressure drop was insignificant compared to the rate of increase of the heat transfer coefficient. Therefore, the lower the saturation temperature, the better.
- As the heat flux increased, the evaporative heat transfer coefficient and evaporation pressure drop of R744 increased. However, the rate of increase of the evaporation pressure drop was negligible compared to that of the evaporative heat transfer coefficient. Therefore, the higher the heat flux, the better.
- The evaporative heat transfer characteristics of R744 can be predicted well by using the correlation formula of Chen [41] at the saturation temperature of −40 °C in the CRS.
- The evaporative pressure drop characteristics of R744 can be predicted well by using the correlation formula of Lockhart-Martinelli [54] at the saturation temperature of −40 °C in the CRS.
Funding
Conflicts of Interest
Nomenclature
| SYMBOLS | ||||
| d | Diameter | mm | ||
| E | Enhancement factor | |||
| F | Constant in Shah’s correlation | |||
| Fluid-dependent parameter in Eqs. (16), (17) | ||||
| G | Mass velocity | kg/(m2s) | ||
| g | Gravity acceleration | m/s2 | ||
| h | Heat transfer coefficient | kW/(m2K) | ||
| k | Thermal conductivity | kW/(mK) | ||
| P | Pressure | kPa | ||
| Heat flux | kW/m2 | |||
| S | Suppression factor | |||
| T | Temperature | °C | ||
| Specific volume | m3/kg | |||
| Quality | ||||
| z | Local tube length | m | ||
| Pressure drop due to friction | ||||
| GREEK SYMBOLS | ||||
| Difference | ||||
| Density | kg/m3 | |||
| Viscosity | kg/(ms) | |||
| Surface tension, Standard deviation N/m | % | |||
| Two-phase multiplier | ||||
| DIMENSIONLESS NUMBERS | ||||
| Boiling number | Convection number | |||
| Froude number | Prandtl number | |||
| Reynolds number | ||||
| SUBSCRIPTS | ||||
| cal | Calculated | cb | Convective boiling | |
| CBD | Convective boiling dominant | exp | Experimental | |
| IA | Transition from intermittent flow to annular flow | |||
| l | Liquid state, Flow of the liquid phase alone in the tube | |||
| lo | Total flow with liquid properties | nb | Nucleate boiling | |
| NBD | Nucleate boiling dominant | pool | Pool boiling | |
| SAT | Saturation | v | Vapor state | |
| Martinelli parameter | ||||
References
- Lorentzen, G.; Pettersen, J. A new, efficient and environmentally benign system for car air-conditioning. Int. J. Refrig. 1993, 16, 4–12. [Google Scholar] [CrossRef]
- Pettersen, J.; Hafner, A.; Skaugen, G.; Rekstad, H. Development of compact heat exchangers for CO2 air-conditioning systems. Int. J. Refrig. 1998, 21, 180–193. [Google Scholar] [CrossRef]
- Kruse, H.; Heidelck, R.; Suss, J. The application of CO2 as a refrigerant. Bulletin of the International Institute of Refrigeration 1999, 99-1, 2–21. [Google Scholar]
- Strommen, I.; Bredesen, A.M.; Eikevik, T.; Neksa, P.; Pettersen, J.; Aarlien, R. Refrigeration, air-conditioning, and heat pump systems for the 21st century. Bulletin of the International Institute of Refrigeration 2000, 2000-2, 3–18. [Google Scholar]
- Lorentzen, G. Revival of carbon dioxide as a refrigerant. Int. J. Refrig. 1994, 17, 292–301. [Google Scholar] [CrossRef]
- Pettersen, J. Efficient new automobile air-conditioning system based on CO2 vapor compression, Proceedings of the ASHRAE Annual Meeting, Orlando, FL, USA, 1994, 100, 657-665.
- Knudsen, H.J.H. and Pachai, A.C., 2004, Energy comparison between CO2 cascade systems and state of the art R404A systems, Proceedings of 6th IIR-Gustav Lorentzen Natural Working Fluid Conference, Paper No.
- Winkler, J.M. , Aute, V., Radermacher, R. and Shapiro, D., 2008, Simulation and validation of a R404A/CO2 cascade refrigeration system, International Refrigeration and Air-Conditioning Conference, Purdue, -17, 2008. 14 July.
- Rees, B. , Rohrer, C., Shapiro, D. and Trachta, J., 2007, Performance testing and comparison of liquid overfeed and cascade CO2 systems with R404A primary, International congress of refrigeration, Beijing, ICR07-B2-123.
- Pearson, A. Carbon dioxide-new uses for an old refrigerant. Int. J. Refrig. 2005, 28, 1140–1148. [Google Scholar] [CrossRef]
- Hinde, D.; Zha, S.; Lan, L. CO2 experiences in North American supermarkets. In: Proceedings of the Eighth IIR Gustav Lorentzen Conference on Natural Working Fluids, Copenhagen, Denmark, , 1098-1104. http://hydrocarbons21.com/assets/link/gl_2008_hinde. 7 September.
- Kaga, S.; Nomura, T.; Seki, K.; Hirano, A. Development of compact inverter refrigerating system using R600a/CO2 by Thermo Siphon. In: Proceedings of the Eighth IIR-Gustav Lorentzen Conference on Natural Working Fluids, Copenhagen, Denmark, , 1011-1018. 7 September.
- Sawalha, S.; PALM, B. Energy comsumption evaluation of indirect systems with CO2 as secondary refrigerant in supermarket refrigeration, International Congress of Refrigeration, Washington, D.C., 2003, ICR0434.
- Yi, W.B.; Choi, K.H.; Yoon, J.I.; Son, C.H.; Ha, S.J.; Jeon, M.J. Exergy characteristics of R404A indirect refrigeration system using CO2 as a secondary refrigerant, Heat Mass Transf. 2019, 55, 1133-1142. https://link.springer.com/article/10.1007/s00231-018-2497-x.
- Hassan, M.A.M.; Shedid, M.H. Experimental investigation of two phases evaporative heat transfer coefficient of carbon dioxide as a pure refrigerant and oil contaminated under forced flow conditions in small and large tube. Int. J. Refrig. 2015, 56, 28–36. [Google Scholar] [CrossRef]
- Zhao, X.; Bansal, P.K. Flow boiling heat transfer characteristics of CO2 low temperatures. Int. J. Refrig. 2007, 30, 937–945. [Google Scholar] [CrossRef]
- Bansal, P.; Zhao, X. Flow boiling heat transfer of CO2 at low temperature: Challenges and Oppertunites, ASME 2007 5th International conference on nanochannels, microchannels, and minichannels, 2007, 979-988. [CrossRef]
- Park, C.Y.; Hrnjak, P.S. Flow boiling heat transfer of CO2 at low temperatures in horizontal smooth tube. J. Heat transf. 2005, 127, 1305–1312. [Google Scholar] [CrossRef]
- Wu, J.; Koetting, T.; Franke, Ch.; Helmer, D.; Eisel, T.; Haug, F.; Bremer, J. Investigation of heat transfer and pressure drop of CO2 two-phase flow in a horizontal minichannel. Int. J. Heat Mass Transf. 2011, 54, 2154–2162. [Google Scholar] [CrossRef]
- Fang, X.; Zhou, Z.; Li, D. Review of correlations of flow boiling heat transfer coefficients for carbon dioxide. Int. J. Refrig. 2013, 36, 2017–2039. [Google Scholar] [CrossRef]
- Yoon, J.I; Son, C.H.; Jung, S.H.; Jeon, M.J.; Yang, D.I. Evaporation heat transfer of carbon dioxide at low temperature inside a horizontal smooth tube. Heat Mass Transf. 2017, 53, 1631–1642. [Google Scholar] [CrossRef]
- Liang, Z.; Linlin, J.; Jianhua, L.; Yue, Z. Investigation of flow boiling heat transfer characteristics of CO2 in horizontal mini-tube. Int. J. Therm. Sci. 2019, 138, 109–115. [Google Scholar] [CrossRef]
- Jeon, M.J. Investigation of heat transfer and pressure drop for R744 in a horizontal smooth tube of R744/R404A hybrid cascade refrigeration system-part 1: intermediate temperature region. Energies 2022, 15, 2285. [Google Scholar] [CrossRef]
- Kline, S.J.; McClintock, F.A. Describing Uncertainties in Single Sample Experiments. Mech. Eng. 1953, 75, 3–8. [Google Scholar]
- Moffat, R. Describing the uncertainties in experimental results. Exp. Therm. Fluid Sci. 1988, 1, 3–17. [Google Scholar] [CrossRef]
- Cheng, L.; Ribatski, G.; Wojtan, L.; Thome, J.R. New flow boiling heat transfer model and flow pattern map for carbon dioxide evaporating inside horizontal tubes. Int. J. Heat Mass Transf. 2006, 49, 4082–4094. [Google Scholar] [CrossRef]
- Cheng, L.; Ribatski, G.; Quiben, J.M.; Thome, J.R. New prediction methods for CO2 evaporation inside tubes: Part I-A two-phase flow pattern map and a flow pattern based phenomenological model for two-phase flow frictional pressure drops. Int. J. Heat Mass Transf. 2008, 51, 111–124. [Google Scholar] [CrossRef]
- Cheng, L.; Ribatski, G.; Thome, J.R. New prediction methods for CO2 evaporation inside tubes: Part II - An updated general flow boiling heat transfer model based on flow patterns. Int. J. Heat Mass Transf. 2008, 51, 125–135. [Google Scholar] [CrossRef]
- Han, J.U.; Kim, S.J.; Jung, D.S.; Kim, Y.I. Flow Boiling Heat Transfer Characteristics of R22 Alternative Refrigerants in a Horizontal Smooth Tube. Korean J. Air-Conditioning Refrig. Eng. 2001, 13, 242–251. [Google Scholar]
- Yun, R.; Kim, Y.C.; Kim, M.S. Two-phase flow patterns of CO2 in a narrow rectangular channel, Proceedings of 21st IIR International Congress of Refrigeration, Washington, DC, USA, 2003, pp. 1-7.
- Zhao, X.; Bansal, P. Experimental investigation on flow boiling heat transfer of CO2 at low temperatures. Heat Transf. Eng. 2009, 30, 2–11. [Google Scholar] [CrossRef]
- Park, C.Y.; Hrnjak, P.S. CO2 and R410A Flow boiling heat transfer and pressure drop at low temperatures in a horizontal smooth tube. Int. J. Refrig. 2007, 30, 166–178. [Google Scholar] [CrossRef]
- Yun, R.; Kim, Y.C.; Kim, M.S. Convective boiling heat transfer characteristics of CO2 in microchannels. Int. J. Heat Mass Transf. 2005, 48, 235–242. [Google Scholar] [CrossRef]
- Choi, K.I.; Pamitran, A.S.; Oh, J.T. Two-phase flow heat transfer of CO2 vaporization in smooth horizontal minichannels. Int. J. Refrig. 2007, 30, 767–777. [Google Scholar] [CrossRef]
- Thome, J.; Wojtan, L.; Ursenbacher, T. Investigation of flow boiling in horizontal tubes: Part 1 – a new adiabatic two-phase flow pattern map. Int. J. Heat Mass Transf. 2005, 48, 2955–2969. [Google Scholar] [CrossRef]
- Wu, J.; Koettig, T.; Franke, Ch.; Helmer, D.; Eisel, T.; Haug, F.; Bremer, J. Investigation of heat transfer and pressure drop of CO2 two-phase flow in a horizontal minichannel. Int. J. Heat Mass Transf. 2011, 54, 2154–2162. [Google Scholar] [CrossRef]
- Oh, H.K.; Jo, H.; Son, C.H.; Jeon, M.J.; Yi, W.B. Evaporation heat transfer characteristics of carbon dioxide at low temperature of -30oC~-50oC, Proceedings of SAREK Summer Annual Conference, 2013, pp. 17-20.
- Choi, K.I.; Oh, J.T. Boiling Heat Transfer Ammonia inside Horizontal Smooth Small Tube. Korean J. Air-Conditioning Refrig. Eng. 2013, 25, 101–108. [Google Scholar] [CrossRef]
- Lim, T.W.; Han, K.I. A Study on Heat Transfer Characteristics in Flow Boiling of Pour Refrigerants and Their Mixtures in Horizontal Tube. Korean J. Air-Conditioning Refrig. Eng. 2003, 15, 144–151. [Google Scholar]
- Pettersen, J. Flow vaporization of CO2 in micro-channels tubes. Exp. Therm. Fluid Sci. 2004, 28, 111–121. [Google Scholar] [CrossRef]
- Chen, J.C. Correlation for boiling heat transfer to saturated fluids in convective flow. Ind. Eng. Chem. Process. Des. Dev. 1966, 5, 322–329. [Google Scholar] [CrossRef]
- Gungor, K.E.; Winterton, R.H.S. A general correlation for flow boiling in tubes and annuli. Int. J. Heat Mass Transf. 1986, 29, 351–358. [Google Scholar] [CrossRef]
- Kandlikar, S.G. A general correlation for saturated two-phase flow boiling horizontal and vertical tubes. J. Heat Transf. 1990, 112, 219–228. [Google Scholar] [CrossRef]
- Kenning, D.B.R.; Cooper, M.G. Saturated flow boiling of water in vertical tubes. Int. J. Heat Mass Transf. 1989, 32, 445–458. [Google Scholar] [CrossRef]
- Yoon, S.H.; Cho, E.S.; Hwang, Y.W.; Kim, M.S.; Min, K.; Kim, Y.C. Characteristics of evaporative heat transfer and pressure drop of carbon dioxide and correlation development. Int. J. Refrig. 2004, 27, 111–119. [Google Scholar] [CrossRef]
- Kandlikar, S.G. A model for correlating flow boiling heat transfer in augmented tubes and compact. J. Heat Transf. 1991, 113, 966–972. [Google Scholar] [CrossRef]
- Kandlikar, S.G.; Balasubramanian, P. An Extension of the flow boiling correlation to transition, laminar, and deep laminar flows in minichannels and microchannels. Heat Transf. Eng. 2004, 25, 86–93. [Google Scholar] [CrossRef]
- Bredesen, A.M.; Hafner, A.; Pettersen, J.; Nekså, P.; Aflekt, K. Heat transfer and pressure drop for in-tube evaporation of CO2, Proceedings of International Conference on Heat Transfer Issues in Natural Refrigerants, IIF-IIR, College Park, Maryland, USA, 1997, pp. 1-15.
- Yun, R.; Kim, Y. Two-phase pressure drop of CO2 in mini-tubes and micro-channels. Microscale Thermophys. Eng. 2004, 8, 259–270. [Google Scholar] [CrossRef]
- Moreno Quiben, J.; Thome, J.R. Flow pattern based two-phase frictional pressure drop model for horizontal tubes, Part II: new phenomenological model. Int. J. Heat Fluid Flow, 2007, 28, 1060–1072. [Google Scholar] [CrossRef]
- Chisholm, D. The influence of mass velocity on friction pressure gradients during steam-water flow. Proc. Inst. Mech. Eng. Conf. Proc. 1967, 182, 35. [Google Scholar] [CrossRef]
- Grönnerud, R. Investigation of liquid hold-up, flow resistance and heat transfer in circulation type evaporators. part 4: two-phase flow resistance in boiling refrigerants, Annexe 1972-1, Bull. de 1’Inst. de Froid, International Institute of Refrigeration(IIR), Paris, 1979.
- Friedel, L. Improved friction pressure drop correlation for horizontal and vertical two-phase pipe flow, Presented at the European Two-Phase Flow Group Meeting, Ispra, Italy, Paper E2, June, 1979.
- Lockhart, R.W.; Martinelli, R. C. Proposed correlation of data for isothermal, two phase, two component flow in pipes. Chem. Eng. Prog., 1949, 45, 39–48. [Google Scholar]
- Muller-Steinhagen, H.; Heck, K. A simple friction pressure drop correlation for two-phase flow in pipes. Chem. Eng. Process., 1986, 20, 297–308. [Google Scholar] [CrossRef]
- Jung, D.S.; McLinden, M.; Radermacher, R.; Didion, D. A study of flow boiling heat transfer with refrigerant mixtures. Int. J. Heat Mass Transf., 1989, 32, 1751–1764. [Google Scholar] [CrossRef]
Disclaimer/Publisher’s Note: The statements, opinions and data contained in all publications are solely those of the individual author(s) and contributor(s) and not of MDPI and/or the editor(s). MDPI and/or the editor(s) disclaim responsibility for any injury to people or property resulting from any ideas, methods, instructions or products referred to in the content. |
© 2023 by the authors. Licensee MDPI, Basel, Switzerland. This article is an open access article distributed under the terms and conditions of the Creative Commons Attribution (CC BY) license (http://creativecommons.org/licenses/by/4.0/).
