Preprint
Review

This version is not peer-reviewed.

Review of Hybrid Energy Storage Systems for Hybrid Electric Vehicles

A peer-reviewed article of this preprint also exists.

Submitted:

22 May 2024

Posted:

23 May 2024

You are already at the latest version

Abstract
Energy storage systems play a crucial role in the overall performance of hybrid electric vehicles. Therefore, the state of the art in energy storage systems for hybrid electric vehicles has been discussed in this paper along with appropriate background information for facilitating future research in this domain. Specifically, we have compared the key parameters such as cost, power density, energy density, cycle life, and response time for various energy storage systems. For the energy storage systems employing ultra capacitors, we have presented the characteristics such as cell voltage, cycle life, power density and energy density. Furthermore, we have discussed and evaluated the interconnection topologies for the existing energy storage systems. We have also discussed the hybrid battery-flywheel energy storage system as well as the mathematical modeling of the battery-ultracapacitor energy storage system. Toward the end, we have discussed energy efficient powertrain for hybrid electric vehicles.
Keywords: 
;  ;  ;  ;  

1. Introduction

In recent years, a heightened global awareness of the detrimental impact of conventional energy resources, particularly fossil fuels, on climate change has catalysed a substantial shift towards renewable alternatives like wind and solar power [1,2,3,4]. While these sources offer a more environmentally friendly solution, their integration into existing energy infrastructures faces formidable challenges due to inherent variability and intermittent energy generation [5]. Mitigating these challenges necessitates the implementation of advanced energy storage devices, such as batteries and supercapacitors [6]. Applications heavily reliant on electricity, such as smart home energy systems and electric vehicles (EVs), underscore the critical need for reliable and efficient energy storage solutions [7]. Despite unique advantages offered by batteries and supercapacitors, their individual limitations pose obstacles in specific scenarios [8]. Batteries, with their high energy density, excel at storing substantial energy over extended periods. However, they grapple with low power density, constraining their ability to deliver high-power bursts for demanding applications. Conversely, supercapacitors exhibit exceptional power density, enabling rapid charge and discharge of large energy quantities [9,10,11,12]. Yet, their low energy density makes them unsuitable for storing significant energy over prolonged periods. To surmount these limitations, the scientific community has turned to Hybrid Energy Storage Systems (HESS) as shown in Figure 1.
These systems ingeniously amalgamate various energy storage technologies, including batteries, flywheels, supercapacitors, and fuel cells, to achieve a synergistic effect. By harnessing the complementary characteristics of these diverse technologies, HESS emerges as a superior solution, surpassing the capabilities of individual storage devices [13,14,15,16]. An abundance of scholarly inquiries has thoroughly investigated the intricate dimensions surrounding the design, configuration, and control of HESS. Yogeshwar and Shital [17] research focuses on a HESS integrating ultra-capacitors and batteries, strategically designed to overcome limitations in conventional energy storage methods. The academic importance of their work lies in its potential to revolutionize electric and hybrid vehicles by enhancing energy storage efficiency through judicious ultra-capacitor integration. The research meticulously explores various methodologies for connecting the drivetrain’s battery and ultra-capacitors to the DC bus, with a keen emphasis on determining the optimal configuration. Recognizing challenges in direct connections, the study navigates through the exploration of converter-based Power-Energy (PE) structures, leveraging bidirectional DC-DC converters for enhanced energy management.
Luca et al. [18] aim to enhance heavy armored vehicle performance over 50 tons using engineering and optimization techniques. Their focus is on designing a serial hybrid electric power pack, employing axial flux motors and controllers to replace conventional gearboxes and steering systems in Main Battle Tanks. The proposed hybrid system is expected to improve on-road and off-road performance, reduce fuel consumption, and achieve a Time Between Overhaul (TBO) of 4500 hours with low failure probability. Yunfei et al. [19] aim to propose a multi-dimensional size optimization framework and a hierarchical energy management strategy (HEMS) for a plug-in hybrid electric vehicle (PHEV) with a HESS. The size optimization method considers maximum power, battery capacity, and supercapacitor (SC) capacity. Compared to a battery energy storage system (BESS), the size-optimized HESS exhibits a 31.3% reduction in system capacity and a 37.8% improvement in economy. The HEMS, designed to optimize fuel consumption and suppress battery aging, achieves a 48.9% reduction in battery aging rate and a 21.2% increase in vehicle economy compared to the benchmark. Muhammad Jafari et al. [20] present a magnetically coupled hybrid renewable energy system (RES) designed for residential applications, integrating energy from PV panels, a fuel cell stack, and a battery through a multi-winding magnetic link to supply power to residential loads. The system operates in various grid-connected and off-grid modes, employing an energy management unit with an offline dynamic programming-based optimization stage and a real-time rule-based controller for optimal power flow regulation based on the provided energy plan. Moreover, in [21], a novel HESS topology exclusively featuring a unidirectional DC/DC converter is posited to enhance battery efficiency in electric vehicles. This study not only introduces this innovative topology but also elucidates the simulated relationship between supercapacitor size and battery degradation ratio.
Pengfei et al. [22] focus on addressing challenges posed by high-power pulsed loads (HPPL) in aircraft electrical power systems, emphasizing applications such as airborne laser weapons and radar. The study advocates for the implementation of a hybrid energy storage system (HESS) to effectively meet peak power demands. Proposing a sizing optimization framework for HESS, the research integrates an energy management strategy (EMS) based on virtual-droop control, specifically tailored for aircraft applications. By analysing the spectrum characteristics of HPPL profiles, the study strategically designs the splitting frequency between different energy storage devices to optimize HESS performance.
Morton C -et al. [23] research extensively explores the two-decade evolution in automotive engine ancillaries from mechanical to electrical power, addressing the demand for higher electrical systems in heavy trucks. Introducing the concept of hybrid electric heavy trucks (HETs) and emphasizing the need for a higher voltage infrastructure, the study investigates electrifying hydraulic power steering, resulting in an optimized Electrical Hydraulic Power Steering (EHPS) system. Validation of simulation outcomes with empirical data from a prototype HET supports the project’s objective of demonstrating EHPS viability in heavy trucks. The research compares EHPS efficiency with conventional Hydraulic Power Steering (HPS) systems, highlighting advantages in specific driving conditions. Despite higher initial costs, EHPS is shown to provide substantial fuel savings over a vehicle’s lifetime, validated through simulation and hardware verification. This comprehensive study not only contributes to academia but also offers practical insights for the automotive industry’s sustainable integration of advanced technologies in heavy trucks.
De Santis M et al. [24]study addresses energy consumption challenges in industrial trucks, particularly focusing on hydraulic systems powered by internal combustion engines (ICE). The primary objective is to introduce and assess the feasibility of an electric-powered hydraulic pump system (e-HPS) for waste compactor trucks, emphasizing its potential for driving lifting and garbage compaction functions. The study demonstrates the economic viability of the e-HPS, resulting in €65,000 cost savings over the assumed 12-year truck lifespan. Additionally, the e-HPS exhibits an impressive 80% reduction in CO2 emissions compared to conventional ICE-driven systems, showcasing its environmental benefits in urban settings. The findings offer insights into retrofitting waste compactor trucks and lay the groundwork for more economical and environmentally friendly hybrid systems in a broader range of vehicles, with future investigations recommended to explore enhancements such as kinetic energy recovery systems (KERS) and alternative recharging methods. Lastly, Shen et al. [25] meticulously configure super-capacitor size based on specific driving cycles. The paper introduces a two-objective function encompassing cost and battery degradation, thereby furnishing a comprehensive analytical framework for the assessment of diverse HESS configuration outcomes.
This exhaustive review endeavours to scrutinize the intricate optimization processes inherent in both active and passive Hybrid Energy Storage System (HESS) configurations, with a particular emphasis on their adaptation for integration into Hybrid Electric Vehicles (HEVs). The investigation delves into the nuanced considerations and advancements associated with batteries, supercapacitors, and flywheels, offering a comprehensive overview of the tailored strategies employed to enhance the performance and efficiency of these energy storage components within the context of HEV applications. While passive HESS architectures offer simplicity and cost-effectiveness, they grapple with limitations in power flow control.
In contrast, active HESS, employing bidirectional DC/DC converters, provides enhanced control over power flow between the battery and supercapacitors. This meticulous control allows for precise regulation of energy delivery to the load, consequently minimizing energy losses within the system. Subsequent sections of the review delve deeper into key optimization strategies for HESS, encompassing power flow control, energy management, sizing and selection considerations, and exploration of hybrid configurations involving additional energy storage technologies like flywheels. By systematically analysing and optimizing these pivotal aspects of HESS design, researchers and engineers can craft energy storage solutions for HEVs that are not only efficient and reliable but also pave the way for a more sustainable and environmentally friendly future in transportation.
This review paper brings forth several novel aspects and addresses research gaps within the existing literature related to Hybrid Energy Storage Systems (HESS). The primary contribution of this review paper lies in its role as a consolidator, bringing together scattered information from diverse sources.The distinctive contributions and focal points include:
  • Consolidated Representation of HESS Composition: The review uniquely consolidates various characteristics of HESS composition, encompassing elements such as batteries, Ultracapacitors (UC), and Energy Storage Systems (ESS). This consolidation provides a holistic overview of the diverse components contributing to the system.
  • Comprehensive Coverage of Latest Advancements: The paper offers a comprehensive coverage of the latest advancements in HESS technology. By synthesizing information scattered across the literature, it presents an up-to-date account of the most recent developments, ensuring a thorough understanding of the current state-of-the-art in this field.
  • Consolidated Representation of Mathematical Modelling: A distinctive feature is the consolidated representation of mathematical modeling for batteries, Ultracapacitors, and the hybrid system. This in-depth exploration and synthesis of modeling approaches contribute to a clearer understanding of the mathematical foundations underpinning HESS.
  • Comprehensive Discussion on Efficient Powertrain in HEV: The review offers a comprehensive discussion on the efficient design of powertrains in Hybrid Electric Vehicles (HEVs) based on existing literature. It critically evaluates and integrates findings to provide insights into building an efficient powertrain for HEVs, addressing a critical aspect of hybrid vehicle technology.
The remainder of this paper is outlined as follows. Section 2 is the History of HEVs. Section 3 is about Architecture of HEVs. Section 4 delves into the discussion of Hybrid Energy storage systems (HESSs). Section 5 is about the Energy management strategy (EMS) for HEV. Finally, the conclusion is made in section 6.

2. History of Hevs

In 1898, Dr. Ferdinand Porsche, a German engineer, introduced the Lohner Electric Chaise, marking a pivotal moment in automotive history as the first car with front-wheel-drive technology. This departure from conventional design established the Lohner Electric Chaise as an innovative trailblazer in transportation. Porsche’s subsequent creation, a hybrid unveiled a few years later, solidified his reputation as an automotive visionary [26,27,28,29]. This vehicle seamlessly integrated an internal combustion engine (ICE) as a generator, supplying electricity to electric motors strategically placed in the wheel hubs. This technological synergy showcased Porsche’s engineering acumen and commitment to pushing automotive boundaries. Notably, the hybrid achieved an impressive range of nearly 40 miles solely on battery power, demonstrating Porsche’s foresight in combining traditional and electric propulsion systems. This foreshadowed the prevalence of hybrid technologies in the modern automotive landscape. The Lohner Electric Chaise, with its dual innovations of front-wheel drive and hybrid propulsion, stands as a historic milestone, highlighting Dr. Ferdinand Porsche’s enduring impact on the evolution of automobiles [26,31,32,33,34]. During the early 1900s, a noteworthy proliferation of electric and hybrid automobiles originated from manufacturers in both Europe and North America. A pertinent illustration is the vehicle crafted by the Krieger company in 1903, wherein a battery pack was synergistically complemented by a gasoline engine. Similarly, Pieper, a Belgian automotive manufacturer, introduced a "voiturette" in 1900, notable for its modest 3-1/2 horsepower. Particularly noteworthy is the incorporation of a compact gasoline engine alongside an electric motor, strategically positioned beneath the seat in this model [24]. Notwithstanding their initial successes, electric vehicles (EVs) and hybrid electric vehicles (HEVs) encountered a decline in popularity during the first half of the twentieth century. However, a significant turning point occurred in 1976 with the enactment of the Electric and Hybrid Vehicle Research, Development, and Demonstration Act, Public Law 94-413, by the United States. This legislative measure played a pivotal role in rekindling interest and fostering the development of hybrid and electric vehicles, thereby establishing the groundwork for their resurgence in the modern era. [29]. Today, In the present era, hybrid electric vehicles (HEVs) harness advanced technologies featuring sophisticated control algorithms and optimization techniques. These innovations are strategically implemented to optimize fuel efficiency and minimize emissions. Consequently, HEVs are witnessing a notable surge in popularity, attributable to their adept integration of favourable attributes from both electric vehicles and conventional gasoline-powered cars. They present a compelling combination of the fuel efficiency and eco-friendliness typically associated with electric vehicles, while concurrently preserving the reliability and extended range capabilities traditionally linked with gasoline-powered automobiles [26,35].

3. Architecture of Hevs

Hybrid Electric Vehicles (HEVs) exhibit the capacity to amalgamate various energy sources for propulsion, delineated into two overarching categories, as illustrated in Figure 2: (i) Internal Combustion Engine (ICE)-based HEVs and (ii) Fuel Cell-based Hybrid Electric Vehicles (FCHEV) [35,36,37]. Moreover, an increasing emphasis is being placed on the integration of Flywheel Energy Storage Systems (FESS) in the domain of Hybrid Electric Vehicles (HEVs). This heightened attention stems from the inherent capability of FESS to expeditiously furnish substantial energy reserves [38,39].
Vehicles combining battery and ICE technologies are classified into three types: (1) Hybrid Electric Vehicle (HEV) (2) Plug-in Hybrid Electric Vehicle (PHEV) (3) Photo-Voltaic Hybrid Electric Vehicle (PVHEV). The optimal design and operation of powertrains of this nature require the implementation of advanced control algorithms and an Energy Management Strategy (EMS). The EMS assumes a critical role in optimizing various objectives, such as the enhancement of the internal combustion engine’s (ICE) fuel efficiency, the preservation of the battery’s State of Charge (SoC), and ensuring adherence to system and driving constraints. The EMS serves as the "brain" of the HEV powertrain, continuously monitoring the system’s parameters, such as the battery charge level and the vehicle’s power demand. The EMS then makes real-time decisions to adjust the ICE’s power output and the EM’s charging and discharging rates to maintain optimal system performance. The charging efficiency of the charge sustaining (CS) mode is predominantly reliant on regenerative braking and gasoline usage [41,42,43,44,45,46]. Addressing this issue, plug-in hybrid electric vehicles (PHEVs) represent an optimistic way forward. Unlike their conventional hybrid electric vehicle (HEV) counterparts, PHEVs can be charged using external power outlets. In a PHEV, the electric motor (EM) takes the lead as the primary power provider, contributing the major portion of the vehicle’s power. The internal combustion engine (ICE) serves as a backup power source. When the battery state of charge (SOC) reaches a specific threshold, the PHEV operates similarly to a conventional HEV, with the ICE taking over as the primary power source. In charge depletion (CD) mode, which is the typical mode of operation for most PHEVs, the SOC is depleted to a specific level. Concerning their architecture, PHEVs closely resemble HEVs, except for the incorporation of an onboard battery that boasts significantly higher energy density and efficiency. As both charge sustaining (CS) and charge depletion (CD) modes are employed in PHEVs, a more intricate control strategy is required in comparison to conventional HEVs. The operational sequence of PHEVs generally involves initiating in CD mode and then transitioning to CS mode once the battery achieves a predetermined state of charge (SOC). This CS mode continues until the vehicle is parked and subsequently recharged [47,48,49,50,51,52]. PV HEVs, denoting Photovoltaic Hybrid Electric Vehicles, are intricately crafted to enhance energy efficiency through the seamless integration of conventional internal combustion engines with electric motors and solar panels. These solar panels are strategically emplaced on the vehicle’s exterior, predominantly on the roof, facilitating the capture and conversion of sunlight into electrical energy. The accrued energy is judiciously stored in a battery, thereby providing auxiliary support to the electric motor and resulting in a noteworthy reduction in fuel consumption. This innovative integration underscores a more environmentally conscious approach to mobility solutions, aligning with the imperative for sustainable and ecologically responsible driving practices [53,54,55,56,57,58].

3.1. Series Hev

In the series configuration of a hybrid vehicle, as depicted in Figure 3, it is imperative to underscore that the electric motor (EM) assumes a primary role in generating the principal propulsive force for the vehicle.
Concurrently, the Internal Combustion Engine (ICE) is tasked with recharging the batteries through a generator. Notably, the synergistic operation of the ICE and generator has the capability to directly supply power to the traction electric motor (EM), thereby eliminating the necessity for battery charging or discharging. This particular configuration, commonly observed in diesel-electric locomotives, imparts enhanced flexibility in terms of traction capabilities and overall performance. This is facilitated by the implementation of a separation mechanism that effectively decouples the drive shaft from the ICE, contributing significantly to heightened operational efficiency [59,60,61,62,63].
There are several operation modes associated with the series configuration [59].
  • During the starting phase, both the ICE and the EM work together to propel the vehicle, ensuring an efficient and smooth acceleration process.
  • In light load situations, the surplus power generated by the ICE is used to charge the batteries, optimizing energy utilization and storage for later use. This intelligent energy management system enhances the overall effectiveness of the hybrid vehicle’s operational efficiency.
  • Through the regenerative braking feature, the EM functions as a generator during deceleration, converting kinetic energy into electrical energy to recharge the batteries. This regenerative braking process recovers and recycles energy that would otherwise be wasted, improving the vehicle’s efficiency.
  • When the vehicle is stationary, the ICE can directly charge the batteries through the generator, ensuring optimal battery levels for future use.
Overall, the series configuration in hybrid vehicles provides a dynamic and efficient power distribution system, enabling the ICE and EM to collaborate effectively for propulsion and energy management in various operating conditions. The subsequent points outline the primary benefits of series hybrid drivetrains [60,61]:
  • The utilization of a single torque source (electric motor) for the driven wheels simplifies speed control, much like throttle control via the accelerator pedal.
  • The mechanical decoupling between the IC engine and the driven wheels enables the IC engine to operate within its highly restricted optimal range.
  • The electric motor’s nearly ideal torque-speed characteristic obviates the necessity for a multi-gear transmission.
  • The drivetrain control, structure, and packaging are all straightforward, with only electrical cables connecting the engine/generator, batteries, and the traction motor.
However, a series hybrid drivetrain also presents certain drawbacks, which include:
  • The need for two electric machines, namely the electric generator and traction motor.
  • Twice the energy form conversions (mechanical from engine to electric via generator and then back to mechanical through the traction motor) result in increased energy losses.
  • The necessity for a large traction motor since it serves as the sole torque source for the driven wheels.
Due to its straightforward structure, drivetrain control, and easy packaging, the series hybrid drivetrain is commonly utilized in heavy-duty vehicles, including heavy commercial vehicles, military vehicles, buses, and locomotives. This preference can be attributed to the larger vehicles’ capability to accommodate the bulky engine/generator system that is integral to this configuration. A typical application of the series hybrid drivetrain can be seen in the production of hybrid electric city buses. Manufacturers such as Electric Vehicles International, Ebus, ISE Research, and Thunder-Volt often employ this technology in their production processes [63].

3.2. Parallel Hev

The drivetrain of a parallel hybrid, as illustrated in Figure 4, comprises an engine and an electric motor with the capability to directly transmit torque to the driven wheels through a mechanical coupling. This coupling may take various forms, such as a basic gearbox, a pulley-belt assembly, a sprocket-chain arrangement, or a singular axle. The parallel hybrid drivetrain demonstrates several noteworthy advantages [31,64,65,66,67].
  • Both the engine and the electric motor can directly supply torque to the driven wheels, eliminating the need for energy form conversion, thereby resulting in less energy loss.
  • The absence of a generator and smaller traction motor contributes to the system’s compactness. As a result, parallel hybrid drivetrains are a popular choice for small vehicles.
However, parallel hybrid drivetrains have certain drawbacks. The mechanical coupling between the engine and the driven wheels is a significant disadvantage. It restricts the fixed operating points of the engine within a narrow speed range, resulting in decreased efficiency. Furthermore, the complex structure and control of the system make it challenging to design, implement, and maintain. Despite these drawbacks, parallel hybrid drivetrains remain popular in the automotive industry, particularly for passenger cars. The Honda Civic, Honda Insight, Ford Escape, and several other well-known vehicles use this configuration, highlighting its reliability and suitability for everyday use [26,68].

3.3. Series-Parallel Hev

The series-parallel drivetrain constitutes an advanced technological system that relies on the isolation of engine speed from wheel speed, achieved through the implementation of a planetary gear unit. The speed-torque relationship of the planetary gear unit is visually depicted in Figure 5, providing a comprehensive illustration of the operational principle. At a given vehicle speed, control over the generator/motor speed allows for the adjustment of engine speed. Consequently, the series power flow path involves the engine, planetary gear unit, and generator/motor, facilitating efficient power transmission. In instances where the generator/motor speed is negative (opposite to torque), it operates in the generating mode, distributing engine power into two components: one for the generator and the other for the drivetrain. Conversely, with a positive generator speed, the generator/motor functions as a motor, augmenting power to the driven wheels. By regulating the generator/motor speed, engine speed can be optimized, resulting in enhanced fuel efficiency and reduced emissions. When both the stator and rotor of the generator/motor are locked in position and de-energized, the generator/motor disengages from the drivetrain, and the planetary gear unit functions as a conventional gearbox with a fixed gear ratio. Additionally, the traction motor serves as an additional torque source directly contributing to the drive wheels, thereby augmenting the overall efficiency and performance of the drivetrain [31].

3.4. COMPLEX HEV

The nomenclature "complex hybrid" is attributed to a system characterized by an intricate configuration, rendering it challenging to categorize within the three types previously mentioned. As depicted in Figure 6, this system shares resemblances with the series-parallel hybrid, incorporating electric machinery consisting of an electric motor and generator. However, a fundamental distinction arises in the complex hybrid, where the electric motor demonstrates bidirectional power transmission capabilities, contrasting with the series-parallel hybrid’s reliance on unidirectional power flow from the generator. The bidirectional power flow capability in the complex hybrid facilitates versatile operating modes, particularly the three-propulsion power operating mode, a distinctive feature absent in the series-parallel hybrid. Analogous to the series-parallel HEV, the complex hybrid is susceptible to heightened complexity and increased costs. Nevertheless, certain recently introduced HEVs have adopted this system, particularly for dual-axle propulsion [31].
The key difference lies in the efficiency and simplicity of regenerative braking. Bidirectional power flows in the complex hybrid allow for a more direct and efficient transfer of energy during regenerative braking, while in the series-parallel configuration, the process might involve additional components, potentially making it less straightforward.

4. Hybrid Energy Storage System (Hess) for Hev

The HESS represents an innovative technology that combines two or more energy storage technologies, aiming to harness the exceptional high energy density of one technology while leveraging the remarkable high-power density of another. Consequently, this integration yields a storage system with significantly improved power and energy density, ultimately enhancing vehicle performance, fuel efficiency and extending the range in electric vehicles [69,70]. As a result, HESS is increasingly gaining popularity in the transportation sector, offering a promising path towards achieving greener and more efficient transportation systems. The components comprising energy storage systems, including chemical batteries, sodium sulfur (NaS) batteries, flywheels, supercapacitors, superconducting magnetic energy storage (SMES), and fuel cells, collectively form the foundation of contemporary energy storage. Table I provides a comprehensive overview of their distinctive features, revealing the inherent strengths and vulnerabilities of each energy storage system (ESS), specialized for specific frequency power transactions. Recognizing the constraints of individual ESS, there is a compelling need for a solution addressing both low and high-frequency power demands. This is achieved through the strategic integration of diverse energy storage elements (ESE) into a HESS [73,74]. Among explored configurations, the amalgamation of a chemical battery and a supercapacitor stands out due to their widespread availability, operational compatibility, and synergistic capabilities in mitigating each other’s limitations. This collaborative synergy within a HESS transcends functional aggregation, deftly leveraging the unique strengths of each component to create a sophisticated and versatile energy storage solution capable of meeting diverse power transaction requirements across a broad frequency spectrum.
Table 1. Characteristics of different ESS elements.
Table 1. Characteristics of different ESS elements.
ESS Cost Power Density Energy Density Cycle Life Response Time
NaS Battery Medium Low Medium Short Slow
Flywheel High High Low Long Fast
SMES High High Medium Long Fast
Chemical Battery Low Low High Short Medium
Fuel cell High Low High Long Fast
Supercapacitor Medium High Low Long Fast

4.1. Hess with Battery and Ultracapacitor

In order to fulfill the power requirements of the vehicle, it is imperative that the battery undergoes frequent cycles of charging and discharging. However, this incessant usage will inevitably result in an acceleration of the battery’s aging process. At present, power batteries are characterized by a high cost and a lack of significant progress in terms of their cycle life. Battery aging significantly contributes to vehicle operating costs. Therefore, optimizing the battery’s service life is crucial. Proper charging and discharging methods, temperature management, and preventive maintenance are vital factors in prolonging battery life. Despite batteries being the primary energy storage device in electric vehicles, supercapacitors offer higher power density and cycle life, but lower energy density [73,74]. SCs are suitable for certain applications due to their high-power density, but their lower energy density may require more frequent recharging. Maximizing battery life and exploring the potential of SCs are necessary for a more sustainable and efficient transportation system. While a battery with a higher power density exists, it comes at a much higher cost than a lower power density pack. Combining SCs and batteries into HESS can slow down battery aging by leveraging the strengths of each technology. SCs handle high power demands, while batteries provide high energy density for longer storage. This approach optimizes battery operation and reduces wear, making it a promising solution for efficient and reliable energy storage in electric vehicles and renewable energy systems. The cost of ultracapacitors for HEVs has been steadily decreasing in recent years, although they still remain more expensive than traditional batteries. Nevertheless, their high upfront cost is counterbalanced by their impressive long cycle life and minimal maintenance requirements [11]. According to a study conducted by the National Renewable Energy Laboratory (NREL), it is projected that the cost of ultracapacitors for HEVs will experience a substantial 50% reduction by the year 2030. This decrease in cost will make ultracapacitors more competitive when compared to traditional batteries, leading to broader adoption in HEVs [75]. It’s important to note that the cost of ultracapacitors for HEVs can vary based on their size, capacity, and the manufacturer. Nonetheless, this cost is expected to continue its descent as ultracapacitor technology advances and production volumes increase. Besides the cost of the ultracapacitors themselves, there are considerations regarding expenses associated with power electronics and thermal management systems. However, these auxiliary costs are also anticipated to decrease in the coming years. In conclusion, while the cost of ultracapacitors for HEVs remains a significant barrier to their widespread adoption, there is a strong expectation of a notable cost reduction in the near future, making ultracapacitors a more competitive alternative to traditional batteries [76]. An extensive range of batteries is currently available in the market, encompassing diverse categories such as lead cell, lithium (Li)-ion, Li-ion polymer, nickel-cadmium cell, nickel-metal hydride, and several others. Amongst these, the Li-ion battery stands out as a popular choice for most electric vehicles (EVs), owing to its impressive energy density that enables EVs to cover longer distances on a single charge. Li-ion batteries are also preferred over their counterparts due to their relatively low self-discharge rate and reduced maintenance requirements, making them more economical and convenient for EV owners. Table 1 and Table 2 present key characteristics of different battery types and ultracapacitors (UCs), respectively [77].
Table 2. Ultracapacitor characteristics.
Table 2. Ultracapacitor characteristics.
Capacitor type Cell Voltage (Volt) Cycle Life (Times) Power Density (kw/kg) Energy Density (Wh/kg)
UC 2.5/2.7 Over 1,000,000 4-10 2-30
Table 3. Battery Characteristics.
Table 3. Battery Characteristics.
Battery types Voltage (Volt) Capacity (Wh/kg) Cycle Life (Times) Energy Density (Wh/L) Power Density (W/kg)
Ni-Metal hydride 1.2 70-100 upto 1,000 150-250 200-400
Li-Ion 3.8 150-250 Upto 1,200 200-400 500-1000
Li-Iron Phosphate 3.2-3.3 90-120 Upto 2,000 150-250 300-600
Lead Acid 2.1 30-50 Upto 800 50-100 100-200
Li-Polymer 3.7 150-250 Upto 1,000 20-400 500-1000
HESS can be categorized into two types based on their power electronic converter configurations: passive and active [11]. In conventional active HESS methods, one or multiple full-sized DC/DC converters are used to connect the energy storage device with the DC link. On the other hand, passive HESS systems utilize passive components such as inductors and capacitors to link the energy storage device with the DC link. While active HESS systems offer more flexibility and control over energy flow, passive HESS systems are comparatively simpler and have fewer components, resulting in more cost-effective solutions. In the field of HESS, the most widely used conventional designs involve connecting the battery pack directly to the DC link. Additionally, a half-bridge converter is placed between the ultracapacitor (UC) bank and the DC link. This setup allows for the battery and UC to work together to provide power to the system. However, one challenge that arises with this design is the need to fully utilize the power density benefits of the UC. In order to do so, the half-bridge converter must be capable of matching the power level of the UC. Unfortunately, this can result in the half-bridge converter becoming a significant portion of the overall cost of the system. In addition, it should be pointed out that the power level of the UC can fluctuate greatly depending on the application and usage scenario.This means that the half-bridge converter must be designed with sufficient flexibility and scalability to accommodate a wide range of power levels [78]. As such, designers and engineers must carefully consider the trade-offs between power density, cost, and flexibility when designing HESS systems. By optimizing these factors, it is possible to create a more efficient and effective energy storage solution that can meet the unique needs of a variety of applications. The possible configurations of UC (ultra-capacitor) and battery combinations can be diverse. The most widely used HESS topology are given below.

4.2. Interconnection Topology

The topological configuration of Hybrid Power Systems (HPS) and HESS exerts a profound impact on various facets of Energy Storage Systems (ESS), including control flexibility, dynamic performance, efficiency, and overall lifespan. Both HPS and HESS possess the capability to establish connections directly with the system or through the intermediary integration of power converters. The direct connection option is characterized by a streamlined system architecture, cost-effectiveness, and reduced complexity in control mechanisms. Conversely, the use of power converters ensures a decoupled control of HPS and HESS, thereby presenting an avenue for heightened power regulation. In the incorporation of HESS, two principal alternatives are discerned: direct connection to the DC bus or the utilization of a distinct DC-AC converter to interface with the AC bus. These alternatives afford a spectrum of possibilities to meet diverse system requirements, providing flexibility in both design and operational considerations. The classification of interconnection topologies encompasses passive, semi-active, and active configurations, each catering to specific system needs and functions within the energy management system framework. The selection of a particular topology is contingent upon the discerned requirements of the system and the operational characteristics of the energy management system in effect. Table 3 is dedicated to a meticulous critical analysis of these interconnection topologies, elucidating their respective advantages, drawbacks, and appropriateness for distinct applications. This comprehensive assessment serves as a valuable tool for making judicious decisions aligned with the precise needs of the system and its objectives in energy management.
Table 4. Interconnection Topologies Evaluation for Hybrid Energy Storage Systems (HESS).
Table 4. Interconnection Topologies Evaluation for Hybrid Energy Storage Systems (HESS).
Topology Flexibility Cost Fault Tolerance Ctrl. Complexity DC Bus Voltage Fluct. Space Req. Range of Ctrl. Strat. Adoption
Passive [79,80] No Low No Low Yes Less Low
Semiactive [81,82] Partial Moderate Only HPS Moderate Yes, when HPs is connected directly Higher than passive Moderate.
Active [83,84,85] Full High High High No High High.
Sideng Hu et al. [86] present a groundbreaking Ultracapacitor (UC)-battery hybrid energy storage system (HESS) for electric vehicles, incorporating an asymmetric bidirectional Z-source topology. Departing from traditional two-stage designs, the HESS seamlessly integrates into the traction inverter system, promising enhanced performance and cost efficiency. The study emphasizes the strategic use of the Z-source converter’s buck/boost characteristic, eliminating the need for a dedicated battery converter. A shift from conventional analyses is noted, recognizing the absence of assumed symmetry in the Z-source topology impedance network within the proposed HESS configuration. The authors meticulously explore the mathematical intricacies of asymmetric attributes arising from uneven power distribution between Ultracapacitors and the battery. Additionally, the paper introduces a frequency-dividing coordinated control scheme, capitalizing on the advantages of both UCs and the battery. The investigation of battery peak current estimation contributes to a comprehensive understanding of the proposed system’s dynamics. Aditya et al. [87] aim to address challenges in electrical energy storage systems as green energy usage rises, particularly in the context of growing electric vehicle (EV) demand. The study introduces a HESS using chemical batteries and ultracapacitors to efficiently regulate active power in low-power EV simulations. Through MATLAB/Simulink testing, the HESS technique proves effective in regulating EV DC link voltage, minimizing battery stress, and enhancing battery life, reducing costs, and extending vehicle range. The paper proposes a rule-based active power HESS for low-power Class 1 EVs, demonstrating superior control during drive runs and highlighting the potential for further research on ultracapacitor regeneration during EV deceleration to extend range. Pratim et al. [88] propose a modified semi-active configuration integrating ultracapacitors (UC) with lithium-ion batteries (LiB) in electric vehicles (EVs) to address fluctuating load demands. The HESS utilizes a bidirectional dc-dc converter and a tailored control scheme, ensuring optimal operation and effective power distribution between LiB and ultracapacitors. MATLAB/Simulink simulations and experimental validation demonstrate the satisfactory performance of the HESS, effectively managing load currents through ultracapacitors during transients and reducing battery stress. The scheme also contributes to a diminished overall size and cost of the energy storage system. The study suggests future research should focus on developing a more robust control strategy for enhanced power sharing between the two energy sources. Simon et al. [89] strategically aim to enhance the power density and operational efficiency of electric vehicles (EVs) in extreme low-temperature scenarios by proposing a passive hybrid energy storage system (HESS) that integrates lithium-ion batteries (LiBs) with supercapacitors (SCs). The study addresses the inherent limitations of LiBs, characterized by high energy density but constrained power density, especially in cold environments where their efficacy diminishes. By exploring the direct parallelization of LiBs and SCs, the research elucidates advantages, particularly in circumventing the pre-heating requirements inherent to conventional LiBs in cold climates, resulting in delayed EV activation. Experimental tests validate the efficacy of the passive HESS, showcasing its ability to enable immediate EV starting at -20°C, significantly extending the operational range without pre-heating. The research concludes that this passive HESS represents a practical solution for overcoming EV operation challenges in extreme cold, holding promise for enhancing EV versatility and overall performance.

4.2.1. Active Cascade UC/Battery Configuration

The diagram presented in Figure 7 demonstrates the active battery and ultracapacitor (UC) combination that utilizes a power electronic interface. This configuration is characterized by the UC voltage, denoted as V U C , being less than the battery voltage, V b a t t e r y , which is equivalent to the dc-link voltage, V ( d c l i n k )
V UC < V battery = V dc - link
By utilizing a bidirectional DC/DC converter to interface with the UC, the voltage of the UC can be utilized across a broad range. The battery is directly connected to the DC link, thereby rendering the DC-link voltage unalterable. This arrangement effectively enhances the system’s peak power, thereby improving its overall performance. Nevertheless, this configuration is prone to frequent charging and discharging cycles that may adversely affect the battery’s lifespan. Additionally, the UC may not efficiently store regenerative energy, leading to energy wastage. Therefore, it is necessary to meticulously manage the charging and discharging of the battery and UC while optimizing the energy storage strategy to ensure the system’s long-term reliability and enhance its energy efficiency [90].

4.2.2. PASSIVE CASCADE BATTERY/UC CONFIGURATION

Figure 8 depicts the passive battery and UC configuration, where the UC is connected in parallel with the battery to enhance the system’s power capability [91,92]. To ensure a stable dc-link voltage, a bidirectional dc/dc converter is employed to maintain the voltage at a nearly constant level. It is worth noting that V b a t t e r y is not equivalent to V U C or V ( d c l i n k ) .
V battery = V UC V dc - link
Figure 8. PASSIVE CASCADE BATTERY/UC CONFIGURATION
Figure 8. PASSIVE CASCADE BATTERY/UC CONFIGURATION
Preprints 107190 g008
However, a significant limitation of this setup is that it cannot effectively utilize the energy stored in the UC.

4.2.3. Active Cascade Battery /UC Configuration

We get the battery/UC configuration by swapping the positions of the battery and UC in the UC/battery configuration. The voltage of the battery can be maintained at a level either lower or higher than that of the UC within this configuration. The diagram presented in Figure 9 illustrates an active battery and UC configuration, in which the voltage of the battery is lower than V U C and V ( d c l i n k ) .
V battery < V UC = V dc - link
This configuration provides the advantage of enabling the use of a smaller battery bank, leading to a reduction in costs. Furthermore, the direct connection between the UC and the dc-link facilitates the effective management of voltage fluctuations by the latter.

4.2.4. PASSIVE CASCADE WITH 2 DC-DC CONVERTER CONFIGURATIONS

The configuration of UC-battery systems utilizing two converters is depicted in Figure 10. It is apparent from the figure that the UC has the capacity to deliver all the energy it has stored, with V b a t t e r y , V U C , and V ( d c l i n k ) not being equivalent.
V battery V UC V dc - link
In this particular system, the boost converter plays a vital role in diminishing the stress on the battery by maintaining the variations in battery current within moderate levels. This implies that the battery can be utilized in a more efficient and effective manner with less wear and tear on its components. The UC-battery configuration with two converters shows great promise as a solution for energy storage systems that demand high energy density, prolonged cycle life, and rapid charging/discharging rates.

4.2.5. Multiple Input DC-DC Converter Configuration

The diagram presented in Figure 11 illustrates a multi-input converter configuration that is capable of effectively minimizing the costs that are typically associated with using multiple converters. This topology holds a significant advantage over previously mentioned topologies as it overcomes their respective drawbacks. Notably, within this particular structure, V b a t t e r y , V U C , and V ( d c l i n k ) are not equal, which allows for an improvement in performance and enhanced efficiency.
V battery V UC V dc - link
By implementing this configuration, a considerable reduction in both cost and weight can be achieved while simultaneously contributing to the overall performance of the system. As a result, this topology stands out as a preferred choice for those seeking to optimize the performance of an efficient HESS, making it an attractive option for individuals seeking to minimize costs [91].

4.2.6. Multiple DC-DC Converter Configuration

The multiple-converter configuration depicted in Figure 12 utilizes separately controlled dc-dc converters to connect the energy sources to the dc-link. Although this topology boasts the distinct advantage of V b a t t e r y , V U C , and V ( d c l i n k ) not being equal, the primary challenge it presents is the requirement for two fully rated converters.
V battery V UC V dc - link
As a consequence, the system’s size and cost increase, making it less practical for implementation. The drawbacks associated with this topology render it a less desirable option for practical purposes, despite its potential benefits. Therefore, in the field of energy storage systems, there is a high demand for alternative topologies that can provide comparable performance while mitigating the drawbacks of the multiple-converter configuration presented in Figure 4(e) [93,94].

4.3. Hybrid Battery-Flywheel Energy Storage

The hybrid energy storage system (HESS) that integrates ultracapacitors (UC) and batteries has emerged as a prevalent design, garnering considerable scholarly interest in academic literature [93,94,95,96]. Another approach to tackle the obstacles associated with HESSs, an alternative solution is the electric hydraulic vehicle architecture. This design leverages a hydraulic pressure accumulator to cater to the vehicle’s high-power requirements, while consistent pressure maintenance of the accumulator is ensured by the synchronized operation of the battery and electric motor [95,96]. An alternative to UCs is the high-speed low-mass flywheel energy storage system (FESS), which provides a response time comparable to that of UCs, along with a reputation for high power density, efficiency, and cycle life [99,100]. The Flywheel Energy Storage System (FESS) utilizes a rotating disk, driven by a highly efficient motor/generator (M/G) set, to store energy. Through a bidirectional power converter, this M/G set connects to the DC (direct current) link. Within a low-pressure vacuum environment, as shown in Figure 5, the FESS is supported by active magnetic bearings (AMBs), playing a pivotal role in diminishing both standby and frictional losses. It is essential to note that, unlike conventional applications, the FESS employed in Electric Vehicle (EV) applications uses a low-mass inertia that rotates at exceptionally high speeds, exceeding 10,000 rpm.
Figure 13. EV with Flywheel energy storage systems
Figure 13. EV with Flywheel energy storage systems
Preprints 107190 g013
The energy capacity of FESS is determined by the configuration of its mass and velocity operating point [101,102]. To establish the FESS model, an energy balance approach is commonly utilized in various sizing problems. In contrast to batteries, which are recognized as lower response time storage devices, the FESS can be charged and discharged at a high rate. However, it is crucial to note that the FESS’s efficiency is impacted by this rate, and the leakage rate should be considered. In general, the losses observed in FESS can be separated into various components, which include windage and bearing losses in the mechanical realm, copper, hysteresis, and eddy current losses in the M/G realm, and switching and conduction losses in the power converter realm [101]. Pullen et al. [103] systematically examine the application of flywheels as secondary energy storage devices in road vehicles, especially in hybrid vehicles with internal combustion engines (ICE) and hybrid energy storage (HES) systems complementing batteries. Within HES, flywheels contribute significantly to load leveling, peak load mitigation, and enhancing battery capacity and lifespan. The paper delves into defining key characteristics for flywheels as secondary energy storage in electric vehicles, outlining diverse strategies for their determination. Real-world customer data is analysed to inform the selection of suitable flywheel characteristics, affirming the adequacy of the chosen flywheel for efficient operation in a C-segment passenger car electric vehicle. The conclusion underscores the suitability of flywheels as exemplary secondary storage devices, emphasizing their vital role in optimizing overall system performance in hybrid and electric vehicles. Jun et al. [104] present a pioneering study on contemporary trends in ship development, focusing on the electrification of propulsion systems and the challenges posed by large propulsion-load fluctuations. To address this issue, they introduce a novel solution—the combined battery and flywheel (B/FW) hybrid energy storage system (HESS). With power-fluctuation compensation and energy savings as their dual primary objectives, the authors formulate a multi-objective optimization problem. Utilizing dynamic programming with the weighted sum method, they derive Pareto fronts, illustrating trade-offs between these objectives. Through a comprehensive comparative study against a battery/ultra-capacitor (B/UC) HESS configuration, simulation results affirm the feasibility and efficacy of the B/FW HESS, particularly excelling in load fluctuation mitigation during high sea states. Additionally, the authors develop a model predictive control (MPC) algorithm for real-time implementation, showcasing its effectiveness in power-fluctuation compensation and HESS efficiency through a comparative analysis with global dynamic programming. Their work not only evaluates the impact of the B/FW HESS on battery usage and current operations but also includes a laboratory-scaled experiment, affirming the practical applicability of their proposed solution.

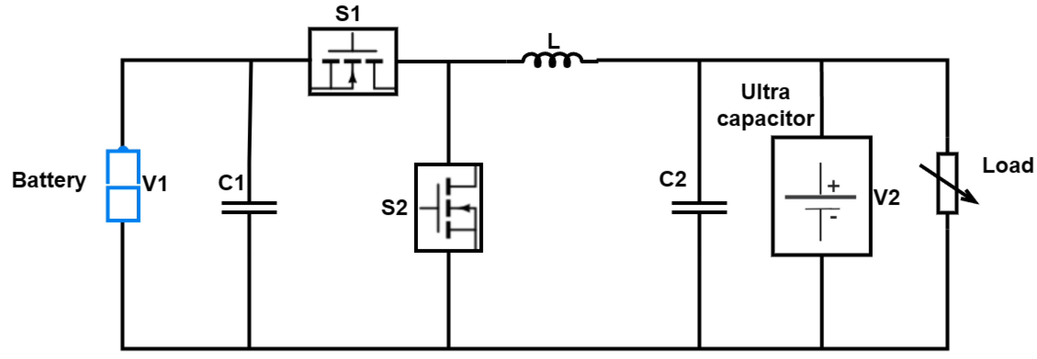
4.4. Modeling of Battery/Utracapacitor Hybrid Energy Storage Module

Research has demonstrated that Hybrid Energy Storage Modules (HESMs) can enhance the functionality of an Energy Storage Device (ESD) and overcome the constraints of individual components within the system, such as the limited power output of batteries or the energy storage capacity of ultracapacitors [105,106,107]. Despite the validation of this topology, there remain queries regarding the optimal control strategies for HESMs. To address this, [106] created an economical digital energy management system, while [108] developed an optimal control algorithm to effectively coordinate slow ESDs with fast ESDs. Figure 6 depicts a typical configuration of a HESM. The controller employs a basic buck converter to enable bi-directional control. The system, which the HESM supplements, experiences a general external power disturbance. In terms of mathematical modelling, capacitors are employed for each power flow direction. While maintaining the state variables for the battery bus voltage and DC load bus voltage, the state variable for the power converter current is governed by the power inductor L. The aggregate current, encompassing both the current sourcing or sinking from the load and generator, as well as the external disturbance Δ , is expressed as a unified current. The magnitude of this current is greater than the load’s draw when the generation surpasses the load’s consumption. There exist multiple equations that can be utilized to depict the operation of this circuit, contingent upon the positions of the switches.
  • When switch S1 is in the ON position and switch S2 is in the OFF position, power is directed from the battery towards the ultracapacitor.
    Figure 14. Generic UC/Battery HESM
    Figure 14. Generic UC/Battery HESM
    Preprints 107190 g014
    C 1 d V C 1 d t = i L i V 1
    C 2 d V C 2 d t = i L i V 2 Δ
    L d i L d t = V C 1 V C 2
    L d i L d t = V C 2
  • When switch S1 is OFF and switch S2 is ON, power is directed from the ultracapacitor towards the battery.
    C 1 d V C 1 d t = i V 1
    C 2 d V C 2 d t = i V 2 i L Δ
    L d i L d t = V C 2
Where The presentation of the mathematical equations serves to emphasize the time-varying nature of the system and the existence of four distinct plant descriptions contingent with regards to the state of two switches. While there exist mathematical techniques for amalgamating these equations to yield a time-averaged model suitable for controller evaluation. This approach enabled the integration of the lithium-ion battery model and internal impedance values of other components, thus yielding a more comprehensive model.

5. Energy Management Strategy (EMS) for HEV

This section provides a summary of Hybrid Energy Storage Systems (HESS) sizing and the various approaches available in the literature. It is widely acknowledged in research that sizing HESS without an energy management strategy may lead to the system being unable to meet the operational requirements of modern applications such as transport vehicles (TVs), microgrids, and railway systems. Therefore, non-optimization techniques are considered inadequate for sizing HESS.
As a result, current literature emphasizes the use of optimization methods as a multi-objective approach to achieve the optimal HESS size and determine the energy management control variables that ensure the system can meet its intended operational requirements. The significance of EMS is apparent as it fulfills a pivotal role in ensuring the equitable allocation of power between the electric motor and the engine, and concurrently managing the battery pack’s charging and discharging. This system ensures efficient vehicle operation and extends battery life. Therefore, the EMS is a critical component of hybrid electric vehicles, playing a pivotal role in maximizing performance, efficiency, and battery longevity. In this research paper, we present a hierarchical classification framework for Energy Management Systems (EMSs) applicable to Hybrid Electric Vehicles (HEVs) and can be classified into two main categories as shown in Figure 15:
Figure 15. Energy management Strategies for HEV
Figure 15. Energy management Strategies for HEV
Preprints 107190 g015
(1) Offline EMSs, categorized depending on the specific driving condition information utilized, such as global optimization-based EMSs and rule-based EMSs.
(2) Online EMSs, are further divided into three types: instantaneous optimization-based EMSs, predictive EMSs, and learning-based EMSs. It is important to note that a flexible EMS can combine various techniques, both offline and online, to create an integrated system that enhances fuel economy and performance.
Additionally, a battery degradation model is typically employed in the optimization criteria to determine the ideal size for the hybrid battery and Supercapacitor (SC) Energy Storage System (ESS). This is because approximately 80% of battery capacity loss in Electric Vehicles (EVs) is directly linked to battery end-of-life. This, in turn, correlates with the total ampere-hour battery throughput. The battery life capacity refers to the battery’s ability to deliver charge before its capacity diminishes by 20% from the initial 100% State of Charge (SoC).
The efficiency of the HESS might decrease when sizing it without considering any energy/power-sharing mechanism. Integrating sizing with energy/power management could expand the search space of the optimization technique, resulting in superior optimality of the outcomes. Moreover, the parameters of the Energy Management System (EMS) design are crucial for further optimization and practical application purposes. The integration of sizing and energy management control is vital because power and energy control can provide insights into the battery and SC size required to fulfill the power and energy requirements of the TV.
Hybrid and electric vehicles hold immense promise for achieving fuel efficiency and reducing emissions. When it comes to the field of powertrain system design, essential factors that influence vehicle performance consist of the choice of powertrain, the configuration of components, and the utilization of an energy management strategy (EMS). The development of an energy-efficient powertrain necessitates the adept management of competing control objectives, such as cost reduction, economy, drivability, and the preservation of battery state of charge as shown in table 5.
Mpho J. et al. [110] have taken on the critical challenge of enhancing energy storage systems in modern transport vehicles (TVs) by conducting a thorough examination of the integration of batteries with higher energy density and energy storage systems (ESSs) exhibiting higher power density. This work has the potential to elevate vehicle starting performance, recover regenerative braking energy, prolong battery lifespan, and improve acceleration, all while addressing the drawbacks associated with sizable, weighty battery packs. Furthermore, by consolidating and analysing existing research, this study aims to provide a comprehensive understanding of hybrid energy storage system (HESS) configurations, sizing methods, and energy management strategies, offering a unified perspective for further advancements in the field. This research has the potential for significant societal and industrial impact as it contributes to the development of more efficient and sustainable transportation solutions.
Wilberforce et al. [70] assess the effects of implementing a hybrid energy storage system (HESS) in a Hyundai Sonata Hybrid Electric Vehicle, comprising both battery and supercapacitor cells. The research aims to analyze various HESS configurations, with a particular focus on a semi-active setup involving a bidirectional DC-DC converter and newly developed control logic. The significance of this research lies in its potential to improve battery health, reduce peak current, stabilize the state of charge, lower maximum temperature, and decrease average battery power, thereby enhancing vehicle performance and sustainability. Furthermore, it highlights trade-offs, such as a slight increase in fuel consumption due to supercapacitor system losses, providing valuable insights for the automotive industry and energy storage systems development.
Table 5. Key Aspects of Energy-Efficient HEV Powertrains.
Table 5. Key Aspects of Energy-Efficient HEV Powertrains.
Authors Techniques Used Highlights
Wilberforce et al. [70]
  • Development of HESS model, Simulation using Ricardo IGNITE for Hyundai Sonata HEV model
  • Implementation of semi-active HESS configuration
  • Utilization of bidirectional DC-DC converter
  • Energy Management System control logic is developed for power split.
  • Battery peak current is decreased by 15.26% and 20.54% for the charge and discharge current, respectively.
  • Average battery state of charge is increased by 0.43% due to power split logic.
  • Battery maximum temperature decrease by 6.8%
  • The super capacitor is integrated into a bidirectional DC-DC converter featuring advanced control logic optimized for the HESS.
Lin Hu et al. [111]
  • Novel optimization method for HESS in EVs
  • Multi-Mode Control (MMC)
  • Gray Wolf Optimization (GWO)
  • Improved semi-active topology
  • Proposed method reduces battery capacity degradation and energy loss.
  • Improved topology minimizes energy loss during battery charging of supercapacitors (SC), enhancing system efficiency.
  • Utilized real urban driving data categorized into aggressive, cautious, and standard driving styles.
  • MMC with tailored weight coefficients optimizes battery capacity degradation and energy loss for different driving styles.
  • GWO optimizes parameters such as battery output power and SC charging limits.
  • Simulation results demonstrate performance improvement over traditional methods under various driving styles.
Zheng, C., et al. [115]
  • Design of Hybrid Energy Storage System (HESS)
  • Validation through computer simulation and rapid control prototype (RCP) test bench, simulating vehicle driving cycles
  • Results demonstrate stabilization of battery status and energy savings in HESS compared to single battery case, validated both computationally and experimentally.
Table 6. Key Aspects of Energy-Efficient HEV Powertrains Continue...
Table 6. Key Aspects of Energy-Efficient HEV Powertrains Continue...
Authors Techniques Used Highlights
Li F., et al. [117]
  • Utilizes random sampling-based velocity transfer probability surface for pre-training, ensuring strategy optimality under unfamiliar driving cycles.
  • Proposed strategy employs incentive reward function based on supercapacitor state-of-charge and vehicle acceleration, facilitating rapid learning of optimal power allocation policies under high load power conditions.
  • Incorporates generalized advantage estimation and layer normalization of neural networks to enhance learning convergence stability.
  • Results demonstrate significant reduction in battery capacity loss and power loss costs compared to existing DRL methods, achieving improvements ranging from 5.8% to 13.8% under pre-training driving cycle and 11.7% to 38.8% under test driving cycles.
  • Yields outcomes closely resembling those of offline dynamic programming, showcasing the effectiveness of the proposed incentive learning-based strategy.
Wang Z., et al. [118]
  • A novel Battery-Supercapacitor Hybrid Energy Storage System (BSHESS) designed specifically for servo motors.
  • Strategy controls charging and discharging of supercapacitor to maintain motor power supply stability and controllability, validated through simulations and experimental prototype testing.
  • Results show a 150% increase in maximum output current to the motor compared to original levels, and a 64.7% weight reduction compared to pure battery-powered systems with equivalent maximum current output.
MR C., et al. [119]
  • A comprehensive modeling approach for lithium-ion batteries and supercapacitors, crucial components of energy storage systems (ESS)
  • Nonlinear Least Squares Method (NLSM) and Trust Region Reflective Algorithm (TRRA) employed to estimate model parameters
  • Study compares available and experimental models for batteries and supercapacitors under continuous charge/discharge conditions, revealing discrepancies especially in continuous discharge scenarios.
Lin Hu et al. [111] put forth an innovative approach for optimizing energy distribution in hybrid energy storage systems (HESS) within electric vehicles (EVs) with a focus on reducing battery capacity degradation and energy loss to enhance system efficiency. It introduces an improved semi-active topology, particularly aimed at minimizing energy loss during battery-to-supercapacitor charging. Real-world urban driving data, categorized into aggressive, cautious, and standard driving modes, is leveraged to adaptively control the HESS using multi-mode control (MMC) with adaptable weight factors for optimizing battery capacity degradation and energy dissipation. The gray wolf optimization (GWO) algorithm is employed to fine-tune MMC parameters. The simulation results demonstrate substantial enhancements in battery capacity degradation and energy loss when compared to conventional MMC and semi-active topologies across a range of driving styles. Furthermore, the paper offers insights into future research directions in HESS energy distribution strategies, contributing to the ongoing advancement of sustainable and efficient electric vehicle technologies.
Miroslav et al. [112] comprehensively analyse various supercapacitor and battery types, their characteristics, and their impact on Hybrid Energy Storage Systems (HESS). By assessing their performance parameters, exploring HESS topologies, and highlighting supercapacitors’ potential to extend battery life, minimize peak current, and meet the growing demands of electronic devices, this study significantly advances our understanding of these energy storage technologies, offering insights with far-reaching implications for improving energy storage systems and electric vehicle efficiency while shaping the future of sustainable energy solutions. Lijun et al.’s [113] study aims to broaden the applicability of actively controlled battery/ultracapacitor hybrids within pulse-operated power systems. The primary focus involves utilizing a converter to actively regulate power flow from a battery, coupling it with an ultracapacitor to enhance power, and efficiently delivering it to a load. Experimental and simulation results demonstrate that this hybrid configuration achieves significantly higher specific power while reducing battery current and internal losses. In a specific example employing two 18650 lithium-ion cells and two 100-F ultracapacitors, the peak power exhibited a three-fold improvement compared to a passive hybrid and a seven-fold improvement compared to lithium-ion cells alone. The design’s flexibility allows scalability to various power capacities for diverse applications. The conclusion emphasizes key findings related to power enhancement, discharge cycle life, specific power, and energy loss under pulse load profiles. The active hybrid outperforms the passive hybrid with 3.2 times higher peak power and a specific power 2.7 times greater. Furthermore, the active hybrid operation leads to lower battery current with minimal ripples, resulting in a lower battery temperature—critical for extended battery lifetime in various applications. While acknowledging increased losses from the added converter and ultracapacitor, a strategic compromise between power enhancement and discharge cycle time is suggested to optimize results based on specific application requirements. The study underscores the scalability of the design for varying power capacities across a range of applications.
Guizhou et al. [114] conduct a comprehensive analysis of the current state of Ultra-capacitor (UC)/battery hybrid power source (HPS) technology in Electric Vehicles (EVs), emphasizing theoretical advancements and practical applications. Their objectives include an in-depth exploration of topology optimization design, synthesis of key technologies in UC/battery HPS design, addressing technical challenges for enhanced efficiency and energy utilization, and formulating a comprehensive matching control theory to improve reliability and efficiency. The study extends to a comparative analysis of various power sources in the market, emphasizing the complementary features of UC and battery technologies regarding energy density, power density, and cycle life. Proposing innovative solutions to overcome commercialization challenges, the authors introduce a novel UC/battery HPS and its control methodology. Advocating for interdisciplinary research in power conversion, motor control, and regenerative braking, the paper aims to establish an energy balance coordinated control theory. The anticipated successful implementation of these solutions is expected to enhance the competitiveness of UC/battery HPS in the vehicular domain, contributing significantly to Advanced Electric Vehicles (AEVs) development and furthering progress in green power source research.
Zheng, C., et al. [115] focus on designing and validating a HESS for the BMW i3 Electric Vehicle. They propose a driving condition-adaptive rule-based Energy Management Strategy (EMS) to optimize the performance of the battery and supercapacitor in the HESS. Through computer simulations and semi-physical rapid control prototype (RCP) experiments emulating driving cycles, the study demonstrates that the HESS stabilizes the battery’s working status during propulsion and regeneration, leading to significant battery energy savings compared to a single battery configuration. A dynamic degradation model is utilized to assess the life cycle cost, revealing the potential of the HESS to prolong battery lifespan and prove economic viability. The research underscores the HESS’s effectiveness in a commercialized EV model, highlighting benefits such as smoother battery trajectories, energy savings, and enhanced economic efficiency. Future work is proposed to refine simulation models, address limitations, and increase adaptability by reducing underlying assumptions in the research.
Amit et al. [116] delineate a comprehensive review of energy storage systems within the domain of Hybrid Electric Vehicles (HEVs), coupled with an analysis of optimization topologies predicated upon diverse control strategies and vehicle technologies. The investigation categorically classifies control strategies pertaining to four distinct HEV configurations: fuel cell-battery, battery-ultracapacitor, fuel cell-ultracapacitor, and battery-fuel cell-ultracapacitor. Methodologically, a relative analysis is undertaken, encompassing key control aspects, operational conditions, and salient performance metrics including dynamic response, battery longevity, energy efficiency, fuel consumption, emissions, and system robustness. The study extends its scrutiny to encompass experimental platforms, enhancements in driving cycles, and mathematical models intrinsic to each control technique, thereby substantiating practical reliability. The conclusive insights derived from the research underscore the effectiveness of fuzzy logic-based Energy Management Systems (EMS) in the context of battery-ultracapacitor configurations, rule-based EMS for battery-fuel cell configurations, and linear and sliding techniques for fuel cell-ultracapacitor Hybrid Energy Storage Systems (HESS). Furthermore, the paper posits prospective avenues for future research endeavors, encompassing the development of Electric Vehicle (EV) charging stations, exploration of rental charging mechanisms between HEVs, formulation of efficient switching algorithms tailored to diverse power sources in EVs, and the augmentation of driving cycles in HEV operations to optimize overall functionality. This scholarly exposition contributes to the evolving discourse on HEV technologies, presenting a framework for informed research trajectories and innovative technological advancements within the field.

6. Research Trends and Future Recommendations

The research trend highlights that the development of Hybrid Energy Storage Systems (HESSs) is greatly influenced by the voltage matching of each individual energy storage system. This is particularly relevant when contemplating the utilization of a passive parallel topology for powering a transport vehicle (TV). While this topology is practical for TV applications, it offers minimal improvement in battery lifespan due to the unregulated energy and power flow between the energy storage systems (ESSs). Consequently, this topology may find better applications in providing the starting, lighting, and ignition functions for Internal Combustion Engine (ICE) vehicles. This, in turn, can reduce the high starting battery current frequently required to enhance battery lifespan, especially with the anticipated support of a Supercapacitor (SC) in the future.
In the context of a fully active parallel topology approach, the hybridization scheme incurs higher costs compared to the previously discussed topologies, primarily due to the need for additional DC-to-DC converters and different control strategies. Nonetheless, this system safeguards and ensures that individual energy storage systems operate within their desired limits. However, this topology lacks several energy/power management strategies, such as real-time fuzzy logic control and nonlinear control. Consequently, it would be intriguing to explore the inclusion of other control methodologies, such as Model Predictive Control (MPC), Adaptive and Predictive Model-based Power Management (APMP), Sliding Mode Control (SMC), and wavelet transform, to analyze the Hybrid Energy Storage Systems (HESS) topologies, aiming to enhance the system’s performance. A similar approach would attract researchers to investigate the Z-source active topology, as the current control methods primarily focus on frequency control for energy/power management.
Numerical methods are proven to be crucial for the sizing of Hybrid Energy Storage Systems (HESS). However, relying solely on optimization methods for HESS sizing is insufficient due to the critical role of energy/power-sharing control for individual Energy Storage Systems (ESS). Consequently, the integrated optimization technique, which combines HESS sizing with the optimization of energy/power management control strategies, has attracted substantial interest among researchers.
However, for successful application, it is vital to establish a proper HESS model for optimization. Various HESS performance assessment models are available, such as the battery State of Health (SoH) model, dynamic degradation model, Supercapacitor (SC) dynamic degradation model, and battery cycle-life degradation model.
The optimization methods range from convex programming and sample-based derivative-free direct rectangle algorithms to particle swarm, genetic algorithms, non-sorting genetic algorithms, dynamic programming, grey wolf, and 2-dimensional Pontryagin’s minimum principle. These techniques have enticed researchers to delve into HESS sizing and performance assessment.
These assessments include reducing system operating costs, increasing battery lifespan, and curbing fuel consumption. A notable study employing the optimization method suggests that adding an SC improves battery efficiency. However, an important research question for future investigation is: How does the battery efficiency improve with an SC, and to what extent will the battery efficiency improve?
Various energy/power control strategies have been thoroughly examined to optimize Hybrid Energy Storage Systems (HESS) sizing. Current optimized control methods during HESS sizing include frequency control, wavelet transform algorithm, fuzzy logic control, power splitting ratio, rule-based control, Particle Swarm Optimization (PSO), and adaptive random forest. However, these control strategies require further investigation when compared to Model Predictive Control (MPC), Sliding Mode Control (SMC), Neural Networks, and reinforcement learning, among others.
Moreover, the size of HESS is contingent upon the chosen energy/power management control strategy. To determine the optimal HESS size based on its energy/power management control, one approach is to integrate optimization techniques such as PSO with other algorithms to avoid getting trapped at local minima. Therefore, future research must compare different energy/power management control strategies to determine the optimal HESS size and performance.
These future research directions will aid both the transportation and power sector industries in designing and providing optimal systems for improved performance of individual commodities, ultimately benefiting society as a whole.

7. Conclusions

HESS in general is a complex topic and it is not possible to cover all aspects of HESS in one review paper. Therefore, this paper has focused on some key aspects of HESS that are summarized as follows. We begin by providing educational background on HEVs because our paper is focused on the HESS for HEVs. After covering the basics, we discuss specific aspects of HESS, for example, we discuss the characteristics of the ESS elements of the HESS. We also discuss ultracapacitor and battery characteristics. Furthermore, we provide an analysis of the interconnection topologies in HESS. We also discuss the mathematical modeling of the battery/ultracapacitor HESS module. Finally, we link our discussion back to the HEVs where we discuss the design of energy efficient powertrain for HEVs that include HESS.
The comprehensive discussion presented in the paper has revealed some key points regarding different types of energy storage systems employed in the HEVs. For example, we have discussed that flywheel-based systems are costly and have low energy density whereas the chemical battery-based systems are less expensive and have high energy density. Similarly, we have pointed out that the super-capacitor based energy storage systems have fast response time and are durable. In terms of the battery types, the Li-Ion and Li-Polymer batteries have high capacity per kg of the battery weight. We have also highlighted that among the interconnection topologies, the active ones have the highest flexibility whereas passive topologies are not flexible at all. Finally, we have highlighted the key contributions available in the literature regarding the energy optimization and energy efficient powertrain design frameworks.
The future avenues of research in the energy storage systems include the development of improved Electric Vehicle (EV) charging stations, exploration of rental charging mechanisms between HEVs, formulation of efficient switching algorithms tailored to diverse power sources in EVs, and the augmentation of driving cycles in HEV operations to optimize overall functionality.

References

  1. Olabi, A.G.; Abdelkareem, M.A. Renewable energy and climate change. Renewable and Sustainable Energy Reviews. 2022, 158, 112111. [Google Scholar] [CrossRef]
  2. Li, L.; et al. Review and outlook on the international renewable energy development. Energy and Built Environment. 2022, 3, 139–157. [Google Scholar] [CrossRef]
  3. Halkos, G.E.; Gkampoura, E.-C. Reviewing usage, potentials, and limitations of renewable energy sources. Energies. 2020, 13, 2906. [Google Scholar] [CrossRef]
  4. Twidell, J. Renewable energy resources. 2021. Routledge.
  5. Da Rosa, A.V.; Ordóñez, J.C. Fundamentals of renewable energy processes. 2021. Academic Press.
  6. Babu, T.S.; et al. A comprehensive review of hybrid energy storage systems: Converter topologies, control strategies and future prospects. IEEE Access. 2020, 8, 148702–148721. [Google Scholar] [CrossRef]
  7. Hajiaghasi, S.; Salemnia, A.; Hamzeh, M. Hybrid energy storage system for microgrids applications: A review. Journal of Energy Storage. 2019, 21, 543–570. [Google Scholar] [CrossRef]
  8. Wang, J.; et al. Review of bidirectional DC–DC converter topologies for hybrid energy storage system of new energy vehicles. Green Energy and Intelligent Transportation. 2022, 1, 100010. [Google Scholar] [CrossRef]
  9. Bharatee, A.; et al. Power Management Strategies in a Hybrid Energy Storage System Integrated AC/DC Microgrid: A Review. Energies. 2022, 15, 7176. [Google Scholar] [CrossRef]
  10. Mastragostino, M.; Soavi, F. Strategies for high-performance supercapacitors for HEV. Journal of Power Sources. 2007, 174, 89–93. [Google Scholar] [CrossRef]
  11. Muniraj, R.; et al. A comparative analysis on supercapacitor based HEV. In AIP Conference Proceedings. 2023. AIP Publishing.
  12. Carignano, M.G.; et al. Energy management strategy for fuel cell-supercapacitor hybrid vehicles based on prediction of energy demand. Journal of power sources. 2017, 360, 419–433. [Google Scholar] [CrossRef]
  13. Ostadi, A.; Kazerani, M.; Chen, S.-K. Hybrid Energy Storage System (HESS) in vehicular applications: A review on interfacing battery and ultra-capacitor units. In 2013 IEEE Transportation Electrification Conference and Expo (ITEC). 2013. IEEE.
  14. Zhang, S.; Xiong, R. HESS and its application in series hybrid electric vehicles, in Modeling, Dynamics and Control of Electrified Vehicles. 2018. Elsevier. p. 77-119.
  15. Ilyas, U.; et al. Energy Optimization of Hybrid Energy Storage System (HESS) for Hybrid Electric Vehicle (HEV). Engineering Proceedings. 2022, 12, 75. [Google Scholar]
  16. Shahverdi, M.; et al. High bandwidth energy storage devices for HEV/EV energy storage system. In 2014 IEEE Transportation Electrification Conference and Expo (ITEC). 2014. IEEE.
  17. Najgad, Y.B.; et al. Advancement of Hybrid Energy Storage System with PWM Technique for Electric Vehicles. In 2022 6th International Conference on Intelligent Computing and Control Systems (ICICCS). 2022.
  18. Piancastelli, L.; et al. Electric Hybrid Powertrain for Armored Vehicles. Energies. 2023, 16, 2605. [Google Scholar] [CrossRef]
  19. Bai, Y.; et al. Optimal Design of a Hybrid Energy Storage System in a Plug-In Hybrid Electric Vehicle for Battery Lifetime Improvement. IEEE Access. 2020, 8, 142148–142158. [Google Scholar] [CrossRef]
  20. Jafari, M.; Malekjamshidi, Z. Optimal energy management of a residential-based hybrid renewable energy system using rule-based real-time control and 2D dynamic programming optimization method. Renewable Energy. 2020, 146, 254–266. [Google Scholar] [CrossRef]
  21. Song, Z.; et al. Multi-objective optimization of a semi-active battery/supercapacitor energy storage system for electric vehicles. Applied Energy. 2014, 135, 212–224. [Google Scholar] [CrossRef]
  22. Gao, P.; et al. Optimization of Hybrid Energy Storage System Sizing With Considering Energy Management Strategy for High-Power Pulsed Load in Aircraft. Vehicular Technology. 2023, 72. [Google Scholar] [CrossRef]
  23. Morton, C.; Spargo, C.M.; Pickert, V. Electrified hydraulic power steering system in hybrid electric heavy trucks. IET Electrical Systems in Transportation. 2014, 4, 70–7. [Google Scholar] [CrossRef]
  24. De Santis, M.; Silvestri, L.; Forcina, A.; Di Bona, G.; Di Fazio, A.R. Preliminary realization of an electric-powered hydraulic pump system for a waste compactor truck and a techno-economic analysis. Applied Sciences. 2021, 11, 3033. [Google Scholar] [CrossRef]
  25. Shen, J.; Dusmez, S.; Khaligh, A. Optimization of Sizing and Battery Cycle Life in Battery/Ultracapacitor Hybrid Energy Storage Systems for Electric Vehicle Applications. IEEE Transactions on Industrial Informatics. 2014, 10, 2112–2121. [Google Scholar] [CrossRef]
  26. Ehsani, M.; et al. State of the Art and Trends in Electric and Hybrid Electric Vehicles. Proceedings of the IEEE. 2021, 109, 967–984. [Google Scholar] [CrossRef]
  27. Chan, C.C. The state of the art of electric and hybrid vehicles. Proceedings of the IEEE. 2002, 90, 247–275. [Google Scholar] [CrossRef]
  28. CC, C. The sate of the art of electric vehicles. Journal of Asian Electric Vehicles. 2004, 2, 579–600. [Google Scholar]
  29. Dubey, J.; Singh, S.; Gautam, A. Hybrid Electric Vehicles: A State of the Art Review. In International Conference on Advanced and Agile Manufacturing Systems.
  30. Agarwal, V.; Dev, M. Introduction to hybrid electric vehicles: State of art. In 2013 Students Conference on Engineering and Systems (SCES). 2013. IEEE.
  31. Chan, C.C. The State of the Art of Electric, Hybrid, and Fuel Cell Vehicles. Proceedings of the IEEE. 2007, 95, 704–718. [Google Scholar] [CrossRef]
  32. Rahim, N.; Ping, H.W.; Tadjuddin, M. Design of axial flux permanent magnet brushless DC motor for direct drive of electric vehicle. In 2007 IEEE Power Engineering Society General Meeting. 2007. IEEE.
  33. Penina, N.; Turygin, Y.V.; Racek, V. Comparative analysis of different types of hybrid electric vehicles. In 13th Mechatronika 2010. 2010. IEEE.
  34. Elkelawy, M.; et al. A Comparative Study on Developing the Hybrid-Electric Vehicle Systems and its Future Expectation over the Conventional Engines Cars. Journal of Engineering Research. 2022, 6, 21–34. [Google Scholar] [CrossRef]
  35. Wirasingha, S.G.; Schofield, N.; Emadi, A. Plug-in hybrid electric vehicle developments in the US: Trends, barriers, and economic feasibility. In 2008 IEEE vehicle power and propulsion conference. 2008. IEEE.
  36. Parag Jose, C.; Meikandasivam, S. A review on the trends and developments in hybrid electric vehicles. Innovative Design and Development Practices in Aerospace and Automotive Engineering: I-DAD, February 22-24, 2016. 2017, 211-229.
  37. Hussan, U.; et al. Fuzzy logic-based voltage regulation of hybrid energy storage system in hybrid electric vehicles. Electrical Engineering. 2022, 104, 485–495. [Google Scholar] [CrossRef]
  38. Shen, L.; et al. Hierarchical control of DC micro-grid for photovoltaic EV charging station based on flywheel and battery energy storage system. Electric power systems research. 2020, 179, 106079. [Google Scholar] [CrossRef]
  39. Chan, C.C.; Bouscayrol, A.; Chen, K. Electric, hybrid, and fuel-cell vehicles: Architectures and modeling. IEEE transactions on vehicular technology. 2009, 59, 589–598. [Google Scholar] [CrossRef]
  40. Sun, X.; et al. Performance improvement of torque and suspension force for a novel five-phase BFSPM machine for flywheel energy storage systems. IEEE Transactions on Applied Superconductivity. 2019, 29, 1–5. [Google Scholar] [CrossRef]
  41. Xue, Q.; et al. A comprehensive review on classification, energy management strategy, and control algorithm for hybrid electric vehicles. Energies. 2020, 13, 5355. [Google Scholar] [CrossRef]
  42. Hannan, M.A.; Azidin, F.A.; Mohamed, A. Hybrid electric vehicles and their challenges: A review. Renewable and Sustainable Energy Reviews. 2014, 29, 135–150. [Google Scholar] [CrossRef]
  43. Yang, C.; et al. Efficient energy management strategy for hybrid electric vehicles/plug-in hybrid electric vehicles: Review and recent advances under intelligent transportation system. IET Intelligent Transport Systems. 2020, 14, 702–711. [Google Scholar] [CrossRef]
  44. Sidharthan Panaparambil, V.; Kashyap, Y.; Vijay Castelino, R. A review on hybrid source energy management strategies for electric vehicle. International Journal of Energy Research. 2021, 45, 19819–19850. [Google Scholar] [CrossRef]
  45. Horrein, L.; et al. Hybrid energy management Strategy for hybrid electric vehicle. In 2015 IEEE Vehicle Power and Propulsion Conference (VPPC). 2015. IEEE.
  46. Hu, Y.; et al. Energy management strategy for a hybrid electric vehicle based on deep reinforcement learning. Applied Sciences. 2018, 8, 187. [Google Scholar] [CrossRef]
  47. Martinez, C.M.; et al. Energy management in plug-in hybrid electric vehicles: Recent progress and a connected vehicles perspective. IEEE Transactions on Vehicular Technology. 2016, 66, 4534–4549. [Google Scholar] [CrossRef]
  48. Emadi, A.; Lee, Y.J.; Rajashekara, K. Power electronics and motor drives in electric, hybrid electric, and plug-in hybrid electric vehicles. IEEE Transactions on industrial electronics. 2008, 55, 2237–2245. [Google Scholar] [CrossRef]
  49. Amjad, S.; Neelakrishnan, S.; Rudramoorthy, R. Review of design considerations and technological challenges for successful development and deployment of plug-in hybrid electric vehicles. Renewable and Sustainable Energy Reviews. 2010, 14, 1104. [Google Scholar] [CrossRef]
  50. Wirasingha, S.G.; Emadi, A. Classification and review of control strategies for plug-in hybrid electric vehicles. IEEE Transactions on Vehicular Technology. 2010, 60, 111–122. [Google Scholar] [CrossRef]
  51. Krupa, J.S.; et al. Analysis of a consumer survey on plug-in hybrid electric vehicles. Transportation Research Part A: Policy and Practice. 2014, 64, 14–31. [Google Scholar] [CrossRef]
  52. Bradley, T.H.; Frank, A.A. Design, demonstrations and sustainability impact assessments for plug-in hybrid electric vehicles. Renewable and Sustainable Energy Reviews. 2009, 13, 115–128. [Google Scholar] [CrossRef]
  53. Natchimuthu, S.; Chinnusamy, M.; Mark, A.P. Experimental investigation of PV based modified SEPIC converter fed hybrid electric vehicle (PV-HEV). International Journal of Circuit Theory and Applications. 2020, 48, 980–996. [Google Scholar] [CrossRef]
  54. Fathabadi, H. Novel battery/photovoltaic hybrid power source for plug-in hybrid electric vehicles. Solar Energy. 2018, 159, 243–250. [Google Scholar] [CrossRef]
  55. Zhang, X.; Chau, K.; Chan, C. Design and implementation of a thermoelectric-photovoltaic hybrid energy source for hybrid electric vehicles. World Electric Vehicle Journal. 2009, 3, 271–281. [Google Scholar] [CrossRef]
  56. Bhatti, A.R.; et al. Electric vehicles charging using photovoltaic: Status and technological review. Renewable and Sustainable Energy Reviews. 2016, 54, 34–47. [Google Scholar] [CrossRef]
  57. Schuss, C.; et al. Impacts on the output power of photovoltaics on top of electric and hybrid electric vehicles. IEEE Transactions on Instrumentation and Measurement. 2019, 69, 2449–2458. [Google Scholar] [CrossRef]
  58. Mokrani, Z.; Rekioua, D.; Rekioua, T. Modeling, control and power management of hybrid photovoltaic fuel cells with battery bank supplying electric vehicle. International Journal of Hydrogen Energy. 2014, 39, 15178–15187. [Google Scholar] [CrossRef]
  59. Mohammadi, F.; Saif, M. A comprehensive overview of electric vehicle batteries market. e-Prime - Advances in Electrical Engineering, Electronics and Energy. 2023, 3, 100127. [Google Scholar] [CrossRef]
  60. Luo, C.; et al. The combination of two control strategies for series hybrid electric vehicles. IEEE/CAA Journal of Automatica Sinica. 2019, 6, 596–608. [Google Scholar] [CrossRef]
  61. Sezer, V.; Gokasan, M.; Bogosyan, S. A novel ECMS and combined cost map approach for high-efficiency series hybrid electric vehicles. IEEE Transactions on Vehicular Technology. 2011, 60, 3557–3570. [Google Scholar] [CrossRef]
  62. Khamesipour, M.; et al. Component sizing of a series hybrid electric vehicle through artificial neural network. Energy Conversion and Management. 2022, 254, 115300. [Google Scholar] [CrossRef]
  63. Shen, Z.; et al. Two-Level Energy Control Strategy Based on ADP and A-ECMS for Series Hybrid Electric Vehicles. IEEE Transactions on Intelligent Transportation Systems. 2022, 23, 13178–13189. [Google Scholar] [CrossRef]
  64. Nassar, M.Y.; Shaltout, M.L.; Hegazi, H.A. Multi-objective optimum energy management strategies for parallel hybrid electric vehicles: A comparative study. Energy Conversion and Management. 2023, 277, 116683. [Google Scholar] [CrossRef]
  65. Zhang, F.; et al. Comparative study of energy management in parallel hybrid electric vehicles considering battery ageing. Energy. 2023, 264, 123219. [Google Scholar] [CrossRef]
  66. Biswas, D.; et al. Energy management of a parallel hybrid electric vehicle using model predictive static programming. Energy. 2022, 250, 123505. [Google Scholar] [CrossRef]
  67. Sun, Q.; et al. A rapid approximate dynamic programing based on constraint satisfaction for a series-parallel hybrid electric vehicle with a three-speed gearbox. Proceedings of the Institution of Mechanical Engineers, Part D: Journal of Automobile Engineering. 2023, 237, 2329–2343. [Google Scholar] [CrossRef]
  68. Xu, X.; et al. Comparative study on fuel saving potential of series-parallel hybrid transmission and series hybrid transmission. Energy Conversion and Management. 2022, 252, 114970. [Google Scholar] [CrossRef]
  69. Ahsan MBF, et al. Lithium-ion battery and supercapacitor-based hybrid energy storage system for electric vehicle applications: A review. International Journal of Energy Research. 2022, 46, 19826–19854.
  70. Wilberforce, T.; et al. An investigation into hybrid energy storage system control and power distribution for hybrid electric vehicles. Energy. 2023, 279, 127804. [Google Scholar] [CrossRef]
  71. Sharma, K.; Arora, A.; Tripathi, S.K. Review of supercapacitors: Materials and devices. Journal of Energy Storage. 2019, 21, 801–825. [Google Scholar]
  72. Fawzy, A.; Eessaa, A. Review on supercapacitor based on nanomaterials for energy storage. 2017.
  73. Zhang, L.; et al. Hybrid electrochemical energy storage systems: An overview for smart grid and electrified vehicle applications. Renewable and Sustainable Energy Reviews 2021, 139, 110581. [Google Scholar] [CrossRef]
  74. Mohammad, J.S.S. and, D. Bhanabhagvanwala. Simulation Analysis of Battery/Ultracapacitor Hybrid Energy Storage System for Electric Vehicle. In 2019 International Conference on Intelligent Sustainable Systems (ICISS). 2019.
  75. Pesaran, A. Evaluating Ultracapacitors for the Saturn Vue Mild Hybrid Platform: Cooperative Research and Development Final Report, CRADA Number CRD-08-00276. 2010, National Renewable Energy Lab.(NREL), Golden, CO (United States).
  76. Burke, A. Energy Storage: Ultracapacitor, in Electric, Hybrid, and Fuel Cell Vehicles. 2021, Springer. p. 407-442.
  77. Dehghani-Sanij, A.R.; et al. Study of energy storage systems and environmental challenges of batteries. Renewable and Sustainable Energy Reviews 2019, 104, 192–208. [Google Scholar] [CrossRef]
  78. Gunkel, P.A.; et al. From passive to active: Flexibility from electric vehicles in the context of transmission system development. Applied Energy 2020, 277, 115526. [Google Scholar] [CrossRef]
  79. Zheng, J.P., T. R. Jow, and, M. Ding. Hybrid power sources for pulsed current applications. IEEE transactions on aerospace and electronic systems 2001, 37, 288–292. [Google Scholar]
  80. Lahyani, A.; et al. Battery/supercapacitors combination in uninterruptible power supply (UPS). IEEE transactions on power electronics 2012, 28, 1509–1522. [Google Scholar] [CrossRef]
  81. Song, Z.; et al. A comparison study of different semi-active hybrid energy storage system topologies for electric vehicles. Journal of Power Sources 2015, 274, 400–411. [Google Scholar] [CrossRef]
  82. Gee, A.M.; Robinson, F.V.; Dunn, R.W. Analysis of battery lifetime extension in a small-scale wind-energy system using supercapacitors. IEEE transactions on energy conversion 2013, 28, 24–33. [Google Scholar] [CrossRef]
  83. Manandhar, U.; et al. Validation of faster joint control strategy for battery-and supercapacitor-based energy storage system. IEEE Transactions on Industrial Electronics 2017, 65, 3286–3295. [Google Scholar] [CrossRef]
  84. Kollimalla, S.K.; et al. DC grid voltage regulation using new HESS control strategy. IEEE Transactions on Sustainable Energy 2016, 8, 772–781. [Google Scholar] [CrossRef]
  85. Cohen, I.J.; et al. Design and characterization of an actively controlled hybrid energy storage module for high-rate directed energy applications. IEEE Transactions on Plasma Science 2014, 43, 1427–1433. [Google Scholar] [CrossRef]
  86. Hu, S.; Liang, Z.; He, X. Ultracapacitor-Battery Hybrid Energy Storage System Based on the Asymmetric Bidirectional Z -Source Topology for, E. V. IEEE Transactions on Power Electronics 2016, 31, 7489–7498. [Google Scholar] [CrossRef]
  87. Kachhwaha, A.; et al. Design and Performance Analysis of Hybrid Battery and Ultracapacitor Energy Storage System for Electrical Vehicle Active Power Management. Sustainability 2022, 14, 776. [Google Scholar] [CrossRef]
  88. Bhattacharyya, P.; et al. A Modified Semi-Active Topology for Battery-Ultracapacitor Hybrid Energy Storage System for EV Applications. in 2020 IEEE International Conference on Power Electronics, Smart Grid and Renewable Energy (PESGRE2020). 2020.
  89. Barcellona, S.; Piegari, L.; Villa, A. Passive hybrid energy storage system for electric vehicles at very low temperatures. Journal of Energy Storage 2019, 25, 100833. [Google Scholar] [CrossRef]
  90. Cao, J.; Emadi, A. A New Battery/UltraCapacitor Hybrid Energy Storage System for Electric, Hybrid, and Plug-In Hybrid Electric Vehicles. IEEE Transactions on Power Electronics 2012. 27, 122–132.
  91. Sinha, V.K.; Mahia, R.N.; Mahela, O.P. Chapter 7.6 - Power management in electric vehicles using a hybrid energy storage system, in Active Electrical Distribution Network, S. Padmanaban, et al., Editors. 2022, Academic Press. p. 201-215.
  92. Rezaei, H.; et al. Energy management strategies of battery-ultracapacitor hybrid storage systems for electric vehicles: Review, challenges, and future trends. Journal of Energy Storage 2022, 53, 105045. [Google Scholar] [CrossRef]
  93. Zimmermann, T.; et al. Review of system topologies for hybrid electrical energy storage systems. Journal of Energy Storage 2016. 8, 78–90. [CrossRef]
  94. Hannan, M.A.; Azidin, F.A.; Mohamed, A. Hybrid electric vehicles and their challenges: A review. Renewable and Sustainable Energy Reviews 2014. 29, 135–150. [CrossRef]
  95. Zheng, C.; Li, W.; Liang, Q. An Energy Management Strategy of Hybrid Energy Storage Systems for Electric Vehicle Applications. IEEE Transactions on Sustainable Energy 2018. 9, 1880–1888. [CrossRef]
  96. Li, M.; et al. Sizing Optimization and Energy Management Strategy for Hybrid Energy Storage System Using Multiobjective Optimization and Random Forests. IEEE Transactions on Power Electronics 2021, 36, 11421–11430. [Google Scholar] [CrossRef]
  97. Eckert, J.J.; et al. Electric hydraulic hybrid vehicle powertrain design and optimization-based power distribution control to extend driving range and battery life cycle. Energy Conversion and Management 2022, 252, 115094. [Google Scholar] [CrossRef]
  98. Yang, J.; et al. Research on driving control strategy and Fuzzy logic optimization of a novel mechatronics-electro-hydraulic power coupling electric vehicle. Energy 2021, 233, 121221. [Google Scholar] [CrossRef]
  99. Arabkoohsar, A.; Sadi, M. Chapter Five - Flywheel energy storage, in Mechanical Energy Storage Technologies, A. Arabkoohsar, Editor. 2021, Academic Press. p. 101-124.
  100. Tziovani, L.; et al. Energy Management and Control of a Flywheel Storage System for Peak Shaving Applications. IEEE Transactions on Smart Grid 2021, 12, 4195–4207. [Google Scholar] [CrossRef]
  101. Mehraban, A.; et al. Optimal sizing of a high-speed flywheel in an electric vehicle using the optimal control theory approach. IET Electric Power Applications 2022, 16, 55–67. [Google Scholar] [CrossRef]
  102. Hearn, C.S.; et al. Utilization of Optimal Control Law to Size Grid-Level Flywheel Energy Storage. IEEE Transactions on Sustainable Energy 2013, 4, 611–618. [Google Scholar] [CrossRef]
  103. Pullen, K.R.D. A. Characterization of Flywheel Energy Storage System for Hybrid Vehicles. 2014, Available from: https://openaccess.city.ac.uk/id/eprint/3930/ (accessed on 21/12/2023).
  104. Hou, J.; Sun, J.; Hofmann, H. Control development and performance evaluation for battery/flywheel hybrid energy storage solutions to mitigate load fluctuations in all-electric ship propulsion systems. Applied Energy 2018, 212, 919–930. [Google Scholar] [CrossRef]
  105. Moura, S.J.; et al. A Stochastic Optimal Control Approach for Power Management in Plug-In Hybrid Electric Vehicles. IEEE Transactions on Control Systems Technology 2011, 19, 545–555. [Google Scholar] [CrossRef]
  106. Opila, D.F.; et al. An Energy Management Controller to Optimally Trade Off Fuel Economy and Drivability for Hybrid Vehicles. IEEE Transactions on Control Systems Technology 2012, 20, 1490–1505. [Google Scholar] [CrossRef]
  107. Johri, R.; Filipi, Z. Optimal energy management of a series hybrid vehicle with combined fuel economy and low-emission objectives. Proceedings of the Institution of Mechanical Engineers, Part D: Journal of Automobile Engineering 2014, 228, 1424–1439. [Google Scholar] [CrossRef]
  108. Zou, Y.; et al. A Real-Time Markov Chain Driver Model for Tracked Vehicles and Its Validation: Its Adaptability via Stochastic Dynamic Programming. IEEE Transactions on Vehicular Technology 2017, 66, 3571–3582. [Google Scholar] [CrossRef]
  109. Xu, F.; et al. Energy management optimization in consideration of battery deterioration for commuter plug-in hybrid electric vehicle. 2016 55th Annual Conference of the Society of Instrument and Control Engineers of Japan (SICE) 2016.
  110. Lencwe, M.J.; Chowdhury, S.P.D.; Olwal, T.O. Hybrid energy storage system topology approaches for use in transport vehicles: A review. Energy Science & Engineering 2022, 10, 1449–1477. [Google Scholar]
  111. Hu, L.; et al. A study on energy distribution strategy of electric vehicle hybrid energy storage system considering driving style based on real urban driving data. Renewable and Sustainable Energy Reviews 2022, 162, 112416. [Google Scholar] [CrossRef]
  112. Andreev, M.K. An Overview of Supercapacitors as New Power Sources in Hybrid Energy Storage Systems for Electric Vehicles. 2020 XI National Conference with International Participation (ELECTRONICA) 2020.
  113. Lijun, G.; Dougal, R.A.; Shengyi, L. Power enhancement of an actively controlled battery/ultracapacitor hybrid. IEEE Transactions on Power Electronics 2005, 20, 236–243. [Google Scholar]
  114. Ren, G.; et al. An energy conservation and environmental improvement solution-ultra-capacitor/battery hybrid power source for vehicular applications. Sustainable Energy Technologies and Assessments 2021, 44, 100998. [Google Scholar] [CrossRef]
  115. Zheng, C.; et al. A Hybrid Energy Storage System for an Electric Vehicle and Its Effectiveness Validation. International Journal of Precision Engineering and Manufacturing-Green Technology 2021, 8, 1739–1754. [Google Scholar] [CrossRef]
  116. Podder, A.K.; et al. Control Strategies of Different Hybrid Energy Storage Systems for Electric Vehicles Applications. IEEE Access 2021, 9, 51865–51895. [Google Scholar] [CrossRef]
  117. Li, F.; Gao, Y.; Wu, Y.; Xia, Y.; Wang, C.; Hu, J.; Huang, Z. Incentive learning-based energy management for hybrid energy storage system in electric vehicles. Energy Conversion and Management. 2023, 293, 117480. [Google Scholar] [CrossRef]
  118. Wang, Z.; Li, J.; Hu, C.; Li, X.; Zhu, Y. Hybrid energy storage system and management strategy for motor drive with high torque overload. Journal of Energy Storage. 2024, 75, 109432. [Google Scholar] [CrossRef]
  119. Çorapsiz, M.R.; Kahveci, H. A study on Li-ion battery and supercapacitor design for hybrid energy storage systems. Energy Storage. 2023, 5, e386. [Google Scholar] [CrossRef]
Figure 1. Hybrid energy storage system (HESS) power train of ICE based HEVs
Figure 1. Hybrid energy storage system (HESS) power train of ICE based HEVs
Preprints 107190 g001
Figure 2. Types of Hybrid Electric Vehicles
Figure 2. Types of Hybrid Electric Vehicles
Preprints 107190 g002
Figure 3. Series HEV
Figure 3. Series HEV
Preprints 107190 g003
Figure 4. Parallel HEV
Figure 4. Parallel HEV
Preprints 107190 g004
Figure 5. Series-Parallel HEV
Figure 5. Series-Parallel HEV
Preprints 107190 g005
Figure 6. Complex HEV
Figure 6. Complex HEV
Preprints 107190 g006
Figure 7. ACTIVE CASCADE UC/BATTERY CONFIGURATION
Figure 7. ACTIVE CASCADE UC/BATTERY CONFIGURATION
Preprints 107190 g007
Figure 9. ACTIVE CASCADE BATTERY /UC CONFIGURATION
Figure 9. ACTIVE CASCADE BATTERY /UC CONFIGURATION
Preprints 107190 g009
Figure 10. PASSIVE CASCADE WITH 2 DC-DC CONVERTER CONFIGURATIONS
Figure 10. PASSIVE CASCADE WITH 2 DC-DC CONVERTER CONFIGURATIONS
Preprints 107190 g010
Figure 11. MULTIPLE DC-DC CONVERTER CONFIGURATION
Figure 11. MULTIPLE DC-DC CONVERTER CONFIGURATION
Preprints 107190 g011
Figure 12. MULTIPLE DC-DC CONVERTER CONFIGURATION
Figure 12. MULTIPLE DC-DC CONVERTER CONFIGURATION
Preprints 107190 g012
Disclaimer/Publisher’s Note: The statements, opinions and data contained in all publications are solely those of the individual author(s) and contributor(s) and not of MDPI and/or the editor(s). MDPI and/or the editor(s) disclaim responsibility for any injury to people or property resulting from any ideas, methods, instructions or products referred to in the content.
Copyright: This open access article is published under a Creative Commons CC BY 4.0 license, which permit the free download, distribution, and reuse, provided that the author and preprint are cited in any reuse.
Prerpints.org logo

Preprints.org is a free preprint server supported by MDPI in Basel, Switzerland.

Subscribe

Disclaimer

Terms of Use

Privacy Policy

Privacy Settings

© 2025 MDPI (Basel, Switzerland) unless otherwise stated