Submitted:
09 June 2023
Posted:
12 June 2023
You are already at the latest version
Abstract
Keywords:
1. Introduction
2. Experimental Setups
2.1. Shock Calibration Experiments
2.2. Electromagnetic Coupling Issues
2.3. Origin of the Capacitive Coupling between the Gauge and the Transfer Plates
3. Modeling of the Measurement Setup
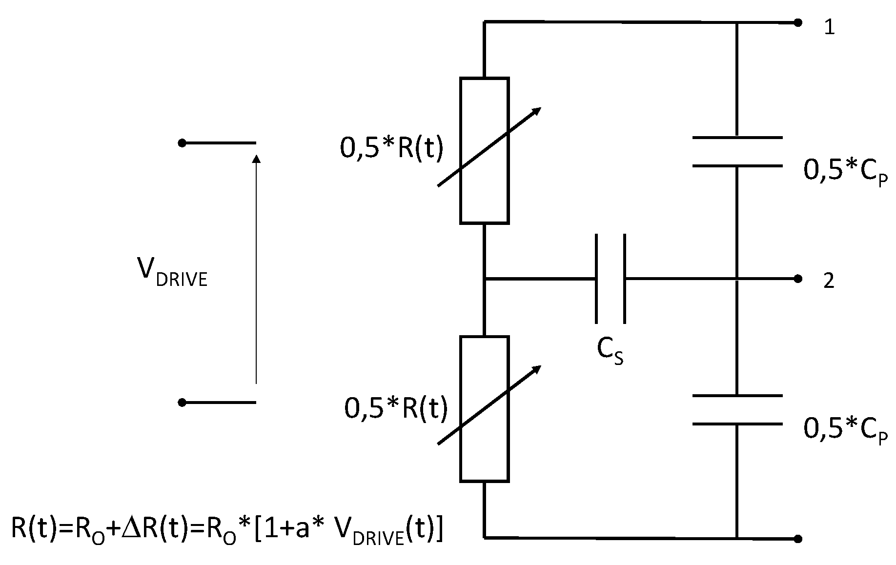
3.1. Gauge Modeling
3.2. Bandwidth Limitation
3.3. Cable Influence and Conditioning Transfer Impedance
4. Comparison between Experiments and Numerical Simulations
5. Conclusions
Acknowledgments
References
- Vantine, H.; Chan, J.; Erickson, L.M.; Janzen, J.; Lee, R.; Weingart, R.C. Precision stress measurements in severe shock-wave environments with low impedance manganin gauges. Rev. Sci. Instr. 1980, 51, 116–122. [Google Scholar] [CrossRef]
- Rosenberg, Z.; Yaziv, D.; Patrom, Y. Calibration of foil-like manganin gauges in planar shock wave experiments. J. Appl. Phys. 1980, 51, 3702–3705. [Google Scholar] [CrossRef]
- Vantine, H.C.; Erickson, L.M.; Janzen, J. Hysteresis-corrected calibration of manganin under shock loading. J. Appl. Phys. 1980, 51, 1957–1962. [Google Scholar] [CrossRef]
- Perez, M.; Chartagnac, P. Shock loading and unloading behavior of carbon piezoresistive gauges up to 5 GPa. Rev. Sci. Instrum. 1980, 51, 921. [Google Scholar] [CrossRef]
- Yiannakopoulos, G. A review of manganin gauge technology for measurements in the gigapascal range; MRL Technical Report; 1990; MRL-TR-90-5.
- Rosenberg, Z. , Brar, N.S. The influence of the elastoplastic properties of piezoresistance gauges on their loadingunloading characteristics as lateral shock stress transducers. J. Appl. Phys. 1995, 77, 1443. [Google Scholar] [CrossRef]
- Greenwood, D.; Forbes, J.; Garcia, F.; Vandersall, K.; Urtiew, P.; Green, L.; Erickson, L. Improvements in the signal fidelity of the manganin stress gauge. Shock Compression of Condensed Matter, Atlanta, Georgia, ; pp. 1157–1159. 24–29 June.
- Du, X.S.; Yang, B.C.; Zhou, H.R. Piezoresistive response of thin film manganin gauges in the 50–100 GPa range. Thin Solid Film. 2002, 410, 167–170. [Google Scholar] [CrossRef]
- Duan, Z.; Liu, Y.; Pi, A.; Huang, F. Foil-like manganin gauges for dynamics high pressure measurements. Meas. Sci. Tech. 2011, 22, 1–5. [Google Scholar] [CrossRef]
- TechNote V1.0 PMS40 Pressure-Measurement-Gage. HBM Hottinger Brüel & Kjær, 17 September, 2012. Available online: https://www.hbm.com/en/2537/strain-gauge-pms40-transient-pressure-measurement/?product_type_no=PMS40 (accessed on 26 May 2023).
- Manganin Patterns, Special Use Sensors—Manganin Pressure Sensor, Document No. 11524. Micro-measurements, a Vishay Precision Group Brand, 04 February, 2010. Available online: https://micro-measurements.com/pca/special-use-gages/pressure_pulse (accessed on 26 May 2023).
- Piezoresistive Stress Gauges. Dynasen, 2017. Available online: http://dynasen.com/product-category/thin-film-sensors/piezoresistive-stress-gauges/ (accessed on 26 May 2023).
- Rosenberg, Z.; Bourne, N.K.; Millett, J.C. On the effect of manganin gauge geometries upon their response to lateral stress. Meas. Sci. Technol. 2007, 18, 1843–1847. [Google Scholar] [CrossRef]
- Jordan, J.L.; Casem, D.; Zellner, M. Shock response of polymethylmethacrylate. J. Dynamic Behavior Mater. 2016, 2, 372–378. [Google Scholar] [CrossRef]
- Tasker, D.G. Novel circuits for energizing manganin stress gauges. In Proceedings of the 19th Biennial APS Conference on Shock Compression of Condensed Matter, Tampa, Florida, USA, 14–19 June 2015; LA-UR-15-24819. [Google Scholar]
- Vandersall, K.S.; Garcia, F.; Tarver, C.M. Shock initiation experiments with ignition and growth modeling on low density composition B, 19th Biennial APS Conference on Shock Compression of Condensed Matter, Tampa, FL, USA, 14–19 June.
- Lefrancois, A.; Bouton, E.; Jacquet, L.; Chuzeville, V.; Peix, J.; Luc, J.; Baudin, G.; Genetier, M.; Mateille, P.; Zaniolo, G.; et al. Low amplitude shock initiation experiments on TATB based composition tested with inverse particle velocity, 41th International Pyrotechnics Seminar, Europyro, Toulouse, France, 4–7 May.
- Vandersall, K.S.; Garcia, F.; Tarver, C.M.; Fried, L.E. Shock desensitization experiments and reactive flow modeling on self-sustaining LX-17 detonation waves. 15th International Detonation Symposium, San Francisco, CA, USA, 13–18 July.
- Elia, T.; Chuzeville, V.; Baudin, G.; Genetier, M.; Lefrançois, A.; Osmont, A.; Boulanger, R. Review of the wedge test and single curve initiation principle applied to aluminized high explosives. Propellants Explos. Pyrotech. 2020, 45, 1–14. [Google Scholar] [CrossRef]
- Chuzeville, V.; Baudin, G.; Lefrancois, A.; Boulanger, R.; Catoire, L. Shock to detonation transition of heterogeneous melt-cast high explosives. 19th Biennal Conference on Shock Compression of Condensed Matter, Tampa, FL, USA, 14–19 June.
- Bourney, N.K.; Rosenberg, Z. On the ringing observed in shock-loaded piezoresistive stress gauges. Meas. Sci. Technol. 1997, 8, 570–573. [Google Scholar] [CrossRef]
- Bourney, N.K. On the shock response of piezoresistive gauges. Meas. Sci. Technol. 2004, 15, 425–431. [Google Scholar] [CrossRef]
- Carson, J.R. The Present Status of Wire Transmission Theory and Some of its Outstanding Problems. Bell Syst. Tech. J. 1928, 7, 2. [Google Scholar] [CrossRef]











Disclaimer/Publisher’s Note: The statements, opinions and data contained in all publications are solely those of the individual author(s) and contributor(s) and not of MDPI and/or the editor(s). MDPI and/or the editor(s) disclaim responsibility for any injury to people or property resulting from any ideas, methods, instructions or products referred to in the content. |
© 2023 by the authors. Licensee MDPI, Basel, Switzerland. This article is an open access article distributed under the terms and conditions of the Creative Commons Attribution (CC BY) license (http://creativecommons.org/licenses/by/4.0/).