Submitted:
26 January 2024
Posted:
29 January 2024
You are already at the latest version
Abstract
Keywords:
1. Introduction
- a)
- Study the impact of replacing existing synchronous generators in the Mangystau power system with DFIG generation on the rotor angle transient stability.
- b)
- Determine the maximum allowable amount of replaced generating capacity at stations with renewable energy technologies.
- c)
- Explore two methods that can be used to improve the transient stability of the system with a high share of DFIG generation.
2. Methodology for Transient Stability Analysis
- -
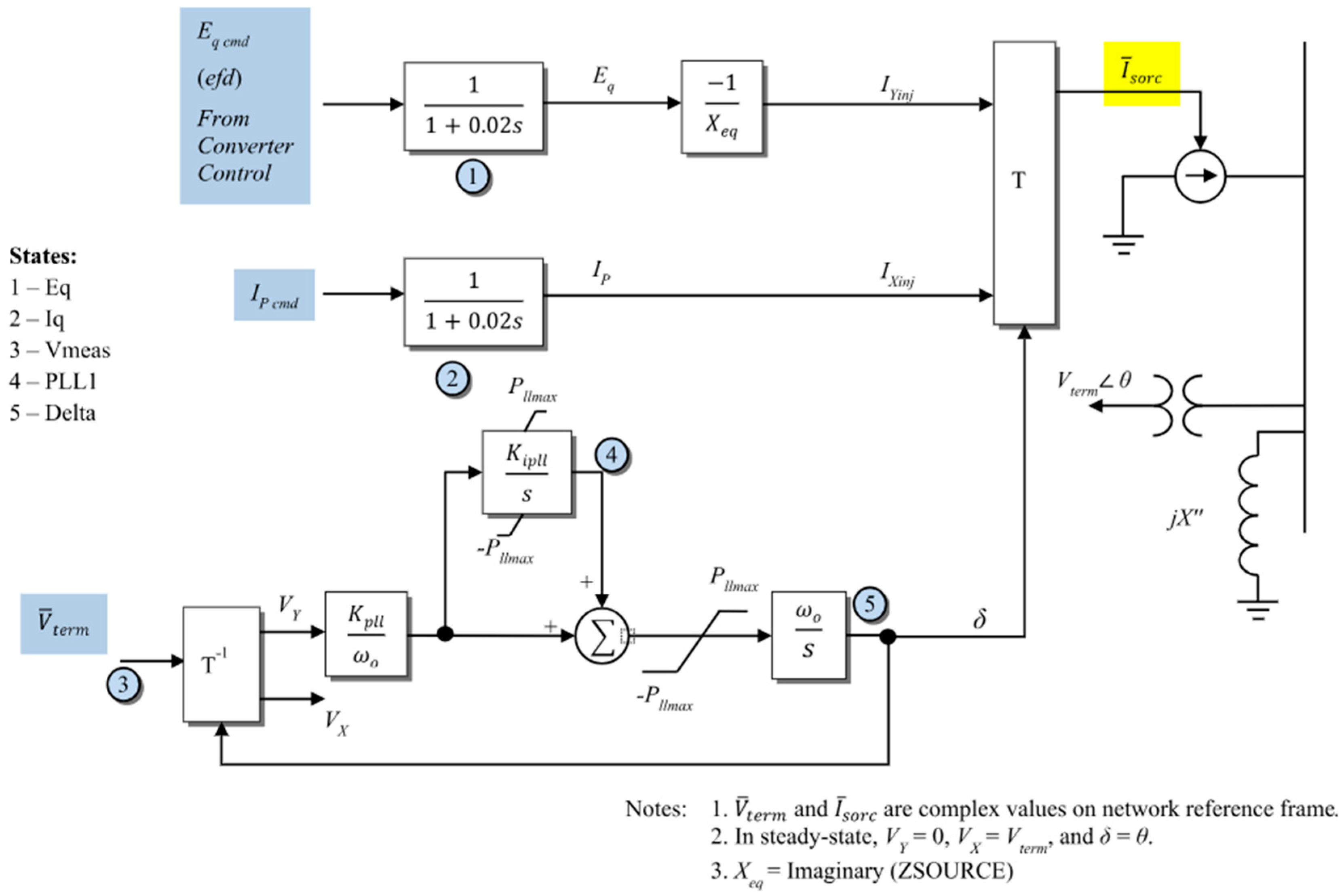
- replace the dynamic model of generators from a synchronous machine model to the DFIG model shown in Figure 1 (Power World Corporation, [22]). In this case, the inertial constant of the replaced stations becomes equal to zero.
- -
- the sequence for replacing synchronous generators is Station 2 (250 MW Generation, H=11.5 sec), Station 1 (75 MW Generation, H=1.998 sec) and G-3 Station 3 (20 MW Generation, H=2.604 sec);
- -
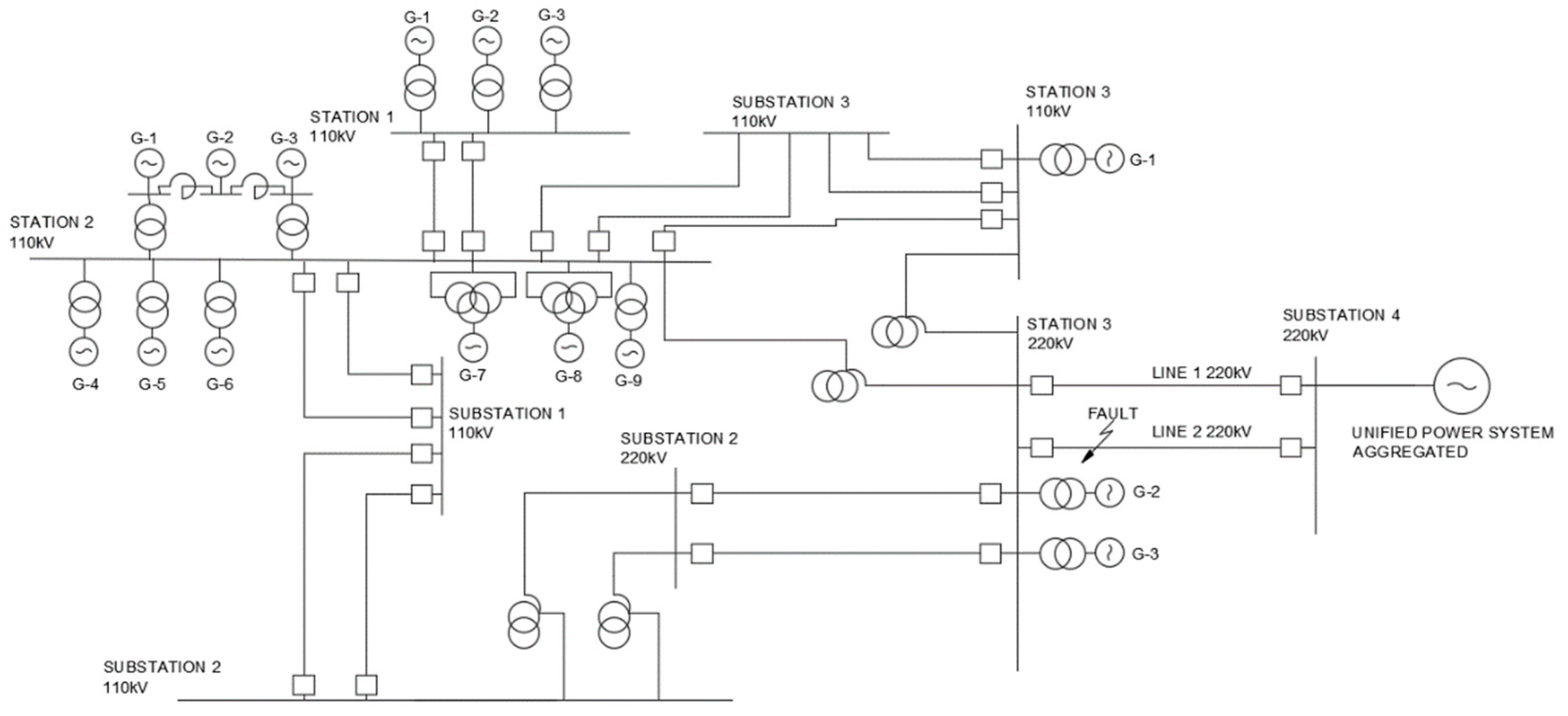
- to analyze the transient stability of the synchronous generators remaining in operation during a three-phase short circuit on the line Station 3 220 kV - Substation 4 220 kV and its unsuccessful automatic reclosure (automatic reclose);
- -
- transient stability analysis was carried out using PowerWorld software.
- -
- the intermittency of power generation from DFIGs is neglected. In other words, all DFIG technologies are equipped with storage systems.
- -
- the location of DFIG stations is neglected due to the fact that there are no real projects for the implementation of wind power plants of such relatively high power. Replacement of stations on synchronous machines using DFIG technologies is carried out exactly at the location of the replaced stations;
- -
- the work of automatic excitation control (AEC) and primary frequency control via governors is neglected.
3. Materials and Methods
- 1)
- Model a real diagram of the Mangystau power system.
- 2)
- Linking the inertial constant to the nominal parameters of existing synchronous generators of the Mangistau energy system.
- 3)
- Set fault: three-phase short circuit on the 220 kV intersystem transmission line with subsequent tripping action by relay protection and automatic reclosure action. In this case, the line is switched on for an unresolved short circuit, and the line is switched off again by the action of the protection.
- 4)
- Identify the maximum possible share of DFIG generation that can replace the synchronous generators.
- 5)
- Identify the influence of the automatic reclosure response time delay on a faulted line, as a means of enhancing transient stability of the power system with high DFIG integration.
3.1. Configuration of the Mangystau Energy System
- -
- the electrical power system under study consists of three main power plants: Station 1, 2 and 3.
- -
- there are Open Switchgears 110 kV at Station 1 and 2 while Station 3 has both Open Switchgear 110 and 220 kV.
- -
- the given transmission network is connected to the rest of the Unified Power System of Kazakhstan through Lines 1 and 2 with voltage of 220 kV. All the generators in Stations 1, 2 and 3 are rotating in synchronism with the aggregated Unified Power System. Substation 4 is the slack bus.
3.2. Aggregating and Calculation of Network Parameters of the Mangystau System
- A.
- Calculation of inertia of turbogenerators
- B.
- Calculation of system element resistances
3.3. Setting the Pre-Emergency Mode
4. Results
- 1)
- 0 % generation from DFIG - the base scenario in which the generators of each station are synchronous. Equivalent inertia 22.26 sec;
- 2)
- 53 % of generation from DFIG is the replacement of synchronous generators with Station 2. In this scenario, Station 2 is removed from the analysis due to the fact that it is no longer a synchronous generator, but a DFIG connected through a power inverter. Equivalent inertia 10.76 sec;
- 3)
- 68 % of generation from DFIG - replacement of synchronous generators at Station 1. Remaining synchronous machines - G-1, G-2 and G-3 at Station 3. Equivalent inertia 8, 76 sec;
- 4)
- 73 % of generation from DFIG - replacement of one synchronous generator with Station 3 (G-3). In this scenario, the system is supported only by two Station 3 synchronous generators (G-1 and G-2). Equivalent inertia 6.16 sec;
- 5)
- 73 % generation from DFIG and an increase in the automatic reclose time by 0.5 sec - a scenario similar to 4);
- 6)
- 73 % generation from DFIG and disconnection of 20 MW load on Substation 2 - a scenario similar to 4), but with part of the load disconnection from special load shedding automation (SLSA) as a means of preventing instability.
5. Conclusions
- In this steady state regime, the share of energy generation from wind units should not exceed 68 % or 325 MW out of a total generation of 475 MW (of which 90 MW is the flow from the unified power system) in the Mangystau power system.
- The minimum output from synchronous generators should not be less than 60 MW out of 475 MW of total generating capacity, taking into account the flow through 220 kV intersystem lines.
- The minimum number of synchronous generators to ensure transient stability during the disturbance under study is 3 synchronous generators at “Station No. 3” with a rated power of 200 MW and a total inertial constant of 8.76 sec.
- When the third synchronous generator at “Station No. 3” (G-3) is taken out of operation and replaced with a wind station, transient stability is violated due to a critical lack of inertia.
- The means of increasing dynamic stability are increasing the response time of automatic reclose and/or disconnecting part of the load (special load shedding automation). Figure 11 and Figure 12 show that at 73 % wind generation (or 345 MW), both methods lead to the prevention of transient stability violation.
Author Contributions
Funding
Institutional Review Board Statement
Informed Consent Statement
Data Availability Statement
Acknowledgements
Conflicts of Interest
References
- Intergovernmental Panel on Climate Change (IPCC). (2022). Climate Change 2022. Mitigation of Climate Change.
- Ritchie, H., Roser, M., Rosado, P. (2020). CO2 and Greenhouse Gas Emissions. https://ourworldindata.org/co2-and-greenhouse-gas-emissions.
- Government of Kazakhstan (GOV.KZ). (2021). Kazakh Prime-Minister Askar Mamin took part in the UN Climate Change Conference (COP26) in Glasgow, reaffirming the country's commitment to the global climate change agenda. https://www.gov.kz/memleket/entities/mfa-zagreb/press/news/details/278599?lang=en#:~:text=Kazakhstan%20signed%20the%20Paris%20Agreement%20on%20November%204%2C%202016.
- Ministry of Energy of Republic of Kazakhstan. (2023). Development of renewable energy sources. https://www.gov.kz/memleket/entities/energo/activities/4910?lang=en.
- Glover, D., Overbye, T. & Sarma, M. (2015). Power System Analysis and Design (Sixth Edition). Cengage Learning.
- Makolo, P., Zamora, R., Lie, T. (2021). The role of inertia for grid flexibility under high penetration of variable renewables - A review of challenges and solutions. Renewable and Sustainable Energy Reviews, 147. [CrossRef]
- Australian Energy Market Operator (AEMO). (2017). Black System South Australia. 28 September 2016.
- Australian Energy Market Operator (AEMO). (2019). Final Report – Queensland and South Australia system separation on 25 August 2018.
- Saadat, H. (1999). Power System Analysis. Senior Consulting Editor.
- Berkovich, M., Gladyshev, V., Semenov, V. (1991). Avtomatika Energosistem [Energy Systems Automation] (Third Edition). Energoatomizdat.
- Gurevich, Y., Libova, L., Okin, A. (1990). Raschety Ustoichivosti i Protivoavaryinoi Avtomatiki v Energosistemah [Calculations of Stability and Emergency Control Automation in Energy Systems]. Energoatomizdat.
- Ovcharenko, N. (2000). Avtomatika Elekricheskih Stancyi i Elektroenergeticheskih Sistem [Automation of Electrical Stations and Power Systems]. NC ENAS.
- Naik, P., Nair, N., Swain, A. (2015). Impact of reduced inertia on transient stability of networks with asynchronous generation. International transactions on Electrical Energy Systems, 26, 175 – 191. [CrossRef]
- Liu, S., Li, G., Zhou, M. (2016). Power System Transient Stability Analysis with Integration of DFIGs Based on Center of Inertia. CSEE Journal of Power and Energy Systems, 2(2), 20 – 29. [CrossRef]
- He, C., He, X., Geng, H., Sun, H., Xu, S. (2022). Transient Stability of Low-Inertia Power Systems With Inverter-Based Generation. IEEE Transactions on Energy Conversion, 37(4), 2903 – 2912. [CrossRef]
- Ulbig, A., Theodor, S., Andersson, G. (2014). Impact of Low Rotational Inertia on Power System Stability and Operation. IFAC Proceedings Volumes, 47(3), 7290–7297. [CrossRef]
- Collados-Rodriguez, C., Cheah-Mane, M., Prieto-Araujo, E., Gomis-Bellmunt, O. (2020). Stability Analysis of Systems With High VSC Penetration: Where is the Limit? IEEE Transactions on Power Delivery, 35(4), 2021 – 2031. [CrossRef]
- Collados-Rodriguez, C., Cheah-Mane, M., Prieto-Araujo, E., Gomis-Bellmunt, O. (2022). Stability and operation limits of power systems with high penetration of power electronics. International Journal of Electrical Power and Energy Systems, 138. [CrossRef]
- Vittal, E., O’Malley, M., Keane, A. (2012). Rotor Angle Stability With High Penetrations of Wind Generation. IEEE Transactions on Power Systems, 27(1), 353-362. [CrossRef]
- Edrah, M., Lo K., Anaya-Lara, O. (2015). Impacts of High Penetration of DFIG Wind Turbines on Rotor Angle Stability of Power Systems. IEEE Transactions on Sustainable Energy, 6(3), 759-766. [CrossRef]
- Tina, G., Maione, G., Licciardello, S. (2022). Evaluation of Technical Solutions to Improve Transient Stability in Power Systems with Wind Power Generation. Energies, 15, 7055. [CrossRef]
- PowerWorld Corporation. (2023). Machine Model WT3G1. https://www.powerworld.com/WebHelp/Content/TransientModels_HTML/Machine%20Model%20WT3G1.htm?tocpath=Transient%20Stability%20Add-On%20(TS)%7CTransient%20Models%7CGenerator%7CMachine%7C_____48.
- Kundur, P. (1993). Power System Stability and Control. McGraw-Hill, Inc.
- Shi, L., Dai, S., Ni, Y., Yao, L., Bazargan, M. (2009). Transient stability of power systems with high penetration of DFIG based wind farms. Proc.IEEE Power Energy Soc. Gen. Meet., 1 – 6.
- JSC “Kazakhstan Electricity Grid Operating Company” (KEGOC). (2023). National Power System. https://www.kegoc.kz/en/electric-power/natsionalnaya-energosistema/.
- Germond, A. and Podmore, R. (1978). Dynamic aggregation of generating unit models. IEEE Transactions on Power Apparatus and Systems, PAS-97(4).














| Station name | Generator | Nominal Capacity (MW) |
| Station1 75 MW |
G-1 | 32 |
| G-2 | 32 | |
| G-3 | 32 | |
| Station 2 630 MW |
G-1 | 60 |
| G-2 | 60 | |
| G-3 | 60 | |
| G-4 | 100 | |
| G-5 | 60 | |
| G-6 | 60 | |
| G-7 | 63 | |
| G-8 | 63 | |
| G-9 | 100 | |
| Station 3 625 MW |
G-1 | 200 |
| G-2 | 210 | |
| G-3 | 220 |
| Generator/Station | Transition resistance in rel. units (pu) | Synchronous resistance rel. units (pu) | Equivalent inertial constants (s) at Sb = 100 MVA |
| Station 1 | j0.3267 | j2.307 | 1.998 |
| Station 2 | j0.0544 | j0.27 | 11.5 |
| G-1 Station 3 | j0.136 | j0.807 | 3.083 |
| G-2 Station 3 | j0.141 | j0.829 | 3.081 |
| G-3 Station 3 | j0.116 | j0.897 | 2.604 |
| Unified Power System | j0.13 | j0.913 | 25 |
| “From” Bus Name | “To” Bus Name | Circuit | Nominal Operating Voltage (kV) | Impedance in per unit (Sbase=100 MVA) |
| Station 1110 kV | Station 2110 kV | 1 | 110 | 0.023+j0.0415 |
| Station 1110 kV | Station 2110 kV | 2 | 110 | 0.023+j0.0415 |
| Station 2110 kV | Substation 3 | 1 | 110 | 0.007+j0.026 |
| Station 2110 kV | Substation 3 | 2 | 110 | 0.007+j0.026 |
| Substation 3 | Station 3110 kV | 1 | 110 | 0.007+j0.027 |
| Substation 3 | Station 3110 kV | 2 | 110 | 0.007+j0.027 |
| Station 2110 kV | Station 3110 kV | 1 | 110 | j0.0005 |
| Station 2110 kV | Substation 1 | 1 | 110 | 0.089+j0.222 |
| Station 2110 kV | Substation 1 | 2 | 110 | 0.089+j0.222 |
| Substation 1 | Substation 2 | 1 | 110 | 0.102+j0.192 |
| Substation 1 | Substation 2 | 2 | 110 | 0.102+j0.192 |
| Station 3220 kV | Substation 2 | 1 | 220 | 0.033+j0.106 |
| Station 3220 kV | Substation 2 | 2 | 220 | 0.033+j0.106 |
| Station 3220 kV | Substation 4 | 1 | 220 | 0.073+j0.322 |
| Station 3220 kV | Substation 4 | 2 | 220 | 0.073+j0.322 |
| “From” Bus Name | “To” Bus Name | Operating Name of Autotransformer (AT) | Reactance in per unit |
| Station 3110 kV | Station 3220 kV | AT-1 | j0.0489 |
| Station 2110 kV | Station 3220 kV | AT-2 | j0.049 |
| Substation 2220 kV | Substation 2110 kV | AT-1 | j0.0428 |
| Substation 2220 kV | Substation 2110 kV | AT-2 | j0.0428 |
| G-1 | Station 3110 kV | AT-1 | j0.0419 |
| G-2 | Station 3220 kV | AT-2 | j0.0488 |
| G-3 | Station 3220 kV | AT-3 | j0.04797 |
| Bus name | Active load (MW) | Reactive load (MVar) |
| Station 1110 kV | 20 | 10 |
| Station 2110 kV | 100 | 48 |
| Substation 3110 kV | 100 | 48 |
| Station 3220 kV | 35 | 40 |
| Substation 1110 kV | 100 | 62 |
| Substation 2110 kV | 80 | 39 |
| Substation 4220 kV | 31 | 19 |
| Total Load | 466 | 266 |
| Generator | Active power dispatch (MW) | Voltage (per unit) |
| Station 1 | 75 | 1.05 |
| Station 2 | 250 | 1.09 |
| G-1 Station 3 | 20 | 1.09 |
| G-2 Station 3 | 20 | 1.09 |
| G-3 Station 3 | 20 | 1.09 |
| Unified Power System | 90 | 1 |
| Total Generation | 475 |
Disclaimer/Publisher’s Note: The statements, opinions and data contained in all publications are solely those of the individual author(s) and contributor(s) and not of MDPI and/or the editor(s). MDPI and/or the editor(s) disclaim responsibility for any injury to people or property resulting from any ideas, methods, instructions or products referred to in the content. |
© 2024 by the authors. Licensee MDPI, Basel, Switzerland. This article is an open access article distributed under the terms and conditions of the Creative Commons Attribution (CC BY) license (http://creativecommons.org/licenses/by/4.0/).